index
logo

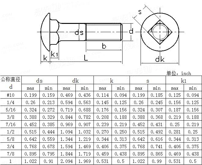
英制圆头方颈螺栓 [Table2] ASME/ANSI B 18.5 (T2) - 2008

查看供应商
ASME/ANSI B 18.5 (T2) - 2008 英制圆头方颈螺栓 [Table2]
美标ASME/ANSI B18.5 (T2) - 2008 ASME/ANSI1 英制圆头方颈螺栓 [Table2]
米/英制螺纹对照
二维码
扫一扫
移动端使用
或分享给好友
替代列表
ASME/ANSI B 18.5 - 2008 ASME/ANSI B 18.5 - 2012 ASME B 18.5T2 - 2012(2017)
注:技术数据仅供参考,请以官方原件为准!
告诉我在“易紧通”看到,将给您优惠
联系人:秦经理 点击这里给我发消息2775493507   移动电话: 13372306860     电话:0573-84789292     微信号:13372306860
材质:碳钢、合金钢、不锈钢304、316;规格范围:1/4-20~5/8-11;表面处理:洗白、发黑、蓝白锌、彩锌、热镀锌等。
联系人:张经理   移动电话: 13641550379     微信号:13641550379
材质:不锈钢;规格范围:M6-M12,支持定制 ;长度范围:12mm-150mm,专业马车螺栓,常备现货。
联系人:徐海 点击这里给我发消息513543434   移动电话: 18621311857     电话:021-59766477
材质:301、302、303、304、304L、316、316L、316Ti、317L、310S、321、347、1.4529、1.4539、1.4462、1.4547、1.4980、904L、2205、2507、2520、S32750、S32760、1Cr13、1Cr17、2Cr13、3Cr13、14Cr17Ni2、410、416、420、430、431、440、630、631、17-4PH、MP350N、600、601、625、660、718、750、800、825、925、926、C22、C276、A286、GH2132、GH4033、GH4080、GH4169、GH4145、9C18Mo、4Cr10Si2Mo、35CrMoA、42CrMoA、40CrNiMoA、25Cr2Mo1VA、SCM435、SCM440、4130、4140、4145、A36、A307、A320、A325、A490、A574、F1554,不锈钢、合金钢、钛合金、镍基合金、高温合金、耐蚀合金、镍钴合金、特种合金等;等级:A1-50、A2-50、A2-70、A2-80、A3-70、A4-70、A4-80、A4-90、A4-100、A5-80、B8、B8M、B8C、B8T、B6、B7、B7M、B16、C1-50、C1-70、C1-110、C3-80、C3-120、C4-70、D2-80、D2-100、D4-80、D4-100、D6-80、D6-100、D8-80、D8-100、P1-90、P1-120、F51、F53、F55、F60、10.9、12.9、14.9、15.9、16.9等;规格范围:M3-M120,1/4"-4";表面处理:钝化、发黑、磷化、电泳、镀锌、镀镍、镀铬、镀镉、镀金、镀银、镀锡、镀铜、渗锌、海洋锌、渗铝、喷涂铝、达克罗、久美特、特氟龙、锌镍合金、镍钴合金、热镀锌、复合陶瓷、二硫化钼、二硫化钨、纳米涂层等,均可定制。
联系人:吴红梅 点击这里给我发消息962654615   移动电话: 13815902526     电话:0523-83888632
材质:316不锈钢;等级:A4-80;公称直径范围:1/4-2";公称长度范围:6-320mm
联系人:刘永山 点击这里给我发消息121511646   移动电话: 13362313997     电话:0573-86028352     微信号:13362313997
材质:碳钢、不锈钢;规格范围:1/4-7/8;公称长度:5-200mm;表面处理:镀锌、热镀锌、锌镍合金、久美特、达克罗、洗光等,支持非标定制。
联系人:张经理   移动电话: 13362323237(张经理)     电话:13375836680(刘经理)     微信号:13362323237
材质:碳钢、合金钢、不锈钢304/316,尼龙PA66、PA66+玻纤等。螺栓等级:8.8、10.9、12.9、GR5、GR8、B7.B7M、B8.B8M、L7.L7M、B16等。规格范围:M3-M120,10# - 6"。表面处理:发黑、镀锌、彩锌钝化、特氟龙、镀镉、镀锌镍、达克罗、久美特、热镀锌/热浸锌等。标准件有库存。非标件支持按图定制、按样品定制。
告诉我在“易紧通”看到,将给您优惠
类似标准及供货信息
1 圆头方颈螺栓 [国标]
GB /T 12 - 2013
圆头方颈螺栓
Cup Head Square Neck Bolts
供应商(11)
2 半圆头方颈螺栓 [国标]
GB /T 12 - 1988
半圆头方颈螺栓
Cup Head Square Neck Bolts
供应商(11)
3 半圆头方颈螺栓 [国标]
GB 12 - 1976
半圆头方颈螺栓
Semi-round Head Square Neck Bolts
供应商(11)
4 A型 加强半圆头方颈螺栓 [国标]
GB /T 794 (A) - 2021
A型 加强半圆头方颈螺栓
Strenthened Cup Head Square Neck Bolts - Type A
5 B型 加强半圆头方颈螺栓 [国标]
GB /T 794 (B) - 2021
B型 加强半圆头方颈螺栓
Strenthened Cup Head Square Neck Bolts - Type B
6 加强半圆头方颈螺栓 [国标]
GB /T 794 - 1993
加强半圆头方颈螺栓
Strengthened Cap Head Square Neck Bolts
7 加强半圆头方颈螺栓 [国标]
GB /T 794 - 1988
加强半圆头方颈螺栓
Strengthened Cap Head Square Neck Bolts
8 带凹槽半圆头方颈螺栓 [表3] [日标]
JIS B 1171 (AT3) - 1996
带凹槽半圆头方颈螺栓 [表3]
Cup Head Square Neck Bolts(with indentation)[Table 3]
9 英制圆头方颈螺栓 [Table2]  (A307, SAE J429, F468, F593) [美标]
ASME/ANSI B 18.5 (T2) - 2012
英制圆头方颈螺栓 [Table2] (A307, SAE J429, F468, F593)
Round Head Square Neck Bolts, (Inch Series) [Table2] (A307, SAE J429, F468, F593)
供应商(6)
10 粗制半圆头方颈螺栓Table1 [英标]
BS 325 - 1947
粗制半圆头方颈螺栓Table1
Black Cup Aquare Neck Bolts
11 米制圆头方颈螺栓 [澳标]
AS /NZS 1390 - 1997 (R2016)
米制圆头方颈螺栓
ISO Metric Cup Head Square Neck Bolts
12 美制圆头方颈螺栓 [Table2] (A307, SAE J429, F468, F593) [美标]
ASME B 18.5 (T2) - 2012 (2017)
美制圆头方颈螺栓 [Table2] (A307, SAE J429, F468, F593)
Round Head Square Neck Bolts, (Inch Series) [Table2] (A307, SAE J429, F468, F593)
供应商(6)
13 刮板输送机紧固件 半圆头方颈螺栓 [煤炭行业标准]
MT 187.7 - 1988
刮板输送机紧固件 半圆头方颈螺栓

标准编号: ASME/ANSI B 18.5 (T2) - 2008
中文名称: 英制圆头方颈螺栓 [Table2]
英文名称: Round Head Square Neck Bolts,(Inch Series)
数据来源: 易紧通 (164580.com)
Standard Code: ASME/ANSI B 18.5 (T2) - 2008Chinese Name: 英制圆头方颈螺栓 [Table2]English Name: Round Head Square Neck Bolts,(Inch Series)Source: https://www.164580.com/info_30940.html
Data Source: YJT Fastener Database (164580.com)
Standard: ASME/ANSI B 18.5 (T2) - 2008
URL: https://www.164580.com/info_30940.html
License: Commercial use requires authorization
© 易紧通 服务热线:4006-164580(免长途费)