index
logo

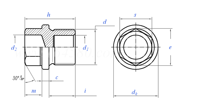
带肩的外六角螺旋塞.重载圆柱螺纹 (L型) DIN 910 - 2012

选择规格尺寸 点击↓

M10 G 1/8 A

M12

G 1/4 A #

G 1/4 A

M14

M16

G 3/8 A #

G 3/8 A

M18

M20

G 1/2 A #

G 1/2 A

M22

M24

M26

G 3/4 A #

M27 G 3/4 A

M30

M33

G 1 A

M36

M36

M38

G 1 1/8 A

M39

同规格,其他部分尺寸不同

尺寸单位: mm
德标DIN 910 - 2012 DIN910 910DIN 带肩的外六角螺旋塞.重载圆柱螺纹 (L型)
DIN  910 - 2012 带肩的外六角螺旋塞.重载圆柱螺纹 (L型)
扫一扫分享
千件重及价格计算 千件重 : kg x 元/kg = 元/千件
默认密度 g/cm3
螺纹规格
d
M10
G 1/8 A
M12 G 1/4 A # G 1/4 A M14 M16 G 3/8 A # G 3/8 A M18 M20 G 1/2 A # G 1/2 A M22
P 螺距 1
螺距 2
d 管螺纹
c 最小值=公称
最大值
dk 最大值=公称
最小值
d2 DIN 475-1 最大值
最小值
DIN ISO 272 最大值
最小值
d1 最大值
最小值
e DIN 475-1 最小值
DIN ISO 272 最小值
i 公称
最小值
最大值
h
m 公称
最小值
最大值
s DIN 475-1 最大值
最小值
DIN ISO 272 最大值
最小值
千件重kg
1 1.5 - - 1.5 1.5 - - 1.5 1.5 - - 1.5
- - - - - - - - - 2* - - -
G 1/8 A - G 1/4 A# G 1/4 A - - G 3/8 A# G 3/8 A - - G 1/2 A# G 1/2 A -
3 3 3 3 3 3 3 3 4 4 4 4 4
3.5 3.5 3.5 3.5 3.5 3.5 3.5 3.5 4.5 4.5 4.5 4.5 4.5
14 17 18 18 19 21 22 22 23 25 26 26 27
13.57 16.57 17.57 17.57 18.48 20.48 21.48 21.48 22.48 24.48 25.48 25.48 26.48
- - - - - 13 13 13 13 15 15 15 15
- - - - - 10.3 10.3 10.3 10.3 12.3 12.3 12.3 12.3
6 9 9 9 9 12 12 12 12 14 14 14 14
4.2 6.8 6.8 6.8 6.8 9.8 9.8 9.8 9.8 11.3 11.3 11.3 11.3
6.6 7.6 8.7 8.7 9.2 10.7 11.4 11.4 12.2 13.8 14.2 14.2 15.3
4.8 5.8 6.5 6.5 7 8.5 9.2 9.2 10 11.1 11.5 11.5 12.6
- - - - - 18.72 18.72 18.72 18.72 20.88 20.88 20.88 20.88
10.89 14.2 14.2 14.2 14.2 17.59 17.59 17.59 17.59 19.85 19.85 19.85 19.85
8 12 8 12 12 12 8 12 12 14 10 14 14
7.8 11.8 7.8 11.8 11.8 11.8 7.8 11.8 11.8 13.8 9.8 13.8 13.8
8.2 12.2 8.2 12.2 12.2 12.2 8.2 12.2 12.2 14.2 10.2 14.2 14.2
17 21 17 21 21 21 17 21 22 26 22 26 26
6 6 6 6 6 6 6 6 8 8 8 8 8
5.76 5.76 5.76 5.76 5.76 5.76 5.76 5.76 7.71 7.71 7.71 7.71 7.71
6.24 6.24 6.24 6.24 6.24 6.24 6.24 6.24 8.29 8.29 8.29 8.29 8.29
- - - - - 17 17 17 17 19 19 19 19
- - - - - 16.57 16.57 16.57 16.57 18.48 18.48 18.48 18.48
10 13 13 13 13 16^ 16^ 16^ 16^ 18^ 18^ 18^ 18 !^
9.64 12.57 12.57 12.57 12.57 15.57 15.57 15.57 15.57 17.57 17.57 17.57 17.57
8.6 14.6 14.4 17.1 18 25.3 23.1 27.4 34.9 46.4 41.6 47.9 52.8
螺纹规格
d
M24 M26 G 3/4 A # M27
G 3/4 A
M30 M33 G 1 A M36 M36 M38 G 1 1/8 A M39
P 螺距 1
螺距 2
d 管螺纹
c 最小值=公称
最大值
dk 最大值=公称
最小值
d2 DIN 475-1 最大值
最小值
DIN ISO 272 最大值
最小值
d1 最大值
最小值
e DIN 475-1 最小值
DIN ISO 272 最小值
i 公称
最小值
最大值
h
m 公称
最小值
最大值
s DIN 475-1 最大值
最小值
DIN ISO 272 最大值
最小值
千件重kg
1.5 1.5 - - 1.5 - - 1.5 - 1.5 - -
- - - 2 2 2 - - 2 - - 2
- - G 3/4 A# G 3/4 A - - G 1 A - - - G 1 1/8 A -
4 4 4 4 4 5 5 5 5 5 5 5
4.5 4.5 4.5 4.5 4.5 5.5 5.5 5.5 5.5 5.5 5.5 5.5
29 31 32 32 36 39 39 42 44 46 46 46
28.48 30.38 31.38 31.38 35.38 38.38 38.38 41.38 43.38 45.38 45.38 45.38
18 - - - - - - - - - - -
15.3 - - - - - - - - - - -
17 20 20 20 2019. 23 23 23 23 23 23 23
14.3 17.3 17.3 17.3 17.3 19.7 19.7 19.7 19.7 19.7 19.7 19.7
17.5 19.5 20.5 20.5 23.5 25.5 26.6 29.5 28.5 31.5 31.1 31.5
14.8 16.8 17.8 17.8 20.2 22.2 23.3 26.2 25.2 28.2 27.9 28.2
23.91 - - - - - - - - - - -
22.78 26.17 26.17 26.17 26.17 29.56 29.56 29.56 29.56 29.56 29.56 29.56
14 16 12 16 16 16 16 16 16 16 16 16
13.8 15.8 11.8 15.8 15.8 15.8 15.8 15.8 15.8 15.8 15.8 15.8
14.2 16.2 12.2 16.2 16.2 16.2 16.2 16.2 16.2 16.2 16.2 16.2
27 30 26 30 30 32 32 32 32 32 32 32
9 10 10 10 10 11 11 11 11 11 11 11
8.71 9.71 9.71 9.71 9.71 10.65 10.65 10.65 10.65 10.65 10.65 10.65
9.29 10.29 10.29 10.29 10.29 11.35 11.35 11.35 11.35 11.35 11.35 11.35
22 - - - - - - - - - - -
21.16 - - - - - - - - - - -
21^ 24 24 24 24 27 27 27 27 27 27 27
20.16 23.16 23.16 23.16 23.16 26.16 26.16 26.16 26.16 26.16 26.16 26.16
67.3 86.4 78.4 91.4 106.5 140.4 140.4 158.4 158.4 171.3 171.3 183.6
①,* 仅用于关闭分度阀的螺纹孔。
②,# 尽可能避免使用短螺丝的这些尺寸。 如果在特殊情况下需要它们,则螺纹长度i必须在名称中注明,例如:
螺塞DIN 910 - G 1/4 A×8 - St
③,^ 对于对边宽度SW 16,SW 18和SW 21,为了避免混淆,必须在名称中标明对边宽度。
④,不同对边宽度的重量略有不同。
⑤,管螺纹对应标准为DIN EN ISO 228-1
⑥,公制细螺纹标准为 DIN 13-5, -6 或 -7
替代列表

技术条件和引用标准

材料
不锈钢 有色金属
通用要求
螺纹
机械性能 材料
标准
公差 产品等级
标准
Screw-in socket
表面处理
表面缺陷
验收及包装
DIN ISO 8992
DIN 13-5,DIN 13-6,DIN 13-7,DIN ISO 965-1:6g
DIN EN ISO 228-1:A
11SMnPb30
C10C
A1 ~ A5 Al1 ~ Al6
Cu1 ~ Cu7
DIN EN 10277-3
DIN EN 10263-2
DIN EN ISO 3506-1 DIN EN 28839
B
DIN EN ISO 4759-1,DIN 267-2
A
DIN 3852-1,DIN 3852-2
不经处理
磷酸盐涂层 DIN EN 12476
电镀 DIN EN 4042
非电解锌片涂层 DIN EN ISO 10683
不经处理
DIN EN 26157-3
DIN EN ISO 3269
注:技术数据仅供参考,请以官方原件为准!
类似标准及供货信息
1 直通式压注油杯 [国标]
GB 1152 - 1989
直通式压注油杯
Straight Hydraulic Grease Nipples
供应商(1)
2 锻制螺纹管件 - 六角头螺塞 [国标]
GB /T 14383 (HHP) - 2021
锻制螺纹管件 - 六角头螺塞
Forged Threaded Pipe Fittings - Hexagon Head Screw Plug
3 液压传动连接 带米制螺纹和O形圈密封的油口和螺柱端 第4部分:外六角螺塞 [国标]
GB /T 2878.4 (PLEH) - 2011
液压传动连接 带米制螺纹和O形圈密封的油口和螺柱端 第4部分:外六角螺塞
Connections for Hydraulic Fluid Power- Ports and Stud Ends with Metric Threads and O-ring Sealing - Part 4 : Hex Plugs
4 土方机械 排液、加液和液位螺塞 B型外六角锥形螺塞 [国标]
GB /T 14780 - 2010
土方机械 排液、加液和液位螺塞 B型外六角锥形螺塞
Earth-moving Machinery - Drain, Fill and Level Plugs, Type B
5 土方机械 排液、加液和液位螺塞 D型外六角螺塞 [国标]
GB /T 14780 - 2010
土方机械 排液、加液和液位螺塞 D型外六角螺塞
Earth-moving Machinery - Drain, Fill and Level Plugs, Type D
6 土方机械 润滑油杯 第1部分:螺纹接头式 [国标]
GB /T 25618.1 - 2010
土方机械 润滑油杯 第1部分:螺纹接头式
Earth-moving Machinery - Lubrication Fittings - Part 1 : Nipple Type
7 锻制螺纹管件 - 六角头螺塞 [国标]
GB /T 14383 (HHP) - 2008
锻制螺纹管件 - 六角头螺塞
Forged threaded pipe fittings - Hexagon head screw plug
8 液压管接头用螺纹柱端 - E型柱端 [国标]
GB /T 19674.2 - 2005
液压管接头用螺纹柱端 - E型柱端
Connections for General use and Fluid Power - Ports and Stud Ends with Thread - Stud Ends with Elastomeric Sealing - Type E
9 液压管接头用螺纹油口和柱端 - 金属对金属密封柱端( B 型) [国标]
GB /T 19674.3 - 2005
液压管接头用螺纹油口和柱端 - 金属对金属密封柱端( B 型)
Connections for General use and Fluid Power - Ports and Stud Ends with Thread - Stud Ends with Metal-to-metal Sealing (Type B)
10 锻钢制螺纹管件 - 六角头螺塞 [国标]
GB /T 14626 (HHP) - 1993
锻钢制螺纹管件 - 六角头螺塞
Forged Steel Threaded Pipe Fittings - Hexagon Head Screw Plug
11 土方机械 排液、加液和液位螺塞 B型外六角锥形螺塞 [国标]
GB /T 14780 - 1993
土方机械 排液、加液和液位螺塞 B型外六角锥形螺塞
Earth-Moving Machinery - Drain, Fill and Level Plugs, Type B
12 土方机械 排液、加液和液位螺塞 D型外六角螺塞 [国标]
GB /T 14780 - 1993
土方机械 排液、加液和液位螺塞 D型外六角螺塞
Earth-Moving Machinery - Drain, Fill and Level Plugs, Type D
13 接头式压注油杯 [国标]
GB /T 1153 - 1989
接头式压注油杯
Angle Hydraulic Grease Nipples
14 船用放泄螺塞 [国标]
GB 2028 - 1980
船用放泄螺塞

15 六角头螺塞 [德标]
DIN 909 - 2020
六角头螺塞
Hexagon Head Pipe Plugs - Conical Thread
供应商(3)
16 带肩的外六角螺旋塞.重载圆柱螺纹 (标准型) [德标]
DIN 910 - 2020
带肩的外六角螺旋塞.重载圆柱螺纹 (标准型)
Hexagon-duty Hexagon Head Screw Plugs (Standard Type)
供应商(5)
17 六角头螺旋塞.轻型 直管螺纹(轻型外六角直型闭锁螺钉) [德标]
DIN 7604 - 2016
六角头螺旋塞.轻型 直管螺纹(轻型外六角直型闭锁螺钉)
Hexagon Head Screw Plugs - Light Type - Cylindrical Thread
供应商(1)
18 六角头螺塞 [德标]
DIN 909 - 2012
六角头螺塞
Hexagon Head Pipe Plugs - Conical Thread
供应商(3)
19 带肩的外六角螺旋塞.重载圆柱螺纹 (标准型) [德标]
DIN 910 - 2012
带肩的外六角螺旋塞.重载圆柱螺纹 (标准型)
Hexagon-duty Hexagon Head Screw Plugs (Standard Type)
供应商(5)
20 带肩的外六角螺旋塞.重载圆柱螺纹 (标准型) [德标]
DIN 910 - 2010
带肩的外六角螺旋塞.重载圆柱螺纹 (标准型)
Hexagon-duty Hexagon Head Screw Plugs (Standard type)
供应商(5)
21 六角头螺旋塞.轻型 直管螺纹(轻型外六角直型闭锁螺钉) [德标]
DIN 7604 - 1992
六角头螺旋塞.轻型 直管螺纹(轻型外六角直型闭锁螺钉)
Hexagon Head Screw Plugs - Light Type - Cylindrical Thread
供应商(1)
22 六角头螺塞 [德标]
DIN 909 - 1992
六角头螺塞
Hexagon Head Screw Plugs, Conical Thread
供应商(3)
23 带肩的外六角螺旋塞.重载圆柱螺纹 [德标]
DIN 910 - 1992
带肩的外六角螺旋塞.重载圆柱螺纹
Heavy-duty Hexagon Head Screw Plugs
供应商(5)
24 六角头螺塞 [德标]
DIN 909 - 1991
六角头螺塞
Hexagon Head Screw Plugs, Conical Thread
供应商(3)
25 轨道车辆用压缩空气装置-带凸缘和通风的锁紧螺钉 [德标]
DIN 5586 - 1989
轨道车辆用压缩空气装置-带凸缘和通风的锁紧螺钉
Compressed Air Equipment for Rail Vehicles; Locking Screws with Collar and Vent
供应商(1)
26 带肩的外六角螺旋塞.重载圆柱螺纹 (L型) [德标]
DIN 910 - 2020
带肩的外六角螺旋塞.重载圆柱螺纹 (L型)
Hexagon-duty Hexagon Head Screw Plugs (Type L)
27 带肩的外六角螺旋塞.重载圆柱螺纹 (L型) [德标]
DIN 910 - 2010
带肩的外六角螺旋塞.重载圆柱螺纹 (L型)
Hexagon-duty Hexagon Head Screw Plugs (Type L)
28 扩口式管接头用管塞 UNF螺纹 (统一螺纹) [德标]
DIN 8912 (P2) - 1990
扩口式管接头用管塞 UNF螺纹 (统一螺纹)
UNF Screwed Plug
29 扩口式管接头用管塞 NPT螺纹 [德标]
DIN 8912 (P2.1) - 1990
扩口式管接头用管塞 NPT螺纹
NPT Screwed Plug
30 压缩联轴器; 空心螺钉 [德标]
DIN 74305-1 - 1987
压缩联轴器; 空心螺钉
Compression Couplings; Hollow Screw
31 六角头螺塞 [国际]
ISO 6149 (-4) - 2017 (PLEH)
六角头螺塞
External Hex Port Plug (PLEH)
供应商(1)
32 土方机械 润滑油杯 - 直通油杯 普通螺纹 [国际]
ISO 6392-1 (Type 1) - 1996
土方机械 润滑油杯 - 直通油杯 普通螺纹
Earth-moving Machinery - Lubrication Fittings - Straight Fitting with Parallel Thread
33 土方机械 润滑油杯 -  直通油杯 锥螺纹 [国际]
ISO 6392-1 (Type 2) - 1996
土方机械 润滑油杯 - 直通油杯 锥螺纹
Earth-moving Machinery - Lubrication Fittings - Straight Fitting with Taper Thread
34 土方机械 润滑油杯 - 45°弯头油杯 [国际]
ISO 6392-1 (Type 3) - 1996
土方机械 润滑油杯 - 45°弯头油杯
Earth-moving Machinery - Lubrication Fittings - 45° Elbow Fitting
35 土方机械 润滑油杯 - 65°~67.5°弯头油杯 [国际]
ISO 6392-1 (Type 4) - 1996
土方机械 润滑油杯 - 65°~67.5°弯头油杯
Earth-moving Machinery - Lubrication Fittings - 65° To 67.5° Elbow Fitting
36 土方机械 润滑油杯 - 90°弯头油杯 [国际]
ISO 6392-1 (Type 5) - 1996
土方机械 润滑油杯 - 90°弯头油杯
Earth-moving Machinery - Lubrication Fittings - 90° Elbow Fitting
37 汽车零件 — 2B型外六角带介直管螺塞 [日标]
JIS D 2101 (2B) - 2001
汽车零件 — 2B型外六角带介直管螺塞
Automotive Parts - Type 2B Screw Plug
供应商(1)
38 汽车零件 — 1C型外六角锥形螺塞 [日标]
JIS D 2101 (1C) - 2001
汽车零件 — 1C型外六角锥形螺塞
Automotive Parts - Type 1C Taper Screw Plug
39 汽车零件 — 2A型外六角直管螺塞 [日标]
JIS D 2101 (2A) - 2001
汽车零件 — 2A型外六角直管螺塞
Automotive Parts - Type 2A Screw Plug
40 直螺纹管件 油嘴 [日标]
JIS B 1575 (Type 1) - 2000
直螺纹管件 油嘴
Straight Fitting with Parallel Thread
41 锥形螺纹直通接头 油嘴 [日标]
JIS B 1575 (Type 2) - 2000
锥形螺纹直通接头 油嘴
Straight Fitting with Taper Thread
42 45°弯头接头 油嘴 [日标]
JIS B 1575 (Type 3) - 2000
45°弯头接头 油嘴
45° Elbow Fitting
43 65°~67.5°弯头接头 油嘴 [日标]
JIS B 1575 (Type 4) - 2000
65°~67.5°弯头接头 油嘴
65° to 67.5° Elbow Fitting
44 90°弯头接头 油嘴 [日标]
JIS B 1575 (Type 5) - 2000
90°弯头接头 油嘴
90° Elbow Fitting
45 常闭式通气塞 [汽标代号]
Q 900B
常闭式通气塞
Vent Plug - Type A
供应商(1)
46 六角头螺塞 [汽标代号]
Q 617B
六角头螺塞
Hexagon Head Plug
47 六角头锥形螺塞 [汽标代号]
Q 618B
六角头锥形螺塞
Hexagon Semi-tubular Taper Plug
48 六角头锥形磁性螺塞 [汽标代号]
Q 622
六角头锥形磁性螺塞
Hexgon Outside Head Cone Plugs with Magnetic Core
49 六角头磁性螺塞 [汽标代号]
Q 623
六角头磁性螺塞
Hex Head Magnetic Screws Plug
50 滑脂嘴体 [汽标代号]
Q 700B.1
滑脂嘴体

51 弯颈式滑脂嘴 [汽标代号]
Q 701B
弯颈式滑脂嘴
Elbow Grease Nipple
52 弯颈式滑脂嘴 - 接头体 [汽标代号]
Q 701B.1
弯颈式滑脂嘴 - 接头体
Elbow Grease Nipple - Connector Body
53 常闭式通气塞 - 塞体 [汽标代号]
Q 900B.1
常闭式通气塞 - 塞体

54 常开式通气塞 [汽标代号]
Q 901
常开式通气塞
Vent Plug - Type B
55 保险阀 [汽标代号]
Q 902B
保险阀
Relief Valve
56 保险阀 - 阀体 [汽标代号]
Q 902B.1
保险阀 - 阀体

57 钢球式通气塞 [汽标代号]
Q 903
钢球式通气塞
Steel Ball Vent-plug
58 钢球式通气塞 - 塞体 [汽标代号]
Q 903.1
钢球式通气塞 - 塞体
Steel Ball Vent-plug
59 常闭式通气塞 - 加长型 [汽标代号]
Q 904
常闭式通气塞 - 加长型
Vent Plug - Type C
60 加长型常闭式通气塞 - 下座体 [汽标代号]
Q 904.1
加长型常闭式通气塞 - 下座体

61 加长型常闭式通气塞 - 上座体 [汽标代号]
Q 904.2
加长型常闭式通气塞 - 上座体

62 外六角带介喉塞 [机械行业]
JB /ZQ 4450 - 2006
外六角带介喉塞
Hex Screws Plug
供应商(1)
63 外六角带介喉塞 [机械行业]
JB /ZQ 4450 - 1997
外六角带介喉塞
Hexagon Plugs with Collar
供应商(1)
64 直通式压注油杯 [机械行业]
JB /T 7940.1 - 1995
直通式压注油杯
Straight Hydraulic Grease Nipples
供应商(1)
65 外六角螺塞 [机械行业]
JB /T 1000 - 1977
外六角螺塞
Hexagon Plug
供应商(1)
66 六角螺塞 [机械行业]
JB /T 1700 (Plug) - 2008
六角螺塞
Hexagon Head Plug
67 55°非密封管螺纹外六角螺塞(PN16) [机械行业]
JB /ZQ 4451 - 2006
55°非密封管螺纹外六角螺塞(PN16)
Hexagon Plug with 55 Degree Non-sealed Pipe Thread
68 高压油用螺塞 [机械行业]
JB /ZQ 4453 - 2006
高压油用螺塞
High-pressure Plug
69 外六角螺塞(PN31.5) [机械行业]
JB /ZQ 4770 - 2006
外六角螺塞(PN31.5)
Hexagon Plug
70 接头式压注油杯 [机械行业]
JB /T 7940.2 - 1995
接头式压注油杯
Angle Hydraulic Grease Nipples
71 弹簧盖油杯 B型 [机械行业]
JB /T 7940.5 - 1995
弹簧盖油杯 B型
Spring Cap Type Lubricating Cups, Type B
72 汽轮机管道附件 - 六角螺塞 [机械行业]
JB /T 6296.7 - 1992
汽轮机管道附件 - 六角螺塞
Hexagon Head Plug
73 放气旋塞 [机械行业]
JB /T 6296.7 - 1992
放气旋塞
Hex Plugs
74 六角螺塞 [机械行业]
JB /T 1760 - 1991
六角螺塞
Hexagon Head Plug
75 热交换器用六角螺堵 [美标]
ASTM
热交换器用六角螺堵
Hex Head Plug for Heat Exchanger
76 六角头螺堵 [铁道部]
TB /T 844 - 1991
六角头螺堵

77 油嘴 1型 [俄标]
GOST 19853 (Type 1) - 1974
油嘴 1型
Lubricating Plugs - Type 1
78 英管内螺纹60°外锥面双六角 [标准]
YJT 14002 (D)
英管内螺纹60°外锥面双六角
BSP Female 60° Cone Double Hexagon
79 外六角带介喉塞 [标准]
YJT 15009
外六角带介喉塞
Hexagon Plugs with Collar
80 外六角螺塞 [标准]
YJT 15010
外六角螺塞
Hexagon Plug
81 外六角螺塞 [标准]
YJT 15011
外六角螺塞
Hexagon Plug
82 外六角螺塞 [标准]
YJT 15012
外六角螺塞
Hexagon Plug
83 六角头螺塞 [美标]
SAE J 1453 - 2002 (520109)
六角头螺塞
Fitting - O-Ring Face Seal Plug
供应商(1)
84 液压管接头 - 外六角带法兰圆柱头螺塞(外锥37°密封) [美标]
SAE J 514 (070109) - 2001
液压管接头 - 外六角带法兰圆柱头螺塞(外锥37°密封)
37°Flared Tube Fitting - Plug
供应商(1)
85 液压管接头 - 外六角圆柱头螺塞(内锥24°密封) [美标]
SAE J 514 (080109) - 2001
液压管接头 - 外六角圆柱头螺塞(内锥24°密封)
Hydraulic Flareless Tube Fittings - Plugs
供应商(1)
86 液压管接头 - 外六角螺塞 [美标]
SAE J 514 (090109A) - 2001
液压管接头 - 外六角螺塞
Hydraulic Flareless Tube Fittings - Hexagon Head O-Ring Boss Plug
供应商(1)
87 六角头螺堵(NPTF螺纹) [美标]
SAE J 531 (130109C) - 2020
六角头螺堵(NPTF螺纹)
Hexagon Inside Head Pipe Plugs(NPTF)
88 加注和排出口用,六角头螺堵 (PTF螺纹) [美标]
SAE J 531 (130109D) - 2020
加注和排出口用,六角头螺堵 (PTF螺纹)
Hexagon Inside Head Filler and Drain Plugs(PTF)
89 六角头螺堵(PTF螺纹) [美标]
SAE J 531 (130109E) - 2020
六角头螺堵(PTF螺纹)
Hexagon Outside Head Pipe Plugs (PTF)
90 六角头螺堵(NPTF螺纹) [美标]
SAE J 531 (130109E) - 2020
六角头螺堵(NPTF螺纹)
Hexagon Outside Head Pipe Plugs (NPTF)
91 加注和排出口用六角头螺堵(PTF螺纹) [美标]
SAE J 531 (130109F) - 2020
加注和排出口用六角头螺堵(PTF螺纹)
Hexagon Outside Head Filler and Drain Pipe Plugs(PTF)
92 加注和排出口用六角头螺堵(NPTF螺纹) [美标]
SAE J 531 (130109F) - 2020
加注和排出口用六角头螺堵(NPTF螺纹)
Hexagon Outside Head Filler and Drain Pipe Plugs (NPTF)
93 制冷剂管接头 - Plug [美标]
SAE J 513 (010109-P2) - 2019
制冷剂管接头 - Plug
Refrigeration Tube Fittings - Plug
94 六角头外螺纹管塞 [美标]
SAE AS 4862 - 1995 (R2007)
六角头外螺纹管塞
Plug Pipe External Thread, Hex Head
95 六角头锥形螺塞 [汽标]
QC /T 381 - 2013
六角头锥形螺塞
Hexagon Outside Head Cone Plugs
96 六角头锥形磁性螺塞 [汽标]
QC /T 383 - 2013
六角头锥形磁性螺塞
Hexgon Outside Head Cone Plugs with Magnetic Core
97 六角头螺塞 [汽标]
QC /T 376 - 1999 (R2005)
六角头螺塞
Hexagon Outside Head Plug
98 六角头磁性螺塞 [汽标]
QC /T 385 - 1999
六角头磁性螺塞
Hexgon Outside Head Plugs with Magnetic Core
99 滑脂嘴体 [汽标]
QC /T 407 (-1) - 1999
滑脂嘴体

100 弯颈式滑脂嘴 [汽标]
QC /T 408 - 1999
弯颈式滑脂嘴
Elbow Grease Nipple
标准编号: DIN 910 - 2012
中文名称: 带肩的外六角螺旋塞.重载圆柱螺纹 (L型)
英文名称: Hexagon-duty Hexagon Head Screw Plugs (Type L)
数据来源: 易紧通 (164580.com)
Standard Code: DIN 910 - 2012Chinese Name: 带肩的外六角螺旋塞.重载圆柱螺纹 (L型)English Name: Hexagon-duty Hexagon Head Screw Plugs (Type L)Source: https://www.164580.com/info_87125.html
Data Source: YJT Fastener Database (164580.com)
Standard: DIN 910 - 2012
URL: https://www.164580.com/info_87125.html
License: Commercial use requires authorization
© 易紧通 服务热线:4006-164580(免长途费)