index
logo

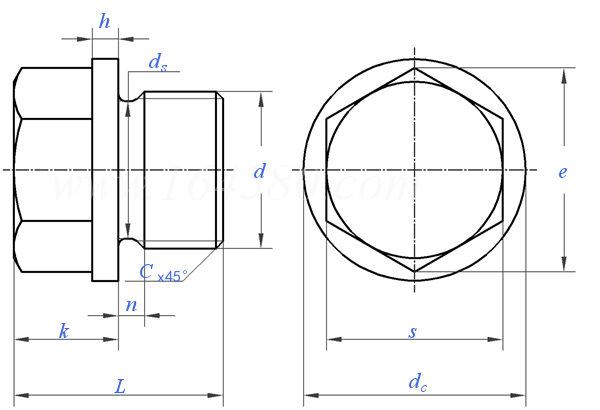
外六角带介喉塞 JB /ZQ 4450 - 2006

查看供应商

选择规格尺寸 点击↓

M12

M20

M24

M30


尺寸单位: mm
机械行业JB /ZQ4450 - 2006 JB4450 4450JB 外六角带介喉塞
JB /ZQ 4450 - 2006 外六角带介喉塞
扫一扫分享
千件重及价格计算 千件重 : kg x 元/kg = 元/千件
默认密度 g/cm3
螺纹规格
d
M12 M20 M24 M30
P 螺距
dc
e
s 最大值
最小值
L
k
h
n
C
千件重kg
1.25 1.5 2 2
22 30 34 42
15 24.2 31.2 39.3
13 21 27 34
12.76 20.72 26.72 33.66
24 30 32 38
12 15 16 18
3 4 4 4
3 3 4 4
1 1 1.5 1.5
32 90 145 252
替代列表

技术条件和引用标准

材料
表面处理
35钢
发蓝
注:技术数据仅供参考,请以官方原件为准!
告诉我在“易紧通”看到,将给您优惠
联系人:徐海 点击这里给我发消息513543434   移动电话: 18621311857     电话:021-59766477
材质:301、302、303、304、304L、316、316L、316Ti、317L、310S、321、347、1.4529、1.4539、1.4462、1.4547、1.4980、904L、2205、2507、2520、S32750、S32760、1Cr13、1Cr17、2Cr13、3Cr13、14Cr17Ni2、410、416、420、430、431、440、630、631、17-4PH、MP350N、600、601、625、660、718、750、800、825、925、926、C22、C276、A286、GH2132、GH4033、GH4080、GH4169、GH4145、9C18Mo、4Cr10Si2Mo、35CrMoA、42CrMoA、40CrNiMoA、25Cr2Mo1VA、SCM435、SCM440、4130、4140、4145、A36、A307、A320、A325、A490、A574、F1554,不锈钢、合金钢、钛合金、镍基合金、高温合金、耐蚀合金、镍钴合金、特种合金等;等级:A1-50、A2-50、A2-70、A2-80、A3-70、A4-70、A4-80、A4-90、A4-100、A5-80、B8、B8M、B8C、B8T、B6、B7、B7M、B16、C1-50、C1-70、C1-110、C3-80、C3-120、C4-70、D2-80、D2-100、D4-80、D4-100、D6-80、D6-100、D8-80、D8-100、P1-90、P1-120、F51、F53、F55、F60、10.9、12.9、14.9、15.9、16.9等;规格范围:M3-M120,1/4"-4";表面处理:钝化、发黑、磷化、电泳、镀锌、镀镍、镀铬、镀镉、镀金、镀银、镀锡、镀铜、渗锌、海洋锌、渗铝、喷涂铝、达克罗、久美特、特氟龙、锌镍合金、镍钴合金、热镀锌、复合陶瓷、二硫化钼、二硫化钨、纳米涂层等,均可定制。
类似标准及供货信息
1 直通式压注油杯 [国标]
GB 1152 - 1989
直通式压注油杯
Straight Hydraulic Grease Nipples
供应商(1)
2 锻制螺纹管件 - 六角头螺塞 [国标]
GB /T 14383 (HHP) - 2021
锻制螺纹管件 - 六角头螺塞
Forged Threaded Pipe Fittings - Hexagon Head Screw Plug
3 液压传动连接 带米制螺纹和O形圈密封的油口和螺柱端 第4部分:外六角螺塞 [国标]
GB /T 2878.4 (PLEH) - 2011
液压传动连接 带米制螺纹和O形圈密封的油口和螺柱端 第4部分:外六角螺塞
Connections for Hydraulic Fluid Power- Ports and Stud Ends with Metric Threads and O-ring Sealing - Part 4 : Hex Plugs
4 土方机械 排液、加液和液位螺塞 B型外六角锥形螺塞 [国标]
GB /T 14780 - 2010
土方机械 排液、加液和液位螺塞 B型外六角锥形螺塞
Earth-moving Machinery - Drain, Fill and Level Plugs, Type B
5 土方机械 排液、加液和液位螺塞 D型外六角螺塞 [国标]
GB /T 14780 - 2010
土方机械 排液、加液和液位螺塞 D型外六角螺塞
Earth-moving Machinery - Drain, Fill and Level Plugs, Type D
6 土方机械 润滑油杯 第1部分:螺纹接头式 [国标]
GB /T 25618.1 - 2010
土方机械 润滑油杯 第1部分:螺纹接头式
Earth-moving Machinery - Lubrication Fittings - Part 1 : Nipple Type
7 锻制螺纹管件 - 六角头螺塞 [国标]
GB /T 14383 (HHP) - 2008
锻制螺纹管件 - 六角头螺塞
Forged threaded pipe fittings - Hexagon head screw plug
8 液压管接头用螺纹柱端 - E型柱端 [国标]
GB /T 19674.2 - 2005
液压管接头用螺纹柱端 - E型柱端
Connections for General use and Fluid Power - Ports and Stud Ends with Thread - Stud Ends with Elastomeric Sealing - Type E
9 液压管接头用螺纹油口和柱端 - 金属对金属密封柱端( B 型) [国标]
GB /T 19674.3 - 2005
液压管接头用螺纹油口和柱端 - 金属对金属密封柱端( B 型)
Connections for General use and Fluid Power - Ports and Stud Ends with Thread - Stud Ends with Metal-to-metal Sealing (Type B)
10 锻钢制螺纹管件 - 六角头螺塞 [国标]
GB /T 14626 (HHP) - 1993
锻钢制螺纹管件 - 六角头螺塞
Forged Steel Threaded Pipe Fittings - Hexagon Head Screw Plug
11 土方机械 排液、加液和液位螺塞 B型外六角锥形螺塞 [国标]
GB /T 14780 - 1993
土方机械 排液、加液和液位螺塞 B型外六角锥形螺塞
Earth-Moving Machinery - Drain, Fill and Level Plugs, Type B
12 土方机械 排液、加液和液位螺塞 D型外六角螺塞 [国标]
GB /T 14780 - 1993
土方机械 排液、加液和液位螺塞 D型外六角螺塞
Earth-Moving Machinery - Drain, Fill and Level Plugs, Type D
13 接头式压注油杯 [国标]
GB /T 1153 - 1989
接头式压注油杯
Angle Hydraulic Grease Nipples
14 船用放泄螺塞 [国标]
GB 2028 - 1980
船用放泄螺塞

15 六角头螺塞 [德标]
DIN 909 - 2020
六角头螺塞
Hexagon Head Pipe Plugs - Conical Thread
供应商(3)
16 带肩的外六角螺旋塞.重载圆柱螺纹 (标准型) [德标]
DIN 910 - 2020
带肩的外六角螺旋塞.重载圆柱螺纹 (标准型)
Hexagon-duty Hexagon Head Screw Plugs (Standard Type)
供应商(5)
17 六角头螺旋塞.轻型 直管螺纹(轻型外六角直型闭锁螺钉) [德标]
DIN 7604 - 2016
六角头螺旋塞.轻型 直管螺纹(轻型外六角直型闭锁螺钉)
Hexagon Head Screw Plugs - Light Type - Cylindrical Thread
供应商(1)
18 六角头螺塞 [德标]
DIN 909 - 2012
六角头螺塞
Hexagon Head Pipe Plugs - Conical Thread
供应商(3)
19 带肩的外六角螺旋塞.重载圆柱螺纹 (标准型) [德标]
DIN 910 - 2012
带肩的外六角螺旋塞.重载圆柱螺纹 (标准型)
Hexagon-duty Hexagon Head Screw Plugs (Standard Type)
供应商(5)
20 带肩的外六角螺旋塞.重载圆柱螺纹 (标准型) [德标]
DIN 910 - 2010
带肩的外六角螺旋塞.重载圆柱螺纹 (标准型)
Hexagon-duty Hexagon Head Screw Plugs (Standard type)
供应商(5)
21 六角头螺旋塞.轻型 直管螺纹(轻型外六角直型闭锁螺钉) [德标]
DIN 7604 - 1992
六角头螺旋塞.轻型 直管螺纹(轻型外六角直型闭锁螺钉)
Hexagon Head Screw Plugs - Light Type - Cylindrical Thread
供应商(1)
22 六角头螺塞 [德标]
DIN 909 - 1992
六角头螺塞
Hexagon Head Screw Plugs, Conical Thread
供应商(3)
23 带肩的外六角螺旋塞.重载圆柱螺纹 [德标]
DIN 910 - 1992
带肩的外六角螺旋塞.重载圆柱螺纹
Heavy-duty Hexagon Head Screw Plugs
供应商(5)
24 六角头螺塞 [德标]
DIN 909 - 1991
六角头螺塞
Hexagon Head Screw Plugs, Conical Thread
供应商(3)
25 轨道车辆用压缩空气装置-带凸缘和通风的锁紧螺钉 [德标]
DIN 5586 - 1989
轨道车辆用压缩空气装置-带凸缘和通风的锁紧螺钉
Compressed Air Equipment for Rail Vehicles; Locking Screws with Collar and Vent
供应商(1)
26 带肩的外六角螺旋塞.重载圆柱螺纹 (L型) [德标]
DIN 910 - 2020
带肩的外六角螺旋塞.重载圆柱螺纹 (L型)
Hexagon-duty Hexagon Head Screw Plugs (Type L)
27 带肩的外六角螺旋塞.重载圆柱螺纹 (L型) [德标]
DIN 910 - 2012
带肩的外六角螺旋塞.重载圆柱螺纹 (L型)
Hexagon-duty Hexagon Head Screw Plugs (Type L)
28 带肩的外六角螺旋塞.重载圆柱螺纹 (L型) [德标]
DIN 910 - 2010
带肩的外六角螺旋塞.重载圆柱螺纹 (L型)
Hexagon-duty Hexagon Head Screw Plugs (Type L)
29 扩口式管接头用管塞 UNF螺纹 (统一螺纹) [德标]
DIN 8912 (P2) - 1990
扩口式管接头用管塞 UNF螺纹 (统一螺纹)
UNF Screwed Plug
30 扩口式管接头用管塞 NPT螺纹 [德标]
DIN 8912 (P2.1) - 1990
扩口式管接头用管塞 NPT螺纹
NPT Screwed Plug
31 压缩联轴器; 空心螺钉 [德标]
DIN 74305-1 - 1987
压缩联轴器; 空心螺钉
Compression Couplings; Hollow Screw
32 六角头螺塞 [国际]
ISO 6149 (-4) - 2017 (PLEH)
六角头螺塞
External Hex Port Plug (PLEH)
供应商(1)
33 土方机械 润滑油杯 - 直通油杯 普通螺纹 [国际]
ISO 6392-1 (Type 1) - 1996
土方机械 润滑油杯 - 直通油杯 普通螺纹
Earth-moving Machinery - Lubrication Fittings - Straight Fitting with Parallel Thread
34 土方机械 润滑油杯 -  直通油杯 锥螺纹 [国际]
ISO 6392-1 (Type 2) - 1996
土方机械 润滑油杯 - 直通油杯 锥螺纹
Earth-moving Machinery - Lubrication Fittings - Straight Fitting with Taper Thread
35 土方机械 润滑油杯 - 45°弯头油杯 [国际]
ISO 6392-1 (Type 3) - 1996
土方机械 润滑油杯 - 45°弯头油杯
Earth-moving Machinery - Lubrication Fittings - 45° Elbow Fitting
36 土方机械 润滑油杯 - 65°~67.5°弯头油杯 [国际]
ISO 6392-1 (Type 4) - 1996
土方机械 润滑油杯 - 65°~67.5°弯头油杯
Earth-moving Machinery - Lubrication Fittings - 65° To 67.5° Elbow Fitting
37 土方机械 润滑油杯 - 90°弯头油杯 [国际]
ISO 6392-1 (Type 5) - 1996
土方机械 润滑油杯 - 90°弯头油杯
Earth-moving Machinery - Lubrication Fittings - 90° Elbow Fitting
38 汽车零件 — 2B型外六角带介直管螺塞 [日标]
JIS D 2101 (2B) - 2001
汽车零件 — 2B型外六角带介直管螺塞
Automotive Parts - Type 2B Screw Plug
供应商(1)
39 汽车零件 — 1C型外六角锥形螺塞 [日标]
JIS D 2101 (1C) - 2001
汽车零件 — 1C型外六角锥形螺塞
Automotive Parts - Type 1C Taper Screw Plug
40 汽车零件 — 2A型外六角直管螺塞 [日标]
JIS D 2101 (2A) - 2001
汽车零件 — 2A型外六角直管螺塞
Automotive Parts - Type 2A Screw Plug
41 直螺纹管件 油嘴 [日标]
JIS B 1575 (Type 1) - 2000
直螺纹管件 油嘴
Straight Fitting with Parallel Thread
42 锥形螺纹直通接头 油嘴 [日标]
JIS B 1575 (Type 2) - 2000
锥形螺纹直通接头 油嘴
Straight Fitting with Taper Thread
43 45°弯头接头 油嘴 [日标]
JIS B 1575 (Type 3) - 2000
45°弯头接头 油嘴
45° Elbow Fitting
44 65°~67.5°弯头接头 油嘴 [日标]
JIS B 1575 (Type 4) - 2000
65°~67.5°弯头接头 油嘴
65° to 67.5° Elbow Fitting
45 90°弯头接头 油嘴 [日标]
JIS B 1575 (Type 5) - 2000
90°弯头接头 油嘴
90° Elbow Fitting
46 常闭式通气塞 [汽标代号]
Q 900B
常闭式通气塞
Vent Plug - Type A
供应商(1)
47 六角头螺塞 [汽标代号]
Q 617B
六角头螺塞
Hexagon Head Plug
48 六角头锥形螺塞 [汽标代号]
Q 618B
六角头锥形螺塞
Hexagon Semi-tubular Taper Plug
49 六角头锥形磁性螺塞 [汽标代号]
Q 622
六角头锥形磁性螺塞
Hexgon Outside Head Cone Plugs with Magnetic Core
50 六角头磁性螺塞 [汽标代号]
Q 623
六角头磁性螺塞
Hex Head Magnetic Screws Plug
51 滑脂嘴体 [汽标代号]
Q 700B.1
滑脂嘴体

52 弯颈式滑脂嘴 [汽标代号]
Q 701B
弯颈式滑脂嘴
Elbow Grease Nipple
53 弯颈式滑脂嘴 - 接头体 [汽标代号]
Q 701B.1
弯颈式滑脂嘴 - 接头体
Elbow Grease Nipple - Connector Body
54 常闭式通气塞 - 塞体 [汽标代号]
Q 900B.1
常闭式通气塞 - 塞体

55 常开式通气塞 [汽标代号]
Q 901
常开式通气塞
Vent Plug - Type B
56 保险阀 [汽标代号]
Q 902B
保险阀
Relief Valve
57 保险阀 - 阀体 [汽标代号]
Q 902B.1
保险阀 - 阀体

58 钢球式通气塞 [汽标代号]
Q 903
钢球式通气塞
Steel Ball Vent-plug
59 钢球式通气塞 - 塞体 [汽标代号]
Q 903.1
钢球式通气塞 - 塞体
Steel Ball Vent-plug
60 常闭式通气塞 - 加长型 [汽标代号]
Q 904
常闭式通气塞 - 加长型
Vent Plug - Type C
61 加长型常闭式通气塞 - 下座体 [汽标代号]
Q 904.1
加长型常闭式通气塞 - 下座体

62 加长型常闭式通气塞 - 上座体 [汽标代号]
Q 904.2
加长型常闭式通气塞 - 上座体

63 外六角带介喉塞 [机械行业]
JB /ZQ 4450 - 1997
外六角带介喉塞
Hexagon Plugs with Collar
供应商(1)
64 直通式压注油杯 [机械行业]
JB /T 7940.1 - 1995
直通式压注油杯
Straight Hydraulic Grease Nipples
供应商(1)
65 外六角螺塞 [机械行业]
JB /T 1000 - 1977
外六角螺塞
Hexagon Plug
供应商(1)
66 六角螺塞 [机械行业]
JB /T 1700 (Plug) - 2008
六角螺塞
Hexagon Head Plug
67 55°非密封管螺纹外六角螺塞(PN16) [机械行业]
JB /ZQ 4451 - 2006
55°非密封管螺纹外六角螺塞(PN16)
Hexagon Plug with 55 Degree Non-sealed Pipe Thread
68 高压油用螺塞 [机械行业]
JB /ZQ 4453 - 2006
高压油用螺塞
High-pressure Plug
69 外六角螺塞(PN31.5) [机械行业]
JB /ZQ 4770 - 2006
外六角螺塞(PN31.5)
Hexagon Plug
70 接头式压注油杯 [机械行业]
JB /T 7940.2 - 1995
接头式压注油杯
Angle Hydraulic Grease Nipples
71 弹簧盖油杯 B型 [机械行业]
JB /T 7940.5 - 1995
弹簧盖油杯 B型
Spring Cap Type Lubricating Cups, Type B
72 汽轮机管道附件 - 六角螺塞 [机械行业]
JB /T 6296.7 - 1992
汽轮机管道附件 - 六角螺塞
Hexagon Head Plug
73 放气旋塞 [机械行业]
JB /T 6296.7 - 1992
放气旋塞
Hex Plugs
74 六角螺塞 [机械行业]
JB /T 1760 - 1991
六角螺塞
Hexagon Head Plug
75 热交换器用六角螺堵 [美标]
ASTM
热交换器用六角螺堵
Hex Head Plug for Heat Exchanger
76 六角头螺堵 [铁道部]
TB /T 844 - 1991
六角头螺堵

77 油嘴 1型 [俄标]
GOST 19853 (Type 1) - 1974
油嘴 1型
Lubricating Plugs - Type 1
78 英管内螺纹60°外锥面双六角 [标准]
YJT 14002 (D)
英管内螺纹60°外锥面双六角
BSP Female 60° Cone Double Hexagon
79 外六角带介喉塞 [标准]
YJT 15009
外六角带介喉塞
Hexagon Plugs with Collar
80 外六角螺塞 [标准]
YJT 15010
外六角螺塞
Hexagon Plug
81 外六角螺塞 [标准]
YJT 15011
外六角螺塞
Hexagon Plug
82 外六角螺塞 [标准]
YJT 15012
外六角螺塞
Hexagon Plug
83 六角头螺塞 [美标]
SAE J 1453 - 2002 (520109)
六角头螺塞
Fitting - O-Ring Face Seal Plug
供应商(1)
84 液压管接头 - 外六角带法兰圆柱头螺塞(外锥37°密封) [美标]
SAE J 514 (070109) - 2001
液压管接头 - 外六角带法兰圆柱头螺塞(外锥37°密封)
37°Flared Tube Fitting - Plug
供应商(1)
85 液压管接头 - 外六角圆柱头螺塞(内锥24°密封) [美标]
SAE J 514 (080109) - 2001
液压管接头 - 外六角圆柱头螺塞(内锥24°密封)
Hydraulic Flareless Tube Fittings - Plugs
供应商(1)
86 液压管接头 - 外六角螺塞 [美标]
SAE J 514 (090109A) - 2001
液压管接头 - 外六角螺塞
Hydraulic Flareless Tube Fittings - Hexagon Head O-Ring Boss Plug
供应商(1)
87 六角头螺堵(NPTF螺纹) [美标]
SAE J 531 (130109C) - 2020
六角头螺堵(NPTF螺纹)
Hexagon Inside Head Pipe Plugs(NPTF)
88 加注和排出口用,六角头螺堵 (PTF螺纹) [美标]
SAE J 531 (130109D) - 2020
加注和排出口用,六角头螺堵 (PTF螺纹)
Hexagon Inside Head Filler and Drain Plugs(PTF)
89 六角头螺堵(PTF螺纹) [美标]
SAE J 531 (130109E) - 2020
六角头螺堵(PTF螺纹)
Hexagon Outside Head Pipe Plugs (PTF)
90 六角头螺堵(NPTF螺纹) [美标]
SAE J 531 (130109E) - 2020
六角头螺堵(NPTF螺纹)
Hexagon Outside Head Pipe Plugs (NPTF)
91 加注和排出口用六角头螺堵(PTF螺纹) [美标]
SAE J 531 (130109F) - 2020
加注和排出口用六角头螺堵(PTF螺纹)
Hexagon Outside Head Filler and Drain Pipe Plugs(PTF)
92 加注和排出口用六角头螺堵(NPTF螺纹) [美标]
SAE J 531 (130109F) - 2020
加注和排出口用六角头螺堵(NPTF螺纹)
Hexagon Outside Head Filler and Drain Pipe Plugs (NPTF)
93 制冷剂管接头 - Plug [美标]
SAE J 513 (010109-P2) - 2019
制冷剂管接头 - Plug
Refrigeration Tube Fittings - Plug
94 六角头外螺纹管塞 [美标]
SAE AS 4862 - 1995 (R2007)
六角头外螺纹管塞
Plug Pipe External Thread, Hex Head
95 六角头锥形螺塞 [汽标]
QC /T 381 - 2013
六角头锥形螺塞
Hexagon Outside Head Cone Plugs
96 六角头锥形磁性螺塞 [汽标]
QC /T 383 - 2013
六角头锥形磁性螺塞
Hexgon Outside Head Cone Plugs with Magnetic Core
97 六角头螺塞 [汽标]
QC /T 376 - 1999 (R2005)
六角头螺塞
Hexagon Outside Head Plug
98 六角头磁性螺塞 [汽标]
QC /T 385 - 1999
六角头磁性螺塞
Hexgon Outside Head Plugs with Magnetic Core
99 滑脂嘴体 [汽标]
QC /T 407 (-1) - 1999
滑脂嘴体

100 弯颈式滑脂嘴 [汽标]
QC /T 408 - 1999
弯颈式滑脂嘴
Elbow Grease Nipple
标准编号: JB /ZQ 4450 - 2006
中文名称: 外六角带介喉塞
英文名称: Hex Screws Plug
数据来源: 易紧通 (164580.com)
Standard Code: JB /ZQ 4450 - 2006Chinese Name: 外六角带介喉塞English Name: Hex Screws PlugSource: https://www.164580.com/info_39185.html
Data Source: YJT Fastener Database (164580.com)
Standard: JB /ZQ 4450 - 2006
URL: https://www.164580.com/info_39185.html
License: Commercial use requires authorization
© 易紧通 服务热线:4006-164580(免长途费)