index
logo

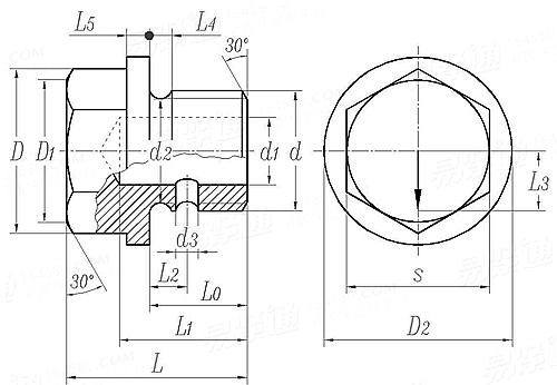
船用放泄螺塞 GB 2028 - 1980

选择规格尺寸 点击↓

M12 ×1.5

M14 ×1.5

M16 ×1.5

M18 ×1.5

M22 ×1.5

M24 ×2

M27 ×2

M30 ×2

M33 ×2

M36 ×2

M39 ×2

M42 ×2

M48 ×2


尺寸单位: mm
国标GB 2028 - 1980 GB2028 2028GB 船用放泄螺塞
GB  2028 - 1980 船用放泄螺塞
扫一扫分享
千件重及价格计算 千件重 : kg x 元/kg = 元/千件
默认密度 g/cm3
螺纹尺寸
d
M12
×1.5
M14
×1.5
M16
×1.5
M18
×1.5
M22
×1.5
M24
×2
M27
×2
M30
×2
M33
×2
M36
×2
M39
×2
M42
×2
M48
×2
L
L0
s
D
D1
D2
L5
d1
L1
d3
L2
d2
L4
L3
单重≈kg 碳钢
黄铜
不锈钢
22 23 24 25 25 30 30 35 38 40 43 45 48
12 13 13 14 14 16 16 18 20 22 23 24 26
16 17 19 19 22 27 27 32 36 36 41 44 46
18.5 19.6 21.9 21.9 25.4 31.2 31.2 36.9 41.6 41.6 47.3 50.3 53.1
15 16 18 18 21 26 26 30 34 34 39 42 44
21 22 25 26 30 34 35 42 45 45 50 53 60
3 3 3 3 3 4 4 4 4 4 4 5 5
5 5 5 5 8 10 12 15 20 20 23 25 30
14 15 17 19 19 19 22 22 22 24 25 26 27
3 3 3 3 3 3 3 3 3 3 3 4 4
5 5 5 5 5 6 6 6 6 6 6 7 7
10 11.8 13.8 15.8 19.8 21 24 27 30 33 36 39 45
3 3 3 3 3 4 4 4 4 4 4 4 4
6 6 6 6 10 10 10 15 15 15 15 15 15
0.03 0.036 0.046 0.056 0.078 0.116 0.13 0.194 0.242 0.29 0.374 0.52 0.57
0.032 0.039 0.057 0.06 0.084 0.125 0.14 0.21 0.263 0.314 0.404 0.57 0.618
0.027 0.033 0.042 0.051 0.071 0.105 0.117 0.175 0.218 0.261 0.337 0.468 0.513
①,材料:普通碳素钢 A3 (GB 700-1979) ,流通介质(淡水、燃油、滑油、空气);铅黄铜 HPb59-1 (YB 146-1971),流通介质(淡水、海水、燃油、滑油、空气、蒸汽、排气);不锈钢耐酸钢 1Cr18Ni9Ti (GB 1220-1975),流通介质(淡水、海水、燃油、滑油、空气、蒸汽、排气)。
②,钢质放泄螺塞根据客户要求表面可镀锌。
③,标志按 CB 31-1966。
注:技术数据仅供参考,请以官方原件为准!
类似标准及供货信息
1 直通式压注油杯 [国标]
GB 1152 - 1989
直通式压注油杯
Straight Hydraulic Grease Nipples
供应商(1)
2 锻制螺纹管件 - 六角头螺塞 [国标]
GB /T 14383 (HHP) - 2021
锻制螺纹管件 - 六角头螺塞
Forged Threaded Pipe Fittings - Hexagon Head Screw Plug
3 液压传动连接 带米制螺纹和O形圈密封的油口和螺柱端 第4部分:外六角螺塞 [国标]
GB /T 2878.4 (PLEH) - 2011
液压传动连接 带米制螺纹和O形圈密封的油口和螺柱端 第4部分:外六角螺塞
Connections for Hydraulic Fluid Power- Ports and Stud Ends with Metric Threads and O-ring Sealing - Part 4 : Hex Plugs
4 土方机械 排液、加液和液位螺塞 B型外六角锥形螺塞 [国标]
GB /T 14780 - 2010
土方机械 排液、加液和液位螺塞 B型外六角锥形螺塞
Earth-moving Machinery - Drain, Fill and Level Plugs, Type B
5 土方机械 排液、加液和液位螺塞 D型外六角螺塞 [国标]
GB /T 14780 - 2010
土方机械 排液、加液和液位螺塞 D型外六角螺塞
Earth-moving Machinery - Drain, Fill and Level Plugs, Type D
6 土方机械 润滑油杯 第1部分:螺纹接头式 [国标]
GB /T 25618.1 - 2010
土方机械 润滑油杯 第1部分:螺纹接头式
Earth-moving Machinery - Lubrication Fittings - Part 1 : Nipple Type
7 锻制螺纹管件 - 六角头螺塞 [国标]
GB /T 14383 (HHP) - 2008
锻制螺纹管件 - 六角头螺塞
Forged threaded pipe fittings - Hexagon head screw plug
8 液压管接头用螺纹柱端 - E型柱端 [国标]
GB /T 19674.2 - 2005
液压管接头用螺纹柱端 - E型柱端
Connections for General use and Fluid Power - Ports and Stud Ends with Thread - Stud Ends with Elastomeric Sealing - Type E
9 液压管接头用螺纹油口和柱端 - 金属对金属密封柱端( B 型) [国标]
GB /T 19674.3 - 2005
液压管接头用螺纹油口和柱端 - 金属对金属密封柱端( B 型)
Connections for General use and Fluid Power - Ports and Stud Ends with Thread - Stud Ends with Metal-to-metal Sealing (Type B)
10 锻钢制螺纹管件 - 六角头螺塞 [国标]
GB /T 14626 (HHP) - 1993
锻钢制螺纹管件 - 六角头螺塞
Forged Steel Threaded Pipe Fittings - Hexagon Head Screw Plug
11 土方机械 排液、加液和液位螺塞 B型外六角锥形螺塞 [国标]
GB /T 14780 - 1993
土方机械 排液、加液和液位螺塞 B型外六角锥形螺塞
Earth-Moving Machinery - Drain, Fill and Level Plugs, Type B
12 土方机械 排液、加液和液位螺塞 D型外六角螺塞 [国标]
GB /T 14780 - 1993
土方机械 排液、加液和液位螺塞 D型外六角螺塞
Earth-Moving Machinery - Drain, Fill and Level Plugs, Type D
13 接头式压注油杯 [国标]
GB /T 1153 - 1989
接头式压注油杯
Angle Hydraulic Grease Nipples
14 六角头螺塞 [德标]
DIN 909 - 2020
六角头螺塞
Hexagon Head Pipe Plugs - Conical Thread
供应商(3)
15 带肩的外六角螺旋塞.重载圆柱螺纹 (标准型) [德标]
DIN 910 - 2020
带肩的外六角螺旋塞.重载圆柱螺纹 (标准型)
Hexagon-duty Hexagon Head Screw Plugs (Standard Type)
供应商(5)
16 六角头螺旋塞.轻型 直管螺纹(轻型外六角直型闭锁螺钉) [德标]
DIN 7604 - 2016
六角头螺旋塞.轻型 直管螺纹(轻型外六角直型闭锁螺钉)
Hexagon Head Screw Plugs - Light Type - Cylindrical Thread
供应商(1)
17 六角头螺塞 [德标]
DIN 909 - 2012
六角头螺塞
Hexagon Head Pipe Plugs - Conical Thread
供应商(3)
18 带肩的外六角螺旋塞.重载圆柱螺纹 (标准型) [德标]
DIN 910 - 2012
带肩的外六角螺旋塞.重载圆柱螺纹 (标准型)
Hexagon-duty Hexagon Head Screw Plugs (Standard Type)
供应商(5)
19 带肩的外六角螺旋塞.重载圆柱螺纹 (标准型) [德标]
DIN 910 - 2010
带肩的外六角螺旋塞.重载圆柱螺纹 (标准型)
Hexagon-duty Hexagon Head Screw Plugs (Standard type)
供应商(5)
20 六角头螺旋塞.轻型 直管螺纹(轻型外六角直型闭锁螺钉) [德标]
DIN 7604 - 1992
六角头螺旋塞.轻型 直管螺纹(轻型外六角直型闭锁螺钉)
Hexagon Head Screw Plugs - Light Type - Cylindrical Thread
供应商(1)
21 六角头螺塞 [德标]
DIN 909 - 1992
六角头螺塞
Hexagon Head Screw Plugs, Conical Thread
供应商(3)
22 带肩的外六角螺旋塞.重载圆柱螺纹 [德标]
DIN 910 - 1992
带肩的外六角螺旋塞.重载圆柱螺纹
Heavy-duty Hexagon Head Screw Plugs
供应商(5)
23 六角头螺塞 [德标]
DIN 909 - 1991
六角头螺塞
Hexagon Head Screw Plugs, Conical Thread
供应商(3)
24 轨道车辆用压缩空气装置-带凸缘和通风的锁紧螺钉 [德标]
DIN 5586 - 1989
轨道车辆用压缩空气装置-带凸缘和通风的锁紧螺钉
Compressed Air Equipment for Rail Vehicles; Locking Screws with Collar and Vent
供应商(1)
25 带肩的外六角螺旋塞.重载圆柱螺纹 (L型) [德标]
DIN 910 - 2020
带肩的外六角螺旋塞.重载圆柱螺纹 (L型)
Hexagon-duty Hexagon Head Screw Plugs (Type L)
26 带肩的外六角螺旋塞.重载圆柱螺纹 (L型) [德标]
DIN 910 - 2012
带肩的外六角螺旋塞.重载圆柱螺纹 (L型)
Hexagon-duty Hexagon Head Screw Plugs (Type L)
27 带肩的外六角螺旋塞.重载圆柱螺纹 (L型) [德标]
DIN 910 - 2010
带肩的外六角螺旋塞.重载圆柱螺纹 (L型)
Hexagon-duty Hexagon Head Screw Plugs (Type L)
28 扩口式管接头用管塞 UNF螺纹 (统一螺纹) [德标]
DIN 8912 (P2) - 1990
扩口式管接头用管塞 UNF螺纹 (统一螺纹)
UNF Screwed Plug
29 扩口式管接头用管塞 NPT螺纹 [德标]
DIN 8912 (P2.1) - 1990
扩口式管接头用管塞 NPT螺纹
NPT Screwed Plug
30 压缩联轴器; 空心螺钉 [德标]
DIN 74305-1 - 1987
压缩联轴器; 空心螺钉
Compression Couplings; Hollow Screw
31 六角头螺塞 [国际]
ISO 6149 (-4) - 2017 (PLEH)
六角头螺塞
External Hex Port Plug (PLEH)
供应商(1)
32 土方机械 润滑油杯 - 直通油杯 普通螺纹 [国际]
ISO 6392-1 (Type 1) - 1996
土方机械 润滑油杯 - 直通油杯 普通螺纹
Earth-moving Machinery - Lubrication Fittings - Straight Fitting with Parallel Thread
33 土方机械 润滑油杯 -  直通油杯 锥螺纹 [国际]
ISO 6392-1 (Type 2) - 1996
土方机械 润滑油杯 - 直通油杯 锥螺纹
Earth-moving Machinery - Lubrication Fittings - Straight Fitting with Taper Thread
34 土方机械 润滑油杯 - 45°弯头油杯 [国际]
ISO 6392-1 (Type 3) - 1996
土方机械 润滑油杯 - 45°弯头油杯
Earth-moving Machinery - Lubrication Fittings - 45° Elbow Fitting
35 土方机械 润滑油杯 - 65°~67.5°弯头油杯 [国际]
ISO 6392-1 (Type 4) - 1996
土方机械 润滑油杯 - 65°~67.5°弯头油杯
Earth-moving Machinery - Lubrication Fittings - 65° To 67.5° Elbow Fitting
36 土方机械 润滑油杯 - 90°弯头油杯 [国际]
ISO 6392-1 (Type 5) - 1996
土方机械 润滑油杯 - 90°弯头油杯
Earth-moving Machinery - Lubrication Fittings - 90° Elbow Fitting
37 汽车零件 — 2B型外六角带介直管螺塞 [日标]
JIS D 2101 (2B) - 2001
汽车零件 — 2B型外六角带介直管螺塞
Automotive Parts - Type 2B Screw Plug
供应商(1)
38 汽车零件 — 1C型外六角锥形螺塞 [日标]
JIS D 2101 (1C) - 2001
汽车零件 — 1C型外六角锥形螺塞
Automotive Parts - Type 1C Taper Screw Plug
39 汽车零件 — 2A型外六角直管螺塞 [日标]
JIS D 2101 (2A) - 2001
汽车零件 — 2A型外六角直管螺塞
Automotive Parts - Type 2A Screw Plug
40 直螺纹管件 油嘴 [日标]
JIS B 1575 (Type 1) - 2000
直螺纹管件 油嘴
Straight Fitting with Parallel Thread
41 锥形螺纹直通接头 油嘴 [日标]
JIS B 1575 (Type 2) - 2000
锥形螺纹直通接头 油嘴
Straight Fitting with Taper Thread
42 45°弯头接头 油嘴 [日标]
JIS B 1575 (Type 3) - 2000
45°弯头接头 油嘴
45° Elbow Fitting
43 65°~67.5°弯头接头 油嘴 [日标]
JIS B 1575 (Type 4) - 2000
65°~67.5°弯头接头 油嘴
65° to 67.5° Elbow Fitting
44 90°弯头接头 油嘴 [日标]
JIS B 1575 (Type 5) - 2000
90°弯头接头 油嘴
90° Elbow Fitting
45 常闭式通气塞 [汽标代号]
Q 900B
常闭式通气塞
Vent Plug - Type A
供应商(1)
46 六角头螺塞 [汽标代号]
Q 617B
六角头螺塞
Hexagon Head Plug
47 六角头锥形螺塞 [汽标代号]
Q 618B
六角头锥形螺塞
Hexagon Semi-tubular Taper Plug
48 六角头锥形磁性螺塞 [汽标代号]
Q 622
六角头锥形磁性螺塞
Hexgon Outside Head Cone Plugs with Magnetic Core
49 六角头磁性螺塞 [汽标代号]
Q 623
六角头磁性螺塞
Hex Head Magnetic Screws Plug
50 滑脂嘴体 [汽标代号]
Q 700B.1
滑脂嘴体

51 弯颈式滑脂嘴 [汽标代号]
Q 701B
弯颈式滑脂嘴
Elbow Grease Nipple
52 弯颈式滑脂嘴 - 接头体 [汽标代号]
Q 701B.1
弯颈式滑脂嘴 - 接头体
Elbow Grease Nipple - Connector Body
53 常闭式通气塞 - 塞体 [汽标代号]
Q 900B.1
常闭式通气塞 - 塞体

54 常开式通气塞 [汽标代号]
Q 901
常开式通气塞
Vent Plug - Type B
55 保险阀 [汽标代号]
Q 902B
保险阀
Relief Valve
56 保险阀 - 阀体 [汽标代号]
Q 902B.1
保险阀 - 阀体

57 钢球式通气塞 [汽标代号]
Q 903
钢球式通气塞
Steel Ball Vent-plug
58 钢球式通气塞 - 塞体 [汽标代号]
Q 903.1
钢球式通气塞 - 塞体
Steel Ball Vent-plug
59 常闭式通气塞 - 加长型 [汽标代号]
Q 904
常闭式通气塞 - 加长型
Vent Plug - Type C
60 加长型常闭式通气塞 - 下座体 [汽标代号]
Q 904.1
加长型常闭式通气塞 - 下座体

61 加长型常闭式通气塞 - 上座体 [汽标代号]
Q 904.2
加长型常闭式通气塞 - 上座体

62 外六角带介喉塞 [机械行业]
JB /ZQ 4450 - 2006
外六角带介喉塞
Hex Screws Plug
供应商(1)
63 外六角带介喉塞 [机械行业]
JB /ZQ 4450 - 1997
外六角带介喉塞
Hexagon Plugs with Collar
供应商(1)
64 直通式压注油杯 [机械行业]
JB /T 7940.1 - 1995
直通式压注油杯
Straight Hydraulic Grease Nipples
供应商(1)
65 外六角螺塞 [机械行业]
JB /T 1000 - 1977
外六角螺塞
Hexagon Plug
供应商(1)
66 六角螺塞 [机械行业]
JB /T 1700 (Plug) - 2008
六角螺塞
Hexagon Head Plug
67 55°非密封管螺纹外六角螺塞(PN16) [机械行业]
JB /ZQ 4451 - 2006
55°非密封管螺纹外六角螺塞(PN16)
Hexagon Plug with 55 Degree Non-sealed Pipe Thread
68 高压油用螺塞 [机械行业]
JB /ZQ 4453 - 2006
高压油用螺塞
High-pressure Plug
69 外六角螺塞(PN31.5) [机械行业]
JB /ZQ 4770 - 2006
外六角螺塞(PN31.5)
Hexagon Plug
70 接头式压注油杯 [机械行业]
JB /T 7940.2 - 1995
接头式压注油杯
Angle Hydraulic Grease Nipples
71 弹簧盖油杯 B型 [机械行业]
JB /T 7940.5 - 1995
弹簧盖油杯 B型
Spring Cap Type Lubricating Cups, Type B
72 汽轮机管道附件 - 六角螺塞 [机械行业]
JB /T 6296.7 - 1992
汽轮机管道附件 - 六角螺塞
Hexagon Head Plug
73 放气旋塞 [机械行业]
JB /T 6296.7 - 1992
放气旋塞
Hex Plugs
74 六角螺塞 [机械行业]
JB /T 1760 - 1991
六角螺塞
Hexagon Head Plug
75 热交换器用六角螺堵 [美标]
ASTM
热交换器用六角螺堵
Hex Head Plug for Heat Exchanger
76 六角头螺堵 [铁道部]
TB /T 844 - 1991
六角头螺堵

77 油嘴 1型 [俄标]
GOST 19853 (Type 1) - 1974
油嘴 1型
Lubricating Plugs - Type 1
78 英管内螺纹60°外锥面双六角 [标准]
YJT 14002 (D)
英管内螺纹60°外锥面双六角
BSP Female 60° Cone Double Hexagon
79 外六角带介喉塞 [标准]
YJT 15009
外六角带介喉塞
Hexagon Plugs with Collar
80 外六角螺塞 [标准]
YJT 15010
外六角螺塞
Hexagon Plug
81 外六角螺塞 [标准]
YJT 15011
外六角螺塞
Hexagon Plug
82 外六角螺塞 [标准]
YJT 15012
外六角螺塞
Hexagon Plug
83 六角头螺塞 [美标]
SAE J 1453 - 2002 (520109)
六角头螺塞
Fitting - O-Ring Face Seal Plug
供应商(1)
84 液压管接头 - 外六角带法兰圆柱头螺塞(外锥37°密封) [美标]
SAE J 514 (070109) - 2001
液压管接头 - 外六角带法兰圆柱头螺塞(外锥37°密封)
37°Flared Tube Fitting - Plug
供应商(1)
85 液压管接头 - 外六角圆柱头螺塞(内锥24°密封) [美标]
SAE J 514 (080109) - 2001
液压管接头 - 外六角圆柱头螺塞(内锥24°密封)
Hydraulic Flareless Tube Fittings - Plugs
供应商(1)
86 液压管接头 - 外六角螺塞 [美标]
SAE J 514 (090109A) - 2001
液压管接头 - 外六角螺塞
Hydraulic Flareless Tube Fittings - Hexagon Head O-Ring Boss Plug
供应商(1)
87 六角头螺堵(NPTF螺纹) [美标]
SAE J 531 (130109C) - 2020
六角头螺堵(NPTF螺纹)
Hexagon Inside Head Pipe Plugs(NPTF)
88 加注和排出口用,六角头螺堵 (PTF螺纹) [美标]
SAE J 531 (130109D) - 2020
加注和排出口用,六角头螺堵 (PTF螺纹)
Hexagon Inside Head Filler and Drain Plugs(PTF)
89 六角头螺堵(PTF螺纹) [美标]
SAE J 531 (130109E) - 2020
六角头螺堵(PTF螺纹)
Hexagon Outside Head Pipe Plugs (PTF)
90 六角头螺堵(NPTF螺纹) [美标]
SAE J 531 (130109E) - 2020
六角头螺堵(NPTF螺纹)
Hexagon Outside Head Pipe Plugs (NPTF)
91 加注和排出口用六角头螺堵(PTF螺纹) [美标]
SAE J 531 (130109F) - 2020
加注和排出口用六角头螺堵(PTF螺纹)
Hexagon Outside Head Filler and Drain Pipe Plugs(PTF)
92 加注和排出口用六角头螺堵(NPTF螺纹) [美标]
SAE J 531 (130109F) - 2020
加注和排出口用六角头螺堵(NPTF螺纹)
Hexagon Outside Head Filler and Drain Pipe Plugs (NPTF)
93 制冷剂管接头 - Plug [美标]
SAE J 513 (010109-P2) - 2019
制冷剂管接头 - Plug
Refrigeration Tube Fittings - Plug
94 六角头外螺纹管塞 [美标]
SAE AS 4862 - 1995 (R2007)
六角头外螺纹管塞
Plug Pipe External Thread, Hex Head
95 六角头锥形螺塞 [汽标]
QC /T 381 - 2013
六角头锥形螺塞
Hexagon Outside Head Cone Plugs
96 六角头锥形磁性螺塞 [汽标]
QC /T 383 - 2013
六角头锥形磁性螺塞
Hexgon Outside Head Cone Plugs with Magnetic Core
97 六角头螺塞 [汽标]
QC /T 376 - 1999 (R2005)
六角头螺塞
Hexagon Outside Head Plug
98 六角头磁性螺塞 [汽标]
QC /T 385 - 1999
六角头磁性螺塞
Hexgon Outside Head Plugs with Magnetic Core
99 滑脂嘴体 [汽标]
QC /T 407 (-1) - 1999
滑脂嘴体

100 弯颈式滑脂嘴 [汽标]
QC /T 408 - 1999
弯颈式滑脂嘴
Elbow Grease Nipple
标准编号: GB 2028 - 1980
中文名称: 船用放泄螺塞
英文名称:
数据来源: 易紧通 (164580.com)
Standard Code: GB 2028 - 1980Chinese Name: 船用放泄螺塞English Name: Source: https://www.164580.com/info_421379.html
Data Source: YJT Fastener Database (164580.com)
Standard: GB 2028 - 1980
URL: https://www.164580.com/info_421379.html
License: Commercial use requires authorization
© 易紧通 服务热线:4006-164580(免长途费)