index
logo

纺织机用大平圆头方颈螺栓 CNS 4425 - 1981

选择规格尺寸 点击↓

M6

M8

M10

M12

(M14)

M16

括号内尺寸为非优选

尺寸单位: mm
台湾CNS 4425 - 1981 CNS4425 4425CNS 纺织机用大平圆头方颈螺栓
CNS  4425 - 1981 纺织机用大平圆头方颈螺栓
扫一扫分享
千件重及价格计算 千件重 : kg x 元/kg = 元/千件
默认密度 g/cm3
公称长度L 注:选择后获得 相应重量 螺纹长度
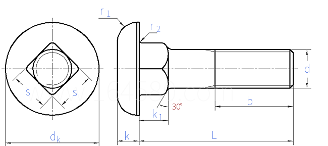
螺纹规格
d
M6 M8 M10 M12 (M14) M16
P 螺距
dk
k1
k
r1
r2
s
1 1.25 1.5 1.75 2 2
16 20 24 30 34 38
4 5 6 8 10 12
3.5 4.5 5.5 7 8 9
4 5 6 7.5 9 10
0.5 0.5 0.5 0.5 1 1
6 8 10 12 14 16
千件钢制重≈kg
- - - - - -
螺纹长度b
- - - - - -
注:技术数据仅供参考,请以官方原件为准!
类似标准及供货信息
1 扁圆头方颈螺栓 [国标]
GB /T 14 - 2013
扁圆头方颈螺栓
Mushroom Head Square Neck Bolts
供应商(8)
2 大半圆头方颈螺栓 [国标]
GB /T 14 - 1998
大半圆头方颈螺栓
Cup Head Square Neck Bolts with Large Head
供应商(8)
3 C级大半圆头方颈螺栓 [国标]
GB /T 14 - 1988
C级大半圆头方颈螺栓
Cup Head Square Bolts with Large Head - Grade C
供应商(8)
4 大半圆头方颈螺栓 [国标]
GB 14 - 1976
大半圆头方颈螺栓
Cup Head Square Neck Bolts with Large Head
供应商(8)
5 大半圆头方颈螺栓 [德标]
DIN 603 - 2017
大半圆头方颈螺栓
Cup Head Square Neck Bolts
供应商(13)
6 大半圆头方颈螺栓 [德标]
DIN 603 - 2010
大半圆头方颈螺栓
Mushroom Head Square Neck Bolts
供应商(13)
7 大半圆头方颈螺栓 [德标]
DIN 603 - 1981
大半圆头方颈螺栓
Mshroom Head Square Neck Bolts
供应商(13)
8 农业机械用平头方颈螺栓 [德标]
DIN 11015 - 1995
农业机械用平头方颈螺栓
Agricultural Machinery - Flat Countersunk Square Neck Bolts with Short Square
9 大半圆头方颈螺栓  C级 [国际]
ISO 8677 - 1986
大半圆头方颈螺栓 C级
Cup Head Square Neck Bolts with Large Head - Product Grade C
10 大半圆头方颈螺栓 [表1] [日标]
JIS B 1171 (AT1) - 1996
大半圆头方颈螺栓 [表1]
Cup Head Square Neck Bolts(Large Size)[Table 1]
11 大半圆头方颈螺栓 [汽标代号]
Q 192B
大半圆头方颈螺栓
Cup Head Square Neck Bolts with Large Head
12 美制大半圆头台阶螺栓 [Table 6] [美标]
ASME/ANSI B 18.5 (T6) - 2012
美制大半圆头台阶螺栓 [Table 6]
Step Bolts, (Inch Series)
供应商(1)
13 大半圆头马车螺栓Table6 [美标]
ASME/ANSI B 18.5 - 2008
大半圆头马车螺栓Table6
Step Bolts
供应商(1)
14 米制大圆头方颈螺栓 [美标]
ASME/ANSI B 18.5.2.3M - 1990
米制大圆头方颈螺栓
Metric Round Head Square Neck Bolts with Large Head
15 带方螺母的方颈圆头螺栓 米制粗牙 C级 [意大利]
UNI 5731 - 1965
带方螺母的方颈圆头螺栓 米制粗牙 C级
Cup Square Bolts and Bolts with Square Nut - ISO Metric Coarse Thread - Finish C
16 带六角螺母大半圆头方颈螺栓 [意大利]
UNI 5732 - 1965
带六角螺母大半圆头方颈螺栓
Cup Square Bolts with Hexagon Nut - ISO Metric Coarse Thread - Finish C
17 大半圆头方颈螺栓 [法国]
NF E 27-351 - 1969
大半圆头方颈螺栓
Round Head Square Neck Bolts - JAPY Type
18 米制大半圆头马车螺栓 [英标]
BS 4933 - 1973
米制大半圆头马车螺栓
Metric Cup Square Bolts
19 粗制大半圆头方颈螺栓 [台湾]
CNS 4424 - 1981
粗制大半圆头方颈螺栓
Cup Square Bolts, Metric Thread Regular
20 A型 平圆头(平圆头方颈螺栓) [台湾]
CNS 4574 - 1981
A型 平圆头(平圆头方颈螺栓)
Cover Bolts Type A
21 大半圆头方颈螺栓 C级 [俄标]
GOST 7802 - 1981
大半圆头方颈螺栓 C级
Increased Cup Head Square Shoulder Bolts, Product Grade C
22 美制大半圆头台阶螺栓 [Table 6] [美标]
ASME B 18.5 (T6) - 2012 (2017)
美制大半圆头台阶螺栓 [Table 6]
Step Bolts,(Inch Series)
供应商(1)
标准编号: CNS 4425 - 1981
中文名称: 纺织机用大平圆头方颈螺栓
英文名称: Cup Square Bolts with Enlarged Head for Looms
数据来源: 易紧通 (164580.com)
Standard Code: CNS 4425 - 1981Chinese Name: 纺织机用大平圆头方颈螺栓English Name: Cup Square Bolts with Enlarged Head for LoomsSource: https://www.164580.com/info_55199.html
Data Source: YJT Fastener Database (164580.com)
Standard: CNS 4425 - 1981
URL: https://www.164580.com/info_55199.html
License: Commercial use requires authorization
© 易紧通 服务热线:4006-164580(免长途费)