index
logo

大半圆头方颈螺栓 [表1] JIS B 1171 (AT1) - 1996

选择规格尺寸 点击↓

M5

M6

M8

M10

M12

M16

M20


尺寸单位: mm
日标JIS B1171 (AT1) - 1996 JIS1171 1171JIS 大半圆头方颈螺栓 [表1]
JIS B 1171 (AT1) - 1996 大半圆头方颈螺栓 [表1]
扫一扫分享
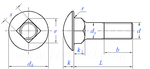
螺纹规格
d
M5 M6 M8 M10 M12 M16 M20
P 螺距
b L≤125
125<L≤200
L>200
dk 最大值=公称
最小值
ds 最大值
e 最小值
k1 最大值
最小值
k 最大值
最小值
r 最大值
s 最大值
最小值
0.8 1 1.25 1.5 1.75 2 2.5
16 18 22 26 30 38 46
/ / 28 32 36 44 52
/ / / / / 57 65
13 16 20 24 30 38 46
11.9 14.9 18.7 22.7 28.7 36.4 44.4
5.48 6.48 8.58 10.58 12.7 16.7 20.84
5.9 7.2 9.6 12.2 14.7 19.9 24.9
4.1 4.6 5.6 6.6 8.8 12.9 15.9
2.9 3.4 4.4 5.4 7.2 11.1 14.1
3.1 3.6 4.8 5.8 6.8 8.9 10.9
2.5 3 4 5 6 8 10
0.4 0.5 0.8 0.8 1.2 1.2 1.6
5.48 6.48 8.58 10.58 12.7 16.7 20.84
4.52 5.52 7.42 9.42 11.3 15.3 19.16
注:技术数据仅供参考,请以官方原件为准!
类似标准及供货信息
1 扁圆头方颈螺栓 [国标]
GB /T 14 - 2013
扁圆头方颈螺栓
Mushroom Head Square Neck Bolts
供应商(8)
2 大半圆头方颈螺栓 [国标]
GB /T 14 - 1998
大半圆头方颈螺栓
Cup Head Square Neck Bolts with Large Head
供应商(8)
3 C级大半圆头方颈螺栓 [国标]
GB /T 14 - 1988
C级大半圆头方颈螺栓
Cup Head Square Bolts with Large Head - Grade C
供应商(8)
4 大半圆头方颈螺栓 [国标]
GB 14 - 1976
大半圆头方颈螺栓
Cup Head Square Neck Bolts with Large Head
供应商(8)
5 大半圆头方颈螺栓 [德标]
DIN 603 - 2017
大半圆头方颈螺栓
Cup Head Square Neck Bolts
供应商(13)
6 大半圆头方颈螺栓 [德标]
DIN 603 - 2010
大半圆头方颈螺栓
Mushroom Head Square Neck Bolts
供应商(13)
7 大半圆头方颈螺栓 [德标]
DIN 603 - 1981
大半圆头方颈螺栓
Mshroom Head Square Neck Bolts
供应商(13)
8 农业机械用平头方颈螺栓 [德标]
DIN 11015 - 1995
农业机械用平头方颈螺栓
Agricultural Machinery - Flat Countersunk Square Neck Bolts with Short Square
9 大半圆头方颈螺栓  C级 [国际]
ISO 8677 - 1986
大半圆头方颈螺栓 C级
Cup Head Square Neck Bolts with Large Head - Product Grade C
10 大半圆头方颈螺栓 [汽标代号]
Q 192B
大半圆头方颈螺栓
Cup Head Square Neck Bolts with Large Head
11 美制大半圆头台阶螺栓 [Table 6] [美标]
ASME/ANSI B 18.5 (T6) - 2012
美制大半圆头台阶螺栓 [Table 6]
Step Bolts, (Inch Series)
供应商(1)
12 大半圆头马车螺栓Table6 [美标]
ASME/ANSI B 18.5 - 2008
大半圆头马车螺栓Table6
Step Bolts
供应商(1)
13 米制大圆头方颈螺栓 [美标]
ASME/ANSI B 18.5.2.3M - 1990
米制大圆头方颈螺栓
Metric Round Head Square Neck Bolts with Large Head
14 带方螺母的方颈圆头螺栓 米制粗牙 C级 [意大利]
UNI 5731 - 1965
带方螺母的方颈圆头螺栓 米制粗牙 C级
Cup Square Bolts and Bolts with Square Nut - ISO Metric Coarse Thread - Finish C
15 带六角螺母大半圆头方颈螺栓 [意大利]
UNI 5732 - 1965
带六角螺母大半圆头方颈螺栓
Cup Square Bolts with Hexagon Nut - ISO Metric Coarse Thread - Finish C
16 大半圆头方颈螺栓 [法国]
NF E 27-351 - 1969
大半圆头方颈螺栓
Round Head Square Neck Bolts - JAPY Type
17 米制大半圆头马车螺栓 [英标]
BS 4933 - 1973
米制大半圆头马车螺栓
Metric Cup Square Bolts
18 粗制大半圆头方颈螺栓 [台湾]
CNS 4424 - 1981
粗制大半圆头方颈螺栓
Cup Square Bolts, Metric Thread Regular
19 纺织机用大平圆头方颈螺栓 [台湾]
CNS 4425 - 1981
纺织机用大平圆头方颈螺栓
Cup Square Bolts with Enlarged Head for Looms
20 A型 平圆头(平圆头方颈螺栓) [台湾]
CNS 4574 - 1981
A型 平圆头(平圆头方颈螺栓)
Cover Bolts Type A
21 大半圆头方颈螺栓 C级 [俄标]
GOST 7802 - 1981
大半圆头方颈螺栓 C级
Increased Cup Head Square Shoulder Bolts, Product Grade C
22 美制大半圆头台阶螺栓 [Table 6] [美标]
ASME B 18.5 (T6) - 2012 (2017)
美制大半圆头台阶螺栓 [Table 6]
Step Bolts,(Inch Series)
供应商(1)
标准编号: JIS B 1171 (AT1) - 1996
中文名称: 大半圆头方颈螺栓 [表1]
英文名称: Cup Head Square Neck Bolts(Large Size)[Table 1]
数据来源: 易紧通 (164580.com)
Standard Code: JIS B 1171 (AT1) - 1996Chinese Name: 大半圆头方颈螺栓 [表1]English Name: Cup Head Square Neck Bolts(Large Size)[Table 1]Source: https://www.164580.com/info_9486.html
Data Source: YJT Fastener Database (164580.com)
Standard: JIS B 1171 (AT1) - 1996
URL: https://www.164580.com/info_9486.html
License: Commercial use requires authorization
© 易紧通 服务热线:4006-164580(免长途费)