index
logo

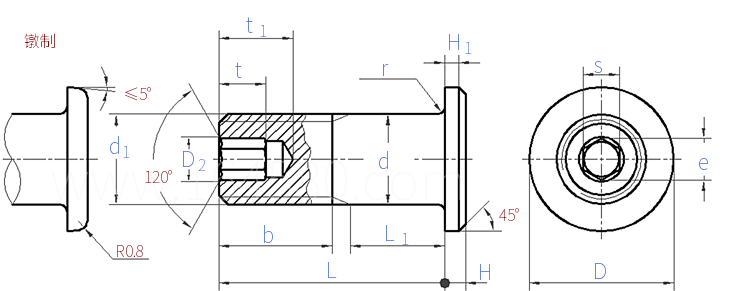
光杆公差带f9抗剪型平头高锁螺栓 HB 5628 - 1983

选择规格尺寸 点击↓

5

6

8

10

HB  5628 - 1983 光杆公差带f9抗剪型平头高锁螺栓

尺寸单位: mm
航空HB 5628 - 1983 HB5628 5628HB 光杆公差带f9抗剪型平头高锁螺栓
HB  5628 - 1983 光杆公差带f9抗剪型平头高锁螺栓
扫一扫分享
千件重及价格计算 千件重 : kg x 元/kg = 元/千件
默认密度 g/cm3
公称长度L 注:选择后获得 相应重量
公称直径
d
5 6 8 10
d 最大值
最小值
d1
D 最大值=公称
最小值
e
D2
H 最大值=公称
最小值
H1
b 参考
t 最小值
t1 最大值
s 公称
最大值
最小值
r ±0.2
4.99 5.99 7.987 9.987
4.96 5.96 7.951 9.951
M5 M6 M8×1 M10×1.25
8 9.5 12.2 15.5
7.85 9.35 12.02 15.32
2.3 2.9 3.5 4.6
2.5 4.1 4 5
1.5 1.8 2 2.3
1.3 1.6 1.8 2.1
0.8 1 1.4 1.5
7.5 8 11 12.5
2.5 3.2 4 5
4 5 6 7
2 2.5 3 4
2.06 2.58 3.1 4.12
2.02 2.52 3.02 4.03
0.5 0.5 0.8 0.8
L1 最大值
- - - -
L1 最小值
- - - -
千件钢制重≈kg
- - - -
①,当L超过154mm时,其间隔取2mm。
②,材料:ML30CrMnSiA;热处理:σb=1175±100MPa;表面处理:镀镉钝化;润滑:十六醇或无润滑,涂十六醇的螺栓禁止油封。
③,破坏剪力按 HB 1-217-1983。
④,技术条件按 HB 1-218-1983。
注:技术数据仅供参考,请以官方原件为准!
类似标准及供货信息
1 环形空心螺栓 [德标]
DIN 7643 - 2005
环形空心螺栓
Compression Couplings - Hollow Screws For Ring-Type Banjos
供应商(1)
2 三角头带垫螺钉 [德标]
DIN 22424 - 1990
三角头带垫螺钉
Electrical Apparatus for Potentially Explosive Atmospheres for Mining; Triangle Head Bolts
供应商(1)
3 皮带螺钉 [德标]
DIN 15237 - 1980
皮带螺钉
Belt screws,Continuous Mechanical Handling Equipment; Seating Screws and Cupped Washers for The Attachment of Components to Belts
供应商(1)
4 带移动卡式螺栓的定位销钉 螺栓 [德标]
DIN 6306 (-1) - 2002
带移动卡式螺栓的定位销钉 螺栓
Tommy Screws with Moveable Clamping Bolt - Tommy Screws
5 SBE 型 钩型绝缘子支柱 [德标]
DIN 48051-1 (SBE) - 1959
SBE 型 钩型绝缘子支柱
Overhead Lines Curved Insulator Supports - Standard Design - SBE
6 螺钉支承 [机械行业]
JB /T 8026.6 - 1999
螺钉支承
Supporters for Screw
7 圆头自攻铆钉 [意大利]
UNI 7346 - 1974
圆头自攻铆钉
Round Head Tapping Rivets
8 沉头自攻铆钉 [意大利]
UNI 7347 - 1974
沉头自攻铆钉
Countersunk (fiat) Head Tapping Rivets
9 十一米字槽盘头螺钉 [法国]
NF E 25-139 - 2002
十一米字槽盘头螺钉
Screws - Z Cross Recessed and Slotted Pan Head - Grade A - Symbol CBL ZS
10 半圆头U型金属驱动(强攻)螺钉 [Table 22] [英标]
BS 4174 - 1972
半圆头U型金属驱动(强攻)螺钉 [Table 22]
Round Head Type U Metallic Drive Screws [Table 22]
11 木枕用道钉 [铁道部]
TB /T 1346 - 2021
木枕用道钉
Rail Spikes For Wooden Sleeper
12 木枕用螺纹道钉 [铁道部]
TB /T 1346 - 2018
木枕用螺纹道钉
Rail Spikes For Wooden Sleeper
13 皮带螺钉 [牙口螺钉] [台湾]
CNS 4421 - 1981
皮带螺钉 [牙口螺钉]
Seating Bolts and Conical Spring Washers for Clamping
14 三角头带垫螺钉 [台湾]
CNS 5404 - 1980
三角头带垫螺钉
Triangle Head Bolts with Collar for Non-sparking & Explosion Gun Tools
15 平圆头方颈(马车)螺栓 [标准]
YJT 10460
平圆头方颈(马车)螺栓
Cover Bolts, Square Neck
供应商(1)
16 牙口螺钉 [皮带螺钉] [标准]
YJT 4027
牙口螺钉 [皮带螺钉]
Fanged Elevator Bolt
供应商(1)
17 六角球头螺栓 [标准]
YJT 1028
六角球头螺栓

18 输电线路杆塔及电力金具用 弯头脚钉 [电力]
DL /T 284 - 2012
输电线路杆塔及电力金具用 弯头脚钉

19 输电线路杆塔及电力金具用 平头脚钉 [电力]
DL /T 284 - 2012
输电线路杆塔及电力金具用 平头脚钉

20 双耳托板螺钉 [军标]
GJB 3372 (/61) - 1998
双耳托板螺钉
Screws, Twolug, Anchor
21 光杆公差带f9抗剪型平头高锁螺栓 [军标]
GJB 134.5 - 1986
光杆公差带f9抗剪型平头高锁螺栓
Hi-lock Bolts, Prodruding Head, Shear, Shank Tolerance f9
22 光杆公差带r6抗剪型平头高锁螺栓 [军标]
GJB 134.4 - 1982
光杆公差带r6抗剪型平头高锁螺栓
Hi-lock Bolts, Protruding Head, Shear, Shank Tolerance r6
23 半圆头U型金属驱动(强攻)螺钉 [美标]
ASME 18.6.3 (T5-1) - 2024
半圆头U型金属驱动(强攻)螺钉
Dimensions of Round Head Type U Metallic Drive Screws
供应商(1)
24 半圆头U型金属驱动(强攻)螺钉 [Table 51] [美标]
ASME B 18.6.3 (T51) - 2013
半圆头U型金属驱动(强攻)螺钉 [Table 51]
Round Head Type U Metallic Drive Screws
供应商(1)
25 切向夹紧件 - 拉杆 [航空]
HB 2059 (-1) - 1989
切向夹紧件 - 拉杆

26 球形端头螺钉 [航空]
HB 304 - 1987
球形端头螺钉

27 光杆公差带r6抗剪型平头高锁螺栓 [航空]
HB 5627 - 1983
光杆公差带r6抗剪型平头高锁螺栓
Hi-lock Bolts, Prodruding Head, Shear, Shank Tolerance r6
28 500MPa 级高速铁路螺纹道钉 [浙江制造团体标准]
T/ZZB 1086 - 2019
500MPa 级高速铁路螺纹道钉
Grade 500MPa Sleeper Screw for use in High-speed Permanent Way
© 易紧通 服务热线:4006-164580(免长途费)