index
logo

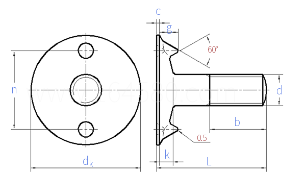
皮带螺钉 [牙口螺钉] CNS 4421 - 1981

选择规格尺寸 点击↓

M6

M8

M10

M12


尺寸单位: mm
台湾CNS 4421 - 1981 CNS4421 4421CNS 皮带螺钉 [牙口螺钉]
CNS  4421 - 1981 皮带螺钉 [牙口螺钉]
扫一扫分享
千件重及价格计算 千件重 : kg x 元/kg = 元/千件
默认密度 g/cm3
公称长度L 注:选择后获得 相应重量 螺纹长度
螺纹尺寸
d
M6 M8 M10 M12
dk
n
k
c 最大值
g
20 28 35 42
14 20 25 30
2.5 3.5 4.5 5.2
1 1 1 1.2
3.5 5 6 7
千件钢制重≈kg
- - - -
螺纹长度b
- - - -
注:技术数据仅供参考,请以官方原件为准!
类似标准及供货信息
1 环形空心螺栓 [德标]
DIN 7643 - 2005
环形空心螺栓
Compression Couplings - Hollow Screws For Ring-Type Banjos
供应商(1)
2 三角头带垫螺钉 [德标]
DIN 22424 - 1990
三角头带垫螺钉
Electrical Apparatus for Potentially Explosive Atmospheres for Mining; Triangle Head Bolts
供应商(1)
3 皮带螺钉 [德标]
DIN 15237 - 1980
皮带螺钉
Belt screws,Continuous Mechanical Handling Equipment; Seating Screws and Cupped Washers for The Attachment of Components to Belts
供应商(1)
4 带移动卡式螺栓的定位销钉 螺栓 [德标]
DIN 6306 (-1) - 2002
带移动卡式螺栓的定位销钉 螺栓
Tommy Screws with Moveable Clamping Bolt - Tommy Screws
5 SBE 型 钩型绝缘子支柱 [德标]
DIN 48051-1 (SBE) - 1959
SBE 型 钩型绝缘子支柱
Overhead Lines Curved Insulator Supports - Standard Design - SBE
6 螺钉支承 [机械行业]
JB /T 8026.6 - 1999
螺钉支承
Supporters for Screw
7 圆头自攻铆钉 [意大利]
UNI 7346 - 1974
圆头自攻铆钉
Round Head Tapping Rivets
8 沉头自攻铆钉 [意大利]
UNI 7347 - 1974
沉头自攻铆钉
Countersunk (fiat) Head Tapping Rivets
9 十一米字槽盘头螺钉 [法国]
NF E 25-139 - 2002
十一米字槽盘头螺钉
Screws - Z Cross Recessed and Slotted Pan Head - Grade A - Symbol CBL ZS
10 半圆头U型金属驱动(强攻)螺钉 [Table 22] [英标]
BS 4174 - 1972
半圆头U型金属驱动(强攻)螺钉 [Table 22]
Round Head Type U Metallic Drive Screws [Table 22]
11 木枕用道钉 [铁道部]
TB /T 1346 - 2021
木枕用道钉
Rail Spikes For Wooden Sleeper
12 木枕用螺纹道钉 [铁道部]
TB /T 1346 - 2018
木枕用螺纹道钉
Rail Spikes For Wooden Sleeper
13 三角头带垫螺钉 [台湾]
CNS 5404 - 1980
三角头带垫螺钉
Triangle Head Bolts with Collar for Non-sparking & Explosion Gun Tools
14 平圆头方颈(马车)螺栓 [标准]
YJT 10460
平圆头方颈(马车)螺栓
Cover Bolts, Square Neck
供应商(1)
15 牙口螺钉 [皮带螺钉] [标准]
YJT 4027
牙口螺钉 [皮带螺钉]
Fanged Elevator Bolt
供应商(1)
16 六角球头螺栓 [标准]
YJT 1028
六角球头螺栓

17 输电线路杆塔及电力金具用 弯头脚钉 [电力]
DL /T 284 - 2012
输电线路杆塔及电力金具用 弯头脚钉

18 输电线路杆塔及电力金具用 平头脚钉 [电力]
DL /T 284 - 2012
输电线路杆塔及电力金具用 平头脚钉

19 双耳托板螺钉 [军标]
GJB 3372 (/61) - 1998
双耳托板螺钉
Screws, Twolug, Anchor
20 光杆公差带f9抗剪型平头高锁螺栓 [军标]
GJB 134.5 - 1986
光杆公差带f9抗剪型平头高锁螺栓
Hi-lock Bolts, Prodruding Head, Shear, Shank Tolerance f9
21 光杆公差带r6抗剪型平头高锁螺栓 [军标]
GJB 134.4 - 1982
光杆公差带r6抗剪型平头高锁螺栓
Hi-lock Bolts, Protruding Head, Shear, Shank Tolerance r6
22 半圆头U型金属驱动(强攻)螺钉 [美标]
ASME 18.6.3 (T5-1) - 2024
半圆头U型金属驱动(强攻)螺钉
Dimensions of Round Head Type U Metallic Drive Screws
供应商(1)
23 半圆头U型金属驱动(强攻)螺钉 [Table 51] [美标]
ASME B 18.6.3 (T51) - 2013
半圆头U型金属驱动(强攻)螺钉 [Table 51]
Round Head Type U Metallic Drive Screws
供应商(1)
24 切向夹紧件 - 拉杆 [航空]
HB 2059 (-1) - 1989
切向夹紧件 - 拉杆

25 球形端头螺钉 [航空]
HB 304 - 1987
球形端头螺钉

26 光杆公差带r6抗剪型平头高锁螺栓 [航空]
HB 5627 - 1983
光杆公差带r6抗剪型平头高锁螺栓
Hi-lock Bolts, Prodruding Head, Shear, Shank Tolerance r6
27 光杆公差带f9抗剪型平头高锁螺栓 [航空]
HB 5628 - 1983
光杆公差带f9抗剪型平头高锁螺栓
Hi-lock Bolts, Prodruding Head, Shear, Shank Tolerance f9
28 500MPa 级高速铁路螺纹道钉 [浙江制造团体标准]
T/ZZB 1086 - 2019
500MPa 级高速铁路螺纹道钉
Grade 500MPa Sleeper Screw for use in High-speed Permanent Way
标准编号: CNS 4421 - 1981
中文名称: 皮带螺钉 [牙口螺钉]
英文名称: Seating Bolts and Conical Spring Washers for Clamping
数据来源: 易紧通 (164580.com)
Standard Code: CNS 4421 - 1981Chinese Name: 皮带螺钉 [牙口螺钉]English Name: Seating Bolts and Conical Spring Washers for ClampingSource: https://www.164580.com/info_58021.html
Data Source: YJT Fastener Database (164580.com)
Standard: CNS 4421 - 1981
URL: https://www.164580.com/info_58021.html
License: Commercial use requires authorization
© 易紧通 服务热线:4006-164580(免长途费)