index
logo

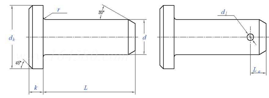
销轴 A型和B型 DIN 1435 - 1977

选择规格尺寸 点击↓

5

6

8

10

12

(13)

14

16

18

20

22

(23)

25

(26)

28

30

(31)

32

35

(36)

40

(41)

45

(46)

50

(51)

55

60

65

70

75

80

(85)

90

(95)

100

括号内尺寸为非优选

尺寸单位: mm
德标DIN 1435 - 1977 DIN1435 1435DIN 销轴 A型和B型
德标DIN 1435 - 1977 DIN1435 1435DIN 销轴 A型和B型
DIN  1435 - 1977 销轴 A型和B型
扫一扫分享
千件重及价格计算 千件重 : kg x 元/kg = 元/千件
默认密度 g/cm3
公称长度L 注:选择后获得 相应重量
公称直径
d
5 6 8 10 12 (13) 14 16 18 20 22 (23)
d 最大值
最小值
dk 最大值=公称
最小值
d1 最小值=公称
最大值
k 公称
最大值
最小值
r
Le 最小值
5 6 8 10 12 13 14 16 18 20 22 23
4.925 5.925 7.91 9.91 11.89 12.89 13.89 15.89 17.89 19.87 21.87 22.87
10 11 14 16 20 21 22 24 26 30 32 32
9.64 10.57 13.57 15.57 19.48 20.48 21.48 23.48 25.48 29.48 31.38 31.38
1.6 1.6 2 3.2 4 4 4 4 5 5 5 5
1.85 1.85 2.25 3.5 4.3 4.3 4.3 4.3 5.3 5.3 5.3 5.3
3 3 4 4 5 5 5 5 5 6 6 6
3.125 3.125 4.15 4.15 5.15 5.15 5.15 5.15 5.15 6.15 6.15 6.15
2.875 2.875 3.85 3.85 4.85 4.85 4.85 4.85 4.85 5.85 5.85 5.85
0.5 0.5 0.5 0.5 0.5 0.5 1 1 1 1 1 1
2 2.5 3 4 5 5 5 5 6.5 6.5 6.5 6.5
千件钢制重≈kg
- - - - - - - - - - - -
公称直径
d
25 (26) 28 30 (31) 32 35 (36) 40 (41) 45 (46)
d 最大值
最小值
dk 最大值=公称
最小值
d1 最小值=公称
最大值
k 公称
最大值
最小值
r
Le 最小值
25 26 28 30 31 32 35 36 40 41 45 46
24.87 25.87 27.87 29.87 30.84 31.84 34.84 35.84 39.84 40.84 44.84 45.84
35 36 38 40 44 44 48 48 52 52 57 57
34.38 35.38 37.38 39.38 43.38 43.38 47.38 47.38 51.26 51.26 56.26 56.26
6.3 6.3 6.3 6.3 8 8 8 8 8 8 8 10
6.66 6.66 6.66 6.66 8.36 8.36 8.36 8.36 8.36 8.36 8.36 10.36
7 7 7 7 8 8 8 8 8 8 9 9
7.18 7.18 7.18 7.18 8.18 8.18 8.18 8.18 8.18 8.18 9.18 9.18
6.82 6.82 6.82 6.82 7.82 7.82 7.82 7.82 7.82 7.82 8.82 8.82
1 1 1 1 1 1 2 2 2 2 2 2
8 8 8 8 10 10 10 10 10 10 10 12
千件钢制重≈kg
- - - - - - - - - - - -
公称直径
d
50 (51) 55 60 65 70 75 80 (85) 90 (95) 100
d 最大值
最小值
dk 最大值=公称
最小值
d1 最小值=公称
最大值
k 公称
最大值
最小值
r
Le 最小值
50 51 55 60 65 70 75 80 85 90 95 100
49.84 50.81 54.81 59.81 64.81 69.81 74.81 79.81 84.78 89.78 94.78 99.78
62 65 70 74 79 84 89 94 101 106 111 116
61.26 64.26 69.26 73.26 78.26 83.13 88.13 93.13 100.13 105.13 110.13 115.13
10 10 10 10 10 10 10 13 13 13 13 13
10.36 10.36 10.36 10.36 10.36 10.36 10.36 13.43 13.43 13.43 13.43 13.43
9 10 10 11 11 12 12 12 12 14 14 14
9.18 10.18 10.18 11.215 11.215 12.215 12.215 12.215 12.215 14.215 14.215 14.215
8.82 9.82 9.82 10.785 10.785 11.785 11.785 11.785 11.785 13.785 13.785 13.785
2 2 2 2 2 2 2 2 2 2 2 2
12 12 12 12 12 12 12 15 15 15 15 15
千件钢制重≈kg
- - - - - - - - - - - -
注:技术数据仅供参考,请以官方原件为准!
类似标准及供货信息
1 无头销轴  B型(带孔销 ) [国标]
GB /T 880 (B) - 2008
无头销轴 B型(带孔销 )
Clevis Pins Without Head(Pins with Split Pin Hole)
供应商(1)
2 销轴 A型和B型 [国标]
GB /T 882 - 2008
销轴 A型和B型
Clevis Pin with Head - Type A and B
供应商(7)
3 无头销轴  (带孔销 ) [国标]
GB /T 880 - 1986
无头销轴 (带孔销 )
Clevis Pins Without Head (Pins with split pin hole )
供应商(1)
4 销轴 [国标]
GB /T 882 - 1986
销轴
Clevis Pins with Head
供应商(7)
5 液压传动 16MPa(160bar)中型和25MPa(250 bar)单杆缸附件 - 销轴 轴套或关节轴承用 带卡键或卡环 [国标]
GB /T 39949.1 (AA4-R/AA6-R) - 2021
液压传动 16MPa(160bar)中型和25MPa(250 bar)单杆缸附件 - 销轴 轴套或关节轴承用 带卡键或卡环
Hydraulic Fluid Power - Accessories for Single Rod Cylinders, 16 Mpa (160 bar) Medium and 25 Mpa (250 bar) Series: AA4-R - Pivot Pin, Plain Bearing or AA6-R - Pivot Pin, Spherical Bearing
6 铁路车辆用带头销钉 [德标]
DIN 5526 - 1999
铁路车辆用带头销钉
Pins with Head for Rail Vehicles
7 安全锁止销 [德标]
DIN 11023 - 1979
安全锁止销
Linch Pins
8 小头销轴 [德标]
DIN 1434 - 1977
小头销轴
Clevis Pins with Small Head; Finish M
9 带头销轴 [德标]
DIN 1444 - 1974
带头销轴
Clevis Pins with Head
10 液压传动 16MPa(160bar)中型和25MPa(250 bar)单杆缸附件 - 销轴 轴套或关节轴承用 带卡键或卡环 [国际]
ISO 8132 (AA4-R/AA6-R) - 2022
液压传动 16MPa(160bar)中型和25MPa(250 bar)单杆缸附件 - 销轴 轴套或关节轴承用 带卡键或卡环
Hydraulic Fluid Power - Accessories for Single Rod Cylinders, 16 Mpa (160 bar) Medium and 25 Mpa (250 bar) Series: AA4-R - Pivot Pin, Plain Bearing or AA6-R - Pivot Pin, Spherical Bearing
11 无头销轴  B型(带孔销 ) [国际]
ISO 2340 (B) - 1986
无头销轴 B型(带孔销 )
Clevis Pins Without Head - Type B
12 无头销轴 A型 [国际]
ISO 2340 (A) - 1986
无头销轴 A型
Clevis Pins Without Head - Type A
13 销轴 A型和B型 [国际]
ISO 2341 - 1986
销轴 A型和B型
Clevis Pins with Head - Type A and B
14 销轴 [日标]
JIS B 2801 - 1996
销轴
Shackle Pin, Forms BA and SA, and of Round Plug
15 销轴 [汽标代号]
Q 510
销轴
Clevis Pins with Head
供应商(1)
16 销轴 [美标]
ASME/ANSI B 18.8.1 - 2000
销轴
Clevis Pins with Head
17 无头销轴  B型(带孔销 ) [欧标]
EN 22340 (B) - 1992
无头销轴 B型(带孔销 )
Clevis Pins without Head - Form B
18 无头销轴 A型 [欧标]
EN 22340 (A) - 1992
无头销轴 A型
Clevis Pins without Head - Form A
19 销轴 [欧标]
EN 22341 - 1992
销轴
Clevis Pins with Head
20 带孔销 [法国]
NF E 25-753 - 1992 (R2002)
带孔销
Clevis Pins Without Head
21 销轴 [法国]
NF E 25-754 - 1992 (R2002)
销轴
Clevis Pins with Head
22 光圆销 [铁道部]
TB /T 54 - 1993
光圆销

23 毛圆销 [铁道部]
TB /T 56 - 1993
毛圆销

24 带锁紧垫圈槽销轴 [俄标]
GOST 9650 (Type 3) - 1980
带锁紧垫圈槽销轴
Axle with a Locking Washer Groove
25 带安全环槽销轴 [俄标]
GOST 9650 (Type 4) - 1980
带安全环槽销轴
Axle with a Safety Ring Groove
26 销轴 [俄标]
GOST 9650 (Type 5) - 1980
销轴
Clevis Pin with Head
27 带锁紧垫圈销轴 [俄标]
GOST 9650 (Type 7) - 1980
带锁紧垫圈销轴
Axle with a Locking Washer
28 带安全环槽销轴 [俄标]
GOST 9650 (Type 8) - 1980
带安全环槽销轴
Axle with a Safety Ring Groove
29 销轴 [美标]
SAE J 493 - 1961
销轴
Clevis Pin
30 无头销轴 A型 [德标]
DIN EN 22340 (A) - 1992
无头销轴 A型
Clevis Pins without Head - Form A
31 无头销轴  B型(带孔销 ) [德标]
DIN EN 22340 (B) - 1992
无头销轴 B型(带孔销 )
Clevis Pins Without Head - Form B
32 带头销轴 [德标]
DIN EN 22341 - 1992
带头销轴
Clevis Pins with Head
33 无头销轴 [印标]
IS 6862 - 2005
无头销轴
Clevis Pins Without Head
34 销轴 [印标]
IS 6863 - 2005
销轴
Clevis Pins with Head
35 销轴 [美标]
ASME B 18.8.1 - 2014
销轴
Clevis Pins with Head
36 米制销轴 A型 [美标]
ASME B 18.8.200M (B18.8.8M-Type A) - 2000
米制销轴 A型
Metric Clevis Pin with Head - Type A
37 米制销轴 B型 [美标]
ASME B 18.8.200M (B18.8.8M-Type B) - 2000
米制销轴 B型
Metric Clevis Pin with Head - Type B
38 米制销轴 A型 [美标]
ASME B 18.8.8M (A) - 1994
米制销轴 A型
Metric Clevis Pin with Head - Type A
标准编号: DIN 1435 - 1977
中文名称: 销轴 A型和B型
英文名称: Clevis Pins with Small Head; Finish mg
数据来源: 易紧通 (164580.com)
Standard Code: DIN 1435 - 1977Chinese Name: 销轴 A型和B型English Name: Clevis Pins with Small Head; Finish mgSource: https://www.164580.com/info_397103.html
Data Source: YJT Fastener Database (164580.com)
Standard: DIN 1435 - 1977
URL: https://www.164580.com/info_397103.html
License: Commercial use requires authorization
© 易紧通 服务热线:4006-164580(免长途费)