index
logo

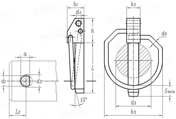
安全锁止销 DIN 11023 - 1979

选择规格尺寸 点击↓

5 ×32

6 ×42

8 ×42

10 ×45

12 ×45

12 ×55

17 ×60


尺寸单位: mm
德标DIN 11023 - 1979 DIN11023 11023DIN 安全锁止销
DIN  11023 - 1979 安全锁止销
扫一扫分享
公称直径
5
×32
6
×42
8
×42
10
×45
12
×45
12
×55
17
×60
a
b1 最大值
b2 最大值
d1 公称
最小值
最大值
d4
h 最大值
L
b3 最大值
d0 最小值
最小预紧力
d2 最小值=公称
最大值
d3 最大值
L2
4.5 5.5 7.5 8 9 9 12.5
11.5 14 15 15 15 15 21
7 8 9 12 14 14 20
4.5 5.5 7.5 9.5 11 11 16
4.3 5.3 7.3 9.3 10.5 10.5 15.5
4.8 5.8 7.8 9.8 11.5 11.5 16.5
3.5 4 4 4.5 4.5 4.5 6
18 22 22 22 22 22 29
32 42 42 45 45 55 60
36 52 52 52 52 60 60
2.5 3.6 3.6 3.6 3.6 4 4
5 14 14 14 14 14 14
5 6 8 10 12 12 17
5.075 6.075 8.09 10.09 12.11 12.11 17.11
25 32 32 32 32 45 45
8 10 12 14 18 18 21
注:技术数据仅供参考,请以官方原件为准!
类似标准及供货信息
1 无头销轴  B型(带孔销 ) [国标]
GB /T 880 (B) - 2008
无头销轴 B型(带孔销 )
Clevis Pins Without Head(Pins with Split Pin Hole)
供应商(1)
2 销轴 A型和B型 [国标]
GB /T 882 - 2008
销轴 A型和B型
Clevis Pin with Head - Type A and B
供应商(7)
3 无头销轴  (带孔销 ) [国标]
GB /T 880 - 1986
无头销轴 (带孔销 )
Clevis Pins Without Head (Pins with split pin hole )
供应商(1)
4 销轴 [国标]
GB /T 882 - 1986
销轴
Clevis Pins with Head
供应商(7)
5 液压传动 16MPa(160bar)中型和25MPa(250 bar)单杆缸附件 - 销轴 轴套或关节轴承用 带卡键或卡环 [国标]
GB /T 39949.1 (AA4-R/AA6-R) - 2021
液压传动 16MPa(160bar)中型和25MPa(250 bar)单杆缸附件 - 销轴 轴套或关节轴承用 带卡键或卡环
Hydraulic Fluid Power - Accessories for Single Rod Cylinders, 16 Mpa (160 bar) Medium and 25 Mpa (250 bar) Series: AA4-R - Pivot Pin, Plain Bearing or AA6-R - Pivot Pin, Spherical Bearing
6 铁路车辆用带头销钉 [德标]
DIN 5526 - 1999
铁路车辆用带头销钉
Pins with Head for Rail Vehicles
7 小头销轴 [德标]
DIN 1434 - 1977
小头销轴
Clevis Pins with Small Head; Finish M
8 销轴 A型和B型 [德标]
DIN 1435 - 1977
销轴 A型和B型
Clevis Pins with Small Head; Finish mg
9 带头销轴 [德标]
DIN 1444 - 1974
带头销轴
Clevis Pins with Head
10 液压传动 16MPa(160bar)中型和25MPa(250 bar)单杆缸附件 - 销轴 轴套或关节轴承用 带卡键或卡环 [国际]
ISO 8132 (AA4-R/AA6-R) - 2022
液压传动 16MPa(160bar)中型和25MPa(250 bar)单杆缸附件 - 销轴 轴套或关节轴承用 带卡键或卡环
Hydraulic Fluid Power - Accessories for Single Rod Cylinders, 16 Mpa (160 bar) Medium and 25 Mpa (250 bar) Series: AA4-R - Pivot Pin, Plain Bearing or AA6-R - Pivot Pin, Spherical Bearing
11 无头销轴  B型(带孔销 ) [国际]
ISO 2340 (B) - 1986
无头销轴 B型(带孔销 )
Clevis Pins Without Head - Type B
12 无头销轴 A型 [国际]
ISO 2340 (A) - 1986
无头销轴 A型
Clevis Pins Without Head - Type A
13 销轴 A型和B型 [国际]
ISO 2341 - 1986
销轴 A型和B型
Clevis Pins with Head - Type A and B
14 销轴 [日标]
JIS B 2801 - 1996
销轴
Shackle Pin, Forms BA and SA, and of Round Plug
15 销轴 [汽标代号]
Q 510
销轴
Clevis Pins with Head
供应商(1)
16 销轴 [美标]
ASME/ANSI B 18.8.1 - 2000
销轴
Clevis Pins with Head
17 无头销轴  B型(带孔销 ) [欧标]
EN 22340 (B) - 1992
无头销轴 B型(带孔销 )
Clevis Pins without Head - Form B
18 无头销轴 A型 [欧标]
EN 22340 (A) - 1992
无头销轴 A型
Clevis Pins without Head - Form A
19 销轴 [欧标]
EN 22341 - 1992
销轴
Clevis Pins with Head
20 带孔销 [法国]
NF E 25-753 - 1992 (R2002)
带孔销
Clevis Pins Without Head
21 销轴 [法国]
NF E 25-754 - 1992 (R2002)
销轴
Clevis Pins with Head
22 光圆销 [铁道部]
TB /T 54 - 1993
光圆销

23 毛圆销 [铁道部]
TB /T 56 - 1993
毛圆销

24 带锁紧垫圈槽销轴 [俄标]
GOST 9650 (Type 3) - 1980
带锁紧垫圈槽销轴
Axle with a Locking Washer Groove
25 带安全环槽销轴 [俄标]
GOST 9650 (Type 4) - 1980
带安全环槽销轴
Axle with a Safety Ring Groove
26 销轴 [俄标]
GOST 9650 (Type 5) - 1980
销轴
Clevis Pin with Head
27 带锁紧垫圈销轴 [俄标]
GOST 9650 (Type 7) - 1980
带锁紧垫圈销轴
Axle with a Locking Washer
28 带安全环槽销轴 [俄标]
GOST 9650 (Type 8) - 1980
带安全环槽销轴
Axle with a Safety Ring Groove
29 销轴 [美标]
SAE J 493 - 1961
销轴
Clevis Pin
30 无头销轴 A型 [德标]
DIN EN 22340 (A) - 1992
无头销轴 A型
Clevis Pins without Head - Form A
31 无头销轴  B型(带孔销 ) [德标]
DIN EN 22340 (B) - 1992
无头销轴 B型(带孔销 )
Clevis Pins Without Head - Form B
32 带头销轴 [德标]
DIN EN 22341 - 1992
带头销轴
Clevis Pins with Head
33 无头销轴 [印标]
IS 6862 - 2005
无头销轴
Clevis Pins Without Head
34 销轴 [印标]
IS 6863 - 2005
销轴
Clevis Pins with Head
35 销轴 [美标]
ASME B 18.8.1 - 2014
销轴
Clevis Pins with Head
36 米制销轴 A型 [美标]
ASME B 18.8.200M (B18.8.8M-Type A) - 2000
米制销轴 A型
Metric Clevis Pin with Head - Type A
37 米制销轴 B型 [美标]
ASME B 18.8.200M (B18.8.8M-Type B) - 2000
米制销轴 B型
Metric Clevis Pin with Head - Type B
38 米制销轴 A型 [美标]
ASME B 18.8.8M (A) - 1994
米制销轴 A型
Metric Clevis Pin with Head - Type A
标准编号: DIN 11023 - 1979
中文名称: 安全锁止销
英文名称: Linch Pins
数据来源: 易紧通 (164580.com)
Standard Code: DIN 11023 - 1979Chinese Name: 安全锁止销English Name: Linch PinsSource: https://www.164580.com/info_383078.html
Data Source: YJT Fastener Database (164580.com)
Standard: DIN 11023 - 1979
URL: https://www.164580.com/info_383078.html
License: Commercial use requires authorization
© 易紧通 服务热线:4006-164580(免长途费)