index
logo

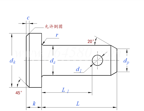
销轴 ASME B 18.8.1 - 2014

选择规格尺寸 点击↓

3/16

1/4

5/16

3/8

7/16

1/2

9/16

5/8

3/4

7/8

1

1-1/8

1-1/4

1-3/8

1-1/2

1-5/8

1-3/4

1-7/8

2


尺寸单位: inch
美标ASME B18.8.1 - 2014 ASME18.8.1 18.8.1A 销轴
ASME B 18.8.1 - 2014 销轴
扫一扫分享
公称直径
3/16 1/4 5/16 3/8 7/16 1/2 9/16 5/8 3/4 7/8
ds 最大值
最小值
dk 最大值
最小值
k 最大值
最小值
c 偏差值 (±0.01)
dp 最大值
最小值
L1 偏差值 (+3/64,0)
d1
0.186 0.248 0.311 0.373 0.436 0.496 0.558 0.621 0.746 0.871
0.181 0.243 0.306 0.368 0.431 0.491 0.553 0.616 0.741 0.866
0.32 0.38 0.44 0.51 0.57 0.63 0.82 0.82 0.94 1.04
0.3 0.36 0.42 0.49 0.55 0.61 0.8 0.8 0.92 1.02
0.07 0.1 0.1 0.13 0.16 0.16 0.21 0.21 0.26 0.32
0.05 0.08 0.08 0.11 0.14 0.14 0.19 0.19 0.24 0.3
0.02 0.03 0.03 0.03 0.04 0.04 0.06 0.06 0.07 0.09
0.15 0.21 0.26 0.33 0.39 0.44 0.5 0.56 0.68 0.8
0.14 0.2 0.25 0.32 0.38 0.43 0.49 0.55 0.67 0.79
L - 9/64 L - 9/64 L - 7/32 L - 7/32 L - 7/32 L - 7/32 L - 7/32 L - 7/32 L - 7/32 L - 5/16
3/32 3/32 5/32 5/32 5/32 5/32 5/32 5/32 5/32 7/32
公称直径
1 1-1/8 1-1/4 1-3/8 1-1/2 1-5/8 1-3/4 1-7/8 2
ds 最大值
最小值
dk 最大值
最小值
k 最大值
最小值
c 偏差值 (±0.01)
dp 最大值
最小值
L1 偏差值 (+3/64,0)
d1
0.996 1.13 1.25 1.375 1.5 1.625 1.75 1.875 2
0.991 1.15 1.26 1.355 1.48 1.605 1.73 1.855 1.98
1.19 1.33 1.5 1.77 2.02 2.2 2.14 2.27 2.4
1.17 1.36 1.47 1.73 1.98 2.16 2.1 2.23 2.36
0.35 0.42 0.42 0.53 0.59 0.59 0.59 0.59 0.59
0.33 0.33 0.33 0.44 0.5 0.5 0.5 0.5 0.5
0.1 0.12 0.12 0.15 0.18 0.18 0.18 0.18 0.18
0.93 1.01 1.12 1.23 1.35 1.46 1.57 1.68 1.8
0.92 1 1.11 1.22 1.34 1.45 1.56 1.67 1.79
L - 5/16 L - 5/8 L - 5/8 L - 5/8 L - 5/8 L - 5/8 L - 5/8 L - 5/8 L - 5/8
7/32 1/4 1/4 1/4 1/4 1/4 1/4 1/4 1/4
①,除非买方另有规定,销轴应采用中低碳钢制造。
替代列表
注:技术数据仅供参考,请以官方原件为准!
类似标准及供货信息
1 无头销轴  B型(带孔销 ) [国标]
GB /T 880 (B) - 2008
无头销轴 B型(带孔销 )
Clevis Pins Without Head(Pins with Split Pin Hole)
供应商(1)
2 销轴 A型和B型 [国标]
GB /T 882 - 2008
销轴 A型和B型
Clevis Pin with Head - Type A and B
供应商(7)
3 无头销轴  (带孔销 ) [国标]
GB /T 880 - 1986
无头销轴 (带孔销 )
Clevis Pins Without Head (Pins with split pin hole )
供应商(1)
4 销轴 [国标]
GB /T 882 - 1986
销轴
Clevis Pins with Head
供应商(7)
5 液压传动 16MPa(160bar)中型和25MPa(250 bar)单杆缸附件 - 销轴 轴套或关节轴承用 带卡键或卡环 [国标]
GB /T 39949.1 (AA4-R/AA6-R) - 2021
液压传动 16MPa(160bar)中型和25MPa(250 bar)单杆缸附件 - 销轴 轴套或关节轴承用 带卡键或卡环
Hydraulic Fluid Power - Accessories for Single Rod Cylinders, 16 Mpa (160 bar) Medium and 25 Mpa (250 bar) Series: AA4-R - Pivot Pin, Plain Bearing or AA6-R - Pivot Pin, Spherical Bearing
6 铁路车辆用带头销钉 [德标]
DIN 5526 - 1999
铁路车辆用带头销钉
Pins with Head for Rail Vehicles
7 安全锁止销 [德标]
DIN 11023 - 1979
安全锁止销
Linch Pins
8 小头销轴 [德标]
DIN 1434 - 1977
小头销轴
Clevis Pins with Small Head; Finish M
9 销轴 A型和B型 [德标]
DIN 1435 - 1977
销轴 A型和B型
Clevis Pins with Small Head; Finish mg
10 带头销轴 [德标]
DIN 1444 - 1974
带头销轴
Clevis Pins with Head
11 液压传动 16MPa(160bar)中型和25MPa(250 bar)单杆缸附件 - 销轴 轴套或关节轴承用 带卡键或卡环 [国际]
ISO 8132 (AA4-R/AA6-R) - 2022
液压传动 16MPa(160bar)中型和25MPa(250 bar)单杆缸附件 - 销轴 轴套或关节轴承用 带卡键或卡环
Hydraulic Fluid Power - Accessories for Single Rod Cylinders, 16 Mpa (160 bar) Medium and 25 Mpa (250 bar) Series: AA4-R - Pivot Pin, Plain Bearing or AA6-R - Pivot Pin, Spherical Bearing
12 无头销轴  B型(带孔销 ) [国际]
ISO 2340 (B) - 1986
无头销轴 B型(带孔销 )
Clevis Pins Without Head - Type B
13 无头销轴 A型 [国际]
ISO 2340 (A) - 1986
无头销轴 A型
Clevis Pins Without Head - Type A
14 销轴 A型和B型 [国际]
ISO 2341 - 1986
销轴 A型和B型
Clevis Pins with Head - Type A and B
15 销轴 [日标]
JIS B 2801 - 1996
销轴
Shackle Pin, Forms BA and SA, and of Round Plug
16 销轴 [汽标代号]
Q 510
销轴
Clevis Pins with Head
供应商(1)
17 销轴 [美标]
ASME/ANSI B 18.8.1 - 2000
销轴
Clevis Pins with Head
18 无头销轴  B型(带孔销 ) [欧标]
EN 22340 (B) - 1992
无头销轴 B型(带孔销 )
Clevis Pins without Head - Form B
19 无头销轴 A型 [欧标]
EN 22340 (A) - 1992
无头销轴 A型
Clevis Pins without Head - Form A
20 销轴 [欧标]
EN 22341 - 1992
销轴
Clevis Pins with Head
21 带孔销 [法国]
NF E 25-753 - 1992 (R2002)
带孔销
Clevis Pins Without Head
22 销轴 [法国]
NF E 25-754 - 1992 (R2002)
销轴
Clevis Pins with Head
23 光圆销 [铁道部]
TB /T 54 - 1993
光圆销

24 毛圆销 [铁道部]
TB /T 56 - 1993
毛圆销

25 带锁紧垫圈槽销轴 [俄标]
GOST 9650 (Type 3) - 1980
带锁紧垫圈槽销轴
Axle with a Locking Washer Groove
26 带安全环槽销轴 [俄标]
GOST 9650 (Type 4) - 1980
带安全环槽销轴
Axle with a Safety Ring Groove
27 销轴 [俄标]
GOST 9650 (Type 5) - 1980
销轴
Clevis Pin with Head
28 带锁紧垫圈销轴 [俄标]
GOST 9650 (Type 7) - 1980
带锁紧垫圈销轴
Axle with a Locking Washer
29 带安全环槽销轴 [俄标]
GOST 9650 (Type 8) - 1980
带安全环槽销轴
Axle with a Safety Ring Groove
30 销轴 [美标]
SAE J 493 - 1961
销轴
Clevis Pin
31 无头销轴 A型 [德标]
DIN EN 22340 (A) - 1992
无头销轴 A型
Clevis Pins without Head - Form A
32 无头销轴  B型(带孔销 ) [德标]
DIN EN 22340 (B) - 1992
无头销轴 B型(带孔销 )
Clevis Pins Without Head - Form B
33 带头销轴 [德标]
DIN EN 22341 - 1992
带头销轴
Clevis Pins with Head
34 无头销轴 [印标]
IS 6862 - 2005
无头销轴
Clevis Pins Without Head
35 销轴 [印标]
IS 6863 - 2005
销轴
Clevis Pins with Head
36 米制销轴 A型 [美标]
ASME B 18.8.200M (B18.8.8M-Type A) - 2000
米制销轴 A型
Metric Clevis Pin with Head - Type A
37 米制销轴 B型 [美标]
ASME B 18.8.200M (B18.8.8M-Type B) - 2000
米制销轴 B型
Metric Clevis Pin with Head - Type B
38 米制销轴 A型 [美标]
ASME B 18.8.8M (A) - 1994
米制销轴 A型
Metric Clevis Pin with Head - Type A
标准编号: ASME B 18.8.1 - 2014
中文名称: 销轴
英文名称: Clevis Pins with Head
数据来源: 易紧通 (164580.com)
Standard Code: ASME B 18.8.1 - 2014Chinese Name: 销轴English Name: Clevis Pins with HeadSource: https://www.164580.com/info_341122.html
Data Source: YJT Fastener Database (164580.com)
Standard: ASME B 18.8.1 - 2014
URL: https://www.164580.com/info_341122.html
License: Commercial use requires authorization
© 易紧通 服务热线:4006-164580(免长途费)