index
logo

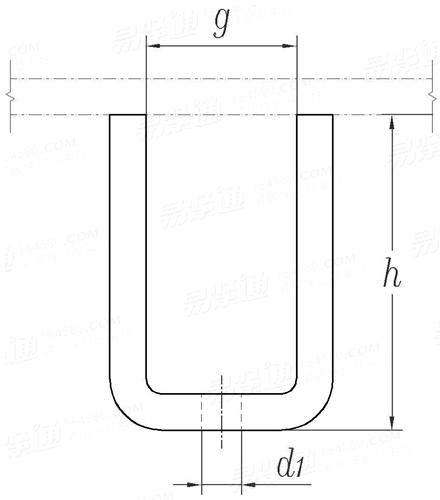
焊接U型吊板 GB /T 17116.3 - 2018

选择规格尺寸 点击↓

10

12

16

20

24

30

36

42

48

56

64

68

72

80

90

100

110

125


尺寸单位: mm
国标GB /T17116.3 - 2018 GB17116.3 17116.3G 焊接U型吊板
GB /T 17116.3 - 2018 焊接U型吊板
扫一扫分享
公称直径
10 12 16 20 24 30 36 42 48
d1
g
h
11 13.5 17.5 22 26 33 39 45 52
20 25 32 40 50 63 71 90 100
48 60 75 95 120 150 168 211 240
公称直径
56 64 68 72 80 90 100 110 125
d1
g
h
62 70 74 78 86 96 107 117 132
112 125 140 140 160 180 200 224 250
270 300 336 336 375 420 475 535 600
注:技术数据仅供参考,请以官方原件为准!
类似标准及供货信息
1 等径双孔连接板 [国标]
GB /T 17116.3 - 2018
等径双孔连接板

2 异径双孔连接板 [国标]
GB /T 17116.3 - 2018
异径双孔连接板

3 三孔连接板 [国标]
GB /T 17116.3 - 2018
三孔连接板

4 钢梁连接角钢 [国标]
GB /T 17116.3 - 2018
钢梁连接角钢

5 槽钢加强板 [国标]
GB /T 17116.3 - 2018
槽钢加强板

6 工字钢加强板 [国标]
GB /T 17116.3 - 2018
工字钢加强板

7 H型钢加强板 [国标]
GB /T 17116.3 - 2018
H型钢加强板

8 焊接单眼吊板 [国标]
GB /T 17116.3 - 2018
焊接单眼吊板

9 栓接单眼吊板 [国标]
GB /T 17116.3 - 2018
栓接单眼吊板

10 栓接U型吊板 [国标]
GB /T 17116.3 - 2018
栓接U型吊板

11 焊片 A1, B1 [德标]
DIN 41496 - 1987
焊片 A1, B1

12 焊片 A2, B2 [德标]
DIN 41496 - 1987
焊片 A2, B2

13 焊片 A3, B3 [德标]
DIN 41496 - 1987
焊片 A3, B3

14 焊片 J2 [德标]
DIN 41496 - 1987
焊片 J2

15 焊片 K2 [德标]
DIN 41496 - 1987
焊片 K2

16 焊片 L2 [德标]
DIN 41496 - 1987
焊片 L2

17 单孔吊板 [化工]
HG /T 21629 (A11) - 2021
单孔吊板

18 直管用吊板 [化工]
HG /T 21629 (A12) - 2021
直管用吊板

19 90°弯头用吊板 [化工]
HG /T 21629 (A13) - 2021
90°弯头用吊板

20 单孔吊板 [化工]
HG /T 21629 (A17) - 2021
单孔吊板

21 横担 [化工]
HG /T 21629 (A18) - 2021
横担

22 挤压型材合页片 [航空]
HB 2- 25 - 2002
挤压型材合页片

供应商(1)
23 挤压型材合页用通条 A型 [航空]
HB 2- 31 (A) - 2002
挤压型材合页用通条 A型
Rod for Eextruding Shapes Hinge - Type A
供应商(1)
24 挤压型材合页用通条 B型 [航空]
HB 2- 31 (B) - 2002
挤压型材合页用通条 B型
Rod for Eextruding Shapes Hinge - Type B
25 挤压型材合页用通条 C型 [航空]
HB 2- 31 (C) - 2002
挤压型材合页用通条 C型
Rod for Eextruding Shapes Hinge - Type C
标准编号: GB /T 17116.3 - 2018
中文名称: 焊接U型吊板
英文名称:
数据来源: 易紧通 (164580.com)
Standard Code: GB /T 17116.3 - 2018Chinese Name: 焊接U型吊板English Name: Source: https://www.164580.com/info_392394.html
Data Source: YJT Fastener Database (164580.com)
Standard: GB /T 17116.3 - 2018
URL: https://www.164580.com/info_392394.html
License: Commercial use requires authorization
© 易紧通 服务热线:4006-164580(免长途费)