index
logo

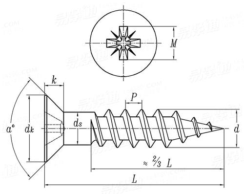
米字槽沉头木螺钉 Table 20 BS 1210 - 1963

选择规格尺寸 点击↓

3#

4#

5#

6#

7#

8#

9#

10#

12#

14#

16#


尺寸单位: inch
英标BS 1210 - 1963 BS1210 1210BS 米字槽沉头木螺钉  Table 20
BS  1210 - 1963 米字槽沉头木螺钉  Table 20
扫一扫分享
螺纹规格
d
3# 4# 5# 6# 7# 8# 9# 10# 12# 14# 16#
ds 公称
最大值
最小值
PP
dk 最大值
最小值
k 最大值
M 公称
槽号
0.094 0.108 0.122 0.136 0.150 0.164 0.178 0.192 0.220 0.248 0.276
0.097 0.113 0.127 0.141 0.155 0.169 0.183 0.197 0.225 0.253 0.281
0.090 0.104 0.117 0.131 0.145 0.159 0.173 0.186 0.212 0.238 0.266
24 22 20 18 16 14 12 12 10 9 8
0.188 0.216 0.244 0.272 0.300 0.328 0.356 0.384 0.440 0.496 0.552
0.179 0.205 0.232 0.258 0.285 0.312 0.338 0.365 0.418 0.472 0.524
0.055 0.064 0.073 0.082 0.091 0.100 0.109 0.117 0.135 0.153 0.170
0.099 0.109 0.138 0.166 0.166 0.181 0.181 0.196 0.250 0.260 0.295
1 1 2 2 2 2 2 2 3 3 3
①,a°= 87° ~ 90°
注:技术数据仅供参考,请以官方原件为准!
类似标准及供货信息
1 十字槽沉头木螺钉 [国标]
GB 951 - 1986
十字槽沉头木螺钉
Cross Recessed Countersunk Head Wood Screws
2 十字槽沉头木螺钉 [德标]
DIN 7997 - 2016
十字槽沉头木螺钉
Cross Recessed Countersunk Head Wood Screws
供应商(1)
3 十字槽沉头木螺钉 [德标]
DIN 7997 - 2010
十字槽沉头木螺钉
Cross Recessed Countersunk Head Wood Screws
供应商(1)
4 十字槽沉头木螺钉 [德标]
DIN 7997 - 2008
十字槽沉头木螺钉
Cross Recessed Countersunk Head Wood Screws
供应商(1)
5 十字槽沉头木牙螺钉 [德标]
DIN 7997 - 1984
十字槽沉头木牙螺钉
Cross Recessed Countersunk Head Wood Screws
供应商(1)
6 十字槽沉头木螺钉 [表2] [日标]
JIS B 1112 (T2) - 1995
十字槽沉头木螺钉 [表2]
Cross Recessed Countersunk Head Wood Screws [Table 2]
7 十字槽沉头木螺钉 [汽标代号]
Q 296
十字槽沉头木螺钉
Cross Recessed Flat Countersunk Head Wood Screws
8 TYPE I 十字槽沉头木螺钉 [Table 3] [美标]
ASME/ANSI B 18.6.1 (T3) - 1997
TYPE I 十字槽沉头木螺钉 [Table 3]
TYPE I Cross Recessed Countersunk Head Wood Screws [Table 3]
9 TYPE IA 米字槽沉头木螺钉 [Table 4] [美标]
ASME/ANSI B 18.6.1 (T4) - 1997
TYPE IA 米字槽沉头木螺钉 [Table 4]
TYPE IA Cross Recessed Countersunk Head Wood Screws [Table 4]
10 TYPE II 十字槽沉头木螺钉 [Table 5] [美标]
ASME/ANSI B 18.6.1 (T5) - 1997
TYPE II 十字槽沉头木螺钉 [Table 5]
TYPE II Cross Recessed Countersunk Head Wood Screws [Table 5]
11 I型十字槽沉头木螺钉 [Table 3] [美标]
ASME/ANSI B 18.6.1 (T3) - 1981 (R2016)
I型十字槽沉头木螺钉 [Table 3]
Type I Cross Recessed Flat Countersunk Head Wood Screws [Table 3]
12 IA型米字槽沉头木螺钉 [Table 4] [美标]
ASME/ANSI B 18.6.1 (T4) - 1981 (R2016)
IA型米字槽沉头木螺钉 [Table 4]
Type IA Cross Recessed Flat Countersunk Head Wood Screws [Table 4]
13 II型十字槽沉头木螺钉 [Table 5] [美标]
ASME/ANSI B 18.6.1 (T5) - 1981 (R2016)
II型十字槽沉头木螺钉 [Table 5]
Type II Cross Recessed Flat Countersunk Head Wood Screws [Table 5]
14 米字槽沉头木螺钉 [法国]
NF E 25-601 - 1984
米字槽沉头木螺钉
Cross Recessed Countersunk Head Wood Screws - Symbol F Z
15 十字槽沉头木螺钉 [台湾]
CNS 4563 - 1981
十字槽沉头木螺钉
Cross Recessed Countersunk Head Wood Screws
标准编号: BS 1210 - 1963
中文名称: 米字槽沉头木螺钉 Table 20
英文名称: Recessed Countersunk Head Wood Screws
数据来源: 易紧通 (164580.com)
Standard Code: BS 1210 - 1963Chinese Name: 米字槽沉头木螺钉 Table 20English Name: Recessed Countersunk Head Wood ScrewsSource: https://www.164580.com/info_36924.html
Data Source: YJT Fastener Database (164580.com)
Standard: BS 1210 - 1963
URL: https://www.164580.com/info_36924.html
License: Commercial use requires authorization
© 易紧通 服务热线:4006-164580(免长途费)