index
logo

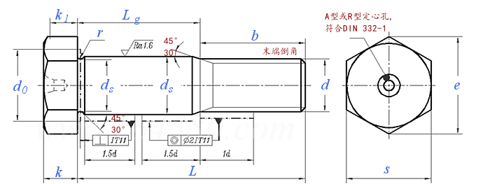
六角头铰制孔用长螺纹螺栓 DIN 609 - 1995

查看供应商

选择规格尺寸 点击↓

M8

M10

M12

(M14)

M16

(M18)

M20

(M22)

M24

(M27)

M30

(M33)

M36

(M39)

M42

(M45)

M48

(M52)

括号内尺寸为非优选
DIN  609 - 1995 六角头铰制孔用长螺纹螺栓

尺寸单位: mm
德标DIN 609 - 1995 DIN609 609DIN 六角头铰制孔用长螺纹螺栓
DIN  609 - 1995 六角头铰制孔用长螺纹螺栓
扫一扫分享
千件重及价格计算 千件重 : kg x 元/kg = 元/千件
默认密度 g/cm3
公称长度L 注:选择后获得 相应重量
螺纹规格
d
M8 M10 M12 (M14) M16 (M18) M20 (M22) M24
P 螺距 粗牙
细牙1
细牙2
b L≤50
50<L≤150
L>150
ds 公称
最小值
最大值
d0 最小值
最大值
e 最小值
k 公称
最小值
最大值
k1 最小值
r 最小值
最大值
s 最大值=公称
最小值
1.25 1.5 1.75 2 2 2.5 2.5 2.5 3
1 1.25 1.25 1.5 1.5 1.5 1.5 1.5 2
- 1 1.5 - - 2 2 2 1.5
14.5 17.5 20.5 22 25 27.5 28.5 32.5 -
16.5 19.5 22.5 24 27 29.5 30.5 34.5 36.5
21.5 24.5 27.5 29 32 34.5 35.5 39.5 41.5
9 11 13 15 17 19 21 23 25
9.001 11.001 13.001 15.001 17.001 19.002 21.002 23.002 25.002
9.01 11.012 13.012 15.012 17.012 19.015 21.015 23.015 25.015
7.9 9.9 11.5 13.5 15.5 17.5 19.1 21.1 23.1
8.2 10.2 11.8 13.8 15.8 17.8 19.4 21.4 23.4
14.38 17.77 19.85 22.78 26.17 29.56 32.95 37.29 39.55
5.3 6.4 7.5 8.8 10 11.5 12.5 14 15
5.15 6.22 7.21 8.51 9.71 11.15 12.15 13.65 14.65
5.45 6.58 7.79 9.09 10.29 11.85 12.85 14.35 15.35
3.61 4.35 5.05 5.96 6.8 7.81 8.51 9.65 10.26
0.4 0.4 0.6 0.6 0.6 0.6 0.8 0.8 0.8
0.55 0.55 0.75 0.75 0.75 0.75 0.95 0.95 0.95
13 16 18 21 24 27 30 34 36
12.73 15.73 17.57 20.16 23.16 26.16 29.16 33 35
Lg (max)
- - - - - - - - -
千件钢制重≈kg
- - - - - - - - -
螺纹规格
d
(M27) M30 (M33) M36 (M39) M42 (M45) M48 (M52)
P 螺距 粗牙
细牙1
细牙2
b L≤50
50<L≤150
L>150
ds 公称
最小值
最大值
d0 最小值
最大值
e 最小值
k 公称
最小值
最大值
k1 最小值
r 最小值
最大值
s 最大值=公称
最小值
3 3.5 3.5 4 4 4 4 4 4
2 2 2 3 3 3 3 3 3
- - - - - - - - -
- - - - - - - - -
39.5 43 45 49 51 56 59 63 65
44.5 48 50 54 56 61 64 68 70
28 32 34 38 40 44 46 50 55
28.002 32.002 34.002 38.002 40.002 44.002 46.002 50.002 55.002
28.015 32.018 34.018 38.018 40.018 44.018 46.018 50.018 55.021
25.7 29.7 31.7 35.7 37.7 41.7 43.7 47.7 52.7
26 30 32 36 38 42 44 48 53
45.2 50.85 55.37 60.79 66.44 71.3 76.95 82.6 88.25
17 19 21 22 25 26 28 30 33
16.65 18.58 20.58 21.58 24.58 25.58 27.58 29.58 32.5
17.35 19.42 21.42 22.42 25.42 26.42 28.42 30.42 33.5
11.66 13.01 14.41 15.11 17.21 17.91 19.31 20.71 22.75
1 1 1 1 1 1 1 1 1
1.15 1.15 1.15 1.15 1.15 1.15 1.15 1.15 1.15
41 46 50 55 60 65 70 75 80
40 45 49 53.8 58.8 63.1 68.1 73.1 78.1
Lg (max)
- - - - - - - - -
千件钢制重≈kg
- - - - - - - - -
①,可根据DIN 332-1 设置A型或R型对中孔 (对中孔适用于需要再增加[大直径光杆]螺钉的产品, 对于不需要增加螺钉的产品, 对中孔由生产商自行决定)
替代列表

技术条件和引用标准

材料
不锈钢 有色金属
通用要求
螺纹 公差
标准
机械性能 等级
标准
公差 产品等级
标准
表面处理
表面粗糙度
表面缺陷
验收及包装
DIN ISO 8992
6g
DIN 13-15
d ≤ 39mm:8.8
d >39mm:按协议
d ≤ 20mm:A2-70
20mm <d ≤ 39mm:A2-50
d >39mm:按协议
例如:CU2,CU3
DIN EN 20898-1 DIN ISO 3506 DIN EN 28839
d ≤ 10mm:A
d ≥ 12mm:B
DIN ISO 4759-1
blackened (thermally or chemically)
Passport blank
电镀 DIN ISO 4042
热浸镀锌 DIN 267-10
blank blank
DIN 267-2
DIN EN 26157-3
DIN ISO 3269
注:技术数据仅供参考,请以官方原件为准!
告诉我在“易紧通”看到,将给您优惠
联系人:徐海 点击这里给我发消息513543434   移动电话: 18621311857     电话:021-59766477
材质:301、302、303、304、304L、316、316L、316Ti、317L、310S、321、347、1.4529、1.4539、1.4462、1.4547、1.4980、904L、2205、2507、2520、S32750、S32760、1Cr13、1Cr17、2Cr13、3Cr13、14Cr17Ni2、410、416、420、430、431、440、630、631、17-4PH、MP350N、600、601、625、660、718、750、800、825、925、926、C22、C276、A286、GH2132、GH4033、GH4080、GH4169、GH4145、9C18Mo、4Cr10Si2Mo、35CrMoA、42CrMoA、40CrNiMoA、25Cr2Mo1VA、SCM435、SCM440、4130、4140、4145、A36、A307、A320、A325、A490、A574、F1554,不锈钢、合金钢、钛合金、镍基合金、高温合金、耐蚀合金、镍钴合金、特种合金等;等级:A1-50、A2-50、A2-70、A2-80、A3-70、A4-70、A4-80、A4-90、A4-100、A5-80、B8、B8M、B8C、B8T、B6、B7、B7M、B16、C1-50、C1-70、C1-110、C3-80、C3-120、C4-70、D2-80、D2-100、D4-80、D4-100、D6-80、D6-100、D8-80、D8-100、P1-90、P1-120、F51、F53、F55、F60、10.9、12.9、14.9、15.9、16.9等;规格范围:M3-M120,1/4"-4";表面处理:钝化、发黑、磷化、电泳、镀锌、镀镍、镀铬、镀镉、镀金、镀银、镀锡、镀铜、渗锌、海洋锌、渗铝、喷涂铝、达克罗、久美特、特氟龙、锌镍合金、镍钴合金、热镀锌、复合陶瓷、二硫化钼、二硫化钨、纳米涂层等,均可定制。
类似标准及供货信息
1 六角头铰制孔用长螺纹螺栓 [德标]
DIN 609 - 2016
六角头铰制孔用长螺纹螺栓
Hexagon Fits Bolts with Long Thread
供应商(1)
2 六角头绞制孔用短螺纹螺栓 [德标]
DIN 610 - 1993
六角头绞制孔用短螺纹螺栓
Hexagon Fit Bolts with Short Threaded Point
供应商(2)
3 六角头铰制孔用长螺纹螺栓 [德标]
DIN 609 - 1984
六角头铰制孔用长螺纹螺栓
Hexagon Fit Bolts with Long Threaded Dog Point
供应商(1)
4 钢结构用六角头加强杆螺栓 带螺母 [德标]
DIN 7968 - 2017
钢结构用六角头加强杆螺栓 带螺母
Hexalgon Fit Bolts with Hexagon Nut for Steel Structures
5 钢结构用不带螺母或带六角螺母六角头加强杆螺栓 [德标]
DIN 7968 - 1989
钢结构用不带螺母或带六角螺母六角头加强杆螺栓
Hexalgon Fit Bolts for Structural Steel Bolting for Supply with or Without Nut
6 钢结构栓连接用 高强度大六角头加强杆螺栓 [德标]
DIN 7999 - 1983
钢结构栓连接用 高强度大六角头加强杆螺栓
High Strength Hexagon Fit Bolts with Large Width Across Flats for Structural Steel Bolting
7 预负载用高强度结构螺栓连接副,第8部分:HV系统 - 六角头加强杆螺栓 [欧标]
EN 14399-8 (Fit bolt) - 2018
预负载用高强度结构螺栓连接副,第8部分:HV系统 - 六角头加强杆螺栓
High-Strength Structural Bolting Assemblies for Preloading - Part 8: System HV - Hexagon Fit Bolt
供应商(1)
8 预负载用高强度结构螺栓连接副,第8部分:HV系统 - 六角头加强杆螺栓 [欧标]
EN 14399-8 (Fit bolt) - 2007
预负载用高强度结构螺栓连接副,第8部分:HV系统 - 六角头加强杆螺栓
High-strength Structural Bolting Assemblies for Preloading - Part 8: System HV - Hexagon Fit Bolt
供应商(1)
9 高强度钢结构用六角加强杆螺栓 [法国]
NF E 25-801-8 - 2008
高强度钢结构用六角加强杆螺栓
High-Strength Structural Bolting Assemblies for Preloading-Part 8: System HV-Hexagon Fit Bolt and Nut Assemblies
10 六角头加强杆螺栓 [台湾]
CNS 3125 - 1980
六角头加强杆螺栓
Hexagon Head Stiffener Bolts
11 预负载用高强度结构螺栓连接副,第8部分:HV系统 - 六角头加强杆螺栓 [德标]
DIN EN 14399-8 (Fit bolt) - 2019
预负载用高强度结构螺栓连接副,第8部分:HV系统 - 六角头加强杆螺栓
High-Strength Structural Bolting Assemblies for Preloading - Part 8: System HV - Hexagon Fit Bolt
12 预负载用高强度结构螺栓连接组件,第8部分:HV系统 - 六角头加强杆螺栓 [德标]
DIN EN 14399-8 (fit bolt) - 2008
预负载用高强度结构螺栓连接组件,第8部分:HV系统 - 六角头加强杆螺栓
High-strength Structural Bolting Assemblies for Preloading - Part 8: System HV — Hexagon Fit Bolt
© 易紧通 服务热线:4006-164580(免长途费)