index
logo

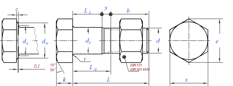
钢结构用不带螺母或带六角螺母六角头加强杆螺栓 DIN 7968 - 1989

选择规格尺寸 点击↓

M12

M12

M16

M20

M22

M22

M24

M27

M30

同规格,其他部分尺寸不同

尺寸单位: mm
德标DIN 7968 - 1989 DIN7968 7968DIN 钢结构用不带螺母或带六角螺母六角头加强杆螺栓
DIN  7968 - 1989 钢结构用不带螺母或带六角螺母六角头加强杆螺栓
扫一扫分享
千件重及价格计算 千件重 : kg x 元/kg = 元/千件
默认密度 g/cm3
公称长度L 注:选择后获得 相应重量
螺纹尺寸
d
M12 M12 M16 M20 M22 M22 M24 M27 M30
P 螺距
b
ds 最大值
最小值
k 公称
最小值
最大值
s 最大值=公称
最小值
千件重kg 螺母
1.75 1.75 2 2.5 2.5 2.5 3 3 3.5
17.12 17.12 20.5 23.75 25.75 25.75 26.5 29.5 31.25
13 13 17 21 23 23 25 28 31
12.89 12.89 16.89 20.87 22.87 22.87 24.87 27.87 30.84
8 8 10 13 14 14 15 17 19
7.55 7.55 9.25 12.1 13.1 13.1 14.1 16.1 17.95
8.45 8.45 10.75 13.9 14.9 14.9 15.9 17.9 20.05
18 19 24 30 34 32 36 41 46
17.57 18.48 23.16 29.16 33 31 35 40 45
15.9 15.9 30.8 60.3 80.2 80.2 103 154 216
千件钢制重≈kg 螺钉
- - - - - - - - -
①,垫圈按DIN 7989要求
替代列表
注:技术数据仅供参考,请以官方原件为准!
类似标准及供货信息
1 六角头铰制孔用长螺纹螺栓 [德标]
DIN 609 - 2016
六角头铰制孔用长螺纹螺栓
Hexagon Fits Bolts with Long Thread
供应商(2)
2 六角头铰制孔用长螺纹螺栓 [德标]
DIN 609 - 1995
六角头铰制孔用长螺纹螺栓
Hexagon Fit Bolts
供应商(2)
3 六角头绞制孔用短螺纹螺栓 [德标]
DIN 610 - 1993
六角头绞制孔用短螺纹螺栓
Hexagon Fit Bolts with Short Threaded Point
供应商(2)
4 六角头铰制孔用长螺纹螺栓 [德标]
DIN 609 - 1984
六角头铰制孔用长螺纹螺栓
Hexagon Fit Bolts with Long Threaded Dog Point
供应商(2)
5 钢结构用六角头加强杆螺栓 带螺母 [德标]
DIN 7968 - 2017
钢结构用六角头加强杆螺栓 带螺母
Hexalgon Fit Bolts with Hexagon Nut for Steel Structures
6 钢结构栓连接用 高强度大六角头加强杆螺栓 [德标]
DIN 7999 - 1983
钢结构栓连接用 高强度大六角头加强杆螺栓
High Strength Hexagon Fit Bolts with Large Width Across Flats for Structural Steel Bolting
7 预负载用高强度结构螺栓连接副,第8部分:HV系统 - 六角头加强杆螺栓 [欧标]
EN 14399-8 (Fit bolt) - 2018
预负载用高强度结构螺栓连接副,第8部分:HV系统 - 六角头加强杆螺栓
High-Strength Structural Bolting Assemblies for Preloading - Part 8: System HV - Hexagon Fit Bolt
供应商(1)
8 预负载用高强度结构螺栓连接副,第8部分:HV系统 - 六角头加强杆螺栓 [欧标]
EN 14399-8 (Fit bolt) - 2007
预负载用高强度结构螺栓连接副,第8部分:HV系统 - 六角头加强杆螺栓
High-strength Structural Bolting Assemblies for Preloading - Part 8: System HV - Hexagon Fit Bolt
供应商(1)
9 高强度钢结构用六角加强杆螺栓 [法国]
NF E 25-801-8 - 2008
高强度钢结构用六角加强杆螺栓
High-Strength Structural Bolting Assemblies for Preloading-Part 8: System HV-Hexagon Fit Bolt and Nut Assemblies
10 六角头加强杆螺栓 [台湾]
CNS 3125 - 1980
六角头加强杆螺栓
Hexagon Head Stiffener Bolts
11 预负载用高强度结构螺栓连接副,第8部分:HV系统 - 六角头加强杆螺栓 [德标]
DIN EN 14399-8 (Fit bolt) - 2019
预负载用高强度结构螺栓连接副,第8部分:HV系统 - 六角头加强杆螺栓
High-Strength Structural Bolting Assemblies for Preloading - Part 8: System HV - Hexagon Fit Bolt
12 预负载用高强度结构螺栓连接组件,第8部分:HV系统 - 六角头加强杆螺栓 [德标]
DIN EN 14399-8 (fit bolt) - 2008
预负载用高强度结构螺栓连接组件,第8部分:HV系统 - 六角头加强杆螺栓
High-strength Structural Bolting Assemblies for Preloading - Part 8: System HV — Hexagon Fit Bolt
标准编号: DIN 7968 - 1989
中文名称: 钢结构用不带螺母或带六角螺母六角头加强杆螺栓
英文名称: Hexalgon Fit Bolts for Structural Steel Bolting for Supply with or Without Nut
数据来源: 易紧通 (164580.com)
Standard Code: DIN 7968 - 1989Chinese Name: 钢结构用不带螺母或带六角螺母六角头加强杆螺栓English Name: Hexalgon Fit Bolts for Structural Steel Bolting for Supply with or Without NutSource: https://www.164580.com/info_9163.html
Data Source: YJT Fastener Database (164580.com)
Standard: DIN 7968 - 1989
URL: https://www.164580.com/info_9163.html
License: Commercial use requires authorization
© 易紧通 服务热线:4006-164580(免长途费)