index
logo

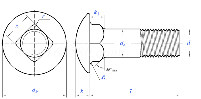
米制圆头方颈螺栓 AS /NZS 1390 - 1997 (R2016)

选择规格尺寸 点击↓

M5

M6

M8

M10

M12

M16

M20

M24

AS /NZS 1390 - 1997 (R2016) 米制圆头方颈螺栓

尺寸单位: mm
澳标AS /NZS1390 - 1997 (R2016) AS1390 1390 米制圆头方颈螺栓
AS /NZS 1390 - 1997 (R2016) 米制圆头方颈螺栓
扫一扫分享
螺纹规格
d
M5 M6 M8 M10 M12 M16 M20 M24
P 螺距
b 螺纹长度 L≤125
125<L≤200
L>200
ds 最大值
dk 最大值
最小值
k 最大值
最小值
k1 最大值
最小值
s 最大值
最小值
R 最大值
最小值
r
0.8 1 1.25 1.5 1.75 2 2.5 3
16 18 22 26 30 38 46 54
22 24 28 32 36 44 52 60
/ / 41 45 49 57 65 73
5.48 6.48 8.58 10.58 12.7 16.7 20.84 24.84
11.25 13.5 18 22.5 27 36 45 54
11.14 12.4 16.9 21.2 25.7 34.4 43.4 52.1
3.1 3.6 4.8 5.8 6.8 8.9 10.9 13.1
2.5 3 4 5 6 8 10 12
3.1 3.6 4.8 5.8 6.8 8.9 10.9 13.1
2.5 3 4 5 6 8 10 12
5.48 6.48 8.58 10.58 12.7 16.7 20.84 20.84
4.52 5.52 7.42 9.42 11.3 15.3 19.16 23.16
0.4 0.5 0.8 0.8 1.2 1.2 1.6 1.6
0.2 0.25 0.4 0.4 0.6 0.6 0.8 0.8
0.5 0.6 0.8 1 1.2 1.6 2 2.4
注:技术数据仅供参考,请以官方原件为准!
类似标准及供货信息
1 圆头方颈螺栓 [国标]
GB /T 12 - 2013
圆头方颈螺栓
Cup Head Square Neck Bolts
供应商(11)
2 半圆头方颈螺栓 [国标]
GB /T 12 - 1988
半圆头方颈螺栓
Cup Head Square Neck Bolts
供应商(11)
3 半圆头方颈螺栓 [国标]
GB 12 - 1976
半圆头方颈螺栓
Semi-round Head Square Neck Bolts
供应商(11)
4 A型 加强半圆头方颈螺栓 [国标]
GB /T 794 (A) - 2021
A型 加强半圆头方颈螺栓
Strenthened Cup Head Square Neck Bolts - Type A
5 B型 加强半圆头方颈螺栓 [国标]
GB /T 794 (B) - 2021
B型 加强半圆头方颈螺栓
Strenthened Cup Head Square Neck Bolts - Type B
6 加强半圆头方颈螺栓 [国标]
GB /T 794 - 1993
加强半圆头方颈螺栓
Strengthened Cap Head Square Neck Bolts
7 加强半圆头方颈螺栓 [国标]
GB /T 794 - 1988
加强半圆头方颈螺栓
Strengthened Cap Head Square Neck Bolts
8 带凹槽半圆头方颈螺栓 [表3] [日标]
JIS B 1171 (AT3) - 1996
带凹槽半圆头方颈螺栓 [表3]
Cup Head Square Neck Bolts(with indentation)[Table 3]
9 英制圆头方颈螺栓 [Table2]  (A307, SAE J429, F468, F593) [美标]
ASME/ANSI B 18.5 (T2) - 2012
英制圆头方颈螺栓 [Table2] (A307, SAE J429, F468, F593)
Round Head Square Neck Bolts, (Inch Series) [Table2] (A307, SAE J429, F468, F593)
供应商(5)
10 英制圆头方颈螺栓 [Table2] [美标]
ASME/ANSI B 18.5 (T2) - 2008
英制圆头方颈螺栓 [Table2]
Round Head Square Neck Bolts,(Inch Series)
供应商(5)
11 粗制半圆头方颈螺栓Table1 [英标]
BS 325 - 1947
粗制半圆头方颈螺栓Table1
Black Cup Aquare Neck Bolts
12 美制圆头方颈螺栓 [Table2] (A307, SAE J429, F468, F593) [美标]
ASME B 18.5 (T2) - 2012 (2017)
美制圆头方颈螺栓 [Table2] (A307, SAE J429, F468, F593)
Round Head Square Neck Bolts, (Inch Series) [Table2] (A307, SAE J429, F468, F593)
供应商(5)
13 刮板输送机紧固件 半圆头方颈螺栓 [煤炭行业标准]
MT 187.7 - 1988
刮板输送机紧固件 半圆头方颈螺栓

© 易紧通 服务热线:4006-164580(免长途费)