index
logo
pic

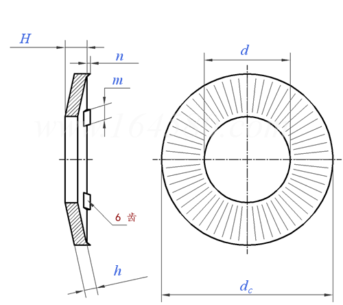
接地垫圈 DIN 6795

查看供应商

选择规格尺寸 点击↓

M3

M3.5

M4

M5

M6 -001

M6 -002

M8 -001

M8 -002

M10 -001

M10 -002

M12 -001

M12 -002

M16 -001

M16 -002

M20 -001

M20 -002

DIN  6795 接地垫圈

尺寸单位: mm
德标DIN 6795 DIN6795 6795DIN 接地垫圈
DIN  6795 接地垫圈
扫一扫分享
千件重及价格计算 千件重 : kg x 元/kg = 元/千件
默认密度 g/cm3
适用螺纹
M3 M3.5 M4 M5 M6
-001
M6
-002
M8
-001
M8
-002
d 最小值
最大值
dc 最小值
最大值
H 最小值
最大值
h 最小值
最大值
m 最小值
最大值
n 最小值
最大值
千件重(钢制)≈kg
3.1 3.6 4.1 5.1 6.1 6.1 8.2 8.2
3.4 3.9 4.4 5.4 6.4 6.4 8.5 8.5
5.8 6.8 7.8 9.8 11.8 11.8 15.8 15.8
6.2 7.2 8.2 10.2 12.2 12.2 16.2 16.2
0.8 0.95 1 1.25 1.5 1.5 1.95 2.15
0.95 1.1 1.15 1.5 1.8 1.8 2.4 2.4
0.57 0.67 0.77 0.97 1.16 1.16 1.36 1.36
0.63 0.73 0.83 1.03 1.24 1.24 1.44 1.44
0.7 0.9 1.1 1.9 2 2 2 2
0.9 1.1 1.3 2.1 2.2 2.2 2.2 2.2
0.2 0.2 0.2 0.3 0.3 0.9 0.3 0.9
0.4 0.4 0.4 0.7 0.7 1.3 0.7 1.3
0.083 0.138 0.209 0.426 0.76 0.76 1.55 1.55
适用螺纹
M10
-001
M10
-002
M12
-001
M12
-002
M16
-001
M16
-002
M20
-001
M20
-002
d 最小值
最大值
dc 最小值
最大值
H 最小值
最大值
h 最小值
最大值
m 最小值
最大值
n 最小值
最大值
千件重(钢制)≈kg
10.2 10.2 12.4 12.4 16.4 16.4 20.5 20.5
10.6 10.6 12.8 12.8 16.8 16.8 21 21
19.75 19.75 23.75 23.75 31.7 31.7 39.7 39.7
20.25 20.25 24.25 24.25 32.3 32.3 40.3 40.3
2.15 2.15 2.15 2.15 3.5 3.5 4.2 4.2
2.6 2.6 2.6 2.6 3.95 3.95 4.65 4.65
1.56 1.56 1.56 1.56 2.42 2.42 2.92 2.92
1.64 1.64 1.64 1.64 2.58 2.58 3.08 3.08
2 2 2 2 4.5 4.5 4.5 4.5
2.2 2.2 2.2 2.2 4.7 5.5 4.7 5.5
0.3 0.9 0.3 0.9 0.3 0.9 0.4 1
0.7 1.3 0.7 1.3 0.7 1.3 0.8 1.4
2.78 2.78 3.97 3.97 11.2 11.2 20.8 20.8
注:技术数据仅供参考,请以官方原件为准!
告诉我在“易紧通”看到,将给您优惠
联系人:林豪杰   移动电话: 13868557560     电话:13868557560
材质:碳钢、不锈钢、弹簧钢;规格尺寸、表面处理、非标定做按客户需求。
联系人:熊业军 点击这里给我发消息273256652   移动电话: 13928467909     电话:0622-8186999     微信号:shitelao
材料:国产优质S60C、SUS304、316(A2、A4)优质钢材;表面处理:本色加硬或磷化黑、除氢、镀锌、达克罗、电镀等;规格:φ3~φ20
联系人:黄志慧 点击这里给我发消息25257769   移动电话: 13806538177     电话:0577-65350012
材质:65Mn、SUS304、SUS316;规格:φ3-φ20
联系人:张程伟 点击这里给我发消息727831776   移动电话: 15988730707     电话:0577-86505566 86528759     微信号:727831776
材质:碳钢、弹簧钢、不锈钢;表面处理:本色、发黑、镀锌、达克罗等;规格齐全(可按客户要求定做)”;现货充足,欢迎来电咨询吧!
联系人:孙经理 点击这里给我发消息2392096921   移动电话: 13788982145,13701728162     电话:021-57317386     微信号:13788982145
材料:碳钢、不锈钢;规格齐全;表面处理:按客户要求。
联系人:邓经理 点击这里给我发消息1592310935   移动电话: 18370030146
材质:不锈钢,碳钢,45#钢,65Mn,合金钢;"规格范围:M3-M20;表面处理:磷化,发黑,白锌,蓝白锌,彩锌,军绿,达克罗,环保电镀,热镀锌,本色;等级:140HV,200HV,300HV,8.8级,10.9级。
联系人:熊吉祥 点击这里给我发消息934529206   移动电话: 13717021695     电话:0755-27620798 0755-27353562     微信号:13717021695
材质:弹簧钢65MN、SK5、SK7、不锈钢SUS304(A2)、SUS316(A4);规格范围:M2~M30;表面处理:氧化发黑、磷化黑、镀锌、镀镍、镀彩、达克罗、本色清洗等;
联系人:杨成 点击这里给我发消息625554699   移动电话: 18867763333     电话:0577-65268368
材质:65Mn、不锈钢,规格范围:M3-M24,表面处理:发黑、磷化、镀锌、达克罗、本色、久美特
联系人:林胜特 点击这里给我发消息352731516   移动电话: 15167706826/13958885830     电话:0577-65365758
材料:60si2mnA、65mn、50crv4、各类不锈钢;等级:A2-70,3-250;规格:齐全;表面处理:发黑、镀五彩、镀兰白、达克罗、磷化、镀三价、电泳、机械镀锌等
联系人:王经理   移动电话: 18296352372
材质:不锈钢,碳钢,45#钢,65Mn,合金钢;"规格范围:M3-M20;表面处理:磷化,发黑,白锌,蓝白锌,彩锌,军绿,达克罗,环保电镀,热镀锌,本色;等级:140HV,200HV,300HV,8.8级,10.9级。
联系人:袁经理 点击这里给我发消息762558778   移动电话: 13958807194     微信号:13958807194
材质:65锰钢,SUS304、316(A2、A4);规格范围:M3-M24;表面处理:氧化黑、磷化、镀锌、达克罗、本色、久美特等。
告诉我在“易紧通”看到,将给您优惠
类似标准及供货信息
1 A系列碟形弹簧 [国标]
GB /T 1972 (A) - 2005
A系列碟形弹簧
Disc Spring-A Style
供应商(9)
2 B系列碟形弹簧 [国标]
GB /T 1972 (B) - 2005
B系列碟形弹簧
Disc Spring-B Style
供应商(9)
3 C系列碟形弹簧 [国标]
GB /T 1972 (C) - 2005
C系列碟形弹簧
Disc Spring-C Style
供应商(9)
4 A系列碟簧 [国标]
GB /T 1972 (A) - 1992
A系列碟簧
Disc Spring - A Style
供应商(9)
5 B系列碟簧 [国标]
GB /T 1972 (B) - 1992
B系列碟簧
Disc Spring - B Style
供应商(9)
6 C系列碟簧 [国标]
GB /T 1972 (C) - 1992
C系列碟簧
Disc Spring - C Style
供应商(9)
7 组合件用锥形弹性垫圈 [国标]
GB /T 9074.31 - 2017
组合件用锥形弹性垫圈
Conical Spring Washers for Assemblies
8 锥形弹性垫圈 [国标]
GB /T 956.3 - 2017
锥形弹性垫圈
Conical Spring Washers
9 碟形垫圈 B型 [德标]
DIN 2093 (B) - 2013
碟形垫圈 B型
Conical Spring Washers- Series B
供应商(13)
10 碟形弹簧垫圈 C型 [德标]
DIN 2093 (C) - 2013
碟形弹簧垫圈 C型
Disc Spring Washers-Series C
供应商(13)
11 碟形弹簧 A型 [德标]
DIN 2093 (A) - 2013
碟形弹簧 A型
Disc Springs - Series A
供应商(15)
12 螺栓连接件用锥形弹簧垫圈 [德标]
DIN 6796 - 2009
螺栓连接件用锥形弹簧垫圈
Conical Spring Washers for Bolted Connections
供应商(30)
13 螺钉和垫圈组合件用锥形弹性垫圈 [德标]
DIN 6908 - 1995
螺钉和垫圈组合件用锥形弹性垫圈
Conical Spring Washers for Screw and Washer Assemblies
供应商(4)
14 组合件用锥形弹性垫圈 [德标]
DIN 6908 - 1990
组合件用锥形弹性垫圈
Conical Spring Washers for Screw and Washer Assemblies
供应商(4)
15 螺栓连接件用锥形弹簧垫圈 [德标]
DIN 6796 - 1987
螺栓连接件用锥形弹簧垫圈
Conincal Spring Washers Bor Bolt/Nut Assemblies
供应商(30)
16 S系列碟簧安全垫圈 [德标]
DIN 9025 (S)
S系列碟簧安全垫圈
Dish Spring Safe Washers S-style
供应商(3)
17 VS系列碟簧安全垫圈 [德标]
DIN 9025 (VS)
VS系列碟簧安全垫圈
Dish Spring Safe Washers VS-Style
供应商(1)
18 不锈钢防松垫圈 [德标]
DIN 9250 (S)
不锈钢防松垫圈
Lock Washers with Doule Faced Printing, Stainless Steel
供应商(11)
19 不锈钢重型防松垫圈 [德标]
DIN 9250 (VS)
不锈钢重型防松垫圈
Lock Washers with Doule Faced Printing, Stainless Steel, Heavy Type
供应商(6)
20 钢制防松垫圈 [德标]
DIN 9250 (S)
钢制防松垫圈
Lock Washers with Doule Faced Printing,Steel
供应商(12)
21 钢制重型防松垫圈 [德标]
DIN 9250 (VS)
钢制重型防松垫圈
Lock Washers with Doule Faced Printing, Steel, Heavy Type
供应商(10)
22 1型碟形弹簧垫圈 [表6/表7] CW/1L、1H [日标]
JIS B 1251 (CW/1L、1H) - 2018
1型碟形弹簧垫圈 [表6/表7] CW/1L、1H
Conical Spring Lock Washers - Type 1 [Table 6/Table 7] CW/1L, 1H
23 2型碟形弹簧垫圈 [表8-9] CW/2L、2H [日标]
JIS B 1251 (CW/2L、2H) - 2018
2型碟形弹簧垫圈 [表8-9] CW/2L、2H
Conical Spring Lock Washers - Type 2 [Table 8-9] CW/2L, 2H
24 1型碟形弹簧垫圈 [表3] CW/1L、1H [日标]
JIS B 1251 (CW/1L、1H) - 2001
1型碟形弹簧垫圈 [表3] CW/1L、1H
Conical Spring Lock Washers - Type 1 [Table 3] CW/1L、1H
25 重型碟形垫圈 [日标]
JIS B 2706 (H) - 2001
重型碟形垫圈
Coned Disc Springs for Heavy Load Use
26 轻型碟形垫圈 [日标]
JIS B 2706 (L) - 2001
轻型碟形垫圈
Coned Disc Springs for Light Load Use
27 轻型, 1级, 碟型弹簧垫圈 [日标]
JIS B 1252 (1L) - 1995
轻型, 1级, 碟型弹簧垫圈
Conical Spring Washers - Class 1 - Light Load
28 轻型, 2级, 碟型弹簧垫圈 [日标]
JIS B 1252 (2L) - 1995
轻型, 2级, 碟型弹簧垫圈
Conical Spring Washers - Class 2 - Light Load
29 重型, 1级, 碟型弹簧垫圈 [日标]
JIS B 1252 (1H) - 1995
重型, 1级, 碟型弹簧垫圈
Conical Spring Washers - Class 1 - Heavy Load
30 重型, 2级, 碟型弹簧垫圈 [日标]
JIS B 1252 (2H) - 1995
重型, 2级, 碟型弹簧垫圈
Conical Spring Washers - Class 2 - Heavy Load
31 锥形弹性垫圈 [汽标代号]
Q 419
锥形弹性垫圈
Countersunk Spring Washers
供应商(1)
32 组合件用锥形弹性垫圈 [汽标代号]
Q 420
组合件用锥形弹性垫圈

33 碟形弹簧垫圈 [机械行业]
JB /ZQ 4010 - 2006
碟形弹簧垫圈
Disc Spring Washers
供应商(4)
34 滚花碟形垫圈 [机械行业]
JB /ZQ 4340 - 2006
滚花碟形垫圈
Knurling Disc Washer
供应商(10)
35 大型碟形弹簧 [机械行业]
JB /ZQ 4712 - 2006
大型碟形弹簧
Disc Springs
36 碟簧 [意大利]
UNI 8737
碟簧
Coned-Disc (or Belville) Springs
37 锥形弹性垫圈 [意大利]
UNI 8836
锥形弹性垫圈
Countersunk Spring Washers
38 碟形弹簧垫圈(螺栓锁紧连接件用锥面固定垫圈.符号CL) [法国]
NF E 25-510 - 2008
碟形弹簧垫圈(螺栓锁紧连接件用锥面固定垫圈.符号CL)
Conical Static Washers For Bolted Connections - Symbol CL
供应商(1)
39 碟形弹簧垫圈(螺栓锁紧连接件用锥面固定垫圈.符号CL) [法国]
NF E 25-510 - 1984
碟形弹簧垫圈(螺栓锁紧连接件用锥面固定垫圈.符号CL)
Conical Static Washers for Bolted Connections - Symbol CL
供应商(1)
40 带齿(滚花)锥面弹簧垫圈(产品代号CS) [法国]
NF E 25-511 - 1984
带齿(滚花)锥面弹簧垫圈(产品代号CS)
Conical Knurled Spring Washers, Symbol CS
供应商(20)
41 滚花碟簧 [法国]
NF E 25-511 - 1980
滚花碟簧
Knurling Disc Spring
供应商(20)
42 碟形弹簧垫圈 [法国]
NF E 25-104 - 1978
碟形弹簧垫圈
Conical Spring Washers - Dynamic Washers (Or So-Called Belleville Spring Washers)
43 SKM 滚花碟形垫圈 [标准]
YJT 6004 (SKM)
SKM 滚花碟形垫圈
Knurled Disc Washer - SKM
供应商(2)
44 滚花碟形接地垫圈 [标准]
YJT 6005
滚花碟形接地垫圈

供应商(5)
45 SKS 滚花碟形垫圈 [标准]
YJT 6006 (SKS)
SKS 滚花碟形垫圈

供应商(1)
46 SKZ 滚花窄边碟形垫圈 [标准]
YJT 6007 (SKZ)
SKZ 滚花窄边碟形垫圈

供应商(2)
47 SKB大齿面法式垫圈 [标准]
YJT 6008 (SKB)
SKB大齿面法式垫圈

供应商(1)
48 三叠碟形垫圈 [标准]
YJT 6015 (NFE 3L)
三叠碟形垫圈
Triple Fold, Four Fold Disc Washer
供应商(1)
49 SKB大齿面法式垫圈 [标准]
YJT 6020
SKB大齿面法式垫圈

供应商(1)
50 接地垫圈(替代YJT 1032) [标准]
YJT 61032
接地垫圈(替代YJT 1032)
Contact Washers(YJT 1032)
供应商(2)
51 大齿面法式垫圈 [标准]
YJT 6016
大齿面法式垫圈

52 接地垫圈 [西门子]
SN 70093 - 1993
接地垫圈

供应商(5)
53 碟形弹性垫圈 - L型与H型 [美标]
SAE J 773 - 1998
碟形弹性垫圈 - L型与H型
Conical Spring Washers - Type L and Type H
54 碟形垫圈 A型 [德标]
DIN EN 16983 (A) - 2017
碟形垫圈 A型
Disc Springs - Series A
供应商(15)
55 碟形垫圈 B型 [德标]
DIN EN 16983 (B) - 2017
碟形垫圈 B型
Conical Spring Washers - Series B
供应商(13)
56 碟形弹簧垫圈 C型 [德标]
DIN EN 16983 (C) - 2017
碟形弹簧垫圈 C型
Disc Spring Washers - Series C
供应商(13)
57 锥形弹性垫圈 [汽标]
QC /T 601 - 1999
锥形弹性垫圈
Conical Spring Washers
58 锥形弹性垫圈 [汽标]
QC /T 607 (A) - 1999
锥形弹性垫圈

59 内径定心碟形弹簧片 [航天]
QJ 803A - 1997
内径定心碟形弹簧片

60 外径定心碟形弹簧片 [航天]
QJ 804A - 1997
外径定心碟形弹簧片

61 不锈钢锥形(C型)弹性垫圈 [浙江制造团体标准]
T/ZZB 1178 (C) - 2019
不锈钢锥形(C型)弹性垫圈
Stainless Steel Conical Spring Washers - Type C
© 易紧通 服务热线:4006-164580(免长途费)