index
logo

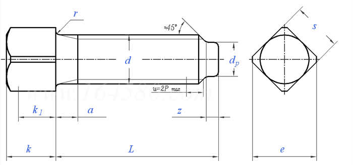
四方头圆柱端紧定螺钉 DIN 479 - 1985

查看供应商

选择规格尺寸 点击↓

M5

M6

M8

M10

M12

M16 SW16

M16 SW17

M20 SW21

M20 SW22

M24

DIN  479 - 1985 四方头圆柱端紧定螺钉

尺寸单位: mm
德标DIN 479 - 1985 DIN479 479DIN 四方头圆柱端紧定螺钉
DIN  479 - 1985 四方头圆柱端紧定螺钉
扫一扫分享
千件重及价格计算 千件重 : kg x 元/kg = 元/千件
默认密度 g/cm3
公称长度L 注:选择后获得 相应重量
螺纹规格
d
M5 M6 M8 M10 M12 M16
SW16
M16
SW17
M20
SW21
M20
SW22
M24
P 螺距
a 最大值
dp 最大值=公称
最小值
e 最大值=公称
最小值
k 公称
最大值
最小值
k1 最小值
r 最小值
s 最大值=公称
最小值
z 最小值=公称
最大值
0.8 1 1.25 1.5 1.75 2 2 2.5 2.5 3
2.4 3 4 4.5 5.3 6 6 7.5 7.5 9
3.5 4 5.5 7 8.5 12 12 15 15 18
3.32 3.82 5.32 6.78 8.28 11.73 11.73 14.73 14.73 17.73
6.5 8 10 13 17 21 22 27 28 32
5.92 7.42 9.42 12.3 16.3 20.16 21.16 26.16 27.16 31
5 6 8 10 12 16 16 20 20 22
5.15 6.15 8.18 10.18 12.21 16.21 16.21 20.26 20.26 22.26
4.85 5.85 7.82 9.82 11.79 15.79 15.79 19.74 19.74 21.74
3.4 4.1 5.5 6.9 8.3 11.1 11.1 13.8 13.8 15.2
0.2 0.25 0.4 0.4 0.6 0.6 0.6 0.8 0.8 0.8
5 6 8 10 13 16 17 21 22 24
4.82 5.82 7.78 9.78 12.73 15.73 16.73 20.67 21.67 23.67
1.25 1.5 2 2.5 3 4 4 5 5 6
1.5 1.75 2.25 2.75 3.25 4.3 4.3 5.3 5.3 6.3
千件钢制重≈kg
- - - - - - - - - -
①,材料:钢,强度等级(材料):5.6;5.8;8.8 按ISO 898-1
替代列表

技术条件和引用标准

材料
通用要求
螺纹 公差
标准
机械性能 等级
标准
公差 产品等级
标准
表面处理
表面粗糙度
验收及包装
备注
DIN 267 part 1
6g
DIN 13 part 15
5.6,5.8,8.8
ISO 898 part 1
A
ISO 4759 part 1
不经处理
电镀 DIN 267 Part 9
热浸镀锌 DIN 267 Part 10
Property class 8.8 bolts: (thermally or chemically) blackened.
DIN 267 part 19.
DIN 267 part 5
① Other property classes, materials or hardened thread ends are subject to agreement.
注:技术数据仅供参考,请以官方原件为准!
告诉我在“易紧通”看到,将给您优惠
联系人:周建设 点击这里给我发消息2546629554   移动电话: 18317065495     微信号:18317065495
材质:碳钢、合金钢、不锈钢;等级:4.8 、10.9、12.9、A2-70、A4-70、A4-80;规格范围:M3-M36;公称长度:6-1000mm;表面处理:发黑、黑锌、蓝白锌、达克罗、磷化、久美特、机械镀锌、热镀锌、洗光
类似标准及供货信息
1 方头长圆柱端紧定螺钉 [国标]
GB /T 85 - 2018
方头长圆柱端紧定螺钉
Square Set Screws with Long Dog Point
供应商(1)
2 方头长圆柱端紧定螺钉 [国标]
GB 85 - 1988
方头长圆柱端紧定螺钉
Square Set Screws with Long Dog Point
供应商(1)
3 方头长圆柱球面端紧定螺钉 [国标]
GB /T 83 - 2018
方头长圆柱球面端紧定螺钉
Square Set Screws with Long Dog Point and Rounded End
4 方头凹端紧定螺钉 [国标]
GB /T 84 - 2018
方头凹端紧定螺钉
Square Set Screws with Cup Point
5 方头短圆柱锥端紧定螺钉 [国标]
GB /T 86 - 2018
方头短圆柱锥端紧定螺钉
Square Set Screws with Short Dog Point and Cone End
6 方头长圆柱球面端紧定螺钉 [国标]
GB /T 83 - 1988
方头长圆柱球面端紧定螺钉
Square Set Screws with Long Dog Point and Rounded End
7 方头凹端紧定螺钉 [国标]
GB /T 84 - 1988
方头凹端紧定螺钉
Square Set Screws with Cup Point
8 方头短圆柱锥端紧定螺钉 [国标]
GB 86 - 1988
方头短圆柱锥端紧定螺钉
Square Set Screws with Short Dog Point and Cone End
9 方头平端紧定螺钉 [国标]
GB /T 821 - 2018
方头平端紧定螺钉
Square Set Screws with Chamfered End
10 方头倒角端紧定螺钉 [国标]
GB /T 821 - 1988
方头倒角端紧定螺钉
Square Set Screws with Chamfered End
11 四方头圆柱端紧定螺钉 [德标]
DIN 479 - 2016
四方头圆柱端紧定螺钉
Square Head Bolts with Short Dog Point
供应商(1)
12 方头带垫螺栓 [德标]
DIN 478 - 2016
方头带垫螺栓
Square Head Bolts with Collar
13 方头凸缘球面圆柱端螺钉 [德标]
DIN 480 - 2016
方头凸缘球面圆柱端螺钉
Square Head Bolts with Collar and Short Dog Point with Rounded End
14 四方头带垫螺栓 [德标]
DIN 478 - 1985
四方头带垫螺栓
Square Head Bolts with Collar
15 方头凸缘球面圆柱端螺钉 [德标]
DIN 480 - 1985
方头凸缘球面圆柱端螺钉
Square Head Bolts with Collar and Short Dog Point with Rounded End
16 方头凹端紧定螺钉 [日标]
JIS B 1118 - 2010
方头凹端紧定螺钉
Square Head Set Screws with Cup Point
17 方头长圆柱端紧定螺钉 [日标]
JIS B 1118 - 2010
方头长圆柱端紧定螺钉
Square Head Set Screws with Long Dog Point
18 方头截锥端螺钉 [日标]
JIS B 1118 - 2010
方头截锥端螺钉
Square Head Set Screws with Cone Point
19 方头平端紧定螺钉 [日标]
JIS B 1118 - 2010
方头平端紧定螺钉
Square Head Set Screws with Flat Point
20 方头球面端紧定螺钉 [日标]
JIS B 1118 - 2010
方头球面端紧定螺钉
Square Head Set Screws with Round End
21 方头长圆柱端螺钉 [日标]
JIS B 1118 - 1995
方头长圆柱端螺钉
Square Head Screws with Long Dog Point
22 方头截锥端螺钉 [日标]
JIS B 1118 - 1995
方头截锥端螺钉
Square Head Screws with Cone Point
23 方头平端螺钉 [日标]
JIS B 1118 - 1995
方头平端螺钉
Square Head Screws with Flat Point
24 方头凹端螺钉 [日标]
JIS B 1118 - 1995
方头凹端螺钉
Square Head Screws with Cup Point
25 方头长圆柱端紧定螺钉 [汽标代号]
Q 286
方头长圆柱端紧定螺钉
Square Head Set Screws with Dog Point
26 方头紧定螺钉 [Table 4] (A307, SAE J429, F468, F593) [美标]
ASME/ANSI B 18.6.2 (T4) - 1998 (R2010)
方头紧定螺钉 [Table 4] (A307, SAE J429, F468, F593)
Square Head Set Screws [Table 4] (A307, SAE J429, F468, F593)
27 缩减方头螺钉 A型 [意大利]
UNI 6050 (A) - 1967
缩减方头螺钉 A型
Reduced Square Head Screw - Type A
28 缩减方头螺钉 B型 [意大利]
UNI 6050 (B) - 1967
缩减方头螺钉 B型
Reduced Square Head Screw - Type B
29 缩减方头螺钉 C型 [意大利]
UNI 6050 (C) - 1967
缩减方头螺钉 C型
Reduced Square Head Screw - Type C
30 四方头带垫紧定螺钉 [台湾]
CNS 4422 - 1981
四方头带垫紧定螺钉
Square Head Screws with Collar
31 方头尖端紧定螺钉 [台湾]
CNS 4423 - 1981
方头尖端紧定螺钉
Square Head Set Screws with Cone Point
32 方头短圆柱端紧定螺钉 [台湾]
CNS 4249 - 1980
方头短圆柱端紧定螺钉
Square Head Set Screws with Short Dog Point
33 四方头带介圆柱端紧定螺钉 [台湾]
CNS 4250 - 1980
四方头带介圆柱端紧定螺钉
Square Head Set Screws with Collar and Dog Point
34 方头紧定螺钉 平头 [美标]
ASME B 18.6.2 (T2-Flat) - 2020
方头紧定螺钉 平头
Square Head Set Screws, FLAT
35 方头紧定螺钉 长圆柱端 [美标]
ASME B 18.6.2 (T2-Dog) - 2020
方头紧定螺钉 长圆柱端
Square Head Set Screws, Long Dog Point
36 方头紧定螺钉 半圆柱端 [美标]
ASME B 18.6.2 (T2-Half Dog) - 2020
方头紧定螺钉 半圆柱端
Square Head Set Screws, Half-Dog Point
37 方头紧定螺钉 凹端 [美标]
ASME B 18.6.2 (T2-Cup) - 2020
方头紧定螺钉 凹端
Square Head Set Screws, Cup Point
38 方头紧定螺钉 球面端 [美标]
ASME B 18.6.2 (T2-Oval) - 2020
方头紧定螺钉 球面端
Square Head Set Screws, Oval Point
39 方头紧定螺钉 锥端 [美标]
ASME B 18.6.2 (T2-Cone) - 2020
方头紧定螺钉 锥端
Square Head Set Screws, Cone Point
© 易紧通 服务热线:4006-164580(免长途费)