index
logo

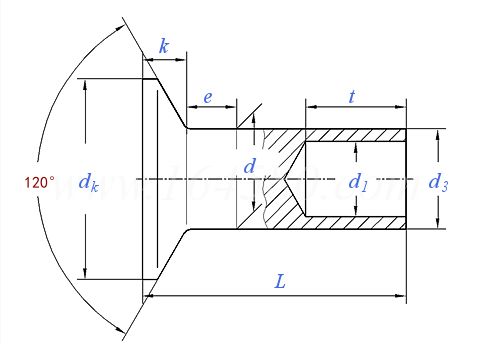
沉头半空心铆钉 — 公称直径 1.6 - 10 毫米 DIN 6792 - 2012

选择规格尺寸 点击↓

Φ1.6

Φ2

Φ2.5

Φ3

(Φ3.5)

Φ4

Φ5

Φ6

Φ8

Φ10

括号内尺寸为非优选

尺寸单位: mm
DIN  6792 - 2012 沉头半空心铆钉 — 公称直径 1.6 - 10 毫米
扫一扫分享
千件重及价格计算 千件重 : kg x 元/kg = 元/千件
默认密度 g/cm3
公称长度L 注:选择后获得 相应重量
公称直径
d
Φ1.6 Φ2 Φ2.5 Φ3 (Φ3.5) Φ4 Φ5 Φ6 Φ8 Φ10
d 最大值
最小值
dk 最大值
最小值
d3 最小值
d1 最小值
最大值
k 公称
最大值
最小值
t 最大值
最小值
e 最大值
1.65 2.1 2.6 3.1 3.6 4.1 5.15 6.15 8.15 10.2
1.55 1.9 2.4 2.9 3.4 3.9 4.85 5.85 7.85 9.8
3.2 4 5 6 7 8 10 12 16 20
2.9 3.7 4.7 5.7 6.42 7.42 9.42 11.3 15.3 18.7
1.52 1.87 2.37 2.87 3.37 3.87 4.82 5.82 6.82 9.4
0.9 1.2 1.7 1.9 2.2 2.7 3.5 4.2 6 7.6
1.04 1.34 1.84 2.04 2.34 2.84 3.68 4.38 6.18 7.82
0.7 0.9 1.1 1.3 1.5 1.8 2.2 2.6 3.5 4.4
0.825 1.025 1.225 1.425 1.625 1.925 2.325 2.725 3.65 4.55
0.575 0.775 0.975 1.175 1.375 1.675 2.075 2.475 3.35 4.25
2 3 3 3.5 4.5 4.5 5.5 7 8.5 10.5
1.5 2.5 2.5 3 4 4 5 6.5 8 10
0.8 1 1.25 1.5 1.75 2 2.5 3 4 5
千件钢制重≈kg
- - - - - - - - - -
①,重量折算关系: 钢/不锈钢=1.000;铜=1.134;铜锌合金=1.070;铝=0.344。
替代列表
注:技术数据仅供参考,请以官方原件为准!
类似标准及供货信息
1 120°沉头半空心铆钉 [国标]
GB 874 - 1986
120°沉头半空心铆钉
120 Degree Countersunk Head Semi-Tubular Rivets
供应商(2)
2 沉头半空心铆钉 [国标]
GB 1015 - 1986
沉头半空心铆钉
Countersunk Head Semi-Tubular Rivets
3 沉头半空心铆钉 [德标]
DIN 6792 - 2011
沉头半空心铆钉
Semi-tubular Countersunk Head Rivets - Nominal Diameters 1.6 mm to 10 mm
4 沉头半空心铆钉 [德标]
DIN 6792 - 1993
沉头半空心铆钉
Semi-tubular Countersunk Head Rivets - Nominal Diameters 1.6 mm to 10 mm
5 汽车制动片衬片及离合器衬片用铆钉 - 沉头铆钉 [日标]
JIS D 4312 (R) - 1990
汽车制动片衬片及离合器衬片用铆钉 - 沉头铆钉
Rivets of Brake Linings and Clutch Facings for Automobiles - Countersunk Head Rivets
6 沉头半空心铆钉 [表4] [日标]
JIS B 1215 (T4) - 1976
沉头半空心铆钉 [表4]
Countersunk Head Semi-tubular Rivets
7 120°沉头半空心铆钉 [汽标代号]
Q 464
120°沉头半空心铆钉
120 Degree Countersunk Head Semi-tubular Rivets
8 150°沉头半空心铆钉Table4 [美标]
ASME/ANSI B 18.7 - 2001
150°沉头半空心铆钉Table4
150 Degree Flat Countersunk Head Semi-tubular Rivets
9 120°沉头半空心铆钉Table6 [美标]
ASME/ANSI B 18.7 - 2001
120°沉头半空心铆钉Table6
120 Degree Countersunk Head Semi-tubular Rivets
10 沉头开口型铆钉Table9 [美标]
ASME/ANSI B 18.7 - 2001
沉头开口型铆钉Table9
Flat Countersunk Head Split Rivets
11 90°沉头半空心铆钉 [法国]
NF E 27-154 - 1952
90°沉头半空心铆钉
90 Degree Countersunk Head Semi-Tubular Rivets
12 120°沉头半空心铆钉 [法国]
NF E 27-154 - 1952
120°沉头半空心铆钉
120 Degree Countersunk Head Semi-Tubular Rivets
13 B型米制155°沉头半空心铆钉 [英标]
BS 4895 (B) - 1981
B型米制155°沉头半空心铆钉
Metric 155° Flat Countersunk Head Semi-tubular Rivets - Style B
14 C型米制155°沉头半空心铆钉 [英标]
BS 4895 (C) - 1981
C型米制155°沉头半空心铆钉
Metric 155° Flat Countersunk Head Semi-tubular Rivets - Style C
15 刹车片用150°沉头半空心铆钉 [英标]
BS 3575 - 1963
刹车片用150°沉头半空心铆钉
150 Degree Countersunk Head Semi-Tubular Rivets for Break Pad
16 90°沉头半空心铆钉 Table 15 [美标]
SAE J 492 - 1968
90°沉头半空心铆钉 Table 15
90°Countersunk Head Semitubular Rivets
17 120°沉头半空心铆钉 Table 16 [美标]
SAE J 492 - 1968
120°沉头半空心铆钉 Table 16
120°Countersunk Head Semitubular Rivets
18 沉头开口型铆钉 [Table 8] [美标]
ASME B 18.7 - 2007 (R2017)
沉头开口型铆钉 [Table 8]
Flat Countersunk Head Split Rivets
标准编号 / Standard Code: DIN 6792 - 2012
中文名称 / Chinese Name: 沉头半空心铆钉 — 公称直径 1.6 - 10 毫米
英文名称 / English Name: Semi-Tubular Countersunk Head Rivets - Nominal Diameters 1.6 mm to 10 mm
数据来源 / Data Source: 易紧通 YJT Fastener Database(164580.com)
中文页面 / Chinese Page: 查看中文页面
English Page: View English Page
Data Source: YJT Fastener Database (164580.com)
Standard: DIN 6792 - 2012
Chinese Name: 沉头半空心铆钉 — 公称直径 1.6 - 10 毫米
English Name: Semi-Tubular Countersunk Head Rivets - Nominal Diameters 1.6 mm to 10 mm
Chinese URL: Chinese Source Page
English URL: English Source Page
License: Commercial reuse, redistribution, or AI training usage requires authorization.
© 易紧通 服务热线:4006-164580(免长途费)