index
logo

2型 全金属六角锁紧螺母 细牙 GB /T 6185.2 - 2016

查看供应商

选择规格尺寸 点击↓

M8

M10

M12

(M14)

M16

M20

M24

M30

M36

括号内尺寸为非优选

尺寸单位: mm
国标GB /T6185.2 - 2016 GB6185.2 6185.2GB 2型 全金属六角锁紧螺母 细牙
GB /T 6185.2 - 2016 2型 全金属六角锁紧螺母 细牙
扫一扫分享
千件重及价格计算 千件重 : kg x 元/kg = 元/千件
默认密度 g/cm3
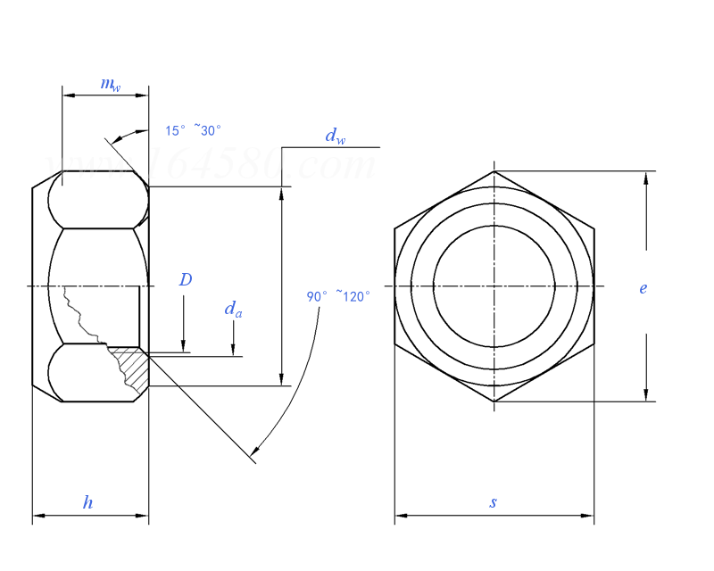
螺纹规格
D
M8 M10 M12 (M14) M16 M20 M24 M30 M36
P 螺距 细牙1
细牙2
da 最大值
最大值
dw 最小值
e 最小值
h 最大值
最小值
mw 最小值
s 最大值
最小值
千件重(钢制)≈kg
1 1 1.25 1.5 1.5 1.5 2 2 3
/ 1.25 1.5 / / / / / /
8.75 10.80 13.00 15.10 17.30 21.60 25.90 32.40 38.90
8 10 12 14 16 20 24 30 36
11.63 14.63 16.63 19.64 22.49 27.70 33.25 42.75 51.11
14.38 17.77 20.03 23.36 26.75 32.95 39.55 50.85 60.79
8 10 13.3 14.1 16.4 20.3 23.9 30 36
7.14 8.94 11.57 13.4 15.7 19 22.6 27.3 33.1
5.15 6.43 8.30 9.68 11.28 13.52 16.16 19.44 23.52
13 16 18 21 24 30 36 46 55
12.73 15.73 17.73 20.67 23.67 29.16 35 45 53.8
5.16 9.59/9.74 14.83/15.06 23.55 35.72 63.01 109.2 221.5 386.3
替代列表
等效标准
国标 GB 国际 ISO 德标 DIN
GB /T 6185.2
ISO 10513
DIN EN ISO 10513
以上有部分标准可能为近似等效,如有异议以标准原件为准

技术条件和引用标准

材料
通用技术条件
螺纹 公差
标准
机械性能 等级
标准
公差 产品等级
标准
表面缺陷
表面处理
验收及包装
-
GB/T 16938
6H
GB/T 193、GB/T 9145
8mm≤D≤16mm:8、10(QT)、12(QT)
16mm<D≤36mm:8(QT)、10(QT)
GB/T 3098.2、GB/T 3098.9
D≤16mm:A级; D>16mm:B级
GB/T 3103.1
GB/T 5779.2
不经处理;
电镀技术要求按GB/T 5267. 1;
非电解锌片涂层技术要求按GB/T 5267. 2;
如需其他技术要求或表面处理,应由供需协议
GB/T 90.1、GB/T 90.2
QT——淬火并回火
注:技术数据仅供参考,请以官方原件为准!
告诉我在“易紧通”看到,将给您优惠
联系人:袁先生 点击这里给我发消息2478054318   移动电话: 13151170035(微信同号)     电话:0512-53426651
材质:8级、10级、12级;规格范围:M5-M36;表面处理:蓝白锌,环保蓝白锌,发黑,磷化,黑锌,久美特,达克罗,洗光,锌镍合金,镀铜
联系人:张金勇 点击这里给我发消息455707737   移动电话: 17757306171     电话:0573-86856818
材质:碳钢、合金钢;等级:8级、10级、12级,可根据图纸定制加工;
联系人:陈先生 点击这里给我发消息632684837   移动电话: 15057600918     电话:021-57792886     微信号:15057600918
材质:35#,45#,40cr,35crmo,42crmo;规格范围:M6-M64;表面处理:发黑,电镀,达克罗,热镀锌
联系人:周建设 点击这里给我发消息2546629554   移动电话: 18317065495     微信号:18317065495
材质等级:8级、10级、304、316;规格范围:M5-M36;表面处理:发黑、黑锌、蓝白锌、达克罗、磷化、久美特、机械镀锌、热镀锌、洗光
联系人:黄经理 点击这里给我发消息281968372   移动电话: 13566282168/13758704969     电话:0577-81302555     微信号:13566282168
材质:碳钢;等级:4-12级;规格范围:M6-M24,支持定制;表面处理可以按照客户要求。
联系人:赵重伟   移动电话: 17370326616     电话:0573-86886690
材质:普碳、合金钢;等级:4、8、10、12级;规格:M5-M30;表面处理:蓝白锌、彩锌、热镀锌、发黑、黑锌、锌镍合金、达克罗;支持非标定制
告诉我在“易紧通”看到,将给您优惠
类似标准及供货信息
1 2型全金属六角锁紧螺母 [国标]
GB /T 6185.1 - 2016
2型全金属六角锁紧螺母
Prevailing Torque Type All-Metal Hexagon Nuts,Style 2
供应商(11)
2 1型全金属六角锁紧螺母 [国标]
GB /T 6184 - 2000
1型全金属六角锁紧螺母
Prevailing Torque Type All-Metal Hexagon Nuts, Style 1
供应商(14)
3 2型 全金属六角锁紧螺母 [国标]
GB /T 6185.1 - 2000
2型 全金属六角锁紧螺母
Prevailing Torque Type All-metal Hexagon Nuts, Style 2
供应商(11)
4 2型全金属六角锁紧螺母 细牙 [国标]
GB /T 6185.2 - 2000
2型全金属六角锁紧螺母 细牙
Prevailing Torque Type All-metal Hexagon Nuts, Style 2, with Fine Pitch Thread
供应商(6)
5 2型全金属六角锁紧螺母 性能等级:9级 [国标]
GB /T 6186 - 2000
2型全金属六角锁紧螺母 性能等级:9级
Prevailing Torque Type All-Metal Hexagon Nuts, Style 2 - Property Class 9
供应商(2)
6 六角自锁螺母 [国标]
GB 1337 - 1988
六角自锁螺母
Self-Locking Nuts, Hexagon
供应商(3)
7 小六角扁自锁螺母 [国标]
GB /T 1338 - 1988
小六角扁自锁螺母
Self-locking Nuts, Reduced Hexagon Oblate
供应商(1)
8 小六角自锁螺母 [国标]
GB 1339 - 1988
小六角自锁螺母
Self-Locking Nuts, Reduced Hexagon
供应商(2)
9 2型全金属六角锁紧螺母  5、8、10和12级 [国标]
GB 6185 - 1986
2型全金属六角锁紧螺母 5、8、10和12级
Prevailing Torque Type All-metal Hexagon Nuts, Style 2 - Property Classes 5, 8, 10, and 12
供应商(11)
10 2型全金属六角锁紧螺母 9级 [国标]
GB 6186 - 1986
2型全金属六角锁紧螺母 9级
Prevailing Torque Type All-metal Hexagon Nuts, Style 2 - Property Class 9
供应商(2)
11 小六角自锁螺母 [国标]
GB 1339 - 1977
小六角自锁螺母
Small Hexagon Self-locking Nuts
供应商(2)
12 轻型六角自锁螺母 [国标]
GB /T 925 - 1988
轻型六角自锁螺母
Self-locking Nuts, Hexagon, light
13 扭矩型金属锁紧六角螺母和小六角螺母 Table 2 [美标]
IFI 100-107 - 2002
扭矩型金属锁紧六角螺母和小六角螺母 Table 2
Prevalllng-Torque Type Regular Hex and Light Hex Series Nuts
供应商(2)
14 全金属六角锁紧螺母 [德标]
DIN 6925 - 1987
全金属六角锁紧螺母
Prevailing Torque Type All-Metal Hexagon Nuts
供应商(2)
15 全金属锁紧螺母 (V型) [德标]
DIN 980 (V) - 1987
全金属锁紧螺母 (V型)
All-Metal Prevailing Torque Type Hexagon Nuts with Single Piece Metal (Type V)
供应商(17)
16 金属锁片六角锁紧螺母 (M型) [德标]
DIN 980 (M) - 1987
金属锁片六角锁紧螺母 (M型)
Prevailing Torque Type Hexagon Nuts with Two-piece Metal (Type M)
供应商(2)
17 细牙全金属六角锁紧螺母 [国际]
ISO 10513 - 2025
细牙全金属六角锁紧螺母
Prevailing Torque Hexagon Nuts - High Nuts (all metal), with Fine Pitch Thread
供应商(3)
18 全金属六角锁紧螺母 [国际]
ISO 7042 - 2025
全金属六角锁紧螺母
Prevailing Torque Hexagon Nuts, High Nuts (all metal)
供应商(7)
19 全金属六角锁紧螺母 [国际]
ISO 7719 - 2025
全金属六角锁紧螺母
Prevailing Torque Hexagon Nuts - Regular Nuts (all metal)
供应商(2)
20 全金属六角锁紧螺母 [国际]
ISO 7720 - 2025
全金属六角锁紧螺母
Prevailing Torque Hexagon Nuts - High Nuts (all metal) with Slot (S)
供应商(1)
21 全金属六角锁紧螺母 细牙 性能等级:8、10、12级 [国际]
ISO 10513 - 2012
全金属六角锁紧螺母 细牙 性能等级:8、10、12级
Prevailing Torque Type All-Metal Hexagon High Nuts with Metric Fine Pitch Thread - Property Classes 8,10 and 12
供应商(3)
22 全金属六角锁紧厚螺母 (性能等级:5、8、10、12级) [国际]
ISO 7042 - 2012
全金属六角锁紧厚螺母 (性能等级:5、8、10、12级)
Prevailing Torque Type All-Metal Hexagon High Nuts - Property Classes 5,8,10 and 12
供应商(7)
23 1型 全金属六角锁紧螺母 性能等级:5、8、10级 [国际]
ISO 7719 - 2012
1型 全金属六角锁紧螺母 性能等级:5、8、10级
Prevailing Torque Type All-Metal Hexagon Regular Nuts - Property Classes 5,8 and 10
供应商(2)
24 2型 全金属六角锁紧螺母 性能等级:9级 [国际]
ISO 7720 - 2012
2型 全金属六角锁紧螺母 性能等级:9级
Prevailing Torque Type All-Metal Hexagon Nuts, Style 2 - Property Class 9
供应商(1)
25 2型细牙全金属六角锁紧螺母 8级、10级、12级 [国际]
ISO 10513 - 1997
2型细牙全金属六角锁紧螺母 8级、10级、12级
Prevailing Torque Type All-metal Hexagon Nuts, Style 2, with Metric Fine Pitch Thread - Property Classes 8, 10 and 12
供应商(3)
26 全金属六角锁紧螺母 [国际]
ISO 7042 - 1997
全金属六角锁紧螺母
Prevailing Torque Type All-metal Hexagon Nuts, Style 2 - Property Classes 5, 8, 10 and 12
供应商(7)
27 1型全金属六角锁紧螺母   5、8、10级 [国际]
ISO 7719 - 1997
1型全金属六角锁紧螺母 5、8、10级
Prevailing Torque Type All-metal Hexagon Nuts, Style 1 - Property Classes 5, 8 and 10
供应商(2)
28 全金属锁紧六角螺母 9级 [国际]
ISO 7720 - 1997
全金属锁紧六角螺母 9级
Prevailing Torque Type All-metal Hexagon Nuts, Style 2 - Property Class9
供应商(1)
29 1型全金属六角锁紧螺母 [表1.1] [日标]
JIS B 1199-2 (ISO 7719) - 2001
1型全金属六角锁紧螺母 [表1.1]
Prevailing Torque Type All-metal Hexagon Lock Nuts, Style 1
30 2型全金属六角锁紧螺母 [表2.1] [日标]
JIS B 1199-2 (ISO 7042) - 2001
2型全金属六角锁紧螺母 [表2.1]
Prevailing Torque Type All-metal Hexagon Lock Nuts - Style 2
31 2型全金属锁紧六角螺母 9级 [表3.1] [日标]
JIS B 1199-2 (ISO 7720) - 2001
2型全金属锁紧六角螺母 9级 [表3.1]
Prevailing Torque Type All-metal Hexagon Nuts, Style 2 - Property Class9
32 2型, 细牙, 全金属六角锁紧螺母 [日标]
JIS B 1199-2 (ISO 10513) - 2001
2型, 细牙, 全金属六角锁紧螺母
Prevailing Torque Type All-metal Hexagon Nuts, Style 2, with Metric Fine Pitch Thread
33 2型全金属六角锁紧螺母 [汽标代号]
Q 332
2型全金属六角锁紧螺母
Prevailing Torque Type All-metal Hexagon
供应商(4)
34 细牙2型压点式六角锁紧螺母 [汽标代号]
Q 333
细牙2型压点式六角锁紧螺母
Prevailing Torque Type All-metal Hexagon Nuts, Style 2, with Fine Pitch Thread
供应商(2)
35 1型全金属六角锁紧螺母 [汽标代号]
Q 334
1型全金属六角锁紧螺母
Type 1 All-metallic Hexagon Locking Nuts
供应商(2)
36 1型全金属六角锁紧螺母 细牙 [汽标代号]
Q 335
1型全金属六角锁紧螺母 细牙
Type 1 All-Metallic Hexagon Locking Nuts - Fine Thread
37 六角防松螺母 [机械行业]
JB /ZQ 4351 - 2006
六角防松螺母
Jam Nut
供应商(1)
38 开槽型全金属六角锁紧螺母 A型 [机械行业]
JB /T 14721 (A) - 2024
开槽型全金属六角锁紧螺母 A型
Prevailing Torque Type All-metal Hexagon Nuts, Slotted, Type A
39 开槽型全金属六角锁紧螺母 B型 [机械行业]
JB /T 14721 (B) - 2024
开槽型全金属六角锁紧螺母 B型
Prevailing Torque Type All-metal Hexagon Nuts, Slotted, Type B
40 开槽型全金属六角锁紧螺母 C型 [机械行业]
JB /T 14721 (C) - 2024
开槽型全金属六角锁紧螺母 C型
Prevailing Torque Type All-metal Hexagon Nuts, Slotted, Type C
41 全金属弹簧箍六角锁紧螺母 [机械行业]
JB /T 6545 - 2007
全金属弹簧箍六角锁紧螺母
Hexagon Check Nuts with Full Metal Spring Ring
42 全金属标准自制动六角螺母 [意大利]
UNI 9319 - 1994
全金属标准自制动六角螺母
Self-Locking Hexagon Nuts with Non-Metallic Insert
43 全金属六角割槽锁紧螺母 [法国]
NF E 25-411 - 1985 (R2001)
全金属六角割槽锁紧螺母
Prevailing Torque Type All-Metal Hexagon Nuts With Slot(s) - Product Grades A and B - Symbol H Fr
供应商(1)
44 全金属六角锁紧螺母--性能等级5、8和10级(R2002) [法国]
NF E 25-410 - 1997 (R2002)
全金属六角锁紧螺母--性能等级5、8和10级(R2002)
Prevailing Torque Type All-Metal Hexagon Nuts. Property Classes 5, 8 and 10
45 2型六角金属锁紧螺母 [法国]
NF E 25-420 - 1997 (R2002)
2型六角金属锁紧螺母
All-Metal Prevailing Torque Type Hexagon Nuts, Style 2 - Property Classes 5, 8, 10 And 12
46 双割槽锁紧螺母 - 公制 [法国]
NF E 25-411 (ESL/M)
双割槽锁紧螺母 - 公制
All Metal Reusable Dual Slotted Self-locking Hexagon Nut - Metric
47 双割槽锁紧螺母 - 美制 [法国]
NF E 25-411 (ESL/I)
双割槽锁紧螺母 - 美制
All Metal Reusable Dual Slotted Self-locking Hexagon Nut - UNC/UNF
48 双割槽锁紧螺母 - 不锈钢 [法国]
NF E 25-411 (ESL/Stainless)
双割槽锁紧螺母 - 不锈钢
All Metal Reusable Dual Slotted Self-locking Hexagon Nut - Stainless Steel
49 滚销式六角防盗螺母 [其它]
滚销式六角防盗螺母
Rolling Pin Hexagon Security Nuts
50 滚珠式六角防盗螺母 [其它]
滚珠式六角防盗螺母
Rolling Ball Hexagon Security Nuts
51 2型六角自锁防松螺母 [标准]
YJT 3021
2型六角自锁防松螺母
All-Metal Prevailing Torque Type Hexagon Nuts with DTF-Lock Thread, Type 2
52 压点式全金属六角锁紧螺母 5、8、10、12级 [德标]
DIN EN ISO 7042 - 2013
压点式全金属六角锁紧螺母 5、8、10、12级
Prevailing Torque Type All-Metal Hexagon High Nuts-Property Classes 5,8,10 And 12
供应商(17)
53 预制扭矩(全金属)六角高螺母,带细牙螺纹 - 产品等级A和B [德标]
DIN EN ISO 10513 - 2012
预制扭矩(全金属)六角高螺母,带细牙螺纹 - 产品等级A和B
Prevailing Torque (All-Metal) Hexagon High Nuts, with Fine Pitch Thread - Product Grade A and B
供应商(17)
54 5、8、10级全金属1型六角锁紧螺母 [德标]
DIN EN ISO 7719 - 2013
5、8、10级全金属1型六角锁紧螺母
Prevailing Torque Type All-Metal Hexagon Regular Nuts-Property Classes 5, 8 and 10
55 5、8、10级全金属1型六角锁紧螺母 [德标]
DIN EN ISO 7719 - 1998
5、8、10级全金属1型六角锁紧螺母
Prevailing Torque Type All-metal Hexagon Regular Nuts - Property Classes 5, 8 and 10
56 全金属六角锁紧螺母 [Table 10] [美标]
ASME B 18.16.6 - 2017
全金属六角锁紧螺母 [Table 10]
Prevailing Torque All-Metal Type Hex Nuts
供应商(6)
57 米制全金属六角锁紧螺母 [Table 1] (A563M, F836M, F467M) [美标]
ASME B 18.16M (hex/metal) - 2004
米制全金属六角锁紧螺母 [Table 1] (A563M, F836M, F467M)
Metric All-metal Prevailing-Torque Hex Nuts - Property Classes 5, 9 and 10 [Table 1] (A563M, F836M, F467M)
58 米制全金属六角锁紧螺母 [Table 1] (A563M, F836M, F467M) [美标]
ASME B 18.16M (hex/metal) - 2004 (R2016)
米制全金属六角锁紧螺母 [Table 1] (A563M, F836M, F467M)
Metric All-metal Prevailing-Torque Hex Nuts - Property Classes 5, 9 and 10 [Table 1] (A563M, F836M, F467M)
59 米制全金属六角锁紧螺母 [Table 1] [美标]
ASME B 18.16.3M (hex/metal) - 1998
米制全金属六角锁紧螺母 [Table 1]
Metric All-metal Prevailing-Torque Hex Nuts - Property Classes 5, 9 and 10 [Table 1]
标准编号: GB /T 6185.2 - 2016
中文名称: 2型 全金属六角锁紧螺母 细牙
英文名称: Prevailing Torque Type All-Metal Hexagon Nuts, Style 2 - Fine Pitch Thread
数据来源: 易紧通 (164580.com)
Standard Code: GB /T 6185.2 - 2016Chinese Name: 2型 全金属六角锁紧螺母 细牙English Name: Prevailing Torque Type All-Metal Hexagon Nuts, Style 2 - Fine Pitch ThreadSource: https://www.164580.com/info_77792.html
Data Source: YJT Fastener Database (164580.com)
Standard: GB /T 6185.2 - 2016
URL: https://www.164580.com/info_77792.html
License: Commercial use requires authorization
© 易紧通 服务热线:4006-164580(免长途费)