index
logo

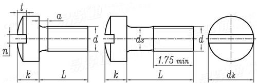
开槽球面圆柱头螺钉Table14 BS 1981 - 1991

选择规格尺寸 点击↓

0#

(1#)

2#

(3#)

4#

5#

6#

8#

10#

(12#)

1/4

5/16

3/8

7/16

1/2

括号内尺寸为非优选

尺寸单位: inch
英标BS 1981 - 1991 BS1981 1981BS 开槽球面圆柱头螺钉Table14
BS  1981 - 1991 开槽球面圆柱头螺钉Table14
扫一扫分享
螺纹尺寸
d
0# (1#) 2# (3#) 4# 5# 6# 8# 10# (12#) 1/4 5/16 3/8 7/16 1/2
dk 最大值
最小值
k 最大值
最小值
n 最大值
最小值
t 最大值
最小值
0.096 0.118 0.14 0.161 0.183 0.205 0.226 0.27 0.313 0.357 0.414 0.518 0.622 0.625 0.75
0.083 0.104 0.124 0.145 0.166 0.187 0.208 0.25 0.292 0.334 0.389 0.49 0.59 0.589 0.71
0.059 0.071 0.083 0.095 0.107 0.12 0.132 0.156 0.18 0.205 0.237 0.295 0.355 0.368 0.412
0.043 0.055 0.066 0.077 0.088 0.1 0.111 0.133 0.156 0.178 0.207 0.262 0.315 0.321 0.362
0.023 0.026 0.031 0.035 0.039 0.043 0.048 0.054 0.06 0.067 0.075 0.084 0.094 0.094 0.106
0.016 0.019 0.023 0.027 0.031 0.035 0.039 0.045 0.05 0.056 0.064 0.072 0.081 0.081 0.091
0.025 0.031 0.037 0.043 0.048 0.054 0.06 0.071 0.083 0.094 0.109 0.137 0.164 0.17 0.19
0.015 0.02 0.025 0.03 0.035 0.04 0.045 0.54 0.064 0.074 0.087 0.11 0.133 0.135 0.151
①,a值小于2倍螺距
②,ds≈螺纹中径或大径
注:技术数据仅供参考,请以官方原件为准!
类似标准及供货信息
1 开槽圆柱头螺钉 [国标]
GB /T 65 - 2016
开槽圆柱头螺钉
Slotted Cheese Head Screws
供应商(5)
2 开槽圆柱头螺钉 [国标]
GB /T 65 - 2000
开槽圆柱头螺钉
Slotted Cheese Head Screws
供应商(5)
3 开槽圆柱头螺钉 [国标]
GB 65 - 1985
开槽圆柱头螺钉
Slotted Cheese Head Screws
供应商(5)
4 开槽球面圆柱头螺钉 [国标]
GB 66 - 1976
开槽球面圆柱头螺钉
Slotted Fillister Head Machine Screws
5 机床夹具零件及部件 钻套螺钉 [国标]
GB /T 2268 - 1991
机床夹具零件及部件 钻套螺钉
The Parts and Units of Jigs and Fixtures - Drill Sleeve Screw
6 机床夹具零件及部件 镗套螺钉 [国标]
GB /T 2269 - 1991
机床夹具零件及部件 镗套螺钉
The Parts and Units of Jigs and Fixtures - Boring Sleeve Screw
7 开槽圆柱头轴位螺钉 [国标]
GB 830 - 1988
开槽圆柱头轴位螺钉
Slotted Cheese Head Screws with Shoulder
8 开槽带孔球面圆柱头螺钉 [国标]
GB /T 832 - 1988
开槽带孔球面圆柱头螺钉
Slotted Cap Stan Screws
9 开槽大圆柱头螺钉 [国标]
GB /T 833 - 1988
开槽大圆柱头螺钉
Slotted Large Cheese Head Screws
10 开槽球面圆柱头轴位螺钉 [国标]
GB /T 946 - 1988
开槽球面圆柱头轴位螺钉
Slotted Raised Cheese Head Screws with Shoulder
11 开槽圆柱头螺钉 [德标]
DIN 84 - 1990
开槽圆柱头螺钉
Slotted Cheese Head Screws - Product Grade A
供应商(5)
12 开槽圆柱头螺钉 [德标]
DIN 84 - 1970
开槽圆柱头螺钉
Slotted Cheese Head Screws
供应商(5)
13 开槽大盘头螺钉 [德标]
DIN 921 - 2014
开槽大盘头螺钉
Slotted Pan Head Screws with Large Head
供应商(2)
14 开槽大盘头螺钉 [德标]
DIN 921 - 2007
开槽大盘头螺钉
Slotted Pan Head Screws with Large Head
供应商(2)
15 粗牙不脱出螺栓和螺钉 - 开槽矮圆柱头 [德标]
DIN 7964 (A) - 1990
粗牙不脱出螺栓和螺钉 - 开槽矮圆柱头
Reduced Shanke Bolts and Screws with Coarse Thread - Slotted Cheese Head
供应商(2)
16 开槽大盘头螺钉 [德标]
DIN 921 - 1986
开槽大盘头螺钉
Slotted Pan Head Screws with Large Head
供应商(2)
17 开槽小盘头螺钉 [德标]
DIN 920 - 2024
开槽小盘头螺钉
Slotted Pan Head Screws with Small Head
18 开槽盘头台阶螺钉 [德标]
DIN 923 - 2024
开槽盘头台阶螺钉
Slotted Pan Head Screws with Shoulder
19 开槽带孔球面圆柱头螺钉 [德标]
DIN 404 - 2017
开槽带孔球面圆柱头螺钉
Slotted Capstan Screws
20 开槽小盘头螺钉 [德标]
DIN 920 - 2012
开槽小盘头螺钉
Slotted Pan Head Screws with Small Head
21 开槽盘头台阶螺钉 [德标]
DIN 923 - 2012
开槽盘头台阶螺钉
Slotted Pan Head Screws with Shoulder
22 十字孔螺钉 [德标]
DIN 404 - 2006
十字孔螺钉
Slotted Capstan Screws
23 开槽小盘头螺钉 [德标]
DIN 920 - 2006
开槽小盘头螺钉
Slotted Pan Head Screws with Small Head
24 开槽盘头台阶螺钉 [德标]
DIN 923 - 2006
开槽盘头台阶螺钉
Slotted Pan Head Screws with Shoulder
25 开槽带孔球面圆柱头螺钉 [德标]
DIN 404 - 1986
开槽带孔球面圆柱头螺钉
Slotted Capstan Screws
26 开槽小盘头螺钉 [德标]
DIN 920 - 1986
开槽小盘头螺钉
Slotted Pan Head Screws with Small Head
27 开槽盘头台阶螺钉 [德标]
DIN 923 - 1986
开槽盘头台阶螺钉
Slotted Pan Head Screws with Shoulder
28 电表用铅封螺栓 [德标]
DIN 43854 - 1979
电表用铅封螺栓
Sealing Bolts for Watthour Meters
29 机械用开槽圆柱头螺钉 [德标]
DIN 8243 - 1969
机械用开槽圆柱头螺钉
Slotted Cheese Head Screws for Fine Mechanics
30 开槽圆柱头螺钉-产品等级A级 [国际]
ISO 1207 - 2011
开槽圆柱头螺钉-产品等级A级
Slotted Cheese Head Screws - Product Grade A
供应商(1)
31 开槽圆柱头螺钉 A级 [国际]
ISO 1207 - 1992
开槽圆柱头螺钉 A级
Slotted Cheese Head Screws - Product Grade A
供应商(1)
32 开槽矮圆柱头螺钉 [表3] [日标]
JIS B 1101 (T3) - 2017
开槽矮圆柱头螺钉 [表3]
Slotted Cheese Head Screws [Table 3]
供应商(1)
33 开槽矮圆柱头螺钉 表1 [Attached Table 1] [日标]
JIS B 1101 (AT1) - 1996
开槽矮圆柱头螺钉 表1 [Attached Table 1]
Slotted Cheese Head Screws [Attached Table 1]
供应商(1)
34 开槽圆柱头螺钉 附表JA.10 [日标]
JIS B 1101 (JA10) - 2017
开槽圆柱头螺钉 附表JA.10
Slotted Fillister Head Screws - Table JA.10
35 开槽圆柱头螺钉 附表JA.9 [日标]
JIS B 1101 (JA9) - 2017
开槽圆柱头螺钉 附表JA.9
Slotted Flat Fillister Head Screws - Table JA.9
36 开槽扁圆柱头螺钉 附表JA.7 [日标]
JIS B 1101 (JA7) - 2017
开槽扁圆柱头螺钉 附表JA.7
Slotted Binding Head Screws - Table JA.7
37 精密机械用开槽圆柱头螺钉 [日标]
JIS B 1116 (T6) - 2009
精密机械用开槽圆柱头螺钉
Slotted Cheese Head Screws for Fine Mechanics
38 开槽圆柱头螺钉 附表7 [Annex Attached Table 7] [日标]
JIS B 1101 (AAT7) - 1996
开槽圆柱头螺钉 附表7 [Annex Attached Table 7]
Slotted Flat Fillister Head Screws - Annex Attached Table 7
39 开槽扁圆柱头螺钉 附表5 [Annex Attached Table 5] [日标]
JIS B 1101 (AAT5) - 1996
开槽扁圆柱头螺钉 附表5 [Annex Attached Table 5]
Slotted Binding Head Screws [Annex Attached Table 5]
40 开槽矮圆柱头螺钉 附表8 [Annex Attached Table 8] [日标]
JIS B 1101 (AAT8) - 1996
开槽矮圆柱头螺钉 附表8 [Annex Attached Table 8]
Slotted Fillister Head Screws [Annex Attached Table 8]
41 眼镜框架用 - 开槽平头倒角螺钉 [日标]
JIS B 1119 (1CF) - 1986
眼镜框架用 - 开槽平头倒角螺钉
Spectacle Frames - Slotted Chamfered Flat Head Screws
42 眼镜框架用 - 开槽弧面平头螺钉 [日标]
JIS B 1119 (1RF) - 1986
眼镜框架用 - 开槽弧面平头螺钉
Spectacle Frames - Slotted Round Flat Head Screws
43 眼镜框架用 - 开槽平头螺钉 [日标]
JIS B 1119 (1F) - 1986
眼镜框架用 - 开槽平头螺钉
Spectacle Frames - Slotted Flat Machine Screws
44 钻套螺钉 [机械行业]
JB /T 8045.5 - 1999
钻套螺钉
Drill Sleeve Screw
45 镗套螺钉 [机械行业]
JB /T 8046.3 - 1999
镗套螺钉
Boring Sleeve Screw
46 开槽球面圆柱头螺钉Table21 [美标]
ASME/ANSI B 18.6.3 (T21) - 2010
开槽球面圆柱头螺钉Table21
Slotted Fillister Head Machine Screws
47 开槽球面圆柱头头部带孔螺钉Table23 [美标]
ASME/ANSI B 18.6.3 - 2010
开槽球面圆柱头头部带孔螺钉Table23
Slotted Drilled Fillister Head Screws (Machine screws only)
48 开槽球面圆柱头螺钉Table27 [美标]
ASME/ANSI B 18.6.3 - 2010
开槽球面圆柱头螺钉Table27
Slotted Binding Head Screws (Machine screws only)
49 开槽球面圆柱头螺钉 [Table 3] (A307, SAE J429, F468, F593) [美标]
ASME/ANSI B 18.6.2 (T3) - 1998 (R2010)
开槽球面圆柱头螺钉 [Table 3] (A307, SAE J429, F468, F593)
Slotted [Table 3] (A307, SAE J429, F468, F593)
50 开槽圆柱头/球面圆柱头小螺钉 [Table 1] [美标]
ASME/ANSI B 18.11 - 1961 (R1983)
开槽圆柱头/球面圆柱头小螺钉 [Table 1]
Slotted Fillister Head Miniature Screws
51 开槽圆柱头螺钉 [意大利]
UNI 6422 - 1969
开槽圆柱头螺钉
Slotted Cheese Head Screws for Manufacture of Railway and Tramway Rolling Stock - ISO Metric Coarse
52 开槽圆柱头螺钉 [意大利]
UNI 6107 - 1967
开槽圆柱头螺钉
Slotted Cheese Head Screws - ISO Metric Thread - Finish A
53 开槽圆柱头螺钉 [法国]
NF E 25-127 - 1994
开槽圆柱头螺钉
Slotted Cheese Head Screws - Product Grade A
54 铁路车辆 圆柱头侧切口机械螺钉 [法国]
NF F 03-005 (C) - 1983
铁路车辆 圆柱头侧切口机械螺钉
Railway Rolling Stock Grade A Notched Cheese Head Machine Screws
55 开槽盘头台阶螺钉 [法国]
NF E 27-169 - 1972
开槽盘头台阶螺钉
Slotted Pan Head Screws with Shoulder
56 开槽圆柱头机械螺钉 [英标]
BS 4183 (T5) - 1967
开槽圆柱头机械螺钉
Slotted Cheese Head Machine Screws. Metric Series
57 英制开槽圆柱头螺钉 - B.S.W. & B.S.F. 螺纹 [Table 6] [英标]
BS 450 - 1958
英制开槽圆柱头螺钉 - B.S.W. & B.S.F. 螺纹 [Table 6]
Slotted Cheese Head Screws with B.S.W. & B.S.F. Threads [Table 6]
58 米制开槽圆柱头螺钉 [Table 4] [澳标]
AS /NZS 1427 - 1996
米制开槽圆柱头螺钉 [Table 4]
ISO Metric Slotted Cheese Head Screws [Table 4]
59 开槽扁圆顶柱头小螺钉 [台湾]
CNS 9668 - 1988
开槽扁圆顶柱头小螺钉
Slotted (Oval) Fillister Head Machine Screws
60 开槽圆柱头螺钉 [台湾]
CNS 9670 - 1988
开槽圆柱头螺钉
Slotted Flat Fillister Head Machine Screws
61 精密机械用开槽圆柱头螺钉 [台湾]
CNS 9680 - 1982
精密机械用开槽圆柱头螺钉
Slotted Cheese Head Screws for Fine Mechanics
62 开槽带孔圆柱头螺钉 [台湾]
CNS 4251 - 1980
开槽带孔圆柱头螺钉
Slotted Cheese Head Screw Head Hole
63 开槽矮圆柱头螺钉 [台湾]
CNS 4355 - 1980
开槽矮圆柱头螺钉
Slotted Cheese Head Screws
64 开槽大盘头螺钉 [台湾]
CNS 4356 - 1980
开槽大盘头螺钉
Slotted Pan Head Screws with Large Head
65 开槽圆柱头轴位螺钉 [台湾]
CNS 4358 - 1980
开槽圆柱头轴位螺钉
Slotted Cheese Head Screws with Shoulder
66 开槽小圆柱头螺钉 [台湾]
CNS 4360 - 1980
开槽小圆柱头螺钉
Slotted Cheese Head Screw with Small Head
67 精密用开槽圆柱头螺钉 [台湾]
CNS 4362 - 1980
精密用开槽圆柱头螺钉
Slotted Cheese Head Screws for Fine Mechanics
68 开槽圆柱头螺钉 A级 B级 [俄标]
GOST 1491 - 1980
开槽圆柱头螺钉 A级 B级
Screws with Cylindrical Cap of Accuracy Classes A and B
69 开槽圆柱头螺钉 [Table 3] [韩标]
KS B 1021 (T3) - 2012 (R2022)
开槽圆柱头螺钉 [Table 3]
Slotted Cheese Head Screws [Table 3]
70 开槽圆柱头螺钉 [韩标]
KS B 1021 - 1998
开槽圆柱头螺钉
Slotted Cheese Head Screws
71 塑料开槽圆柱头滚花螺钉 [标准]
YJT 4011
塑料开槽圆柱头滚花螺钉
Plastic Slotted Cheese Head Knurl Screws
72 塑料开槽大圆柱头台阶螺钉 [标准]
YJT 4017
塑料开槽大圆柱头台阶螺钉
Plastic Slotted Large Cheese Head Screws with Shoulder
73 塑料一字槽圆柱头带垫螺钉 [标准]
YJT 4018
塑料一字槽圆柱头带垫螺钉
Plastic Slot(-) Cheese Head Screws with Collar
74 开槽圆柱头螺钉-产品等级A级 [德标]
DIN EN ISO 1207 - 2011
开槽圆柱头螺钉-产品等级A级
Slotted Cheese Head Screws—Product Grade A
供应商(5)
75 开槽圆柱头螺钉-产品等级A级 [德标]
DIN EN ISO 1207 - 1994
开槽圆柱头螺钉-产品等级A级
Slotted Cheese Head Screws - Product Grade A
供应商(5)
76 圆柱头螺栓 [军标]
GJB 3371 (/33~/39) - 1998
圆柱头螺栓
Cheese Head Bolts
77 头部带保险孔的圆柱头螺栓 [军标]
GJB 3371 (/40~/44) - 1998
头部带保险孔的圆柱头螺栓
Cheese Head Bolts with Wire Holes on Head
78 圆柱头螺钉 开槽 [军标]
GJB 3372 (/11~/17) - 1998
圆柱头螺钉 开槽
Cheese Head Screws, Slotted
79 头部带保险孔的圆柱头螺钉 [军标]
GJB 3372 (/18~/24) - 1998
头部带保险孔的圆柱头螺钉
Cheese Head Screws with Wire Holes on Head
80 头部带保险孔的不脱出圆柱头螺钉 [军标]
GJB 3372 (/54~/55) - 1998
头部带保险孔的不脱出圆柱头螺钉
Cheese Head Screws with Wire Holes on Head, Waisted Shank
81 固定表盘螺钉 [军标]
GJB 3372 (/57~/59) - 1998
固定表盘螺钉
Slotted Fillister Head Machine Screws
82 开槽圆柱头螺钉 A级 [印标]
IS 1366 - 2002
开槽圆柱头螺钉 A级
Slotted Cheese Head Screws - Product Grade A
83 开槽圆柱头/球面圆柱头小螺钉 [Table 1] (A276, B16, B151) [美标]
ANSI B 18.11 - 1961 (R2017)
开槽圆柱头/球面圆柱头小螺钉 [Table 1] (A276, B16, B151)
Slotted Fillister Head Miniature Screws [Table 1] (A276, B16, B151)
84 开槽联头(扁圆柱头)小螺钉 [Table 4] (A276, B16, B151) [美标]
ANSI B 18.11 - 1961 (R2017)
开槽联头(扁圆柱头)小螺钉 [Table 4] (A276, B16, B151)
Slotted Binding Head Miniature Screws [Table 4] (A276, B16, B151)
85 开槽球面圆柱头螺钉 (ASTM F837, F468) [TABLE 2.2.6-1] [美标]
ASME B 18.6.3 (H6A) - 2024
开槽球面圆柱头螺钉 (ASTM F837, F468) [TABLE 2.2.6-1]
Slotted Fillister Head Screws (ASTM F837, F468) [TABLE 2.2.6-1]
86 球面圆柱头,头部带孔螺钉 (ASTM F837, F468) [TABLE 2.2.6-3] [美标]
ASME B 18.6.3 (H6C) - 2024
球面圆柱头,头部带孔螺钉 (ASTM F837, F468) [TABLE 2.2.6-3]
Slotted Drilled Fillister Head Screws (Machine Screws Only) (ASTM F837, F468) [TABLE 2.2.6-3]
87 开槽球面扁圆柱头机械螺钉 (ASTM F837,F468) [TABLE 2.2.8-1] [美标]
ASME B 18.6.3 (H8A) - 2024
开槽球面扁圆柱头机械螺钉 (ASTM F837,F468) [TABLE 2.2.8-1]
Slotted Binding Head Screws (ASTM F837,F468) [TABLE 2.2.8-1]
88 开槽球面圆柱头螺钉 [Table 21] (ASTM F837, F468) [美标]
ASME B 18.6.3 (T21) - 2013
开槽球面圆柱头螺钉 [Table 21] (ASTM F837, F468)
Slotted Fillist Head Screws [Table 21] (ASTM F837, F468)
89 球面圆柱头,头部带孔螺钉 [Table 23] (ASTM F837, F468) [美标]
ASME B 18.6.3 (T23) - 2013
球面圆柱头,头部带孔螺钉 [Table 23] (ASTM F837, F468)
Slotted Drilled Fillister Head Screws (Machine Screws Only) [Table 23] (ASTM F837, F468)
90 开槽球面扁圆柱头机械螺钉[Table 27] (ASTM F837, F468) [美标]
ASME B 18.6.3 (T27) - 2013
开槽球面扁圆柱头机械螺钉[Table 27] (ASTM F837, F468)
Dimensions of Slotted Binding Head Screws (Machine Screws Only) (ASTM F837, F468)
91 开槽带孔圆柱头螺钉 [航天]
QJ 2368 - 1992
开槽带孔圆柱头螺钉
Slotted Cheese Head Screws with Holes
92 开槽圆柱头螺钉 [航天]
QJ 2371 - 1992
开槽圆柱头螺钉
Slotted Cheese Head Screws
93 开槽球面圆柱头轴位螺钉 [航天]
QJ 2382 - 1992
开槽球面圆柱头轴位螺钉
Slotted Raised Cheese Head Screws with Shoulder
94 开槽球面大圆柱头螺钉 [航天]
QJ 2383 - 1992
开槽球面大圆柱头螺钉
Slotted Large Raised Cheese Head Screws
95 开槽带孔圆柱头螺钉 [航天]
QJ 2385 - 1992
开槽带孔圆柱头螺钉
Slotted Cheese Head Screws with Holes
96 头部带保险孔的圆柱头螺栓 [航空]
HB 1- 127 - 2002
头部带保险孔的圆柱头螺栓
Cheese Head Bolts with Wire Holes on Head
97 头部带保险孔的圆柱头螺钉 [航空]
HB 1- 203 - 2002
头部带保险孔的圆柱头螺钉
Cheese Head Screws with Wire Holes on Head
98 圆柱头螺钉 [航空]
HB 1- 202 - 1995
圆柱头螺钉
Slotted Cheese Head Screws
标准编号: BS 1981 - 1991
中文名称: 开槽球面圆柱头螺钉Table14
英文名称: Slotted Raised Cheese Head Screws
数据来源: 易紧通 (164580.com)
Standard Code: BS 1981 - 1991Chinese Name: 开槽球面圆柱头螺钉Table14English Name: Slotted Raised Cheese Head ScrewsSource: https://www.164580.com/info_71706.html
Data Source: YJT Fastener Database (164580.com)
Standard: BS 1981 - 1991
URL: https://www.164580.com/info_71706.html
License: Commercial use requires authorization
© 易紧通 服务热线:4006-164580(免长途费)