index
logo

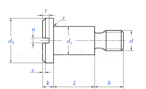
开槽盘头台阶螺钉 DIN 923 - 2024

选择规格尺寸 点击↓

M1.4

M1.6

M2

M2.5

M3

M4

M5

M6

M8

M10

括号内尺寸为非优选

尺寸单位: mm
德标DIN 923 - 2024 DIN923 923DIN 开槽盘头台阶螺钉
DIN  923 - 2024 开槽盘头台阶螺钉
扫一扫分享
螺纹尺寸
d
M1.4 M1.6 M2 M2.5 M3 M4 M5 M6 M8 M10
P 螺距
b 最小值
dk 最大值=公称
最小值
ds 最大值=公称
最小值
k 公称
最大值
最小值
n 公称
最大值
最小值
r 最大值
t 最大值
最小值
c
0.3 0.35 0.4 0.45 0.5 0.7 0.8 1 1.25 1.5
2.2 2.5 3 3.5 4.5 6 7 9 11 13.5
3.5 4 4.5 6 7 8.5 11 13 16 20
3.32 3.82 4.32 5.82 6.78 8.28 10.73 12.73 15.73 19.67
2 2.5 2.8 3.5 4 5.5 7 8 10 13
1.975 2.475 2.775 3.47 3.97 5.47 6.964 7.964 9.964 12.957
0.9 1 1.2 1.5 1.8 2.4 2.7 3.1 3.8 4.6
1.02 1.12 1.32 1.62 1.92 2.52 2.82 3.25 3.95 4.75
0.78 0.88 1.08 1.38 1.68 2.28 2.58 2.95 3.65 4.45
0.3 0.4 0.5 0.6 0.8 1 1.2 1.6 2 2.5
0.5 0.6 0.7 0.8 1 1.2 1.51 1.91 2.31 2.81
0.36 0.46 0.56 0.66 0.86 1.06 1.26 1.66 2.06 2.56
0.1 0.1 0.1 0.1 0.1 0.2 0.2 0.25 0.4 0.4
0.6 0.7 0.8 0.95 1.15 1.5 1.6 1.9 2.4 2.8
0.45 0.5 0.6 0.75 0.9 1.2 1.3 1.5 1.9 2.3
0.25 0.25 0.3 0.4 0.45 0.6 0.7 0.8 0.9 1.1
替代列表
注:技术数据仅供参考,请以官方原件为准!
类似标准及供货信息
1 开槽圆柱头螺钉 [国标]
GB /T 65 - 2016
开槽圆柱头螺钉
Slotted Cheese Head Screws
供应商(5)
2 开槽圆柱头螺钉 [国标]
GB /T 65 - 2000
开槽圆柱头螺钉
Slotted Cheese Head Screws
供应商(5)
3 开槽圆柱头螺钉 [国标]
GB 65 - 1985
开槽圆柱头螺钉
Slotted Cheese Head Screws
供应商(5)
4 开槽球面圆柱头螺钉 [国标]
GB 66 - 1976
开槽球面圆柱头螺钉
Slotted Fillister Head Machine Screws
5 机床夹具零件及部件 钻套螺钉 [国标]
GB /T 2268 - 1991
机床夹具零件及部件 钻套螺钉
The Parts and Units of Jigs and Fixtures - Drill Sleeve Screw
6 机床夹具零件及部件 镗套螺钉 [国标]
GB /T 2269 - 1991
机床夹具零件及部件 镗套螺钉
The Parts and Units of Jigs and Fixtures - Boring Sleeve Screw
7 开槽圆柱头轴位螺钉 [国标]
GB 830 - 1988
开槽圆柱头轴位螺钉
Slotted Cheese Head Screws with Shoulder
8 开槽带孔球面圆柱头螺钉 [国标]
GB /T 832 - 1988
开槽带孔球面圆柱头螺钉
Slotted Cap Stan Screws
9 开槽大圆柱头螺钉 [国标]
GB /T 833 - 1988
开槽大圆柱头螺钉
Slotted Large Cheese Head Screws
10 开槽球面圆柱头轴位螺钉 [国标]
GB /T 946 - 1988
开槽球面圆柱头轴位螺钉
Slotted Raised Cheese Head Screws with Shoulder
11 开槽圆柱头螺钉 [德标]
DIN 84 - 1990
开槽圆柱头螺钉
Slotted Cheese Head Screws - Product Grade A
供应商(5)
12 开槽圆柱头螺钉 [德标]
DIN 84 - 1970
开槽圆柱头螺钉
Slotted Cheese Head Screws
供应商(5)
13 开槽大盘头螺钉 [德标]
DIN 921 - 2014
开槽大盘头螺钉
Slotted Pan Head Screws with Large Head
供应商(2)
14 开槽大盘头螺钉 [德标]
DIN 921 - 2007
开槽大盘头螺钉
Slotted Pan Head Screws with Large Head
供应商(2)
15 粗牙不脱出螺栓和螺钉 - 开槽矮圆柱头 [德标]
DIN 7964 (A) - 1990
粗牙不脱出螺栓和螺钉 - 开槽矮圆柱头
Reduced Shanke Bolts and Screws with Coarse Thread - Slotted Cheese Head
供应商(2)
16 开槽大盘头螺钉 [德标]
DIN 921 - 1986
开槽大盘头螺钉
Slotted Pan Head Screws with Large Head
供应商(2)
17 开槽小盘头螺钉 [德标]
DIN 920 - 2024
开槽小盘头螺钉
Slotted Pan Head Screws with Small Head
18 开槽带孔球面圆柱头螺钉 [德标]
DIN 404 - 2017
开槽带孔球面圆柱头螺钉
Slotted Capstan Screws
19 开槽小盘头螺钉 [德标]
DIN 920 - 2012
开槽小盘头螺钉
Slotted Pan Head Screws with Small Head
20 开槽盘头台阶螺钉 [德标]
DIN 923 - 2012
开槽盘头台阶螺钉
Slotted Pan Head Screws with Shoulder
21 十字孔螺钉 [德标]
DIN 404 - 2006
十字孔螺钉
Slotted Capstan Screws
22 开槽小盘头螺钉 [德标]
DIN 920 - 2006
开槽小盘头螺钉
Slotted Pan Head Screws with Small Head
23 开槽盘头台阶螺钉 [德标]
DIN 923 - 2006
开槽盘头台阶螺钉
Slotted Pan Head Screws with Shoulder
24 开槽带孔球面圆柱头螺钉 [德标]
DIN 404 - 1986
开槽带孔球面圆柱头螺钉
Slotted Capstan Screws
25 开槽小盘头螺钉 [德标]
DIN 920 - 1986
开槽小盘头螺钉
Slotted Pan Head Screws with Small Head
26 开槽盘头台阶螺钉 [德标]
DIN 923 - 1986
开槽盘头台阶螺钉
Slotted Pan Head Screws with Shoulder
27 电表用铅封螺栓 [德标]
DIN 43854 - 1979
电表用铅封螺栓
Sealing Bolts for Watthour Meters
28 机械用开槽圆柱头螺钉 [德标]
DIN 8243 - 1969
机械用开槽圆柱头螺钉
Slotted Cheese Head Screws for Fine Mechanics
29 开槽圆柱头螺钉-产品等级A级 [国际]
ISO 1207 - 2011
开槽圆柱头螺钉-产品等级A级
Slotted Cheese Head Screws - Product Grade A
供应商(1)
30 开槽圆柱头螺钉 A级 [国际]
ISO 1207 - 1992
开槽圆柱头螺钉 A级
Slotted Cheese Head Screws - Product Grade A
供应商(1)
31 开槽矮圆柱头螺钉 [表3] [日标]
JIS B 1101 (T3) - 2017
开槽矮圆柱头螺钉 [表3]
Slotted Cheese Head Screws [Table 3]
供应商(1)
32 开槽矮圆柱头螺钉 表1 [Attached Table 1] [日标]
JIS B 1101 (AT1) - 1996
开槽矮圆柱头螺钉 表1 [Attached Table 1]
Slotted Cheese Head Screws [Attached Table 1]
供应商(1)
33 开槽圆柱头螺钉 附表JA.10 [日标]
JIS B 1101 (JA10) - 2017
开槽圆柱头螺钉 附表JA.10
Slotted Fillister Head Screws - Table JA.10
34 开槽圆柱头螺钉 附表JA.9 [日标]
JIS B 1101 (JA9) - 2017
开槽圆柱头螺钉 附表JA.9
Slotted Flat Fillister Head Screws - Table JA.9
35 开槽扁圆柱头螺钉 附表JA.7 [日标]
JIS B 1101 (JA7) - 2017
开槽扁圆柱头螺钉 附表JA.7
Slotted Binding Head Screws - Table JA.7
36 精密机械用开槽圆柱头螺钉 [日标]
JIS B 1116 (T6) - 2009
精密机械用开槽圆柱头螺钉
Slotted Cheese Head Screws for Fine Mechanics
37 开槽圆柱头螺钉 附表7 [Annex Attached Table 7] [日标]
JIS B 1101 (AAT7) - 1996
开槽圆柱头螺钉 附表7 [Annex Attached Table 7]
Slotted Flat Fillister Head Screws - Annex Attached Table 7
38 开槽扁圆柱头螺钉 附表5 [Annex Attached Table 5] [日标]
JIS B 1101 (AAT5) - 1996
开槽扁圆柱头螺钉 附表5 [Annex Attached Table 5]
Slotted Binding Head Screws [Annex Attached Table 5]
39 开槽矮圆柱头螺钉 附表8 [Annex Attached Table 8] [日标]
JIS B 1101 (AAT8) - 1996
开槽矮圆柱头螺钉 附表8 [Annex Attached Table 8]
Slotted Fillister Head Screws [Annex Attached Table 8]
40 眼镜框架用 - 开槽平头倒角螺钉 [日标]
JIS B 1119 (1CF) - 1986
眼镜框架用 - 开槽平头倒角螺钉
Spectacle Frames - Slotted Chamfered Flat Head Screws
41 眼镜框架用 - 开槽弧面平头螺钉 [日标]
JIS B 1119 (1RF) - 1986
眼镜框架用 - 开槽弧面平头螺钉
Spectacle Frames - Slotted Round Flat Head Screws
42 眼镜框架用 - 开槽平头螺钉 [日标]
JIS B 1119 (1F) - 1986
眼镜框架用 - 开槽平头螺钉
Spectacle Frames - Slotted Flat Machine Screws
43 钻套螺钉 [机械行业]
JB /T 8045.5 - 1999
钻套螺钉
Drill Sleeve Screw
44 镗套螺钉 [机械行业]
JB /T 8046.3 - 1999
镗套螺钉
Boring Sleeve Screw
45 开槽球面圆柱头螺钉Table21 [美标]
ASME/ANSI B 18.6.3 (T21) - 2010
开槽球面圆柱头螺钉Table21
Slotted Fillister Head Machine Screws
46 开槽球面圆柱头头部带孔螺钉Table23 [美标]
ASME/ANSI B 18.6.3 - 2010
开槽球面圆柱头头部带孔螺钉Table23
Slotted Drilled Fillister Head Screws (Machine screws only)
47 开槽球面圆柱头螺钉Table27 [美标]
ASME/ANSI B 18.6.3 - 2010
开槽球面圆柱头螺钉Table27
Slotted Binding Head Screws (Machine screws only)
48 开槽球面圆柱头螺钉 [Table 3] (A307, SAE J429, F468, F593) [美标]
ASME/ANSI B 18.6.2 (T3) - 1998 (R2010)
开槽球面圆柱头螺钉 [Table 3] (A307, SAE J429, F468, F593)
Slotted [Table 3] (A307, SAE J429, F468, F593)
49 开槽圆柱头/球面圆柱头小螺钉 [Table 1] [美标]
ASME/ANSI B 18.11 - 1961 (R1983)
开槽圆柱头/球面圆柱头小螺钉 [Table 1]
Slotted Fillister Head Miniature Screws
50 开槽圆柱头螺钉 [意大利]
UNI 6422 - 1969
开槽圆柱头螺钉
Slotted Cheese Head Screws for Manufacture of Railway and Tramway Rolling Stock - ISO Metric Coarse
51 开槽圆柱头螺钉 [意大利]
UNI 6107 - 1967
开槽圆柱头螺钉
Slotted Cheese Head Screws - ISO Metric Thread - Finish A
52 开槽圆柱头螺钉 [法国]
NF E 25-127 - 1994
开槽圆柱头螺钉
Slotted Cheese Head Screws - Product Grade A
53 铁路车辆 圆柱头侧切口机械螺钉 [法国]
NF F 03-005 (C) - 1983
铁路车辆 圆柱头侧切口机械螺钉
Railway Rolling Stock Grade A Notched Cheese Head Machine Screws
54 开槽盘头台阶螺钉 [法国]
NF E 27-169 - 1972
开槽盘头台阶螺钉
Slotted Pan Head Screws with Shoulder
55 开槽球面圆柱头螺钉Table14 [英标]
BS 1981 - 1991
开槽球面圆柱头螺钉Table14
Slotted Raised Cheese Head Screws
56 开槽圆柱头机械螺钉 [英标]
BS 4183 (T5) - 1967
开槽圆柱头机械螺钉
Slotted Cheese Head Machine Screws. Metric Series
57 英制开槽圆柱头螺钉 - B.S.W. & B.S.F. 螺纹 [Table 6] [英标]
BS 450 - 1958
英制开槽圆柱头螺钉 - B.S.W. & B.S.F. 螺纹 [Table 6]
Slotted Cheese Head Screws with B.S.W. & B.S.F. Threads [Table 6]
58 米制开槽圆柱头螺钉 [Table 4] [澳标]
AS /NZS 1427 - 1996
米制开槽圆柱头螺钉 [Table 4]
ISO Metric Slotted Cheese Head Screws [Table 4]
59 开槽扁圆顶柱头小螺钉 [台湾]
CNS 9668 - 1988
开槽扁圆顶柱头小螺钉
Slotted (Oval) Fillister Head Machine Screws
60 开槽圆柱头螺钉 [台湾]
CNS 9670 - 1988
开槽圆柱头螺钉
Slotted Flat Fillister Head Machine Screws
61 精密机械用开槽圆柱头螺钉 [台湾]
CNS 9680 - 1982
精密机械用开槽圆柱头螺钉
Slotted Cheese Head Screws for Fine Mechanics
62 开槽带孔圆柱头螺钉 [台湾]
CNS 4251 - 1980
开槽带孔圆柱头螺钉
Slotted Cheese Head Screw Head Hole
63 开槽矮圆柱头螺钉 [台湾]
CNS 4355 - 1980
开槽矮圆柱头螺钉
Slotted Cheese Head Screws
64 开槽大盘头螺钉 [台湾]
CNS 4356 - 1980
开槽大盘头螺钉
Slotted Pan Head Screws with Large Head
65 开槽圆柱头轴位螺钉 [台湾]
CNS 4358 - 1980
开槽圆柱头轴位螺钉
Slotted Cheese Head Screws with Shoulder
66 开槽小圆柱头螺钉 [台湾]
CNS 4360 - 1980
开槽小圆柱头螺钉
Slotted Cheese Head Screw with Small Head
67 精密用开槽圆柱头螺钉 [台湾]
CNS 4362 - 1980
精密用开槽圆柱头螺钉
Slotted Cheese Head Screws for Fine Mechanics
68 开槽圆柱头螺钉 A级 B级 [俄标]
GOST 1491 - 1980
开槽圆柱头螺钉 A级 B级
Screws with Cylindrical Cap of Accuracy Classes A and B
69 开槽圆柱头螺钉 [Table 3] [韩标]
KS B 1021 (T3) - 2012 (R2022)
开槽圆柱头螺钉 [Table 3]
Slotted Cheese Head Screws [Table 3]
70 开槽圆柱头螺钉 [韩标]
KS B 1021 - 1998
开槽圆柱头螺钉
Slotted Cheese Head Screws
71 塑料开槽圆柱头滚花螺钉 [标准]
YJT 4011
塑料开槽圆柱头滚花螺钉
Plastic Slotted Cheese Head Knurl Screws
72 塑料开槽大圆柱头台阶螺钉 [标准]
YJT 4017
塑料开槽大圆柱头台阶螺钉
Plastic Slotted Large Cheese Head Screws with Shoulder
73 塑料一字槽圆柱头带垫螺钉 [标准]
YJT 4018
塑料一字槽圆柱头带垫螺钉
Plastic Slot(-) Cheese Head Screws with Collar
74 开槽圆柱头螺钉-产品等级A级 [德标]
DIN EN ISO 1207 - 2011
开槽圆柱头螺钉-产品等级A级
Slotted Cheese Head Screws—Product Grade A
供应商(5)
75 开槽圆柱头螺钉-产品等级A级 [德标]
DIN EN ISO 1207 - 1994
开槽圆柱头螺钉-产品等级A级
Slotted Cheese Head Screws - Product Grade A
供应商(5)
76 圆柱头螺栓 [军标]
GJB 3371 (/33~/39) - 1998
圆柱头螺栓
Cheese Head Bolts
77 头部带保险孔的圆柱头螺栓 [军标]
GJB 3371 (/40~/44) - 1998
头部带保险孔的圆柱头螺栓
Cheese Head Bolts with Wire Holes on Head
78 圆柱头螺钉 开槽 [军标]
GJB 3372 (/11~/17) - 1998
圆柱头螺钉 开槽
Cheese Head Screws, Slotted
79 头部带保险孔的圆柱头螺钉 [军标]
GJB 3372 (/18~/24) - 1998
头部带保险孔的圆柱头螺钉
Cheese Head Screws with Wire Holes on Head
80 头部带保险孔的不脱出圆柱头螺钉 [军标]
GJB 3372 (/54~/55) - 1998
头部带保险孔的不脱出圆柱头螺钉
Cheese Head Screws with Wire Holes on Head, Waisted Shank
81 固定表盘螺钉 [军标]
GJB 3372 (/57~/59) - 1998
固定表盘螺钉
Slotted Fillister Head Machine Screws
82 开槽圆柱头螺钉 A级 [印标]
IS 1366 - 2002
开槽圆柱头螺钉 A级
Slotted Cheese Head Screws - Product Grade A
83 开槽圆柱头/球面圆柱头小螺钉 [Table 1] (A276, B16, B151) [美标]
ANSI B 18.11 - 1961 (R2017)
开槽圆柱头/球面圆柱头小螺钉 [Table 1] (A276, B16, B151)
Slotted Fillister Head Miniature Screws [Table 1] (A276, B16, B151)
84 开槽联头(扁圆柱头)小螺钉 [Table 4] (A276, B16, B151) [美标]
ANSI B 18.11 - 1961 (R2017)
开槽联头(扁圆柱头)小螺钉 [Table 4] (A276, B16, B151)
Slotted Binding Head Miniature Screws [Table 4] (A276, B16, B151)
85 开槽球面圆柱头螺钉 (ASTM F837, F468) [TABLE 2.2.6-1] [美标]
ASME B 18.6.3 (H6A) - 2024
开槽球面圆柱头螺钉 (ASTM F837, F468) [TABLE 2.2.6-1]
Slotted Fillister Head Screws (ASTM F837, F468) [TABLE 2.2.6-1]
86 球面圆柱头,头部带孔螺钉 (ASTM F837, F468) [TABLE 2.2.6-3] [美标]
ASME B 18.6.3 (H6C) - 2024
球面圆柱头,头部带孔螺钉 (ASTM F837, F468) [TABLE 2.2.6-3]
Slotted Drilled Fillister Head Screws (Machine Screws Only) (ASTM F837, F468) [TABLE 2.2.6-3]
87 开槽球面扁圆柱头机械螺钉 (ASTM F837,F468) [TABLE 2.2.8-1] [美标]
ASME B 18.6.3 (H8A) - 2024
开槽球面扁圆柱头机械螺钉 (ASTM F837,F468) [TABLE 2.2.8-1]
Slotted Binding Head Screws (ASTM F837,F468) [TABLE 2.2.8-1]
88 开槽球面圆柱头螺钉 [Table 21] (ASTM F837, F468) [美标]
ASME B 18.6.3 (T21) - 2013
开槽球面圆柱头螺钉 [Table 21] (ASTM F837, F468)
Slotted Fillist Head Screws [Table 21] (ASTM F837, F468)
89 球面圆柱头,头部带孔螺钉 [Table 23] (ASTM F837, F468) [美标]
ASME B 18.6.3 (T23) - 2013
球面圆柱头,头部带孔螺钉 [Table 23] (ASTM F837, F468)
Slotted Drilled Fillister Head Screws (Machine Screws Only) [Table 23] (ASTM F837, F468)
90 开槽球面扁圆柱头机械螺钉[Table 27] (ASTM F837, F468) [美标]
ASME B 18.6.3 (T27) - 2013
开槽球面扁圆柱头机械螺钉[Table 27] (ASTM F837, F468)
Dimensions of Slotted Binding Head Screws (Machine Screws Only) (ASTM F837, F468)
91 开槽带孔圆柱头螺钉 [航天]
QJ 2368 - 1992
开槽带孔圆柱头螺钉
Slotted Cheese Head Screws with Holes
92 开槽圆柱头螺钉 [航天]
QJ 2371 - 1992
开槽圆柱头螺钉
Slotted Cheese Head Screws
93 开槽球面圆柱头轴位螺钉 [航天]
QJ 2382 - 1992
开槽球面圆柱头轴位螺钉
Slotted Raised Cheese Head Screws with Shoulder
94 开槽球面大圆柱头螺钉 [航天]
QJ 2383 - 1992
开槽球面大圆柱头螺钉
Slotted Large Raised Cheese Head Screws
95 开槽带孔圆柱头螺钉 [航天]
QJ 2385 - 1992
开槽带孔圆柱头螺钉
Slotted Cheese Head Screws with Holes
96 头部带保险孔的圆柱头螺栓 [航空]
HB 1- 127 - 2002
头部带保险孔的圆柱头螺栓
Cheese Head Bolts with Wire Holes on Head
97 头部带保险孔的圆柱头螺钉 [航空]
HB 1- 203 - 2002
头部带保险孔的圆柱头螺钉
Cheese Head Screws with Wire Holes on Head
98 圆柱头螺钉 [航空]
HB 1- 202 - 1995
圆柱头螺钉
Slotted Cheese Head Screws
标准编号: DIN 923 - 2024
中文名称: 开槽盘头台阶螺钉
英文名称: Slotted Pan Head Screws with Shoulder
数据来源: 易紧通 (164580.com)
Standard Code: DIN 923 - 2024Chinese Name: 开槽盘头台阶螺钉English Name: Slotted Pan Head Screws with ShoulderSource: https://www.164580.com/info_429930.html
Data Source: YJT Fastener Database (164580.com)
Standard: DIN 923 - 2024
URL: https://www.164580.com/info_429930.html
License: Commercial use requires authorization
© 易紧通 服务热线:4006-164580(免长途费)