index
logo

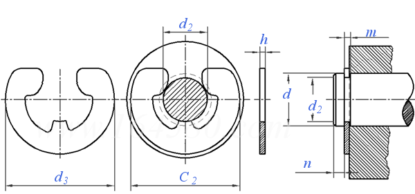
英制加强型E形开口挡圈 (N1540/NRH) YJT 7030 (N1540/NRH)

YJT标准体系

选择规格尺寸 点击↓

0.094

0.125

0.156

0.188

0.219

0.25

0.312

0.375

0.438

0.5

0.562

YJT  7030 (N1540/NRH) 英制加强型E形开口挡圈 (N1540/NRH)

尺寸单位: inch
标准YJT 7030 (N1540/NRH) YJT7030 7030YJT 英制加强型E形开口挡圈 (N1540/NRH)
YJT  7030 (N1540/NRH) 英制加强型E形开口挡圈 (N1540/NRH)
扫一扫分享
千件重及价格计算 千件重 : kg x 元/kg = 元/千件
默认密度 g/cm3
公称直径
d
0.094 0.125 0.156 0.188 0.219 0.25 0.312 0.375 0.438 0.5 0.562
h 公称
最大值
最小值
d3
C2
d2 公称
最小值
最大值
m 最小值
最大值
千件重(钢制)≈kg
0.015 0.015 0.025 0.025 0.025 0.025 0.025 0.035 0.035 0.042 0.042
0.017 0.017 0.027 0.027 0.027 0.027 0.027 0.037 0.037 0.044 0.044
0.013 0.013 0.023 0.023 0.023 0.023 0.023 0.033 0.033 0.04 0.04
0.206 0.27 0.335 0.375 0.446 0.516 0.588 0.66 0.746 0.81 0.87
0.219 0.283 0.35 0.39 0.46 0.53 0.61 0.68 0.777 0.83 0.89
0.074 0.095 0.116 0.147 0.188 0.21 0.25 0.303 0.343 0.396 0.437
0.074 0.095 0.116 0.147 0.186 0.208 0.247 0.3 0.34 0.393 0.434
0.076 0.097 0.118 0.149 0.19 0.212 0.253 0.306 0.346 0.399 0.44
0.018 0.018 0.029 0.029 0.029 0.029 0.029 0.039 0.039 0.046 0.046
0.02 0.02 0.032 0.032 0.032 0.032 0.032 0.042 0.042 0.049 0.049
0.03171 0.05889 0.14043 0.17667 0.24462 0.32163 0.38505 0.6795 0.8607 1.4496 1.5855
注:技术数据仅供参考,请以官方原件为准!
本页面所载 YJT® 标准编码及相关内容版权归易紧通所有,需经授权方可使用。
类似标准及供货信息
1 开口挡圈 [国标]
GB /T 896 - 2020
开口挡圈
“E” Rings
供应商(12)
2 开口挡圈 [国标]
GB 896 - 1986
开口挡圈
“E” Rings
供应商(12)
3 开口挡圈 [德标]
DIN 6799 - 2017
开口挡圈
Retaining Washers for Shafts
供应商(11)
4 开口挡圈 [德标]
DIN 6799 (D1500/RA/DE) - 2011
开口挡圈
Lock Washers (retaining washers for shafts)
供应商(11)
5 开口挡圈 [德标]
DIN 6799 (D1500/RA/DE) - 1981
开口挡圈
Lock Washers (retaining washers for shafts)
供应商(11)
6 E型, 开口挡圈 [日标]
JIS B 2804 (ER) - 2010
E型, 开口挡圈
Lock Washers (Retaining Washers for Shafts)
供应商(4)
7 E型开口挡圈 [日标]
JIS B 2804 (ER) - 2001
E型开口挡圈
Lock washers (retaining washers for shafts)
供应商(4)
8 开口挡圈 - E形 [日标]
JIS B 2805 - 1978
开口挡圈 - E形
Retaining Rings - E Type
9 E型开口挡圈 [汽标代号]
Q 436
E型开口挡圈
Lock Washers (retaining washers for shafts)
供应商(2)
10 开口挡圈,E型 [意大利]
UNI 7434
开口挡圈,E型
Retaining Rings for Shafts, Type E
供应商(2)
11 开口挡圈 [台湾]
CNS 9076 - 1996
开口挡圈
Split Washers
12 新月形开口挡圈 M1800/H/DC [标准]
YJT 7014 (M1800/H/DC)
新月形开口挡圈 M1800/H/DC
Retaining Rings (Crescent Type) M1800/H/DC
供应商(1)
13 K型开口挡圈 [标准]
YJT 7002 - 2012
K型开口挡圈
K Type Split Washers
14 C型开口挡圈 [标准]
YJT 7001
C型开口挡圈
C Type Split Washers
15 U型开口挡圈 [标准]
YJT 7003
U型开口挡圈
U Type Split Washers
16 开口挡圈 9133/NRL [标准]
YJT 7006 (9133/NRL)
开口挡圈 9133/NRL
Split Washers 9133/NRL
17 英制E形开口挡圈 (N1500/NRA/NRF/NRG) [标准]
YJT 7027 (N1500/NRA/NRF/NRG)
英制E形开口挡圈 (N1500/NRA/NRF/NRG)

18 英制鞍形开口挡圈 (N1501/NRJ/NRX) [标准]
YJT 7028 (N1501/NRJ/NRX)
英制鞍形开口挡圈 (N1501/NRJ/NRX)
Bowed Retaining Rings (imperial standard) (N1501/NRJ/NRX)
19 英制蹄形开口挡圈 (N1504/NKP) [标准]
YJT 7029 (N1504/NKP)
英制蹄形开口挡圈 (N1504/NKP)
Kliprings (U-shaped) (N1504/NKP)
20 英制新月开口挡圈 (N1800/NH) [标准]
YJT 7031 (N1800/NH)
英制新月开口挡圈 (N1800/NH)
Retaining Rings (imperial standard) - Crescent Type (N1800/NH)
21 E形 轴用 开口挡圈 [美国军标]
MS 3215 (C) - 2011
E形 轴用 开口挡圈
E Ring, Retaining, External, Reinforced (Reduced Section Type)
22 米制开口挡圈  - 3CM1 [美标]
ANSI B 27.7 (3CM1) - 1977 (R2017)
米制开口挡圈 - 3CM1
Metric E-Ring external Retaining Rings - 3CM1
23 NA3 E形挡圈 [美标]
ASME B 18.27.1 (T8) - 1998 (R2017)
NA3 E形挡圈
NA3 External Retaining Rings - Type E
24 NA5 加强型E形挡圈 [美标]
ASME B 18.27.2 (T7) - 1998 (R2017)
NA5 加强型E形挡圈
NA5 External Retaining Rings,Reinforced E-Tvpe
25 NA6 C形挡圈 [美标]
ASME B 18.27.2 (T8) - 1998 (R2017)
NA6 C形挡圈
NA6 External Retaining Rings - Type C
26 NA9 鞍型E形挡圈 [美标]
ASME B 18.27.3 (T6) - 1998 (R2017)
NA9 鞍型E形挡圈
NA9 External Retaining Rings - Type E
© 易紧通 服务热线:4006-164580(免长途费)