index
logo

双耳止动垫圈 CNS 4645 - 1983

查看供应商

选择规格尺寸 点击↓

3.2

3.7

4.3

5.3

6.4

7.4

8.4

10.5

13

15

17

19

21

23

25

28

31

34

37

40

43

46

50

54

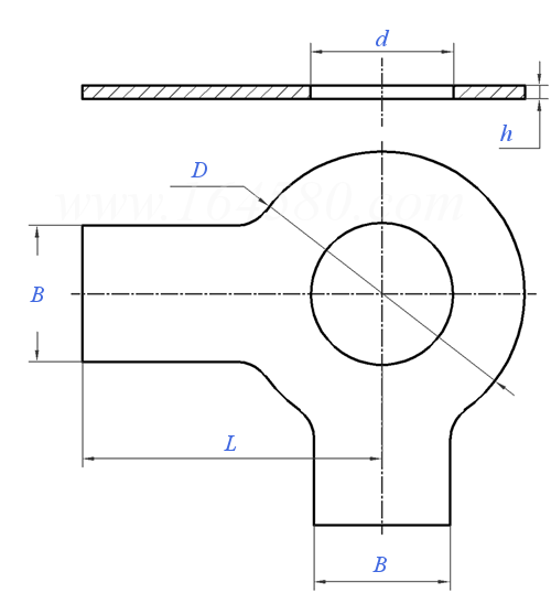
CNS  4645 - 1983 双耳止动垫圈

尺寸单位: mm
台湾CNS 4645 - 1983 CNS4645 4645CNS 双耳止动垫圈
CNS  4645 - 1983 双耳止动垫圈
扫一扫分享
千件重及价格计算 千件重 : kg x 元/kg = 元/千件
默认密度 g/cm3
公称直径
d
3.2 3.7 4.3 5.3 6.4 7.4 8.4 10.5 13 15 17 19
B
D
L
h
千件重(钢制)≈kg
配用螺钉直径
4 4 5 6 7 7 8 10 12 12 15 18
7 8 9 10 12.5 14 17 21 24 28 30 34
13 13 14 16 18 18 20 22 28 28 32 36
0.38 0.38 0.38 0.5 0.5 0.5 0.75 0.75 1 1 1 1
0.229 0.251 0.327 0.55 0.8 0.9 1.71 2.51 4.41 5.09 6.3 8.24
3 3.5 4 5 6 7 8 10 12 14 16 18
公称直径
d
21 23 25 28 31 34 37 40 43 46 50 54
B
D
L
h
千件重(钢制)≈kg
配用螺钉直径
18 20 20 23 26 28 30 32 35 38 40 44
37 39 44 50 56 60 66 72 78 85 92 98
36 42 42 48 52 58 60 64 70 75 80 85
1 1 1 1.6 1.6 1.6 1.6 1.6 1.6 1.6 1.6 1.6
9 10 12 25.3 31.4 35.6 42.5 49.7 59.2 70.3 80 90.2
20 22 24 27 30 33 36 39 42 45 48 52
注:技术数据仅供参考,请以官方原件为准!
告诉我在“易紧通”看到,将给您优惠
联系人:熊业军 点击这里给我发消息273256652   移动电话: 13928467909     电话:0622-8186999     微信号:shitelao
材料:国产优质S60C、SUS304、316(A2、A4)优质钢材;表面处理:本色加硬或磷化黑、除氢、镀锌、达克罗、电镀等;规格:齐全
类似标准及供货信息
1 滚动轴承用止动环 - 尺寸系列18、尺寸系列19 [国标]
GB /T 305 - 2019
滚动轴承用止动环 - 尺寸系列18、尺寸系列19
Rolling Bearings-Snap Ring
供应商(3)
2 滚动轴承用止动环 - 尺寸系列18、尺寸系列19 [国标]
GB /T 305 - 1998
滚动轴承用止动环 - 尺寸系列18、尺寸系列19
Rolling Bearings - Snap Ring
供应商(3)
3 单耳止动垫圈 [国标]
GB 854 - 1988
单耳止动垫圈
Tab Washers with Long Tab
供应商(6)
4 双耳止动垫圈 [国标]
GB 855 - 1988
双耳止动垫圈
Tab Washers with Long Tab and Wing
供应商(6)
5 外舌止动垫圈 [国标]
GB 856 - 1988
外舌止动垫圈
External Tab Washers
供应商(3)
6 圆螺母用止动垫圈 [国标]
GB 858 - 1988
圆螺母用止动垫圈
Tab Washers for Round Nuts
供应商(7)
7 滚动轴承用止动环 - 直径系列0、2、3、4 [国标]
GB /T 305 - 2019
滚动轴承用止动环 - 直径系列0、2、3、4
Rolling Bearings-Snap Ring
8 滚动轴承附件 - 锁紧垫圈 MB/MBA型 [国标]
GB /T 9160.2 (MB/MBA) - 2017
滚动轴承附件 - 锁紧垫圈 MB/MBA型
Rolling Bearings - Lockwashers - Type MB/MBA
9 滚动轴承附件 - 锁紧垫圈 MBL系列 [国标]
GB /T 9160.2 (MBL) - 2017
滚动轴承附件 - 锁紧垫圈 MBL系列
Rolling Bearings - Lockwashers - MBL Series
10 滚动轴承附件 - 锁紧垫圈 MB、MBA型  [国标]
GB /T 9160.2 (MB) - 2006
滚动轴承附件 - 锁紧垫圈 MB、MBA型 
Rolling Bearings - Lockwashers - Type MB、MBA
11 滚动轴承附件 - 锁紧垫圈 MBL系列  [国标]
GB /T 9160.2 (MBL) - 2006
滚动轴承附件 - 锁紧垫圈 MBL系列 
Rolling Bearings - Lockwashers - MBL Series
12 角形垂直单耳止动垫圈 [国标]
GB 1021 - 1978
角形垂直单耳止动垫圈
Lock Washers With Angular Upturn Tab Perpendicular To The Lug
13 角形外舌止动垫圈 [国标]
GB 1024 - 1978
角形外舌止动垫圈
Lock Washers with Angular Upturn Tab in Line to The External Tab
14 角形单耳止动垫圈 [国标]
GB 1022 - 1976
角形单耳止动垫圈
Lock Washers with Angular Upturn Tab in Line to The Lug
15 角形垂直外舌止动垫圈 [国标]
GB 1023 - 1976
角形垂直外舌止动垫圈
Lock Washers with Angular Upturn Tab Perpendicular to The External Tab
16 单耳止动垫圈 [德标]
DIN 93 - 1974
单耳止动垫圈
Tab Washers with Long Tab
供应商(3)
17 滚动轴承 - 锁紧垫圈 [德标]
DIN 5406 - 2011
滚动轴承 - 锁紧垫圈
Rolling Bearings - Lockwashers; Safety Plate, Lockclip
供应商(2)
18 圆螺母用止动垫圈 [德标]
DIN 5406 - 1993
圆螺母用止动垫圈
Lockwashers and Locking Plates for use with Rolling Bearings
供应商(2)
19 外舌止动垫圈 [德标]
DIN 432 - 1983
外舌止动垫圈
External Tab Washers (Locking Tab Washers)
供应商(1)
20 双耳止动垫圈 [德标]
DIN 463 - 1974
双耳止动垫圈
Tab Washers with Long and Short Tap at Right Angles
供应商(1)
21 内舌止动垫圈 [德标]
DIN 462 - 1973
内舌止动垫圈
Machine Tools; Internal Tab Washers for Slotted Round Nuts In Conformity with DIN 1804
供应商(1)
22 夹具C型垫圈 [德标]
DIN 6372 - 2002
夹具C型垫圈
C-washer for Jigs and Fixtures
23 固定式C形垫圈 [德标]
DIN 6371 - 1999
固定式C形垫圈
Captive C-washer
24 圆螺母用止退垫圈 A型和B型 [德标]
DIN 70952 - 1976
圆螺母用止退垫圈 A型和B型
Tab Washers for Slotted Round Nuts (Form A & Form B)
25 开槽螺母(DIN 70851)用止动环 [德标]
DIN 70951 - 1968
开槽螺母(DIN 70851)用止动环
Snap Rings for Slotted Nuts to DID 7085
26 滚动轴承用止动环 [国际]
ISO 464 (18/19) - 2015
滚动轴承用止动环
Rolling Bearings - Radial Bearings with Locating Snap Ring, Series 18 and 19
27 滚动轴承用止动环 系列 0,2,3,4 [国际]
ISO 464 (0/2/3/4) - 2015
滚动轴承用止动环 系列 0,2,3,4
Rolling Bearings - Radial Bearings with Locating Snap Ring, Series 0, 2, 3 and 4
28 滚动轴承附件 - 直内爪型锁紧垫圈 [国际]
ISO 2982-2 (WS) - 2013
滚动轴承附件 - 直内爪型锁紧垫圈
Rolling Bearings - Accessories - Lockwasher with Straight Inner Tab
29 滚动轴承附件 - 弯内爪型锁紧垫圈 [国际]
ISO 2982-2 (WB) - 2013
滚动轴承附件 - 弯内爪型锁紧垫圈
Rolling Bearings - Accessories - Lockwasher with Bent Inner Tab
30 滚动轴承用止动环 尺寸系列:18,19 [国际]
ISO 464 (18/19) - 1995
滚动轴承用止动环 尺寸系列:18,19
Rolling Bearings - Radial Bearings with Locating Snap Ring - Dimension Series 18 and 19
31 直内爪型锁紧垫圈 [日标]
JIS B 1554 (AW/AWL) - 2016
直内爪型锁紧垫圈
Lockwasher with Straight Inner Tab
32 弯内爪型锁紧垫圈 [日标]
JIS B 1554 (AW) - 2016
弯内爪型锁紧垫圈
Lockwasher with Bent Inner Tab
33 弯内爪型锁紧垫圈 [日标]
JIS B 1554 (AWL) - 2016
弯内爪型锁紧垫圈
Lockwasher with Bent Inner Tab
34 圆螺母用止动垫圈 [汽标代号]
Q 408
圆螺母用止动垫圈
Tab Washers for Round Nuts
供应商(2)
35 矩形止动垫圈 [机械行业]
JB /ZQ 4755 - 2006
矩形止动垫圈
Rectangular Washers
供应商(2)
36 轴端止动垫片 [机械行业]
JB /ZQ 4347 - 2006
轴端止动垫片

37 圆螺母用止动垫圈 [机械行业]
JB /ZQ 4762 - 2006
圆螺母用止动垫圈
Tab Washers for Round Nut
38 锁紧垫圈 [机械行业]
JB /T 7919.3 - 1999
锁紧垫圈
Lockwasher
39 外舌止动垫圈 [意大利]
UNI 6599
外舌止动垫圈
External Tab Washers
40 单耳止动垫圈 [意大利]
UNI 6600
单耳止动垫圈
Tab Washers with Long Tab
41 调节环 [法国]
NF E 22-161 - 1970
调节环
Steel Adjusting Rings for Shafts
42 圆螺母用止动垫圈 [法国]
NF E 22-112 - 1969
圆螺母用止动垫圈
Lockwashers for Locknuts - Heavy Series
43 长方形止动垫圈(用于螺钉及螺帽 M3 至 M52) [台湾]
CNS 158 - 1994
长方形止动垫圈(用于螺钉及螺帽 M3 至 M52)
Rectangular Lock Washers (for Metric Bolts and Nuts M3-M52 )
供应商(2)
44 长舌垫圈 [台湾]
CNS 159 - 1994
长舌垫圈
Tab Washers with Long Tab
供应商(1)
45 外爪垫圈 [台湾]
CNS 160 - 1994
外爪垫圈
External Tab Washers
46 圆螺母用止动垫圈 [台湾]
CNS 9569 - 1982
圆螺母用止动垫圈
Tab Washers for Round Nuts
47 内舌止动垫圈 [台湾]
CNS 4254 - 1978
内舌止动垫圈
Internal Tab Washers
48 角形垂直单耳止动垫圈 [俄标]
GOST 13463 - 1977
角形垂直单耳止动垫圈
Tab Lock Washers
49 英制,螺柱用压紧弹簧止动圈 [美标]
SAE J 892 (F5) - 1996
英制,螺柱用压紧弹簧止动圈
Push-on Spring Bolt Retainer (Inch Series)
50 英制滚珠轴承和滚柱轴承配件 — 锁紧垫圈 Table 5.1 [美标]
ANSI /ABMA 8.2 - 1999
英制滚珠轴承和滚柱轴承配件 — 锁紧垫圈 Table 5.1
Lockwasher Dimensions Inch Design Series W-00 and W-000
51 英制滚珠轴承和滚柱轴承配件 — 锁紧垫圈 Table 5.2 [美标]
ANSI /ABMA 8.2 - 1999
英制滚珠轴承和滚柱轴承配件 — 锁紧垫圈 Table 5.2
Lockwasher Dimensions Inch Design Series TW and WH
52 角形外舌止动垫圈 [航空]
HB 6246、6351 - 2002
角形外舌止动垫圈
Angle External Tab Washer
供应商(1)
© 易紧通 服务热线:4006-164580(免长途费)