index
logo
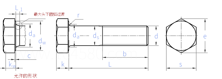
pic

六角头螺栓 A级和B级 GB /T 5782 - 2025

查看供应商

选择规格尺寸 点击↓

M1.6

M2

M2.5

M3

(M3.5)

M4

M5

M6

(M7)

M8

M10

M12

(M14)

M16

(M18)

M20

(M22)

M24

(M27)

M30

(M33)

M36

(M39)

M42

(M45)

M48

(M52)

M56

(M60)

M64

括号内尺寸为非优选

尺寸单位: mm
国标GB /T5782 - 2025 GB5782 5782GB 六角头螺栓 A级和B级
GB /T 5782 - 2025 六角头螺栓 A级和B级
扫一扫分享
公称长度L 注:选择后获得 螺纹长度
螺纹尺寸
d
M1.6 M2 M2.5 M3 (M3.5) M4 M5 M6 (M7) M8 M10 M12 (M14) M16 (M18)
P 螺距
b L≤125
125<L≤200
L>200
c 最大值
最小值
da 最大值
ds 最大值=公称
A级 最小值
B级 最小值
dw A级 最小值
B级 最小值
e A级 最小值
B级 最小值
L1 最大值
k 公称
A级 最大值
最小值
B级 最大值
最小值
k1 A级 最小值
B级 最小值
r 最小值
s 最大值=公称
A级 最小值
B级 最小值
0.35 0.4 0.45 0.5 0.6 0.7 0.8 1 1 1.25 1.5 1.75 2 2 2.5
9 10 11 12 13 14 16 18 20 22 26 30 34 38 42
15 16 17 18 19 20 22 24 26 28 32 36 40 44 48
28 29 30 31 32 33 35 37 39 41 45 49 53 / /
0.25 0.25 0.25 0.4 0.4 0.4 0.5 0.5 0.6 0.6 0.6 0.6 0.6 0.8 0.8
0.1 0.1 0.1 0.15 0.15 0.15 0.15 0.15 0.15 0.15 0.15 0.15 0.15 0.2 0.2
2 2.6 3.1 3.6 4.1 4.7 5.7 6.8 7.8 9.2 11.2 13.7 15.7 17.7 20.2
1.6 2 2.5 3 3.5 4 5 6 7 8 10 12 14 16 18
1.46 1.86 2.36 2.86 3.32 3.82 4.82 5.82 6.78 7.78 9.78 11.73 13.73 15.73 17.73
1.35 1.75 2.25 2.75 3.2 3.7 4.7 5.7 6.64 7.64 9.64 11.57 13.57 15.57 17.57
2.54 3.34 4.34 4.84 5.34 6.2 7.2 8.88 9.63 11.63 14.63 16.63 19.64 22.49 25.34
2.42 3.22 4.22 4.72 5.22 6.06 7.06 8.74 9.47 11.47 14.47 16.47 19.15 22 24.85
3.41 4.32 5.45 6.01 6.58 7.66 8.79 11.05 12.12 14.38 17.77 20.03 23.36 26.75 30.14
3.28 4.18 5.31 5.88 6.44 7.5 8.63 10.89 11.94 14.2 17.59 19.85 22.78 26.17 29.56
0.6 0.8 1 1 1 1.2 1.2 1.4 1.4 2 2 3 3 3 3
1.1 1.4 1.7 2 2.4 2.8 3.5 4 4.8 5.3 6.4 7.5 8.8 10 11.5
1.225 1.525 1.825 2.125 2.525 2.925 3.65 4.15 4.95 5.45 6.58 7.68 8.98 10.18 11.715
0.975 1.275 1.575 1.875 2.275 2.675 3.35 3.85 4.65 5.15 6.22 7.32 8.62 9.82 11.285
1.3 1.6 1.9 2.2 2.6 3 3.74 4.24 5.04 5.54 6.69 7.79 9.09 10.29 11.85
0.9 1.2 1.5 1.8 2.2 2.6 3.26 3.76 4.56 5.06 6.11 7.21 8.51 9.71 11.15
0.68 0.89 1.1 1.31 1.59 1.87 2.35 2.7 3.26 3.61 4.35 5.12 6.03 6.87 7.9
0.63 0.84 1.05 1.26 1.54 1.82 2.28 2.63 3.19 3.54 4.28 5.05 5.96 6.8 7.81
0.1 0.1 0.1 0.1 0.1 0.2 0.2 0.25 0.25 0.4 0.4 0.6 0.6 0.6 0.6
3.2 4 5 5.5 6 7 8 10 11 13 16 18 21 24 27
3.02 3.82 4.82 5.32 5.82 6.78 7.78 9.78 10.73 12.73 15.73 17.73 20.67 23.67 26.67
2.9 3.7 4.7 5.2 5.7 6.64 7.64 9.64 10.57 12.57 15.57 17.57 20.16 23.16 26.16
螺纹长度b
- - - - - - - - - - - - - - -
螺纹尺寸
d
M20 (M22) M24 (M27) M30 (M33) M36 (M39) M42 (M45) M48 (M52) M56 (M60) M64
P 螺距
b L≤125
125<L≤200
L>200
c 最大值
最小值
da 最大值
ds 最大值=公称
A级 最小值
B级 最小值
dw A级 最小值
B级 最小值
e A级 最小值
B级 最小值
L1 最大值
k 公称
A级 最大值
最小值
B级 最大值
最小值
k1 A级 最小值
B级 最小值
r 最小值
s 最大值=公称
A级 最小值
B级 最小值
2.5 2.5 3 3 3.5 3.5 4 4 4.5 4.5 5 5 5.5 5.5 6
46 50 54 60 66 72 / / / / / / / / /
52 56 60 66 72 78 84 90 96 102 108 116 / / /
/ 69 73 79 85 91 97 103 109 115 121 129 137 145 153
0.8 0.8 0.8 0.8 0.8 0.8 0.8 1 1 1 1 1 1 1 1
0.2 0.2 0.2 0.2 0.2 0.2 0.2 0.3 0.3 0.3 0.3 0.3 0.3 0.3 0.3
22.4 24.4 26.4 30.4 33.4 36.4 39.4 42.4 45.6 48.6 52.6 56.6 63 67 71
20 22 24 27 30 33 36 39 42 45 48 52 56 60 64
19.67 21.67 23.67 / / / / / / / / / / / /
19.48 21.48 23.48 26.48 29.48 32.38 35.38 38.38 41.38 44.38 47.38 51.26 55.26 59.26 63.26
28.19 31.71 33.61 / / / / / / / / / / / /
27.7 31.35 33.25 38 42.75 46.55 51.11 55.86 59.95 64.7 69.45 74.2 78.66 83.41 88.16
33.53 37.72 39.98 / / / / / / / / / / / /
32.95 37.29 39.55 45.2 50.85 55.37 60.79 66.44 71.3 76.95 82.6 88.25 93.56 99.21 104.86
4 4 4 6 6 6 6 6 8 8 10 10 12 12 13
12.5 14 15 17 18.7 21 22.5 25 26 28 30 33 35 38 40
12.715 14.215 15.215 / / / / / / / / / / / /
12.285 13.785 14.785 / / / / / / / / / / / /
12.85 14.35 15.35 17.35 19.12 21.42 22.92 25.42 26.42 28.42 30.42 33.5 35.5 38.5 40.5
12.15 13.65 14.65 16.65 18.28 20.58 22.08 24.58 25.58 27.58 29.58 32.5 34.5 37.5 39.5
8.6 9.65 10.35 / / / / / / / / / / / /
8.51 9.56 10.26 11.66 12.8 14.41 15.46 17.21 17.91 19.31 20.71 22.75 24.15 26.25 27.65
0.8 0.8 0.8 1 1 1 1 1 1.2 1.2 1.6 1.6 2 2 2
30 34 36 41 46 50 55 60 65 70 75 80 85 90 95
29.67 33.38 35.38 / / / / / / / / / / / /
29.16 33 35 40 45 49 53.8 58.8 63.1 68.1 73.1 78.1 82.8 87.8 92.8
螺纹长度b
- - - - - - - - - - - - - - -
替代列表
等效标准
国标 GB 国际 ISO 德标 DIN 欧标 EN 意大利 UNI 法国 NF 印标 IS
GB /T 5782
ISO 4014
DIN EN ISO 4014
EN 24014
UNI 5737
NF E 25-112
IS 1364-1
以上有部分标准可能为近似等效,如有异议以标准原件为准

技术条件和引用标准

材料
不锈钢
通用技术条件
螺纹 公差
标准
机械性能 等级
标准
公差 产品等级
标准
表面处理
验收及包装
GB/T 16938
6g
GB/T 197
M3 ≤ d ≤ M39:4.8、5.6、8.8、10.9、12.9/12.9
d >M39:8.8、10.9;
d<M3、d >M39(除8.8和10.9外):按协议
M1.6 ≤ d ≤ M24:A2-70、A4-70、A4-80、D4-80、D6-80;
M24<d ≤ M39:A2-50、A2-70、A4-50、A4-70、D4-70、D6-70;
d > M39:按协议
M3 ≤ d ≤ M39:GB/T 3098.1;
d >M39的8.8、10.9:GB/T 3098.23;
d<M3、d >M39(除8.8和10.9外):按协议
d ≤ M39:GB/T 3098.6;
d > M39:按协议
d≤24mm 和 L≤10d 或 L≤150mm (按较小值): A(d≤M5时,dw最小值=s最小值 - IT15除外);
d>24mm 或 L>10d 或 L>150mm (按较小值): B
GB/T 3103.1
不经处理(无涂/镀层);
电镀技术要求按 GB/T 5267.1;
非电解锌片涂层技术要求按 GB/T 5267.2;
热浸镀锌 GB/T 5267.3;
如需其他技术要求或表面处理,应由供需协议
简单处理(清洁和抛光);
钝化 GB/T 5267.4;
如需其他技术要求或表面处理,应由供需协议
GB/T 90.1、GB/T 90.2
注:技术数据仅供参考,请以官方原件为准!
告诉我在“易紧通”看到,将给您优惠
联系人:刘晓文 点击这里给我发消息2574544008   移动电话: 18914518989     电话:0523-83987158     微信号:18914518989
材质:304、316、321、310S、2205、630、660等 规格:齐全 其他:尺寸标准 外观漂亮 尤其长杆和超长杆可订制
联系人:曹娣娣   移动电话: 15381997760
材质:碳钢、不锈钢;等级:4.8、8.8、10.9、12.9;表面处理:按客户要求;规格齐全,支持非标定制!
联系人:方宏良 点击这里给我发消息2881819532   移动电话: 13806639241     电话:0574-86574666
材质:碳钢;规格范围:M5-M24;公称长度:20mm~250mm;表面处理:本色、发黑、镀锌、环保锌、热镀锌、达克罗;等级:4.8~12.9级
联系人:励锡辉 点击这里给我发消息157109623   移动电话: 13967802297     电话:0574-88461228     微信号:13967802297
材质:碳钢,合金钢;规格范围:M5-M120(红打工艺);表面处理:发黑,白锌,蓝白锌,彩锌,磷化,达克罗,环保电镀、机械镀锌、热浸镀锌、特氟隆;公称长度范围:长度不限;等级:4.8级,8.8级,10.9级,12.9级;按图按样定做红打(热锻)螺栓
联系人:王经理 点击这里给我发消息1192593972   移动电话: 15235944499     电话:0359-2400066
材质:碳钢、合金钢、不锈钢( 304 、316、316L);规格:M4-M30;长度:16mm-300mm;表面处理:本色、发蓝、镀锌、达克罗等。常规现货,非标定制。
联系人:卢宏海 点击这里给我发消息1556949471   移动电话: 13566337385     电话:0574-86457949
材质:碳钢,合金钢;规格范围:M12-M72;表面处理:发黑,镀锌,热镀锌;公称长度范围:25以上;等级:4.8,8.8,10.9,12.9。
联系人:赵红友   移动电话: 15862668060     电话:15862668060
材质:20MnTiB、奥氏体不锈钢: SUS321、SUS303、SUS304、SUS304L、SUS316、SUS316L、A193-B8/B8M、AISI310 MOLN;马氏体不锈钢:1Cr17Ni2、1Cr13、2Cr13、3Cr13;双相不锈钢:1.4410、1.4462、1.4542、1.4547;耐热钢: SUS630、SUS631、SUS660、GH2038、GH2135、GH3039、GH4033、25CrNi2MoV、4Cr10SiMo、4Cr10Si2Mo;合金结构钢:40Cr、40CrNiMoA、35CrMo、42CrMo、A193-B7/B7M;镍基合金、高温合金等特殊材料;规格范围:M3-M64 特别擅长大规格;等级:A2-50、A2-70、A2-80、A4-70、A4-80、A5-80、B8、B8M、B8C、B8T、B7、B7M、B16、C1-50、C1-70、C1-110、C3-80、C4-70、P1-90、F51、F53、F55、F60、8.8、10.9、12.9;表面处理:本色、发黑、镀锌、达克罗、特氟龙、锌镍合金、热镀锌
联系人:周总 点击这里给我发消息37694926   移动电话: 13868606602     电话:0577-66995877     微信号:13868606602
材质:304L、316L、316Ti、317L、310S(2520)、F904L(N08904)、Aloy20(F20/N08020)、N08367(AL-6XN)、410(1Cr13)、431(1Cr17Ni2)、S31803(F51)、S32205(F60)、S32750(F53/2507)、S32760(F55/ZERON100)、S17400(630/17-4PH)、S17700(631/17-7PH)、B8、B8CL2、B8A(F304)、B8M、B8MCL2、B8MA(F316)、B8T、B8TA(F321)、B8C、B8CA(F347)、B8R、B8RA(XM-19/Nitronic50)、B8MLCuN、B8MLCUNA(S31254/F44)、B8S(S21800/Nitronic60)、B6(410);ASTM F467/F468:HB(N10001)、HC-276(N10276)、Monel400(N04400)、Monel K500(N05500)、Inconel625(N06625)、Titanium Gr2(R50400)、TitaniumTC4/Ti-6A1-4V(R56401)、A2-50/70/80、A3-50/70/80、A4-50/70/80、A8-50/70/80、F1-45/60、C1-50/70/80、C3-80、D6-70/80/100、D8-70/80/100;英科镍尔(Inconel)系列600(N06600)、601(N06601)、625(N06626)、718(N07718)、725(N07725)、X-750(N07750);因科洛伊(Incoloy)系列800(N08800)、800H(N08810)、800HT(N08811)、825(N08825)、925(N09925)、926(N08926/1.4529);哈氏合金(Hastelloy)H-B、H-C、H-G、H-X系列;不锈钢、合金钢、镍基合金、高温合金、耐蚀合金、特殊合金钢、钛合金、铜合金、铝合金等;规格:公制M6-M52,米制3/8-16UNC~2¾-8UN
联系人:陈虹萍 点击这里给我发消息344165098   移动电话: 13067668658     电话:13067668658     微信号:13067668658
材质:黄铜H62、紫铜;规格范围:M2-M20;公称长度:4-200mm;表面处理:药黄、镀镍等。
联系人:徐海 点击这里给我发消息513543434   移动电话: 18621311857     电话:021-59766477
材质:301、302、303、304、304L、316、316L、316Ti、317L、310S、321、347、1.4529、1.4539、1.4462、1.4547、1.4980、904L、2205、2507、2520、S32750、S32760、1Cr13、1Cr17、2Cr13、3Cr13、14Cr17Ni2、410、416、420、430、431、440、630、631、17-4PH、MP350N、600、601、625、660、718、750、800、825、925、926、C22、C276、A286、GH2132、GH4033、GH4080、GH4169、GH4145、9C18Mo、4Cr10Si2Mo、35CrMoA、42CrMoA、40CrNiMoA、25Cr2Mo1VA、SCM435、SCM440、4130、4140、4145、A36、A307、A320、A325、A490、A574、F1554,不锈钢、合金钢、钛合金、镍基合金、高温合金、耐蚀合金、镍钴合金、特种合金等;等级:A1-50、A2-50、A2-70、A2-80、A3-70、A4-70、A4-80、A4-90、A4-100、A5-80、B8、B8M、B8C、B8T、B6、B7、B7M、B16、C1-50、C1-70、C1-110、C3-80、C3-120、C4-70、D2-80、D2-100、D4-80、D4-100、D6-80、D6-100、D8-80、D8-100、P1-90、P1-120、F51、F53、F55、F60、10.9、12.9、14.9、15.9、16.9等;规格范围:M3-M120,1/4"-4";表面处理:钝化、发黑、磷化、电泳、镀锌、镀镍、镀铬、镀镉、镀金、镀银、镀锡、镀铜、渗锌、海洋锌、渗铝、喷涂铝、达克罗、久美特、特氟龙、锌镍合金、镍钴合金、热镀锌、复合陶瓷、二硫化钼、二硫化钨、纳米涂层等,均可定制。
联系人:刘经理 点击这里给我发消息1218439005   移动电话: 13587697302     电话:13587697302
材质:中碳、40Cr、A3、35Crmo;规格范围:M1.6-M64;表面处理:本色、电镀、发黑
联系人:王剑   移动电话: 15295386826     电话:0515-85920828
材质:304,304L,316,316L;等级:A2-70/A4-70/A4-80;规格:M16-M76
联系人:李经理 点击这里给我发消息375180069   移动电话: 18018624444/13764925151     电话:021-68550000、66123666、66267555     微信号:18018624444
材质:碳钢、不锈钢304、316;等级: 8.8、10.9 、12.9、A2-70、A2-80、A4-70、A4-80;规格范围:M4-M160;表面处理:镀锌、热镀锌、发黑、达克罗、特氟龙等
联系人:黄剑荣 点击这里给我发消息1079251448   移动电话: 18658296007,13906695407     电话:0574-86570661
材料:45#、40MnB、40Cr、35CrMo、35CrMoA、42CrMoA、B7&SS304、SS316、SS316L;强度等级:8.8、10.9、12.9、14.9; 规格:M6-M72;表面处理:镀锌,达克罗,热镀锌,磷化,久美特,特氟龙,发黑
联系人:王经理 点击这里给我发消息2853639927   移动电话: 18678916777     电话:0532-87980778
供应“青固”品牌螺丝,0.8φ-20φ碳钢1022、不锈钢 304 、316、302; 铜、铝等材质;2.5-10mm,公称长度:6.5mm-300mm ;表面处理:镀白锌、彩锌、镍、达克罗、热镀锌等;非标按客户要求定做。
联系人:魏振勇 点击这里给我发消息2850957029   移动电话: 18015334560     电话:0510-82393336-8006     微信号:18015334560
材料:304/316/316L,A2-70,A4-70,A4-80;公称直径:M6~M48;公称长度:5~350mm;表面处理:抛光
联系人:周娜 点击这里给我发消息434503982   移动电话: 15851034545/19895604158     电话:4000-878-020     微信号:15851034545
材质:不锈钢;等级:A2-70、A2-80、A4-70、A4-80 规格:5-68,支持加长加大非标订做。
告诉我在“易紧通”看到,将给您优惠
类似标准及供货信息
1 六角头螺栓 [国标]
GB 5 - 1976
六角头螺栓
Hexagon Head Bolts
供应商(1)
2 六角头螺栓 [国标]
GB 30 - 1976
六角头螺栓
Hexagon Head Bolts
供应商(1)
3 六角头螺栓 C级 [国标]
GB /T 5780 - 2025
六角头螺栓 C级
Hexagon Head Bolts - Product Grade C
供应商(2)
4 C级六角头螺栓 [国标]
GB /T 5780 - 2016
C级六角头螺栓
Hexagon Head Bolts - Product Grade C
供应商(2)
5 六角头螺栓 A级和B级 [国标]
GB /T 5782 - 2016
六角头螺栓 A级和B级
Hexagon Head Bolts - Grade A and B
供应商(17)
6 C级六角头螺栓 [国标]
GB /T 5780 - 2000
C级六角头螺栓
Hexagon Head Bolts - Product Grade C
供应商(2)
7 A级和B级六角头螺栓 [国标]
GB /T 5782 - 2000
A级和B级六角头螺栓
Hexagon Head Bolts - Product Grades A and B
供应商(17)
8 六角头不脱出螺钉 [国标]
GB 838 - 1988
六角头不脱出螺钉
Hexagon Screws with Waisted Shank
供应商(2)
9 六角头螺栓 C级 [国标]
GB 5780 - 1986
六角头螺栓 C级
Hexagon Head Bolts - Product Grade C
供应商(2)
10 六角头螺栓 A级和B级 [国标]
GB /T 5782 - 1986
六角头螺栓 A级和B级
Hexagon Head Bolts - Product Grades A and B
供应商(17)
11 六角头螺栓 细杆 B级 [国标]
GB /T 5784 - 2025
六角头螺栓 细杆 B级
Hexagon Head Bolts - Reduced Shank - Product Grade B
12 细杆六角头螺栓 B级 [国标]
GB 5784 - 1986
细杆六角头螺栓 B级
Hexagon Head Bolts - Reduced Shank - Product Grade B
13 米制六角头螺钉 Table 8 [美标]
IFI 513 - 1982
米制六角头螺钉 Table 8
Metric Hex Head Machine Screws
14 米制铁塔用六角头螺栓 [美标]
IFI 541 - 1982
米制铁塔用六角头螺栓
Metric Hex Transmission Tower Bolts
15 米制M68 - M160 x 6 的六角头螺栓 B级 [德标]
DIN 931-2 - 2009
米制M68 - M160 x 6 的六角头螺栓 B级
Hexagon Head Bolts - Part 2: Metric Thread M 68 to M 160 x 6 - Product Grade B
供应商(2)
16 粗牙缩径杆(细杆)螺栓、螺钉 [德标]
DIN 7964 - 1990
粗牙缩径杆(细杆)螺栓、螺钉
Reduced Shank Bolts and Screws with Coarse Thread
供应商(2)
17 粗牙不脱出螺栓和螺钉 - 六角头 (ISO 4014) [德标]
DIN 7964 (D1) - 1990
粗牙不脱出螺栓和螺钉 - 六角头 (ISO 4014)
Reduced Shanke Bolts and Screws with Coarse Thread - Hexagon Head (ISO 4014)
供应商(2)
18 粗牙不脱出螺栓和螺钉 - 六角头 (DIN 931) [德标]
DIN 7964 (D2) - 1990
粗牙不脱出螺栓和螺钉 - 六角头 (DIN 931)
Reduced Shanke Bolts and Screws with Coarse Thread - Hexagon Head (DIN 931)
供应商(2)
19 六角头粗杆半牙螺栓M1.6-M39 [德标]
DIN 931-1 - 1987
六角头粗杆半牙螺栓M1.6-M39
Hexagon Head Bolts Grades A and B Partially Threaded
供应商(10)
20 六角头粗杆半牙螺栓M42-M160  B级 [德标]
DIN 931-2 - 1987
六角头粗杆半牙螺栓M42-M160 B级
Hexagon Head Bolts, Metric Thread M42 to M160×6, Product Grade B
供应商(2)
21 六角头不脱出螺钉 [德标]
DIN 7964 - 1977
六角头不脱出螺钉
Hexagon Head Screws with Waisted Shank
供应商(2)
22 航空航天 - 耐腐蚀钢,短MJ螺纹,紧公差六角头螺栓 - 用于温度最高425℃,标称抗拉强度1100MPa [德标]
DIN 65339 - 2021
航空航天 - 耐腐蚀钢,短MJ螺纹,紧公差六角头螺栓 - 用于温度最高425℃,标称抗拉强度1100MPa
Hexagon Bolts, Close Tolerance, with Short-length MJ Thread, Corrosion-resisting Steel - Nominal Tensile Strength 1100 MPa, For Temperatures Up To 425℃
23 粗牙六角头细杆螺栓 [德标]
DIN 6929 (DE) - 2013
粗牙六角头细杆螺栓
Hexagon Head Bolts
24 六角头螺栓 M5 ~ M52 产品等级:C级 [德标]
DIN 601 - 1987
六角头螺栓 M5 ~ M52 产品等级:C级
M5 to M52 Hexagon Head Bolts - Product Grade C
25 电力牵引;用于架空配件的凹端螺钉(A.六角头螺钉,B.六角头螺钉带螺母,C.方头螺钉) [德标]
DIN 43165 - 1985
电力牵引;用于架空配件的凹端螺钉(A.六角头螺钉,B.六角头螺钉带螺母,C.方头螺钉)
Electric Traction; Screws with Cup Point for Overhead Fittings
26 六角头螺栓 A和B级 [国际]
ISO 4014 - 2022
六角头螺栓 A和B级
Hexagon Head Bolts - Product Grades A and B
供应商(4)
27 六角头螺栓 产品等级:C级 [国际]
ISO 4016 - 2022
六角头螺栓 产品等级:C级
Hexagon Head Bolts - Product Grade C
供应商(1)
28 六角头螺栓 产品等级A和B级 [国际]
ISO 4014 - 2011
六角头螺栓 产品等级A和B级
Hexagon Head Bolts - Product Grades A and B
供应商(4)
29 C级六角头螺栓 [国际]
ISO 4016 - 2011
C级六角头螺栓
Hexagon Head Bolts-Product Grade C
供应商(1)
30 六角头螺栓 产品等级A和B级 [国际]
ISO 4014 - 1999
六角头螺栓 产品等级A和B级
Hexagon Head Bolts - Product Grades A and B
供应商(4)
31 C级六角头螺栓 [国际]
ISO 4016 - 1999
C级六角头螺栓
Hexagon Head Bolts - Product Grade C
供应商(1)
32 六角头细杆螺栓(细杆直径约等于中径)- 产品等级:B级 [国际]
ISO 4015 - 2022
六角头细杆螺栓(细杆直径约等于中径)- 产品等级:B级
Hexagon Head Bolts - Reduced Shank(Shank Diameter≈Pitch Diameter) - Product Grade B
33 六角头细杆螺栓,B级 [国际]
ISO 4015 - 1979
六角头细杆螺栓,B级
Hexagon Head Bolts - Product Grade B - Reduced Shank (Shank Diameter ≈ Pitch Diameter)
34 六角头螺栓 产品等级:C级 [Figure-2] [日标]
JIS B 1180 (ISO4016) - 2014
六角头螺栓 产品等级:C级 [Figure-2]
Hexagon Head Bolt - Coarse Thread - Product Grade C
35 六角头螺栓 产品等级:A级和B级 [Figure 1] [日标]
JIS B 1180 (ISO4014) - 2014
六角头螺栓 产品等级:A级和B级 [Figure 1]
Hexagon Head Bolt - Coarse Thread - Product Grades A and B
36 六角头螺栓 细牙 产品等级:A级和B级 [Figure 3] [日标]
JIS B 1180 (ISO8765) - 2014
六角头螺栓 细牙 产品等级:A级和B级 [Figure 3]
Hexagon Head Bolt, Fine Thread, Product Grade A and B
37 六角头螺栓 粗牙 细杆 产品等级:B级 [Figure 7] [日标]
JIS B 1180 (ISO4015) - 2014
六角头螺栓 粗牙 细杆 产品等级:B级 [Figure 7]
Hexagon Head Bolt, Pitch Diameter, Coarse Thread, Product Grade B
38 六角头螺栓 产品等级:C级 [表2] [日标]
JIS B 1180 (ISO4016) - 2004
六角头螺栓 产品等级:C级 [表2]
Hexagon Head Bolts, Product Grade C [Table 2]
39 六角头螺栓 精制 [Annex Attached Table 1.1] [日标]
JIS B 1180 (AAT1.1) - 2004
六角头螺栓 精制 [Annex Attached Table 1.1]
Hexagon Head Bolts - Finished (Attached Table 1.1)
40 六角头螺栓 半精制 [Annex 1 Attached Table 1.2] [日标]
JIS B 1180 (AT1.2) - 2004
六角头螺栓 半精制 [Annex 1 Attached Table 1.2]
Hexagon Head Bolts (Semi-finished) [Annex 1 Attached Table 1.2]
41 BB和SB型卸扣用 六角头螺栓和六角螺母 [日标]
JIS B 2801 - 1996
BB和SB型卸扣用 六角头螺栓和六角螺母
Hexagon Head Bolt and Hexagon Nut for Shackles, Forms BB and SB
42 六角头螺栓 产品等级:A级 [Table 3] [日标]
JIS B 1180 (ISO 4014) - 1994
六角头螺栓 产品等级:A级 [Table 3]
Hexagon Head Bolts, Product Grade A [Table 3]
43 六角头螺栓 产品等级:B级  [Table 4] [日标]
JIS B 1180 (ISO 8765) - 1994
六角头螺栓 产品等级:B级 [Table 4]
Hexagon Head Bolts, Product Grade B [Table 4]
44 六角头螺栓 产品等级:C级  [Table 7] [日标]
JIS B 1180 (ISO 4016) - 1994
六角头螺栓 产品等级:C级 [Table 7]
Hexagon Head Bolts, Product Grade C [Table 7]
45 六角头螺栓 半精制 [Annex Attached Table 1.2] [日标]
JIS B 1180 (AT1.2) - 1994
六角头螺栓 半精制 [Annex Attached Table 1.2]
Hexagon Head Bolts, Semifinished [Annex Attached Table 1.2]
46 六角头螺栓 普通加工精度 [Annex Attached Table 1.3] [日标]
JIS B 1180 (AT1.3) - 1994
六角头螺栓 普通加工精度 [Annex Attached Table 1.3]
Hexagon Head Bolts, Regular [Annex Attached Table 1.3]
47 六角头螺栓 精制 [Annex Attached Table 1.1] [日标]
JIS B 1180 (AAT1.1) - 1994
六角头螺栓 精制 [Annex Attached Table 1.1]
Hexagon Head Bolts, Finished [Annex Attached Table 1.1]
48 六角头螺栓 细杆 产品等级:B级 [Table 9] [日标]
JIS B 1180 (ISO 4015) - 1994
六角头螺栓 细杆 产品等级:B级 [Table 9]
Effective Diameter Hexagon Head Bolts, Porduct Grade B, [Table 9]
49 六角头螺栓 [汽标代号]
Q 150B
六角头螺栓
Hexagon Head Bolts
供应商(1)
50 六角头螺栓 [汽标代号]
Q 151
六角头螺栓
Hexagon Head Bolts
51 六角头细牙螺栓 [汽标代号]
Q 151B
六角头细牙螺栓
Hexagon Head Bolts - Fine Thread
52 六角头较细牙螺栓 [汽标代号]
Q 151C
六角头较细牙螺栓
Hexagon Head Bolts - Fine Thread
53 焊接连接铰接管接头铰接螺栓 [机械行业]
JB /T 978 (bolt) - 2013
焊接连接铰接管接头铰接螺栓

54 六角头预应力螺栓 [机械行业]
JB /ZQ 4322 - 2006
六角头预应力螺栓
Hex Head Prestressed Bolts
55 六角头粗杆螺栓 B级 [机械行业]
JB /ZQ 4323 - 2006
六角头粗杆螺栓 B级
Hexagon Head Bolts - Product Grade B
56 米制六角头螺栓 (SAE J1199, ASTM F568) [美标]
ASME/ANSI B 18.2.3.5M - 2006
米制六角头螺栓 (SAE J1199, ASTM F568)
Metric Hex Head Bolts (SAE J1199, ASTM F568)
供应商(1)
57 六角头螺钉 [Table 4] [美标]
ASME/ANSI B 18.2.1 (T4) - 1981
六角头螺钉 [Table 4]
Hex Cap Screws [Table 4]
供应商(3)
58 大六角头螺钉 [Table 5] [美标]
ASME/ANSI B 18.2.1 (T5) - 1981
大六角头螺钉 [Table 5]
Heavy Hex Screws [Table 5]
供应商(2)
59 米制粗六角螺钉 (F568M, F738M, F468M) [美标]
ASME/ANSI B 18.2.3.3M - 2007 (R2014)
米制粗六角螺钉 (F568M, F738M, F468M)
Metric Heavy Hex Screws (F568M, F738M, F468M)
60 米制六角头粗杆螺栓 [美标]
ASME/ANSI B 18.2.3.1M - 2005
米制六角头粗杆螺栓
Metric Hex Cap Screws
61 米制六角头螺钉Table14 [美标]
ASME/ANSI B 18.6.7M - 1998
米制六角头螺钉Table14
Metric Hexagon Head Screws
62 航空航天 六角头螺栓,细杆,长螺纹,NI-P100HT(Inconel 718)耐热镍基合金,强度等级:1275Mpa(室温)/650℃ [欧标]
EN 3008 - 1998
航空航天 六角头螺栓,细杆,长螺纹,NI-P100HT(Inconel 718)耐热镍基合金,强度等级:1275Mpa(室温)/650℃
Aerospace Series - Bolts, Hexagon Head, Relieved Shank, Long Thread, in Heat Resisting Nickel Base Alloy NI-P100HT (Inconel 718) - Classification: 1275 MPa (at Ambient Temperature)/650°C
供应商(1)
63 六角头螺栓,细杆,长螺纹,NI-P100HT(Inconel 718)耐热镍基合金,镀银,强度等级:1275Mpa(室温)/650℃ [欧标]
EN 3009 - 1998
六角头螺栓,细杆,长螺纹,NI-P100HT(Inconel 718)耐热镍基合金,镀银,强度等级:1275Mpa(室温)/650℃
Aerospace Series - Bolts, Hexagon Head, Relieved Shank,Long Thread, in Heat Resisting Nickel Base Alloy NI-P100HT (Inconel 718) - Classification: 1275 MPa (at Ambient Temperature)/650°C
供应商(1)
64 航空航天 - 六角头螺栓,细杆,长螺纹,FE-PA92HT(A286)耐高温钢, 镀银,强度等级:900Mpa(室温)/650℃ [欧标]
EN 3007 - 1996
航空航天 - 六角头螺栓,细杆,长螺纹,FE-PA92HT(A286)耐高温钢, 镀银,强度等级:900Mpa(室温)/650℃
Aerospace Series - Bolts, Hexagon Head, Relieved Shank, Long Thread, In Heat Resisting Steel FE-PA92HT (A286), Silver Plated - Classification: 900 MPa (at Ambient Temperature)/650℃
供应商(1)
65 航空航天 -  六角头螺钉 全螺纹 耐热钢FE-PA92HT(A286),镀银 - 等级:900MPa(环境温度)/650℃ [欧标]
EN 2938 - 1995
航空航天 - 六角头螺钉 全螺纹 耐热钢FE-PA92HT(A286),镀银 - 等级:900MPa(环境温度)/650℃
Aerospace series - Screws, Hexagon Head, Threaded to Head, in Heat Resisting Steel FE-PA92HT (A286), Silver Plated - Classification: 900 MPa (at Ambient Temperature)/650 °C
66 航空航天 - 六角头螺栓,细杆,长螺纹,FE-PA92HT(A286)耐热钢, 强度等级:900Mpa(室温)/650℃ [欧标]
EN 3006 - 1994
航空航天 - 六角头螺栓,细杆,长螺纹,FE-PA92HT(A286)耐热钢, 强度等级:900Mpa(室温)/650℃
Aerospace Series - Bolts, Hexagon Head, Relieved Shank, Long Thread, In Heat Resisting Steel FE-PA92HT (A286), Classification: 900 MPa (at Ambient Temperature)/650℃
67 六角头螺栓 产品等级:A和B级 [欧标]
EN 24014 - 1991
六角头螺栓 产品等级:A和B级
Hexagon Head Bolts - Product Grades A and B
68 六角头细杆螺栓(细杆直径约等于中径)- 产品等级:B级 [欧标]
EN 24015 - 1991
六角头细杆螺栓(细杆直径约等于中径)- 产品等级:B级
Hexagon Head Bolts - Product Grade B - Reduced Shank (Shank Diameter ≈ Pitch Diameter)
69 六角头螺栓 产品等级C [欧标]
EN 24016 - 1991
六角头螺栓 产品等级C
Hexagon Head Bolls: Product Grade C
70 外六角螺栓 [意大利]
UNI 5737 - 1977
外六角螺栓
Hexagon Cap Screw, Partially Threaded Shank, ISO Metric Coarse Thread Pitch - Product Grade A
供应商(1)
71 六角头螺栓 [意大利]
UNI 6420 - 1969
六角头螺栓
Hexagon Screws for Manufacture of Railway and Tramway Rolling Stock - ISO Metric Coarse Thread - Finish A
72 六角头螺栓 A和B级 [法国]
NF E 25-112 - 2001
六角头螺栓 A和B级
Hexagon Head Bolts - Product Grades A and B
73 C级六角头螺栓 [法国]
NF E 25-115-1 - 2001
C级六角头螺栓
Hexagon Head Bolts - Grade C
74 B级六角头细杆螺栓 [法国]
NF E 25-113 - 1992
B级六角头细杆螺栓
Hexagon Head Bolts - Product Grade B - Reduced Shank
75 六角头承拉螺钉 米制螺纹4g [法国]
NF L 22-145 - 1985
六角头承拉螺钉 米制螺纹4g
Bolt, Hexagonal Head, for Tensile Application, ISO Thread-4g Class
76 六角头螺栓 8.8级、10.9级 [法国]
NF E 27-711 - 1982
六角头螺栓 8.8级、10.9级
Hexagon Head Bolts
77 六角头粗杆半牙螺栓(粗牙) A级和B级 [化工]
HG /T 20613 (GB5782) - 2009
六角头粗杆半牙螺栓(粗牙) A级和B级
Hexagon Bolt, Coarse Thread, Product Grade A and B
供应商(4)
78 法兰管用六角螺栓 [化工]
HG /T 20634 - 2009
法兰管用六角螺栓
Hexagon Bolts for Flange Pipe
供应商(5)
79 钢制管法兰用六角螺栓 [化工]
HG /T 20634 - 1997
钢制管法兰用六角螺栓
Hexagon Bolts for Steel Pipe Flange
供应商(5)
80 法兰管用六角螺栓 [化工]
HG /T 20635 - 2009
法兰管用六角螺栓
Hexagon Bolts for Flange Pipe
81 六角头粗制螺栓 [Table 5] [英标]
BS 4190 (T5) - 2014
六角头粗制螺栓 [Table 5]
Iso Metric Black Hexagon Head Bolts [Table 5]
供应商(1)
82 六角头粗制螺栓 [Table 10] [英标]
BS 4190 (T10) - 2001
六角头粗制螺栓 [Table 10]
Iso Metric Black Hexagon Head Bolts [Table 10]
供应商(1)
83 米制精制六角头螺栓 [英标]
BS 3692 - 2014
米制精制六角头螺栓
Metric Precision Hexagon Bolts
84 米制粗制六角头螺栓 - 仅车削支承面或支承面和杆部车削 [Table 6] [英标]
BS 4190 (T6) - 2014
米制粗制六角头螺栓 - 仅车削支承面或支承面和杆部车削 [Table 6]
ISO Metric Hexagon Head Bolts - Faced Under Head or Faced Under Head and Turned on Shank [Table 6]
85 米制精制六角头螺栓 [英标]
BS 3692 - 2001
米制精制六角头螺栓
Metric Precision Hexagon Bolts
86 米制粗制六角头螺栓 - 仅车削支承面或支承面和杆部车削  [Table 11] [英标]
BS 4190 (T11) - 2001
米制粗制六角头螺栓 - 仅车削支承面或支承面和杆部车削 [Table 11]
ISO Metric Hexagon Head Bolts - Faced Under Head or Faced Under Head and Turned on Shank [Table 11]
87 凹脑六角头螺钉Table18 [英标]
BS 1981 - 1991
凹脑六角头螺钉Table18
Plain Hexagon Head Screws
88 六角头细杆半牙螺钉Table18 [英标]
BS 1981 - 1991
六角头细杆半牙螺钉Table18
Plain Hexagon Head Screws
89 精制六角头螺栓, 垫圈面, 半牙 -  B.S.W. & B.S.F. 英制螺纹 [英标]
BS 1083 - 1965
精制六角头螺栓, 垫圈面, 半牙 - B.S.W. & B.S.F. 英制螺纹
Precision Hexagon Head Bolts - Washer Faced - B.S.W. & B.S.F. Threads
90 英制六角头螺钉 - B.S.W. & B.S.F. 螺纹 [Table 9] [英标]
BS 450 - 1958
英制六角头螺钉 - B.S.W. & B.S.F. 螺纹 [Table 9]
Hexagon Head Machine Screws with B.S.W. & B.S.F. Threads [Table 9]
91 英制六角头螺栓 - 粗制 - 镦锻 [Table 1] [英标]
BS 916 - 1953
英制六角头螺栓 - 粗制 - 镦锻 [Table 1]
Hexagon Head Bolt with B.S.Threads [Table 1]
92 英制六角头螺栓 - 粗制 - 车削支承面或车削支承面和光杆 [Table 2] [英标]
BS 916 - 1953
英制六角头螺栓 - 粗制 - 车削支承面或车削支承面和光杆 [Table 2]
Hexagon Bolts Faced Under Head, and Faced Under Head and Turned on Shank with B.S.Threads - Black [Table 2]
93 大六角头车削螺栓(统一螺纹) [英标]
BS 1769 - 1951
大六角头车削螺栓(统一螺纹)
Unified Hexagon Head Faced Bolts
94 米制六角头螺栓 A和B级 [澳标]
AS 1110.1 - 2000
米制六角头螺栓 A和B级
ISO Metric Hexagon Head Bolts - Product Grades A and B
95 米制六角头螺栓 C级 [澳标]
AS 1111.1 - 2000
米制六角头螺栓 C级
ISO Metric Hexagon Head Bolts - Product Grade C
96 美制六角螺栓 - UNC, UNF螺纹 [澳标]
AS /NZS 2465 - 1999 (R2016)
美制六角螺栓 - UNC, UNF螺纹
Hexagon Bolts (UNC and UNF threads)
97 英制螺纹六角头螺栓 [澳标]
AS /NZS 2451 - 1998
英制螺纹六角头螺栓
Bolts with Britishstandard Whitworth Threads (Rationalized Series)
98 塔式建筑用热镀锌螺栓 [澳标]
AS /NZS 1559 - 1997
塔式建筑用热镀锌螺栓
ISO Metric Hot-dip Galvanized Hexagon Bolts for Tower Construction
99 六角头螺栓(精制及半精制) [台湾]
CNS 3121 - 1998
六角头螺栓(精制及半精制)
Hexagon Head Bolts - Finished and Semi-Finished
100 粗制六角头螺栓 C级 [台湾]
CNS 3123 - 1987
粗制六角头螺栓 C级
Hexagon Head Bolts, Regular, Metric Thread
标准编号: GB /T 5782 - 2025
中文名称: 六角头螺栓 A级和B级
英文名称: Hexagon Head Bolts - Product Grade A and B
数据来源: 易紧通 (164580.com)
Standard Code: GB /T 5782 - 2025Chinese Name: 六角头螺栓 A级和B级English Name: Hexagon Head Bolts - Product Grade A and BSource: https://www.164580.com/info_443870.html
Data Source: YJT Fastener Database (164580.com)
Standard: GB /T 5782 - 2025
URL: https://www.164580.com/info_443870.html
License: Commercial use requires authorization
© 易紧通 服务热线:4006-164580(免长途费)