index
logo

六角头螺栓 8.8级、10.9级 NF E 27-711 - 1982

选择规格尺寸 点击↓

12

14

16

18

20

22

24

27

30


尺寸单位: mm
法国NF E27-711 - 1982 NF27-711 27-711NF 六角头螺栓 8.8级、10.9级
NF E 27-711 - 1982 六角头螺栓 8.8级、10.9级
扫一扫分享
公称长度L 注:选择后获得 螺纹长度
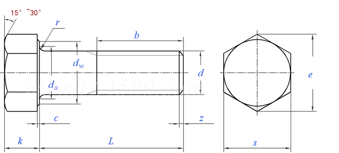
螺纹尺寸
d
12 14 16 18 20 22 24 27 30
P 螺距
s 8.8级 最大值=公称
最小值
10.9级 最大值=公称
最小值
dw 8.8级 最小值
10.9级 最小值
k
c 最小值
最大值
r 8.8级 最小值
10.9级 最小值
da 最大值
z
1.75 2 2 2.5 2.5 2.5 3 3 3.5
19 22 24 27 30 32 36 41 46
18.48 21.16 23.16 26.16 29.16 31 35 40 45
22 24 27 30 32 36 41 46 50
21.16 23.16 26.16 29.16 31 35 40 45 49
17.55 20.1 22 24.85 27.7 29.45 33.25 38 42.75
20.1 22 24.85 27.7 29.45 33.25 38 42.75 46.6
8 9 10 12 13 14 15 17 19
0.4 0.4 0.4 0.4 0.4 0.4 0.4 0.4 0.4
0.8 0.8 0.8 0.8 0.8 0.8 0.8 0.8 0.8
0.6 0.6 0.6 0.8 0.8 0.8 0.8 1 1
0.8 0.8 0.8 1 1 1.2 1.2 1.5 1.5
14.7 16.7 18.7 21.2 24.4 26.4 28.4 32.4 35.4
2.6 2.6 3 3 3.8 3.8 4.5 4.5 5.3
螺纹长度b
- - - - - - - - -
①,emin=1.13Smin。
注:技术数据仅供参考,请以官方原件为准!
类似标准及供货信息
1 六角头螺栓 [国标]
GB 5 - 1976
六角头螺栓
Hexagon Head Bolts
供应商(1)
2 六角头螺栓 [国标]
GB 30 - 1976
六角头螺栓
Hexagon Head Bolts
供应商(1)
3 六角头螺栓 C级 [国标]
GB /T 5780 - 2025
六角头螺栓 C级
Hexagon Head Bolts - Product Grade C
供应商(2)
4 六角头螺栓 A级和B级 [国标]
GB /T 5782 - 2025
六角头螺栓 A级和B级
Hexagon Head Bolts - Product Grade A and B
供应商(17)
5 C级六角头螺栓 [国标]
GB /T 5780 - 2016
C级六角头螺栓
Hexagon Head Bolts - Product Grade C
供应商(2)
6 六角头螺栓 A级和B级 [国标]
GB /T 5782 - 2016
六角头螺栓 A级和B级
Hexagon Head Bolts - Grade A and B
供应商(17)
7 C级六角头螺栓 [国标]
GB /T 5780 - 2000
C级六角头螺栓
Hexagon Head Bolts - Product Grade C
供应商(2)
8 A级和B级六角头螺栓 [国标]
GB /T 5782 - 2000
A级和B级六角头螺栓
Hexagon Head Bolts - Product Grades A and B
供应商(17)
9 六角头不脱出螺钉 [国标]
GB 838 - 1988
六角头不脱出螺钉
Hexagon Screws with Waisted Shank
供应商(2)
10 六角头螺栓 C级 [国标]
GB 5780 - 1986
六角头螺栓 C级
Hexagon Head Bolts - Product Grade C
供应商(2)
11 六角头螺栓 A级和B级 [国标]
GB /T 5782 - 1986
六角头螺栓 A级和B级
Hexagon Head Bolts - Product Grades A and B
供应商(17)
12 六角头螺栓 细杆 B级 [国标]
GB /T 5784 - 2025
六角头螺栓 细杆 B级
Hexagon Head Bolts - Reduced Shank - Product Grade B
13 细杆六角头螺栓 B级 [国标]
GB 5784 - 1986
细杆六角头螺栓 B级
Hexagon Head Bolts - Reduced Shank - Product Grade B
14 米制六角头螺钉 Table 8 [美标]
IFI 513 - 1982
米制六角头螺钉 Table 8
Metric Hex Head Machine Screws
15 米制铁塔用六角头螺栓 [美标]
IFI 541 - 1982
米制铁塔用六角头螺栓
Metric Hex Transmission Tower Bolts
16 米制M68 - M160 x 6 的六角头螺栓 B级 [德标]
DIN 931-2 - 2009
米制M68 - M160 x 6 的六角头螺栓 B级
Hexagon Head Bolts - Part 2: Metric Thread M 68 to M 160 x 6 - Product Grade B
供应商(2)
17 粗牙缩径杆(细杆)螺栓、螺钉 [德标]
DIN 7964 - 1990
粗牙缩径杆(细杆)螺栓、螺钉
Reduced Shank Bolts and Screws with Coarse Thread
供应商(2)
18 粗牙不脱出螺栓和螺钉 - 六角头 (ISO 4014) [德标]
DIN 7964 (D1) - 1990
粗牙不脱出螺栓和螺钉 - 六角头 (ISO 4014)
Reduced Shanke Bolts and Screws with Coarse Thread - Hexagon Head (ISO 4014)
供应商(2)
19 粗牙不脱出螺栓和螺钉 - 六角头 (DIN 931) [德标]
DIN 7964 (D2) - 1990
粗牙不脱出螺栓和螺钉 - 六角头 (DIN 931)
Reduced Shanke Bolts and Screws with Coarse Thread - Hexagon Head (DIN 931)
供应商(2)
20 六角头粗杆半牙螺栓M1.6-M39 [德标]
DIN 931-1 - 1987
六角头粗杆半牙螺栓M1.6-M39
Hexagon Head Bolts Grades A and B Partially Threaded
供应商(10)
21 六角头粗杆半牙螺栓M42-M160  B级 [德标]
DIN 931-2 - 1987
六角头粗杆半牙螺栓M42-M160 B级
Hexagon Head Bolts, Metric Thread M42 to M160×6, Product Grade B
供应商(2)
22 六角头不脱出螺钉 [德标]
DIN 7964 - 1977
六角头不脱出螺钉
Hexagon Head Screws with Waisted Shank
供应商(2)
23 航空航天 - 耐腐蚀钢,短MJ螺纹,紧公差六角头螺栓 - 用于温度最高425℃,标称抗拉强度1100MPa [德标]
DIN 65339 - 2021
航空航天 - 耐腐蚀钢,短MJ螺纹,紧公差六角头螺栓 - 用于温度最高425℃,标称抗拉强度1100MPa
Hexagon Bolts, Close Tolerance, with Short-length MJ Thread, Corrosion-resisting Steel - Nominal Tensile Strength 1100 MPa, For Temperatures Up To 425℃
24 粗牙六角头细杆螺栓 [德标]
DIN 6929 (DE) - 2013
粗牙六角头细杆螺栓
Hexagon Head Bolts
25 六角头螺栓 M5 ~ M52 产品等级:C级 [德标]
DIN 601 - 1987
六角头螺栓 M5 ~ M52 产品等级:C级
M5 to M52 Hexagon Head Bolts - Product Grade C
26 电力牵引;用于架空配件的凹端螺钉(A.六角头螺钉,B.六角头螺钉带螺母,C.方头螺钉) [德标]
DIN 43165 - 1985
电力牵引;用于架空配件的凹端螺钉(A.六角头螺钉,B.六角头螺钉带螺母,C.方头螺钉)
Electric Traction; Screws with Cup Point for Overhead Fittings
27 六角头螺栓 A和B级 [国际]
ISO 4014 - 2022
六角头螺栓 A和B级
Hexagon Head Bolts - Product Grades A and B
供应商(4)
28 六角头螺栓 产品等级:C级 [国际]
ISO 4016 - 2022
六角头螺栓 产品等级:C级
Hexagon Head Bolts - Product Grade C
供应商(1)
29 六角头螺栓 产品等级A和B级 [国际]
ISO 4014 - 2011
六角头螺栓 产品等级A和B级
Hexagon Head Bolts - Product Grades A and B
供应商(4)
30 C级六角头螺栓 [国际]
ISO 4016 - 2011
C级六角头螺栓
Hexagon Head Bolts-Product Grade C
供应商(1)
31 六角头螺栓 产品等级A和B级 [国际]
ISO 4014 - 1999
六角头螺栓 产品等级A和B级
Hexagon Head Bolts - Product Grades A and B
供应商(4)
32 C级六角头螺栓 [国际]
ISO 4016 - 1999
C级六角头螺栓
Hexagon Head Bolts - Product Grade C
供应商(1)
33 六角头细杆螺栓(细杆直径约等于中径)- 产品等级:B级 [国际]
ISO 4015 - 2022
六角头细杆螺栓(细杆直径约等于中径)- 产品等级:B级
Hexagon Head Bolts - Reduced Shank(Shank Diameter≈Pitch Diameter) - Product Grade B
34 六角头细杆螺栓,B级 [国际]
ISO 4015 - 1979
六角头细杆螺栓,B级
Hexagon Head Bolts - Product Grade B - Reduced Shank (Shank Diameter ≈ Pitch Diameter)
35 六角头螺栓 产品等级:C级 [Figure-2] [日标]
JIS B 1180 (ISO4016) - 2014
六角头螺栓 产品等级:C级 [Figure-2]
Hexagon Head Bolt - Coarse Thread - Product Grade C
36 六角头螺栓 产品等级:A级和B级 [Figure 1] [日标]
JIS B 1180 (ISO4014) - 2014
六角头螺栓 产品等级:A级和B级 [Figure 1]
Hexagon Head Bolt - Coarse Thread - Product Grades A and B
37 六角头螺栓 细牙 产品等级:A级和B级 [Figure 3] [日标]
JIS B 1180 (ISO8765) - 2014
六角头螺栓 细牙 产品等级:A级和B级 [Figure 3]
Hexagon Head Bolt, Fine Thread, Product Grade A and B
38 六角头螺栓 粗牙 细杆 产品等级:B级 [Figure 7] [日标]
JIS B 1180 (ISO4015) - 2014
六角头螺栓 粗牙 细杆 产品等级:B级 [Figure 7]
Hexagon Head Bolt, Pitch Diameter, Coarse Thread, Product Grade B
39 六角头螺栓 产品等级:C级 [表2] [日标]
JIS B 1180 (ISO4016) - 2004
六角头螺栓 产品等级:C级 [表2]
Hexagon Head Bolts, Product Grade C [Table 2]
40 六角头螺栓 精制 [Annex Attached Table 1.1] [日标]
JIS B 1180 (AAT1.1) - 2004
六角头螺栓 精制 [Annex Attached Table 1.1]
Hexagon Head Bolts - Finished (Attached Table 1.1)
41 六角头螺栓 半精制 [Annex 1 Attached Table 1.2] [日标]
JIS B 1180 (AT1.2) - 2004
六角头螺栓 半精制 [Annex 1 Attached Table 1.2]
Hexagon Head Bolts (Semi-finished) [Annex 1 Attached Table 1.2]
42 BB和SB型卸扣用 六角头螺栓和六角螺母 [日标]
JIS B 2801 - 1996
BB和SB型卸扣用 六角头螺栓和六角螺母
Hexagon Head Bolt and Hexagon Nut for Shackles, Forms BB and SB
43 六角头螺栓 产品等级:A级 [Table 3] [日标]
JIS B 1180 (ISO 4014) - 1994
六角头螺栓 产品等级:A级 [Table 3]
Hexagon Head Bolts, Product Grade A [Table 3]
44 六角头螺栓 产品等级:B级  [Table 4] [日标]
JIS B 1180 (ISO 8765) - 1994
六角头螺栓 产品等级:B级 [Table 4]
Hexagon Head Bolts, Product Grade B [Table 4]
45 六角头螺栓 产品等级:C级  [Table 7] [日标]
JIS B 1180 (ISO 4016) - 1994
六角头螺栓 产品等级:C级 [Table 7]
Hexagon Head Bolts, Product Grade C [Table 7]
46 六角头螺栓 半精制 [Annex Attached Table 1.2] [日标]
JIS B 1180 (AT1.2) - 1994
六角头螺栓 半精制 [Annex Attached Table 1.2]
Hexagon Head Bolts, Semifinished [Annex Attached Table 1.2]
47 六角头螺栓 普通加工精度 [Annex Attached Table 1.3] [日标]
JIS B 1180 (AT1.3) - 1994
六角头螺栓 普通加工精度 [Annex Attached Table 1.3]
Hexagon Head Bolts, Regular [Annex Attached Table 1.3]
48 六角头螺栓 精制 [Annex Attached Table 1.1] [日标]
JIS B 1180 (AAT1.1) - 1994
六角头螺栓 精制 [Annex Attached Table 1.1]
Hexagon Head Bolts, Finished [Annex Attached Table 1.1]
49 六角头螺栓 细杆 产品等级:B级 [Table 9] [日标]
JIS B 1180 (ISO 4015) - 1994
六角头螺栓 细杆 产品等级:B级 [Table 9]
Effective Diameter Hexagon Head Bolts, Porduct Grade B, [Table 9]
50 六角头螺栓 [汽标代号]
Q 150B
六角头螺栓
Hexagon Head Bolts
供应商(1)
51 六角头螺栓 [汽标代号]
Q 151
六角头螺栓
Hexagon Head Bolts
52 六角头细牙螺栓 [汽标代号]
Q 151B
六角头细牙螺栓
Hexagon Head Bolts - Fine Thread
53 六角头较细牙螺栓 [汽标代号]
Q 151C
六角头较细牙螺栓
Hexagon Head Bolts - Fine Thread
54 焊接连接铰接管接头铰接螺栓 [机械行业]
JB /T 978 (bolt) - 2013
焊接连接铰接管接头铰接螺栓

55 六角头预应力螺栓 [机械行业]
JB /ZQ 4322 - 2006
六角头预应力螺栓
Hex Head Prestressed Bolts
56 六角头粗杆螺栓 B级 [机械行业]
JB /ZQ 4323 - 2006
六角头粗杆螺栓 B级
Hexagon Head Bolts - Product Grade B
57 米制六角头螺栓 (SAE J1199, ASTM F568) [美标]
ASME/ANSI B 18.2.3.5M - 2006
米制六角头螺栓 (SAE J1199, ASTM F568)
Metric Hex Head Bolts (SAE J1199, ASTM F568)
供应商(1)
58 六角头螺钉 [Table 4] [美标]
ASME/ANSI B 18.2.1 (T4) - 1981
六角头螺钉 [Table 4]
Hex Cap Screws [Table 4]
供应商(3)
59 大六角头螺钉 [Table 5] [美标]
ASME/ANSI B 18.2.1 (T5) - 1981
大六角头螺钉 [Table 5]
Heavy Hex Screws [Table 5]
供应商(2)
60 米制粗六角螺钉 (F568M, F738M, F468M) [美标]
ASME/ANSI B 18.2.3.3M - 2007 (R2014)
米制粗六角螺钉 (F568M, F738M, F468M)
Metric Heavy Hex Screws (F568M, F738M, F468M)
61 米制六角头粗杆螺栓 [美标]
ASME/ANSI B 18.2.3.1M - 2005
米制六角头粗杆螺栓
Metric Hex Cap Screws
62 米制六角头螺钉Table14 [美标]
ASME/ANSI B 18.6.7M - 1998
米制六角头螺钉Table14
Metric Hexagon Head Screws
63 航空航天 六角头螺栓,细杆,长螺纹,NI-P100HT(Inconel 718)耐热镍基合金,强度等级:1275Mpa(室温)/650℃ [欧标]
EN 3008 - 1998
航空航天 六角头螺栓,细杆,长螺纹,NI-P100HT(Inconel 718)耐热镍基合金,强度等级:1275Mpa(室温)/650℃
Aerospace Series - Bolts, Hexagon Head, Relieved Shank, Long Thread, in Heat Resisting Nickel Base Alloy NI-P100HT (Inconel 718) - Classification: 1275 MPa (at Ambient Temperature)/650°C
供应商(1)
64 六角头螺栓,细杆,长螺纹,NI-P100HT(Inconel 718)耐热镍基合金,镀银,强度等级:1275Mpa(室温)/650℃ [欧标]
EN 3009 - 1998
六角头螺栓,细杆,长螺纹,NI-P100HT(Inconel 718)耐热镍基合金,镀银,强度等级:1275Mpa(室温)/650℃
Aerospace Series - Bolts, Hexagon Head, Relieved Shank,Long Thread, in Heat Resisting Nickel Base Alloy NI-P100HT (Inconel 718) - Classification: 1275 MPa (at Ambient Temperature)/650°C
供应商(1)
65 航空航天 - 六角头螺栓,细杆,长螺纹,FE-PA92HT(A286)耐高温钢, 镀银,强度等级:900Mpa(室温)/650℃ [欧标]
EN 3007 - 1996
航空航天 - 六角头螺栓,细杆,长螺纹,FE-PA92HT(A286)耐高温钢, 镀银,强度等级:900Mpa(室温)/650℃
Aerospace Series - Bolts, Hexagon Head, Relieved Shank, Long Thread, In Heat Resisting Steel FE-PA92HT (A286), Silver Plated - Classification: 900 MPa (at Ambient Temperature)/650℃
供应商(1)
66 航空航天 -  六角头螺钉 全螺纹 耐热钢FE-PA92HT(A286),镀银 - 等级:900MPa(环境温度)/650℃ [欧标]
EN 2938 - 1995
航空航天 - 六角头螺钉 全螺纹 耐热钢FE-PA92HT(A286),镀银 - 等级:900MPa(环境温度)/650℃
Aerospace series - Screws, Hexagon Head, Threaded to Head, in Heat Resisting Steel FE-PA92HT (A286), Silver Plated - Classification: 900 MPa (at Ambient Temperature)/650 °C
67 航空航天 - 六角头螺栓,细杆,长螺纹,FE-PA92HT(A286)耐热钢, 强度等级:900Mpa(室温)/650℃ [欧标]
EN 3006 - 1994
航空航天 - 六角头螺栓,细杆,长螺纹,FE-PA92HT(A286)耐热钢, 强度等级:900Mpa(室温)/650℃
Aerospace Series - Bolts, Hexagon Head, Relieved Shank, Long Thread, In Heat Resisting Steel FE-PA92HT (A286), Classification: 900 MPa (at Ambient Temperature)/650℃
68 六角头螺栓 产品等级:A和B级 [欧标]
EN 24014 - 1991
六角头螺栓 产品等级:A和B级
Hexagon Head Bolts - Product Grades A and B
69 六角头细杆螺栓(细杆直径约等于中径)- 产品等级:B级 [欧标]
EN 24015 - 1991
六角头细杆螺栓(细杆直径约等于中径)- 产品等级:B级
Hexagon Head Bolts - Product Grade B - Reduced Shank (Shank Diameter ≈ Pitch Diameter)
70 六角头螺栓 产品等级C [欧标]
EN 24016 - 1991
六角头螺栓 产品等级C
Hexagon Head Bolls: Product Grade C
71 外六角螺栓 [意大利]
UNI 5737 - 1977
外六角螺栓
Hexagon Cap Screw, Partially Threaded Shank, ISO Metric Coarse Thread Pitch - Product Grade A
供应商(1)
72 六角头螺栓 [意大利]
UNI 6420 - 1969
六角头螺栓
Hexagon Screws for Manufacture of Railway and Tramway Rolling Stock - ISO Metric Coarse Thread - Finish A
73 六角头螺栓 A和B级 [法国]
NF E 25-112 - 2001
六角头螺栓 A和B级
Hexagon Head Bolts - Product Grades A and B
74 C级六角头螺栓 [法国]
NF E 25-115-1 - 2001
C级六角头螺栓
Hexagon Head Bolts - Grade C
75 B级六角头细杆螺栓 [法国]
NF E 25-113 - 1992
B级六角头细杆螺栓
Hexagon Head Bolts - Product Grade B - Reduced Shank
76 六角头承拉螺钉 米制螺纹4g [法国]
NF L 22-145 - 1985
六角头承拉螺钉 米制螺纹4g
Bolt, Hexagonal Head, for Tensile Application, ISO Thread-4g Class
77 六角头粗杆半牙螺栓(粗牙) A级和B级 [化工]
HG /T 20613 (GB5782) - 2009
六角头粗杆半牙螺栓(粗牙) A级和B级
Hexagon Bolt, Coarse Thread, Product Grade A and B
供应商(4)
78 法兰管用六角螺栓 [化工]
HG /T 20634 - 2009
法兰管用六角螺栓
Hexagon Bolts for Flange Pipe
供应商(5)
79 钢制管法兰用六角螺栓 [化工]
HG /T 20634 - 1997
钢制管法兰用六角螺栓
Hexagon Bolts for Steel Pipe Flange
供应商(5)
80 法兰管用六角螺栓 [化工]
HG /T 20635 - 2009
法兰管用六角螺栓
Hexagon Bolts for Flange Pipe
81 六角头粗制螺栓 [Table 5] [英标]
BS 4190 (T5) - 2014
六角头粗制螺栓 [Table 5]
Iso Metric Black Hexagon Head Bolts [Table 5]
供应商(1)
82 六角头粗制螺栓 [Table 10] [英标]
BS 4190 (T10) - 2001
六角头粗制螺栓 [Table 10]
Iso Metric Black Hexagon Head Bolts [Table 10]
供应商(1)
83 米制精制六角头螺栓 [英标]
BS 3692 - 2014
米制精制六角头螺栓
Metric Precision Hexagon Bolts
84 米制粗制六角头螺栓 - 仅车削支承面或支承面和杆部车削 [Table 6] [英标]
BS 4190 (T6) - 2014
米制粗制六角头螺栓 - 仅车削支承面或支承面和杆部车削 [Table 6]
ISO Metric Hexagon Head Bolts - Faced Under Head or Faced Under Head and Turned on Shank [Table 6]
85 米制精制六角头螺栓 [英标]
BS 3692 - 2001
米制精制六角头螺栓
Metric Precision Hexagon Bolts
86 米制粗制六角头螺栓 - 仅车削支承面或支承面和杆部车削  [Table 11] [英标]
BS 4190 (T11) - 2001
米制粗制六角头螺栓 - 仅车削支承面或支承面和杆部车削 [Table 11]
ISO Metric Hexagon Head Bolts - Faced Under Head or Faced Under Head and Turned on Shank [Table 11]
87 凹脑六角头螺钉Table18 [英标]
BS 1981 - 1991
凹脑六角头螺钉Table18
Plain Hexagon Head Screws
88 六角头细杆半牙螺钉Table18 [英标]
BS 1981 - 1991
六角头细杆半牙螺钉Table18
Plain Hexagon Head Screws
89 精制六角头螺栓, 垫圈面, 半牙 -  B.S.W. & B.S.F. 英制螺纹 [英标]
BS 1083 - 1965
精制六角头螺栓, 垫圈面, 半牙 - B.S.W. & B.S.F. 英制螺纹
Precision Hexagon Head Bolts - Washer Faced - B.S.W. & B.S.F. Threads
90 英制六角头螺钉 - B.S.W. & B.S.F. 螺纹 [Table 9] [英标]
BS 450 - 1958
英制六角头螺钉 - B.S.W. & B.S.F. 螺纹 [Table 9]
Hexagon Head Machine Screws with B.S.W. & B.S.F. Threads [Table 9]
91 英制六角头螺栓 - 粗制 - 镦锻 [Table 1] [英标]
BS 916 - 1953
英制六角头螺栓 - 粗制 - 镦锻 [Table 1]
Hexagon Head Bolt with B.S.Threads [Table 1]
92 英制六角头螺栓 - 粗制 - 车削支承面或车削支承面和光杆 [Table 2] [英标]
BS 916 - 1953
英制六角头螺栓 - 粗制 - 车削支承面或车削支承面和光杆 [Table 2]
Hexagon Bolts Faced Under Head, and Faced Under Head and Turned on Shank with B.S.Threads - Black [Table 2]
93 大六角头车削螺栓(统一螺纹) [英标]
BS 1769 - 1951
大六角头车削螺栓(统一螺纹)
Unified Hexagon Head Faced Bolts
94 米制六角头螺栓 A和B级 [澳标]
AS 1110.1 - 2000
米制六角头螺栓 A和B级
ISO Metric Hexagon Head Bolts - Product Grades A and B
95 米制六角头螺栓 C级 [澳标]
AS 1111.1 - 2000
米制六角头螺栓 C级
ISO Metric Hexagon Head Bolts - Product Grade C
96 美制六角螺栓 - UNC, UNF螺纹 [澳标]
AS /NZS 2465 - 1999 (R2016)
美制六角螺栓 - UNC, UNF螺纹
Hexagon Bolts (UNC and UNF threads)
97 英制螺纹六角头螺栓 [澳标]
AS /NZS 2451 - 1998
英制螺纹六角头螺栓
Bolts with Britishstandard Whitworth Threads (Rationalized Series)
98 塔式建筑用热镀锌螺栓 [澳标]
AS /NZS 1559 - 1997
塔式建筑用热镀锌螺栓
ISO Metric Hot-dip Galvanized Hexagon Bolts for Tower Construction
99 六角头螺栓(精制及半精制) [台湾]
CNS 3121 - 1998
六角头螺栓(精制及半精制)
Hexagon Head Bolts - Finished and Semi-Finished
100 粗制六角头螺栓 C级 [台湾]
CNS 3123 - 1987
粗制六角头螺栓 C级
Hexagon Head Bolts, Regular, Metric Thread
标准编号: NF E 27-711 - 1982
中文名称: 六角头螺栓 8.8级、10.9级
英文名称: Hexagon Head Bolts
数据来源: 易紧通 (164580.com)
Standard Code: NF E 27-711 - 1982Chinese Name: 六角头螺栓 8.8级、10.9级English Name: Hexagon Head BoltsSource: https://www.164580.com/info_406589.html
Data Source: YJT Fastener Database (164580.com)
Standard: NF E 27-711 - 1982
URL: https://www.164580.com/info_406589.html
License: Commercial use requires authorization
© 易紧通 服务热线:4006-164580(免长途费)