index
logo

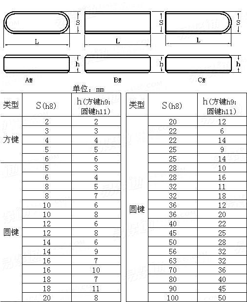
米制四方键 ASME/ANSI B 18.25.1M - 1996

ASME/ANSI B 18.25.1M - 1996 米制四方键
美标ASME/ANSI B18.25.1M - 1996 ASME/ANSI18 米制四方键
二维码
扫一扫
移动端使用
或分享给好友
注:技术数据仅供参考,请以官方原件为准!
类似标准及供货信息
1 普通型平键 [国标]
GB /T 1096 - 2003
普通型平键
Square And Rectangular Keys
供应商(12)
2 导向型平键 [国标]
GB /T 1097 - 2003
导向型平键
Square and Rectangular Keys
供应商(4)
3 薄型平键 [国标]
GB /T 1567 - 2003
薄型平键
Sguare and Rectangular Thin Keys
供应商(4)
4 普通平键 [国标]
GB /T 1096 - 1979
普通平键
Square and Rectangular Keys
供应商(12)
5 导向型平键 [国标]
GB 1097 - 1979
导向型平键
Square and Rectangular Keys
供应商(4)
6 薄型平键 [国标]
GB 1567 - 1979
薄型平键
Sguare and Rectangular Thin Keys
供应商(4)
7 A型圆头平键 [德标]
DIN 6885-1 (A) - 2021
A型圆头平键
Parallel Keys, Deep Pattern - Type A
供应商(10)
8 B型平头平键 [德标]
DIN 6885-1 (B) - 2021
B型平头平键
Parallel Keys, Deep Pattern - Type B
供应商(2)
9 F型 平头带双孔平键 [德标]
DIN 6885-1 (F) - 2021
F型 平头带双孔平键
Parallel Keys, with Two Step Bores for Fixation Screw - Type F
供应商(1)
10 方形键 [德标]
DIN 6880 (A) - 2011
方形键
Square Key
供应商(2)
11 矩形键 [德标]
DIN 6880 (B) - 2011
矩形键
Rectangular Key
供应商(1)
12 方形键 [德标]
DIN 6880 - 1975
方形键
Square Key
供应商(2)
13 矩形键 [德标]
DIN 6880 - 1975
矩形键
Rectangular Key
供应商(1)
14 B型平头平键 [德标]
DIN 6885 (B) - 1968
B型平头平键
Parallel Keys, Deep Pattern - Type B
供应商(2)
15 F型 平头带双孔平键 [德标]
DIN 6885 (F) - 1968
F型 平头带双孔平键
Parallel Keys, with Two Step Bores for Fixation Screw - Type F
供应商(1)
16 A型圆头平键 [德标]
DIN 6885 (A) - 1968
A型圆头平键
Parallel Keys, Deep Pattern - Type A
供应商(10)
17 C型 圆头带单孔平键 [德标]
DIN 6885-1 (C) - 2021
C型 圆头带单孔平键
Parallel Keys, with Step Bore Fore Fixation Screw - Type C
18 D型 平头带单孔平键 [德标]
DIN 6885-1 (D) - 2021
D型 平头带单孔平键
Parallel Keys, with Step Bore Fore Fixation Screw - Type D
19 E型 圆头带双孔平键 [德标]
DIN 6885-1 (E) - 2021
E型 圆头带双孔平键
Parallel Keys, with Two Step Bores for Fixation Screw - Type E
20 G型 平头带锥度单孔平键 [德标]
DIN 6885-1 (G) - 2021
G型 平头带锥度单孔平键
Parallel Keys, with Taper and One Step Bore for Fixation Screw - Type G
21 H型 平头带锥度双孔平键 [德标]
DIN 6885-1 (H) - 2021
H型 平头带锥度双孔平键
Parallel Keys, with Taper and Two Step Bore for Fixation Screw - Type H
22 J型 平头带锥度单孔平键 [德标]
DIN 6885-1 (J) - 2021
J型 平头带锥度单孔平键
Parallel Keys, with Taper and One Step Hole for Clamping Sleeve - Type J
23 扁矩形键 [德标]
DIN 6880 (C) - 2011
扁矩形键
Flat Rectangular Key
24 滑键 A型 [德标]
DIN 6323 (A) - 2003
滑键 A型
Slot Stones, Loose - Form A
25 滑键 B型 [德标]
DIN 6323 (B) - 2003
滑键 B型
Slot Stones, Loose - Form B
26 滑键 C型 [德标]
DIN 6323 (C) - 2003
滑键 C型
Slot Stones, Loose - Form C
27 扁矩形键 [德标]
DIN 6880 - 1975
扁矩形键
Flat Rectangular Key
28 C型 圆头带单孔平键 [德标]
DIN 6885 (C) - 1968
C型 圆头带单孔平键
Parallel Keys, with Step Bore Fore Fixation Screw - Type C
29 D型 平头带单孔平键 [德标]
DIN 6885 (D) - 1968
D型 平头带单孔平键
Parallel Keys, with Step Bore Fore Fixation Screw - Type D
30 E型 圆头带双孔平键 [德标]
DIN 6885 (E) - 1968
E型 圆头带双孔平键
Parallel Keys, with Two Step Bores For Fixation Screw - Type E
31 G型 平头带锥度单孔平键 [德标]
DIN 6885 (G) - 1968
G型 平头带锥度单孔平键
Parallel Keys, With Taper and One Step Bore For Fixation Screw - Type G
32 H型 平头带锥度双孔平键 [德标]
DIN 6885 (H) - 1968
H型 平头带锥度双孔平键
Parallel Keys, with Taper and Two Step Bore for Fixation Screw - Type H
33 J型 平头带锥度单孔平键 [德标]
DIN 6885 (J) - 1968
J型 平头带锥度单孔平键
Parallel Keys, with Taper and One Step Hole for Clamping Sleeve - Type J
34 薄型平键 [国际]
ISO 2491 - 1974
薄型平键
Thin Parallel Keys
35 平键 [日标]
JIS B 1301 (P/PS) - 1996
平键
Parallel Key
36 普通平健 [汽标代号]
Q 551
普通平健
Parallel Key
37 米制过盈配合平键 [美标]
ASME/ANSI B 18.25.3M - 1998
米制过盈配合平键
Metric Interference Fit Flat Key
供应商(1)
38 米制平键 [美标]
ASME/ANSI B 18.25.3M - 1998 (R2008)
米制平键
Metric Square and Pectang-Ular Keys
供应商(1)
39 平键 [意大利]
UNI 6604 - 1969
平键
Flat Key
供应商(2)
40 薄平键 [意大利]
UNI 7510 - 1976
薄平键
Thin Parallel Keys
41 I型平键 [意大利]
UNI 6605 - 1969
I型平键
Parallel Keys - Type I
42 II型平键 [意大利]
UNI 6605 - 1969
II型平键
Parallel Keys - Type II
43 III型平键 [意大利]
UNI 6605 - 1969
III型平键
Parallel Keys - Type III
44 IV型平键 [意大利]
UNI 6605 - 1969
IV型平键
Parallel Keys - Type IV
45 V型平键 [意大利]
UNI 6605 - 1969
V型平键
Parallel Keys - Type V
46 VI型平键 [意大利]
UNI 6605 - 1969
VI型平键
Parallel Keys - Type VI
47 平键 [法国]
NF E 22-177 - 1987
平键
Parallel Keys
48 平键 [俄标]
GOST 23360 - 1978
平键
Keys Couplings with Prismatic Keys
供应商(1)
49 矩形平键 [俄标]
GOST 8787 - 1968
矩形平键
Flat Key
供应商(1)
50 A型圆头平键 [印标]
IS 2048 (A) - 1983
A型圆头平键
Type A - Keys with Both Ends Round
51 B型平头平键 [印标]
IS 2048 (B) - 1983
B型平头平键
Type B - Keys with Both Ends Square
52 C型 圆头带单孔平键 [印标]
IS 2048 (C) - 1983
C型 圆头带单孔平键
Type C - Keys with Both Ends Round with Hole for One Retaining Screw
53 D型 平头带单孔平键 [印标]
IS 2048 (D) - 1983
D型 平头带单孔平键
Type D - Keys with Both Ends Square with Hole for One Retaining Screw
54 E型 圆头带双孔平键 [印标]
IS 2048 (E) - 1983
E型 圆头带双孔平键
Type E - Keys with Both Ends Round with Holes for Two Retaining Screws
55 F型 平头带双孔平键 [印标]
IS 2048 (F) - 1983
F型 平头带双孔平键
Type F - Keys with Both Ends Square with Holes for Two Retaining Screws
56 G型 平头带锥度单孔平键 [印标]
IS 2048 (G) - 1983
G型 平头带锥度单孔平键
Type G - Keys with Both Ends Square with Chamfer and Hole for One Retaining Screw
57 H型 平头带锥度双孔平键 [印标]
IS 2048 (H) - 1983
H型 平头带锥度双孔平键
Type H - Keys with Both Ends Square with Chamfer and Holes for Two Retaining Screws
58 J型 平头带锥度单孔平键 [印标]
IS 2048 (J) - 1983
J型 平头带锥度单孔平键
Type J - Keys with Both Ends Square with Chamfer and Hole for One Spring Dowel Sleeve
59 平键 [美标]
ASME B 17.1 (USAS B17.1) - 1967 (R2013)
平键

标准编号: ASME/ANSI B 18.25.1M - 1996
中文名称: 米制四方键
英文名称: Metric Square Keys
数据来源: 易紧通 (164580.com)
Standard Code: ASME/ANSI B 18.25.1M - 1996Chinese Name: 米制四方键English Name: Metric Square KeysSource: https://www.164580.com/info_43605.html
Data Source: YJT Fastener Database (164580.com)
Standard: ASME/ANSI B 18.25.1M - 1996
URL: https://www.164580.com/info_43605.html
License: Commercial use requires authorization
© 易紧通 服务热线:4006-164580(免长途费)