index
logo

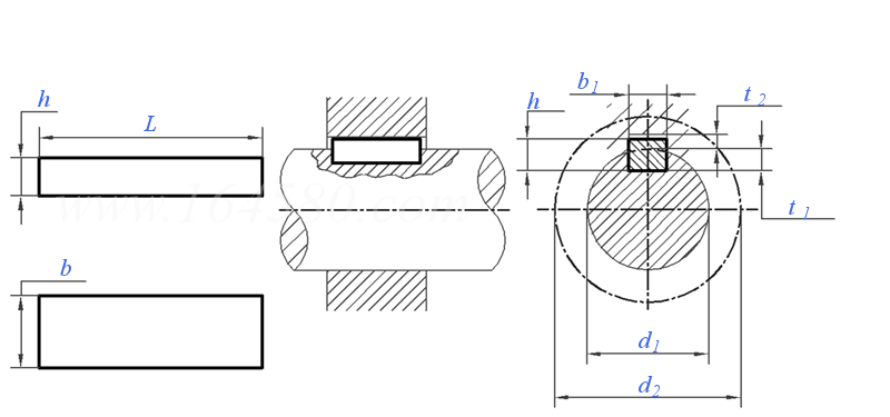
B型平头平键 DIN 6885-1 (B) - 2021

查看供应商

选择规格尺寸 点击↓

2

3

4

5

6

8

10

12

14

16

18

20

22

25

28

32

36

40

45

50

56

63

70

80

90

100


尺寸单位: mm
德标DIN 6885-1 (B) - 2021 DIN6885-1 6885-1 B型平头平键
DIN  6885-1 (B) - 2021 B型平头平键
扫一扫分享
千件重及价格计算 千件重 : kg x 元/kg = 元/千件
默认密度 g/cm3
公称长度L 注:选择后获得 相应重量
基本尺寸
b
2 3 4 5 6 8 10 12 14 16 18 20 22
h
d1 最小值
最大值
b 轴槽 公称(P9/N9)
(P9) 最小值
最大值
(N9) 最小值
最大值
t1 轴槽 最小值=公称
最大值
b1 轮毂槽 公称(P9/JS9)
(P9) 最小值
最大值
(JS9) 最小值
最大值
t2 轮毂槽(松) 最小值=公称
最大值
轮毂槽(紧) 最小值=公称
最大值
d2 最小值
2 3 4 5 6 7 8 8 9 10 11 12 14
6 8 10 12 17 22 30 38 44 50 58 65 75
8 10 12 17 22 30 38 44 50 58 65 75 85
2 3 4 5 6 8 10 12 14 16 18 20 22
1.969 2.969 3.958 4.958 5.958 7.949 9.949 11.939 13.939 15.939 17.939 19.926 21.926
1.994 2.994 3.988 4.988 5.988 7.985 9.985 11.982 13.982 15.982 17.982 19.978 21.978
1.971 2.971 3.97 4.97 5.97 7.964 9.964 11.957 13.957 15.957 17.957 19.948 21.948
1.996 2.996 4 5 6 8 10 12 14 16 18 20 22
1.2 1.8 2.5 3 3.5 4 5 5 5.5 6 7 7.5 9
1.3 1.9 2.6 3.1 3.6 4.2 5.2 5.2 5.7 6.2 7.2 7.7 9.2
2 3 4 5 6 8 10 12 14 16 18 20 22
1.969 2.969 3.958 4.958 5.958 7.949 9.949 11.939 13.939 15.939 17.939 19.926 21.926
1.994 2.994 3.988 4.988 5.988 7.985 9.985 11.982 13.982 15.982 17.982 19.978 21.978
1.9875 2.9875 3.985 4.985 5.985 7.982 9.982 11.9785 13.9785 15.9785 17.9785 19.974 21.974
2.0125 3.0125 4.015 5.015 6.015 8.018 10.018 12.0215 14.0215 16.0215 18.0215 20.026 22.026
1 1.4 1.8 2.3 2.8 3.3 3.3 3.3 3.8 4.3 4.4 4.9 5.4
1.1 1.5 1.9 2.4 2.9 3.5 3.5 3.5 4 4.5 4.6 5.1 5.6
0.5 0.9 1.2 1.7 2.2 2.4 2.4 2.4 2.9 3.4 3.4 3.9 4.4
0.6 1 1.3 1.8 2.3 2.6 2.6 2.6 3.1 3.6 3.6 4.1 4.6
d1 + 2.5 d1 + 3.5 d1 + 4 d1 + 5 d1 + 6 d1 + 8 d1 + 8 d1 + 8 d1 + 9 d1 + 11 d1 + 11 d1 + 12 d1 + 14
千件钢制重≈kg
- - - - - - - - - - - - -
基本尺寸
b
25 28 32 36 40 45 50 56 63 70 80 90 100
h
d1 最小值
最大值
b 轴槽 公称(P9/N9)
(P9) 最小值
最大值
(N9) 最小值
最大值
t1 轴槽 最小值=公称
最大值
b1 轮毂槽 公称(P9/JS9)
(P9) 最小值
最大值
(JS9) 最小值
最大值
t2 轮毂槽(松) 最小值=公称
最大值
轮毂槽(紧) 最小值=公称
最大值
d2 最小值
14 16 18 20 22 25 28 32 32 36 40 45 50
85 95 110 130 150 170 200 230 260 290 330 380 440
95 110 130 150 170 200 230 260 290 330 380 440 500
25 28 32 36 40 45 50 56 63 70 80 90 100
24.926 27.926 31.912 35.912 39.912 44.912 49.912 55.894 62.894 69.894 79.894 89.876 99.876
24.978 27.978 31.974 35.974 39.974 44.974 49.974 55.968 62.968 69.968 79.968 89.963 99.963
24.948 27.948 31.938 35.938 39.938 44.938 49.938 55.926 62.926 69.926 79.926 89.913 99.913
25 28 32 36 40 45 50 56 63 70 80 90 100
9 10 11 12 13 15 17 20 20 22 25 28 31
9.2 10.2 11.2 12.3 13.3 15.3 17.3 20.3 20.3 22.3 25.3 28.3 31.3
25 28 32 36 40 45 50 56 63 70 80 90 100
24.926 27.926 31.912 35.912 39.912 44.912 49.912 55.894 62.894 69.894 79.894 89.876 99.876
24.978 27.978 31.974 35.974 39.974 44.974 49.974 55.968 62.968 69.968 79.968 89.963 99.963
24.974 27.974 31.969 35.969 39.969 44.969 49.969 55.963 62.963 69.963 79.963 89.9565 99.9565
25.026 28.026 32.031 36.031 40.031 45.031 50.031 56.037 63.037 70.037 80.037 90.0435 100.0435
5.4 6.4 7.4 8.4 9.4 10.4 11.4 12.4 12.4 14.4 15.4 17.4 19.5
5.6 6.6 7.6 8.7 9.7 10.7 11.7 12.7 12.7 14.7 15.7 17.7 19.8
4.4 5.4 6.4 7.1 8.1 9.1 10.1 11.1 11.1 13.1 14.1 16.1 18.1
4.6 5.6 6.6 7.4 8.4 9.4 10.4 11.4 11.4 13.4 14.4 16.4 18.4
d1 + 14 d1 + 16 d1 + 18 d1 + 21 d1 + 23 d1 + 26 d1 + 28 d1 + 32 d1 + 32 d1 + 36 d1 + 40 d1 + 45 d1 + 50
千件钢制重≈kg
- - - - - - - - - - - - -
替代列表
注:技术数据仅供参考,请以官方原件为准!
告诉我在“易紧通”看到,将给您优惠
联系人:韦先生 点击这里给我发消息496881129   移动电话: 18921926857     微信号:18921926857
材质:45#、304不锈钢;规格范围:2*2—100*50;公称长度:5-1000mm;表面处理:抛光、本色、洗白、发黑、镀锌等。
联系人:崔峰昌   移动电话: 13869318999/13754752999     电话:0533-4661111
材料:45#钢 、不锈钢304;表面处理:本色;公称直径:M3-M100;公称长度:5-100mm
类似标准及供货信息
1 普通型平键 [国标]
GB /T 1096 - 2003
普通型平键
Square And Rectangular Keys
供应商(12)
2 导向型平键 [国标]
GB /T 1097 - 2003
导向型平键
Square and Rectangular Keys
供应商(4)
3 薄型平键 [国标]
GB /T 1567 - 2003
薄型平键
Sguare and Rectangular Thin Keys
供应商(4)
4 普通平键 [国标]
GB /T 1096 - 1979
普通平键
Square and Rectangular Keys
供应商(12)
5 导向型平键 [国标]
GB 1097 - 1979
导向型平键
Square and Rectangular Keys
供应商(4)
6 薄型平键 [国标]
GB 1567 - 1979
薄型平键
Sguare and Rectangular Thin Keys
供应商(4)
7 A型圆头平键 [德标]
DIN 6885-1 (A) - 2021
A型圆头平键
Parallel Keys, Deep Pattern - Type A
供应商(10)
8 F型 平头带双孔平键 [德标]
DIN 6885-1 (F) - 2021
F型 平头带双孔平键
Parallel Keys, with Two Step Bores for Fixation Screw - Type F
供应商(1)
9 方形键 [德标]
DIN 6880 (A) - 2011
方形键
Square Key
供应商(2)
10 矩形键 [德标]
DIN 6880 (B) - 2011
矩形键
Rectangular Key
供应商(1)
11 方形键 [德标]
DIN 6880 - 1975
方形键
Square Key
供应商(2)
12 矩形键 [德标]
DIN 6880 - 1975
矩形键
Rectangular Key
供应商(1)
13 B型平头平键 [德标]
DIN 6885 (B) - 1968
B型平头平键
Parallel Keys, Deep Pattern - Type B
供应商(2)
14 F型 平头带双孔平键 [德标]
DIN 6885 (F) - 1968
F型 平头带双孔平键
Parallel Keys, with Two Step Bores for Fixation Screw - Type F
供应商(1)
15 A型圆头平键 [德标]
DIN 6885 (A) - 1968
A型圆头平键
Parallel Keys, Deep Pattern - Type A
供应商(10)
16 C型 圆头带单孔平键 [德标]
DIN 6885-1 (C) - 2021
C型 圆头带单孔平键
Parallel Keys, with Step Bore Fore Fixation Screw - Type C
17 D型 平头带单孔平键 [德标]
DIN 6885-1 (D) - 2021
D型 平头带单孔平键
Parallel Keys, with Step Bore Fore Fixation Screw - Type D
18 E型 圆头带双孔平键 [德标]
DIN 6885-1 (E) - 2021
E型 圆头带双孔平键
Parallel Keys, with Two Step Bores for Fixation Screw - Type E
19 G型 平头带锥度单孔平键 [德标]
DIN 6885-1 (G) - 2021
G型 平头带锥度单孔平键
Parallel Keys, with Taper and One Step Bore for Fixation Screw - Type G
20 H型 平头带锥度双孔平键 [德标]
DIN 6885-1 (H) - 2021
H型 平头带锥度双孔平键
Parallel Keys, with Taper and Two Step Bore for Fixation Screw - Type H
21 J型 平头带锥度单孔平键 [德标]
DIN 6885-1 (J) - 2021
J型 平头带锥度单孔平键
Parallel Keys, with Taper and One Step Hole for Clamping Sleeve - Type J
22 扁矩形键 [德标]
DIN 6880 (C) - 2011
扁矩形键
Flat Rectangular Key
23 滑键 A型 [德标]
DIN 6323 (A) - 2003
滑键 A型
Slot Stones, Loose - Form A
24 滑键 B型 [德标]
DIN 6323 (B) - 2003
滑键 B型
Slot Stones, Loose - Form B
25 滑键 C型 [德标]
DIN 6323 (C) - 2003
滑键 C型
Slot Stones, Loose - Form C
26 扁矩形键 [德标]
DIN 6880 - 1975
扁矩形键
Flat Rectangular Key
27 C型 圆头带单孔平键 [德标]
DIN 6885 (C) - 1968
C型 圆头带单孔平键
Parallel Keys, with Step Bore Fore Fixation Screw - Type C
28 D型 平头带单孔平键 [德标]
DIN 6885 (D) - 1968
D型 平头带单孔平键
Parallel Keys, with Step Bore Fore Fixation Screw - Type D
29 E型 圆头带双孔平键 [德标]
DIN 6885 (E) - 1968
E型 圆头带双孔平键
Parallel Keys, with Two Step Bores For Fixation Screw - Type E
30 G型 平头带锥度单孔平键 [德标]
DIN 6885 (G) - 1968
G型 平头带锥度单孔平键
Parallel Keys, With Taper and One Step Bore For Fixation Screw - Type G
31 H型 平头带锥度双孔平键 [德标]
DIN 6885 (H) - 1968
H型 平头带锥度双孔平键
Parallel Keys, with Taper and Two Step Bore for Fixation Screw - Type H
32 J型 平头带锥度单孔平键 [德标]
DIN 6885 (J) - 1968
J型 平头带锥度单孔平键
Parallel Keys, with Taper and One Step Hole for Clamping Sleeve - Type J
33 薄型平键 [国际]
ISO 2491 - 1974
薄型平键
Thin Parallel Keys
34 平键 [日标]
JIS B 1301 (P/PS) - 1996
平键
Parallel Key
35 普通平健 [汽标代号]
Q 551
普通平健
Parallel Key
36 米制过盈配合平键 [美标]
ASME/ANSI B 18.25.3M - 1998
米制过盈配合平键
Metric Interference Fit Flat Key
供应商(1)
37 米制平键 [美标]
ASME/ANSI B 18.25.3M - 1998 (R2008)
米制平键
Metric Square and Pectang-Ular Keys
供应商(1)
38 米制四方键 [美标]
ASME/ANSI B 18.25.1M - 1996
米制四方键
Metric Square Keys
39 平键 [意大利]
UNI 6604 - 1969
平键
Flat Key
供应商(2)
40 薄平键 [意大利]
UNI 7510 - 1976
薄平键
Thin Parallel Keys
41 I型平键 [意大利]
UNI 6605 - 1969
I型平键
Parallel Keys - Type I
42 II型平键 [意大利]
UNI 6605 - 1969
II型平键
Parallel Keys - Type II
43 III型平键 [意大利]
UNI 6605 - 1969
III型平键
Parallel Keys - Type III
44 IV型平键 [意大利]
UNI 6605 - 1969
IV型平键
Parallel Keys - Type IV
45 V型平键 [意大利]
UNI 6605 - 1969
V型平键
Parallel Keys - Type V
46 VI型平键 [意大利]
UNI 6605 - 1969
VI型平键
Parallel Keys - Type VI
47 平键 [法国]
NF E 22-177 - 1987
平键
Parallel Keys
48 平键 [俄标]
GOST 23360 - 1978
平键
Keys Couplings with Prismatic Keys
供应商(1)
49 矩形平键 [俄标]
GOST 8787 - 1968
矩形平键
Flat Key
供应商(1)
50 A型圆头平键 [印标]
IS 2048 (A) - 1983
A型圆头平键
Type A - Keys with Both Ends Round
51 B型平头平键 [印标]
IS 2048 (B) - 1983
B型平头平键
Type B - Keys with Both Ends Square
52 C型 圆头带单孔平键 [印标]
IS 2048 (C) - 1983
C型 圆头带单孔平键
Type C - Keys with Both Ends Round with Hole for One Retaining Screw
53 D型 平头带单孔平键 [印标]
IS 2048 (D) - 1983
D型 平头带单孔平键
Type D - Keys with Both Ends Square with Hole for One Retaining Screw
54 E型 圆头带双孔平键 [印标]
IS 2048 (E) - 1983
E型 圆头带双孔平键
Type E - Keys with Both Ends Round with Holes for Two Retaining Screws
55 F型 平头带双孔平键 [印标]
IS 2048 (F) - 1983
F型 平头带双孔平键
Type F - Keys with Both Ends Square with Holes for Two Retaining Screws
56 G型 平头带锥度单孔平键 [印标]
IS 2048 (G) - 1983
G型 平头带锥度单孔平键
Type G - Keys with Both Ends Square with Chamfer and Hole for One Retaining Screw
57 H型 平头带锥度双孔平键 [印标]
IS 2048 (H) - 1983
H型 平头带锥度双孔平键
Type H - Keys with Both Ends Square with Chamfer and Holes for Two Retaining Screws
58 J型 平头带锥度单孔平键 [印标]
IS 2048 (J) - 1983
J型 平头带锥度单孔平键
Type J - Keys with Both Ends Square with Chamfer and Hole for One Spring Dowel Sleeve
59 平键 [美标]
ASME B 17.1 (USAS B17.1) - 1967 (R2013)
平键

标准编号: DIN 6885-1 (B) - 2021
中文名称: B型平头平键
英文名称: Parallel Keys, Deep Pattern - Type B
数据来源: 易紧通 (164580.com)
Standard Code: DIN 6885-1 (B) - 2021Chinese Name: B型平头平键English Name: Parallel Keys, Deep Pattern - Type BSource: https://www.164580.com/info_389215.html
Data Source: YJT Fastener Database (164580.com)
Standard: DIN 6885-1 (B) - 2021
URL: https://www.164580.com/info_389215.html
License: Commercial use requires authorization
© 易紧通 服务热线:4006-164580(免长途费)