index
logo

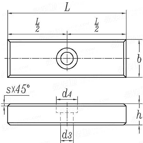
D型 平头带单孔平键 IS 2048 (D) - 1983

选择规格尺寸 点击↓

8

10

12

14

16

18

20

22

25

28

32

36

40

45

50

56

63

70

80

90

100


尺寸单位: mm
印标IS 2048 (D) - 1983 IS2048 2048IS D型 平头带单孔平键
IS  2048 (D) - 1983 D型 平头带单孔平键
扫一扫分享
基本尺寸
b
8 10 12 14 16 18 20 22 25 28 32
b 最大值=公称
最小值
h 最大值=公称
最小值
s 最小值
最大值
L 最小值
最大值
d3
d4
8 10 12 14 16 18 20 22 25 28 32
7.964 9.964 11.957 13.957 15.957 17.957 19.948 21.948 24.948 27.948 31.938
7 8 8 9 10 11 12 14 14 16 18
6.91 7.91 7.91 8.91 9.91 10.89 11.89 13.89 13.89 15.89 17.89
0.25 0.4 0.4 0.4 0.4 0.4 0.6 0.6 0.6 0.6 0.6
0.4 0.6 0.6 0.6 0.6 0.6 0.8 0.8 0.8 0.8 0.8
18 22 28 36 45 50 56 63 70 80 90
90 110 140 160 180 200 220 250 280 320 360
3.4 3.4 4.5 5.5 5.5 6.6 6.6 6.6 9 11 11
6 6 8 10 10 11 11 11 14 18 18
基本尺寸
b
36 40 45 50 56 63 70 80 90 100
b 最大值=公称
最小值
h 最大值=公称
最小值
s 最小值
最大值
L 最小值
最大值
d3
d4
36 40 45 50 56 63 70 80 90 100
35.938 39.938 44.938 49.938 55.926 62.926 69.926 79.926 89.913 99.913
20 22 25 28 32 32 36 40 45 50
19.87 21.87 24.87 27.87 31.84 31.84 35.84 39.84 44.84 49.84
1 1 1 1 1.6 1.6 1.6 2.5 2.5 2.5
1.2 1.2 1.2 1.2 2 2 2 3 3 3
100 110 125 140 160 180 200 220 250 280
400 400 400 400 400 400 400 400 400 400
14 14 14 14 14 14 18 18 22 22
20 20 20 20 20 20 26 26 33 33
替代列表
注:技术数据仅供参考,请以官方原件为准!
类似标准及供货信息
1 普通型平键 [国标]
GB /T 1096 - 2003
普通型平键
Square And Rectangular Keys
供应商(12)
2 导向型平键 [国标]
GB /T 1097 - 2003
导向型平键
Square and Rectangular Keys
供应商(4)
3 薄型平键 [国标]
GB /T 1567 - 2003
薄型平键
Sguare and Rectangular Thin Keys
供应商(4)
4 普通平键 [国标]
GB /T 1096 - 1979
普通平键
Square and Rectangular Keys
供应商(12)
5 导向型平键 [国标]
GB 1097 - 1979
导向型平键
Square and Rectangular Keys
供应商(4)
6 薄型平键 [国标]
GB 1567 - 1979
薄型平键
Sguare and Rectangular Thin Keys
供应商(4)
7 A型圆头平键 [德标]
DIN 6885-1 (A) - 2021
A型圆头平键
Parallel Keys, Deep Pattern - Type A
供应商(10)
8 B型平头平键 [德标]
DIN 6885-1 (B) - 2021
B型平头平键
Parallel Keys, Deep Pattern - Type B
供应商(2)
9 F型 平头带双孔平键 [德标]
DIN 6885-1 (F) - 2021
F型 平头带双孔平键
Parallel Keys, with Two Step Bores for Fixation Screw - Type F
供应商(1)
10 方形键 [德标]
DIN 6880 (A) - 2011
方形键
Square Key
供应商(2)
11 矩形键 [德标]
DIN 6880 (B) - 2011
矩形键
Rectangular Key
供应商(1)
12 方形键 [德标]
DIN 6880 - 1975
方形键
Square Key
供应商(2)
13 矩形键 [德标]
DIN 6880 - 1975
矩形键
Rectangular Key
供应商(1)
14 B型平头平键 [德标]
DIN 6885 (B) - 1968
B型平头平键
Parallel Keys, Deep Pattern - Type B
供应商(2)
15 F型 平头带双孔平键 [德标]
DIN 6885 (F) - 1968
F型 平头带双孔平键
Parallel Keys, with Two Step Bores for Fixation Screw - Type F
供应商(1)
16 A型圆头平键 [德标]
DIN 6885 (A) - 1968
A型圆头平键
Parallel Keys, Deep Pattern - Type A
供应商(10)
17 C型 圆头带单孔平键 [德标]
DIN 6885-1 (C) - 2021
C型 圆头带单孔平键
Parallel Keys, with Step Bore Fore Fixation Screw - Type C
18 D型 平头带单孔平键 [德标]
DIN 6885-1 (D) - 2021
D型 平头带单孔平键
Parallel Keys, with Step Bore Fore Fixation Screw - Type D
19 E型 圆头带双孔平键 [德标]
DIN 6885-1 (E) - 2021
E型 圆头带双孔平键
Parallel Keys, with Two Step Bores for Fixation Screw - Type E
20 G型 平头带锥度单孔平键 [德标]
DIN 6885-1 (G) - 2021
G型 平头带锥度单孔平键
Parallel Keys, with Taper and One Step Bore for Fixation Screw - Type G
21 H型 平头带锥度双孔平键 [德标]
DIN 6885-1 (H) - 2021
H型 平头带锥度双孔平键
Parallel Keys, with Taper and Two Step Bore for Fixation Screw - Type H
22 J型 平头带锥度单孔平键 [德标]
DIN 6885-1 (J) - 2021
J型 平头带锥度单孔平键
Parallel Keys, with Taper and One Step Hole for Clamping Sleeve - Type J
23 扁矩形键 [德标]
DIN 6880 (C) - 2011
扁矩形键
Flat Rectangular Key
24 滑键 A型 [德标]
DIN 6323 (A) - 2003
滑键 A型
Slot Stones, Loose - Form A
25 滑键 B型 [德标]
DIN 6323 (B) - 2003
滑键 B型
Slot Stones, Loose - Form B
26 滑键 C型 [德标]
DIN 6323 (C) - 2003
滑键 C型
Slot Stones, Loose - Form C
27 扁矩形键 [德标]
DIN 6880 - 1975
扁矩形键
Flat Rectangular Key
28 C型 圆头带单孔平键 [德标]
DIN 6885 (C) - 1968
C型 圆头带单孔平键
Parallel Keys, with Step Bore Fore Fixation Screw - Type C
29 D型 平头带单孔平键 [德标]
DIN 6885 (D) - 1968
D型 平头带单孔平键
Parallel Keys, with Step Bore Fore Fixation Screw - Type D
30 E型 圆头带双孔平键 [德标]
DIN 6885 (E) - 1968
E型 圆头带双孔平键
Parallel Keys, with Two Step Bores For Fixation Screw - Type E
31 G型 平头带锥度单孔平键 [德标]
DIN 6885 (G) - 1968
G型 平头带锥度单孔平键
Parallel Keys, With Taper and One Step Bore For Fixation Screw - Type G
32 H型 平头带锥度双孔平键 [德标]
DIN 6885 (H) - 1968
H型 平头带锥度双孔平键
Parallel Keys, with Taper and Two Step Bore for Fixation Screw - Type H
33 J型 平头带锥度单孔平键 [德标]
DIN 6885 (J) - 1968
J型 平头带锥度单孔平键
Parallel Keys, with Taper and One Step Hole for Clamping Sleeve - Type J
34 薄型平键 [国际]
ISO 2491 - 1974
薄型平键
Thin Parallel Keys
35 平键 [日标]
JIS B 1301 (P/PS) - 1996
平键
Parallel Key
36 普通平健 [汽标代号]
Q 551
普通平健
Parallel Key
37 米制过盈配合平键 [美标]
ASME/ANSI B 18.25.3M - 1998
米制过盈配合平键
Metric Interference Fit Flat Key
供应商(1)
38 米制平键 [美标]
ASME/ANSI B 18.25.3M - 1998 (R2008)
米制平键
Metric Square and Pectang-Ular Keys
供应商(1)
39 米制四方键 [美标]
ASME/ANSI B 18.25.1M - 1996
米制四方键
Metric Square Keys
40 平键 [意大利]
UNI 6604 - 1969
平键
Flat Key
供应商(2)
41 薄平键 [意大利]
UNI 7510 - 1976
薄平键
Thin Parallel Keys
42 I型平键 [意大利]
UNI 6605 - 1969
I型平键
Parallel Keys - Type I
43 II型平键 [意大利]
UNI 6605 - 1969
II型平键
Parallel Keys - Type II
44 III型平键 [意大利]
UNI 6605 - 1969
III型平键
Parallel Keys - Type III
45 IV型平键 [意大利]
UNI 6605 - 1969
IV型平键
Parallel Keys - Type IV
46 V型平键 [意大利]
UNI 6605 - 1969
V型平键
Parallel Keys - Type V
47 VI型平键 [意大利]
UNI 6605 - 1969
VI型平键
Parallel Keys - Type VI
48 平键 [法国]
NF E 22-177 - 1987
平键
Parallel Keys
49 平键 [俄标]
GOST 23360 - 1978
平键
Keys Couplings with Prismatic Keys
供应商(1)
50 矩形平键 [俄标]
GOST 8787 - 1968
矩形平键
Flat Key
供应商(1)
51 A型圆头平键 [印标]
IS 2048 (A) - 1983
A型圆头平键
Type A - Keys with Both Ends Round
52 B型平头平键 [印标]
IS 2048 (B) - 1983
B型平头平键
Type B - Keys with Both Ends Square
53 C型 圆头带单孔平键 [印标]
IS 2048 (C) - 1983
C型 圆头带单孔平键
Type C - Keys with Both Ends Round with Hole for One Retaining Screw
54 E型 圆头带双孔平键 [印标]
IS 2048 (E) - 1983
E型 圆头带双孔平键
Type E - Keys with Both Ends Round with Holes for Two Retaining Screws
55 F型 平头带双孔平键 [印标]
IS 2048 (F) - 1983
F型 平头带双孔平键
Type F - Keys with Both Ends Square with Holes for Two Retaining Screws
56 G型 平头带锥度单孔平键 [印标]
IS 2048 (G) - 1983
G型 平头带锥度单孔平键
Type G - Keys with Both Ends Square with Chamfer and Hole for One Retaining Screw
57 H型 平头带锥度双孔平键 [印标]
IS 2048 (H) - 1983
H型 平头带锥度双孔平键
Type H - Keys with Both Ends Square with Chamfer and Holes for Two Retaining Screws
58 J型 平头带锥度单孔平键 [印标]
IS 2048 (J) - 1983
J型 平头带锥度单孔平键
Type J - Keys with Both Ends Square with Chamfer and Hole for One Spring Dowel Sleeve
59 平键 [美标]
ASME B 17.1 (USAS B17.1) - 1967 (R2013)
平键

标准编号: IS 2048 (D) - 1983
中文名称: D型 平头带单孔平键
英文名称: Type D - Keys with Both Ends Square with Hole for One Retaining Screw
数据来源: 易紧通 (164580.com)
Standard Code: IS 2048 (D) - 1983Chinese Name: D型 平头带单孔平键English Name: Type D - Keys with Both Ends Square with Hole for One Retaining ScrewSource: https://www.164580.com/info_414103.html
Data Source: YJT Fastener Database (164580.com)
Standard: IS 2048 (D) - 1983
URL: https://www.164580.com/info_414103.html
License: Commercial use requires authorization
© 易紧通 服务热线:4006-164580(免长途费)