index
logo

钢结构用高强度垫圈 GB /T 1231 (washer) - 2024

查看供应商

选择规格尺寸 点击↓

12

16

20

(22)

24

(27)

30

(33)

36

括号内尺寸为非优选

尺寸单位: mm
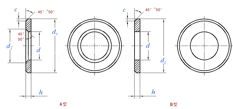
国标GB /T1231 (washer) - 2024 GB1231 1231G 钢结构用高强度垫圈
GB /T 1231 (washer) - 2024 钢结构用高强度垫圈
扫一扫分享
千件重及价格计算 千件重 : kg x 元/kg = 元/千件
默认密度 g/cm3
规格
12 16 20 (22) 24 (27) 30 (33) 36
d 最小值
最大值
dc 最小值
最大值
h 公称
最小值
最大值
d1 最小值
最大值
c 最小值
最大值
千件重(钢制)≈kg A型
B型
13 17 21 23 25 28 31 34 37
13.43 17.43 21.52 23.52 25.52 28.52 31.62 34.62 37.62
23.7 31.4 38.4 40.4 45.4 50.1 54.1 58.1 64.1
25 33 40 42 47 52 56 60 66
3 4 4 5 5 5 5 5 6
2.7 3.7 3.7 4.7 4.7 4.7 4.7 4.7 5.7
3.3 4.3 4.3 5.3 5.3 5.3 5.3 5.3 6.3
15.23 19.23 24.32 26.32 28.32 32.84 35.84 39.84 42.84
16.03 20.03 25.12 27.12 29.12 33.64 36.64 40.64 43.64
1 1 1 1.5 1.5 1.5 1.5 1.5 2
1.5 1.5 1.5 2 2 2 2 2 2.5
7.03 17.33 25.18 33.24 43.45 51.55 58.7 65.08 96.81
7.28 17.66 26.01 34.14 44.43 53.84 61.17 69.02 101.07
①,技术条件按 GB/T 1231 的规定。
②,表中尺寸均为无涂覆尺寸。
③,与被替代GB/T 1230-2006相比,增加了33和36;更改了理论重量;增加了垫圈型式等,更多详见标准原件。
替代列表
等效标准
国标 GB 国际 ISO
GB /T 1230
非等效采用 ISO 7416
ISO 7416
以上有部分标准可能为近似等效,如有异议以标准原件为准
注:技术数据仅供参考,请以官方原件为准!
告诉我在“易紧通”看到,将给您优惠
联系人:高东昌 点击这里给我发消息357447589   移动电话: 15511088789     电话:0310-6735111     微信号:15511088789
材质:45#钢;规格范围:M12-m36;表面处理:发黑,磷皂化,锰系磷化,达克罗,热镀锌等各种表面处理。
联系人:赵振荣 点击这里给我发消息626128000   移动电话: 19861989606     电话:15624588298     微信号:15624588298
材质:不锈钢、碳钢、铝合金、铜、铁;表面硬度:100HV、140HV、200HV、300HV;规格范围:φ12-φ30,非标来图定制;表面处理:镀锌、发黑、磷化、达克罗、热镀锌,机械镀锌等。
联系人:赵振朋 点击这里给我发消息372178638   移动电话: 13869535277/13468388380     电话:0635-8526206     微信号:13468388380
材质:不锈钢、碳钢、铝合金、铜、铁;表面硬度:100HV、140HV、200HV、300HV;规格范围:φ12-φ30,非标来图定制;表面处理:镀锌、发黑、磷化、达克罗、热镀锌,机械镀锌等。
联系人:孙经理 点击这里给我发消息2392096921   移动电话: 13788982145,13701728162     电话:021-57317386     微信号:13788982145
材料:碳钢、不锈钢;规格齐全;表面处理:按客户要求
联系人:李国志 点击这里给我发消息364950872   移动电话: 15221513104     电话:021-67636815     微信号:15221513104
材质:碳钢、中碳钢45#、不锈钢304、铜、铝;规格:M12-M30;等级:300HV,10级,表面处理:镀锌、发黑、磷化、达克罗、热镀锌,机械镀锌
联系人:何雪康 点击这里给我发消息492559158 点击这里给我发消息2283364343   移动电话: 13806722843(微信同号)     电话:0573-85636788/85636789
材质:碳钢、中碳钢、不锈钢(304、316)、铜、铝;规格:φ12-φ30;表面硬度:100HV、140HV、200HV、300HV;表面处理:镀锌、发黑、磷化、达克罗、热镀锌,机械镀锌、不锈钢洗白、钝化、封闭;非标来图定制
联系人:金晓伟 点击这里给我发消息84835359   移动电话: 15127013331/13373409376     电话:0310-6665553
材质:碳钢,45#钢,65Mn;规格范围:M16-M36;表面处理:磷化,发黑,白锌,蓝白锌,彩锌,军绿,达克罗,环保电镀,热镀锌,本色;等级:140HV,200HV,300HV,8.8级,10.9级;可按客户要求来图来样定制
告诉我在“易紧通”看到,将给您优惠
类似标准及供货信息
1 钢结构用扭剪型高强度螺栓用垫圈 [国标]
GB /T 3632 (H) - 2008
钢结构用扭剪型高强度螺栓用垫圈
Torshear Type Plain Washer for Steel Structures
供应商(3)
2 钢结构用高强度垫圈 [国标]
GB /T 1230 - 2006
钢结构用高强度垫圈
High Strength Plain Washers for Steel Structural
供应商(7)
3 栓接结构用平垫圈 淬火并回火 [国标]
GB /T 18230.5 - 2000
栓接结构用平垫圈 淬火并回火
Plain Washers for High-strength Structural Bolting Hardened and Tempered
供应商(1)
4 钢结构用扭剪型高强度平垫 [国标]
GB /T 3632 (W) - 1995
钢结构用扭剪型高强度平垫
Torshear Type Plain Washer for Steel Structures
供应商(3)
5 钢结构用高强度垫圈 [国标]
GB /T 1230 - 1991
钢结构用高强度垫圈
High Strength Plain Washers for Steel Structures
供应商(7)
6 预载荷高强度栓结构连接副,第11部分:载荷指示垫圈 (DTI垫圈) [国标]
GB /T 32076.11 - 2024
预载荷高强度栓结构连接副,第11部分:载荷指示垫圈 (DTI垫圈)
High-strength Structural Bolting Assemblies for Preloading Part 11: Load Indicating Washer
7 预载荷高强度栓结构连接副,第11部分:螺母面垫圈(HN) [国标]
GB /T 32076.11 (HN) - 2024
预载荷高强度栓结构连接副,第11部分:螺母面垫圈(HN)
High-strength Structural Bolting Assemblies for Preloading Part 11: Nut Face Washers (HN)
8 预载荷高强度栓结构连接副,第11部分:螺栓面垫圈(HB) [国标]
GB /T 32076.11 (HB) - 2024
预载荷高强度栓结构连接副,第11部分:螺栓面垫圈(HB)
High-strength Structural Bolting Assemblies for Preloading Part 11: Bolt Face Washers (HB)
9 钢结构高强度锚固用平垫圈 [国标]
GB /T 33943 - 2017
钢结构高强度锚固用平垫圈
Plain Washers for High Strength Anchoring of Steel Structures
10 预载荷高强度栓接结构连接副 第5部分:平垫圈 [国标]
GB /T 32076.5 - 2015
预载荷高强度栓接结构连接副 第5部分:平垫圈
High-Strength Structural Bolting Assemblies for Preloading - Part 5: Plain Washers
11 预载荷高强度栓接结构连接副 第6部分:倒角平垫圈 [国标]
GB /T 32076.6 - 2015
预载荷高强度栓接结构连接副 第6部分:倒角平垫圈
High-Strength Structural Bolting Assemblies for Preloading - Part 6: Plain Chamfered Washers
12 预载荷高强度螺栓结构连接副 第7部分 HV型 倒角垫圈 [国标]
GB /T 32076.7 - 2015
预载荷高强度螺栓结构连接副 第7部分 HV型 倒角垫圈
System HV-Washers for High Strength Steel Structural
13 米制淬硬钢垫圈 [美标]
IFI 542 - 1982
米制淬硬钢垫圈
Metric Hardened Steel Washers
供应商(1)
14 带重型夹紧套的螺栓用 平垫圈 [德标]
DIN 7349 - 2009
带重型夹紧套的螺栓用 平垫圈
Plain Washers for Bolts with Heavy Clamping Sleeves
供应商(17)
15 钢结构用倒角平垫圈 [德标]
DIN 34820 - 2004
钢结构用倒角平垫圈
Plain Washers. Chamfered. for Steel Structures
供应商(1)
16 钢结构用平垫 C级 [德标]
DIN 7989-1 - 2001
钢结构用平垫 C级
Plain Washers for Steel Structure - Grade C
供应商(8)
17 钢结构用平垫 A级 [德标]
DIN 7989-2 - 2001
钢结构用平垫 A级
Plain Washers for Steel Structure - Grade A
供应商(8)
18 圆柱头螺钉用 A级垫圈,硬度最高250HV [德标]
DIN 433 (-1) - 1990
圆柱头螺钉用 A级垫圈,硬度最高250HV
Product Grade A, Up To Hardness 250 HV, Primarily for Cheese Head Screws
供应商(7)
19 圆柱头螺钉用 A级加硬垫圈,硬度300HV以上 [德标]
DIN 433 (-2) - 1990
圆柱头螺钉用 A级加硬垫圈,硬度300HV以上
Washers: Product Grade A. From Hardness 300 HV, Primarily For Cheese Head Screws
供应商(7)
20 钢结构高强度螺栓连接用 圆垫圈 [德标]
DIN 6916 - 1989
钢结构高强度螺栓连接用 圆垫圈
Round Washers for High-Tensile Structural Bolting
供应商(13)
21 带重型夹紧套的螺栓用 平垫圈 [德标]
DIN 7349 - 1974
带重型夹紧套的螺栓用 平垫圈
Plain Washers for Bolts with Heavy Clamping Sleeves
供应商(17)
22 钢结构用平垫 [德标]
DIN 7989 - 1974
钢结构用平垫
Plain Washers for Steel Structure
供应商(8)
23 淬硬和回火的倒角平垫圈 用于高强度结构栓接 [国际]
ISO 7416 - 1984
淬硬和回火的倒角平垫圈 用于高强度结构栓接
Plain Washers, Chamfered, Hardened and Tempered for High-Strength Structural Bolting
供应商(2)
24 高强度栓接结构用平垫圈  淬火并回火 [国际]
ISO 7415 - 1984
高强度栓接结构用平垫圈 淬火并回火
Plain Washers for High-Strength Structural Bolting, Hardened and Tempered
25 高强度连接用垫圈 [日标]
JIS B 1186 - 2013
高强度连接用垫圈
High Strength Washer for Friction Grip Joints
供应商(4)
26 高强度连接用垫圈 [日标]
JIS B 1186 - 1995
高强度连接用垫圈
High Strength Washer for Friction Grip Joints
供应商(4)
27 高强度螺栓专用垫圈 [机械行业]
JB /ZQ 4080 - 2006
高强度螺栓专用垫圈
Washers for High Strength Bolts
供应商(4)
28 预负载用高强度结构螺栓连接副,第9部分:HR或HV系统 - 螺栓和螺母组件用 载荷指示垫圈 [欧标]
EN 14399-9 (DTI) - 2018
预负载用高强度结构螺栓连接副,第9部分:HR或HV系统 - 螺栓和螺母组件用 载荷指示垫圈
High-Strength Structural Bolting Assemblies for Preloading - Part 9: System HR or HV - Direct Tension Indicators for Bolt and Nut assemblies
供应商(1)
29 预负载用高强度结构螺栓连接副,第5部分:平垫圈 [欧标]
EN 14399-5 (Washer) - 2005
预负载用高强度结构螺栓连接副,第5部分:平垫圈
High-Strength Structural Bolting Assemblies for Preloading - Part 5: Plain Washers
供应商(2)
30 预负载用高强度结构螺栓连接副,第6部分:倒角垫圈 [欧标]
EN 14399-6 (Chamfered Washer) - 2005
预负载用高强度结构螺栓连接副,第6部分:倒角垫圈
High-Strength Structural Bolting Assemblies for Preloading - Part 6: Plain Chamfered Washers
供应商(5)
31 预负载用高强度结构螺栓连接副,第9部分:HR或HV系统 - 螺母面垫圈(HN) [欧标]
EN 14399-9 (HN) - 2018
预负载用高强度结构螺栓连接副,第9部分:HR或HV系统 - 螺母面垫圈(HN)
High-Strength Structural Bolting Assemblies for Preloading - Part 9: System HR or HV - Nut Face Washers (HN)
32 预负载用高强度结构螺栓连接副,第9部分:HR或HV系统 - 螺栓面垫圈(HB) [欧标]
EN 14399-9 (HB washer) - 2018
预负载用高强度结构螺栓连接副,第9部分:HR或HV系统 - 螺栓面垫圈(HB)
High-Strength Structural Bolting Assemblies for Preloading - Part 9: System HR or HV - Bolt Face Washers (HB)
33 预负载用高强度结构螺栓连接副,第9部分:HR或HV系统 - 螺栓面垫圈(HB) [欧标]
EN 14399-9 (HB washer) - 2009
预负载用高强度结构螺栓连接副,第9部分:HR或HV系统 - 螺栓面垫圈(HB)
High-strength Structural Bolting Assemblies for Preloading - Part 9: System HR or HV — Bolt Face Washers (HB)
34 预负载用高强度结构螺栓连接副,第9部分:HR或HV系统 - 螺母面垫圈(HN) [欧标]
EN 14399-9 (HN washer) - 2009
预负载用高强度结构螺栓连接副,第9部分:HR或HV系统 - 螺母面垫圈(HN)
High-strength Structural Bolting Assemblies for Preloading - Part 9: System HR or HV — Nut Face Washers (HN)
35 C级高强度螺栓用平垫 [意大利]
UNI 5714 - 1975
C级高强度螺栓用平垫
Flat Washer for High Strength Bolts - Grade C
36 压紧垫圈指示器(DTI垫圈) [英标]
BS 7644-1 - 1993
压紧垫圈指示器(DTI垫圈)
Direct Tension Indicators - Compressible Washers
供应商(1)
37 高强度平垫 Table 10 [英标]
BS 4395-1 - 1969
高强度平垫 Table 10
High Strength Plain Washers
供应商(1)
38 螺母面垫圈 [英标]
BS 7644-2 - 1993
螺母面垫圈
Direct Tension Indicators - Nut Face Washers
39 螺栓面垫圈 [英标]
BS 7644-2 - 1993
螺栓面垫圈
Direct Tension Indicators - Bolt Face Washers
40 英制淬硬钢垫圈 [圆垫圈、圆形削剪垫圈、特厚垫圈] [美标]
ASTM F 436 - 2024
英制淬硬钢垫圈 [圆垫圈、圆形削剪垫圈、特厚垫圈]
Hardened Circular, Clipped Circular, and Extra, Inch Washers
供应商(11)
41 米制淬硬钢垫圈 [圆垫圈、圆形削剪垫圈] [美标]
ASTM F 436M - 2024
米制淬硬钢垫圈 [圆垫圈、圆形削剪垫圈]
Metric Hardened Steel Washers
供应商(8)
42 英制淬硬钢垫圈 [圆垫圈、圆形削剪垫圈、特厚垫圈] [美标]
ASTM F 436 - 2019
英制淬硬钢垫圈 [圆垫圈、圆形削剪垫圈、特厚垫圈]
Hardened Circular, Clipped Circular, and Extra, Inch Washers
供应商(11)
43 米制淬硬钢垫圈 [圆垫圈、圆形削剪垫圈] [美标]
ASTM F 436M - 2019
米制淬硬钢垫圈 [圆垫圈、圆形削剪垫圈]
Metric Hardened Steel Washers
供应商(8)
44 英制栓接结构用压紧垫圈型压力指示器 [DTI 垫圈] [美标]
ASTM F 959 - 2017 (a)
英制栓接结构用压紧垫圈型压力指示器 [DTI 垫圈]
Compressible-Washer-Type Diredt Tension Indicators for Use with Structual Fasteners,Inch Series
供应商(1)
45 米制栓接结构用压紧垫圈型压力指示器 [DTI 垫圈] [美标]
ASTM F 959M - 2017 (a)
米制栓接结构用压紧垫圈型压力指示器 [DTI 垫圈]
Compressible-Washer-Type Diredt Tension Indicators for Use with Structual Fasteners,Metric Series
供应商(1)
46 淬硬钢垫圈 [圆垫圈、圆形削剪垫圈、特厚垫圈] [美标]
ASTM F 436 - 2011
淬硬钢垫圈 [圆垫圈、圆形削剪垫圈、特厚垫圈]
Hardened Circular, Clipped Circular, and Extra-thick Washers
供应商(11)
47 米制淬硬钢垫圈 [圆垫圈、圆形削剪垫圈] [美标]
ASTM F 436M - 2010
米制淬硬钢垫圈 [圆垫圈、圆形削剪垫圈]
Metric Hardened Steel Washers
供应商(8)
48 栓接结构用压紧垫圈型压力指示器 [DTI 垫圈] [美标]
ASTM F 959 - 2005 (a)
栓接结构用压紧垫圈型压力指示器 [DTI 垫圈]
Compressible-washer-type Diredt Tension Indicators for Use with Structual Fasteners
供应商(1)
49 淬硬钢垫圈 [圆垫圈、圆形削剪垫圈] [美标]
ASTM F 436 - 1993 (R2000)
淬硬钢垫圈 [圆垫圈、圆形削剪垫圈]
Circular and Clipped Circular Washers - Hardened Steel Washers
供应商(11)
50 淬硬钢垫圈 [圆垫圈、圆形削剪垫圈]-[公制] [美标]
ASTM F 436 (M) - 1993
淬硬钢垫圈 [圆垫圈、圆形削剪垫圈]-[公制]
Hardened Steel Washers
供应商(8)
51 高强度平垫 [澳标]
AS /NZS 1252.1 - 2016
高强度平垫
Flat Round Washers for High-Strength Structure Bolting
供应商(7)
52 米制高强度平垫 [澳标]
AS /NZS 1252 - 1996
米制高强度平垫
Flat Round Washers for High-Strength Structure Bolting
供应商(7)
53 塔式建筑用热镀锌平垫圈 [澳标]
AS 1559 - 2018
塔式建筑用热镀锌平垫圈
ISO Metric Hot-Dip Galvanized Washers for Tower Construction
54 塔式建筑用热镀锌平垫圈 [澳标]
AS /NZS 1559 - 1997
塔式建筑用热镀锌平垫圈
ISO Metric Hot-dip Galvanized Washers for Tower Construction
55 摩擦结合用高强度垫圈 [台湾]
CNS 11328 - 1985
摩擦结合用高强度垫圈
High Strength Friction Grip Washers
56 木结构用垫圈 [台湾]
CNS 5113 - 1980
木结构用垫圈
Washers for Timber Constructions
57 预力钢用平垫圈 [台湾]
CNS 5015 - 1979
预力钢用平垫圈
Washers for High-Tensile Prestressed Structural Bolting
58 硬化平垫圈 [台湾]
CNS 4649 - 1978
硬化平垫圈
Hardened Plain Washers
59 高强度钢结构栓连接用平垫圈 淬火与回火热处理 [俄标]
GOST R 52646 - 2006
高强度钢结构栓连接用平垫圈 淬火与回火热处理
Plain Washers for High-Strength Structural Bolting, Hardened and Tempered
60 结构用高压平垫圈 [韩标]
KS B 2819 - 2025
结构用高压平垫圈
High Tension Plain Washer for Structural Joints
61 建筑机械与设备 高强度平垫圈 [建筑]
JG /T 5057.31 - 1995
建筑机械与设备 高强度平垫圈
Construction Machinery and Equipment - High Strength Plain Washers - Normal Series
62 建筑机械与设备 高强度小平垫圈 [建筑]
JG /T 5057.32 - 1995
建筑机械与设备 高强度小平垫圈
Construction Machinery and Equipment - High Strength Plain Washers - Small Series
63 建筑机械与设备 高强度大平垫圈 [建筑]
JG /T 5057.33 - 1995
建筑机械与设备 高强度大平垫圈
Construction Machinery and Equipment - High Strength Plain Washers - Large Series
64 预负载用高强度结构螺栓连接组件,第6部分:平面倒角垫圈 [德标]
DIN EN 14399-6 (Chamfered washer) - 2015
预负载用高强度结构螺栓连接组件,第6部分:平面倒角垫圈
High-Strength Structural Bolting Assemblies for Preloading - Part 6: Plain Chamfered Washers
供应商(13)
65 圆形和圆形削剪型淬硬钢垫圈 [Table 4]  (ASTM F436 / F436M) [美标]
ASME B 18.2.6 - 2019
圆形和圆形削剪型淬硬钢垫圈 [Table 4] (ASTM F436 / F436M)
Hardened Steel Circular and Circular Clipped Washers (ASTM F436 / F436M)
供应商(2)
66 压紧垫圈指示器(DTI垫圈)(ASTM F959/F959M) [美标]
ASME B 18.2.6 - 2019
压紧垫圈指示器(DTI垫圈)(ASTM F959/F959M)
Compressible Washer-Type Direct Tension Indicators (ASTM F959/F959M)
供应商(1)
67 米制压紧垫圈指示器(DTI垫圈)[Table 5] (ASTM F959M) [美标]
ASME B 18.2.6M - 2012
米制压紧垫圈指示器(DTI垫圈)[Table 5] (ASTM F959M)
Metric Compressible Washer-Type Direct Tension Indicators (ASTM F959M)
供应商(1)
68 圆形和圆形削剪型淬硬钢垫圈 [Table 4] (ASTM F436) [美标]
ASME B 18.2.6 - 2010
圆形和圆形削剪型淬硬钢垫圈 [Table 4] (ASTM F436)
Hardened Steel Circular and Circular Clipped Washers (ASTM F436)
供应商(2)
69 压紧垫圈指示器(DTI垫圈)[Table 6] (ASTM F959/F959M) [美标]
ASME B 18.2.6 - 2010
压紧垫圈指示器(DTI垫圈)[Table 6] (ASTM F959/F959M)
Compressible Washer-Type Direct Tension Indicators (ASTM F959/F959M)
供应商(1)
70 淬硬钢垫圈 (ASTM F436) [美标]
ASME B 18.2.6 - 2006
淬硬钢垫圈 (ASTM F436)
Hardened Steel Circular and Cirular Clipped Washers (ASTM F436)
供应商(2)
71 压紧垫圈指示器(DTI垫圈)[Table 6] (ASTM F959) [美标]
ASME B 18.2.6 - 2006
压紧垫圈指示器(DTI垫圈)[Table 6] (ASTM F959)
Compressible Washer - Type Direct Tension Indicators (ASTM F959)
供应商(1)
72 结构连接用高强平垫圈 [日标]
JSS II 09 (-3) - 1996
结构连接用高强平垫圈
High-strength Flat Washer for Structural Connection
73 风电机组塔架用高强度螺栓连接副——垫圈 [能源行业标准]
NB /T 31082 - 2016
风电机组塔架用高强度螺栓连接副——垫圈
High-strength Bolting Assemblies for Tower on Wind Turbine - Washer
供应商(1)
74 热镀锌紧固件 - DIN 6914, DIN 6915, DIN 6916 垫圈(M39~M64) [德国钢结构委员会]
DASt 021 - 2006
热镀锌紧固件 - DIN 6914, DIN 6915, DIN 6916 垫圈(M39~M64)
Washer Connections Made of Hot-Dip Galvanized Sets M39 to M64 Accordingly DIN 6914, DIN 6915, DIN 6916
标准编号: GB /T 1231 (washer) - 2024
中文名称: 钢结构用高强度垫圈
英文名称: High Strength Plain Washers for Steel Structural
数据来源: 易紧通 (164580.com)
Standard Code: GB /T 1231 (washer) - 2024Chinese Name: 钢结构用高强度垫圈English Name: High Strength Plain Washers for Steel StructuralSource: https://www.164580.com/info_427125.html
Data Source: YJT Fastener Database (164580.com)
Standard: GB /T 1231 (washer) - 2024
URL: https://www.164580.com/info_427125.html
License: Commercial use requires authorization
© 易紧通 服务热线:4006-164580(免长途费)