index
logo

十字槽100°小沉头螺钉 GJB 3372 (/49~/52) - 1998

选择规格尺寸 点击↓

M4

M5

M6

M8

M10


尺寸单位: mm
军标GJB 3372 (/49~/52) - 1998 GJB3372 3372 十字槽100°小沉头螺钉
GJB  3372 (/49~/52) - 1998 十字槽100°小沉头螺钉
扫一扫分享
千件重及价格计算 千件重 : kg x 元/kg = 元/千件
默认密度 g/cm3
公称长度L 注:选择后获得 相应重量
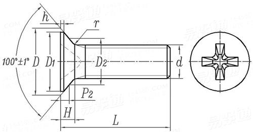
螺纹尺寸
d
M4 M5 M6 M8 M10
H 参考
h 最小值
D 参考
D1 最小值
D2 供设计卡规用
P2 最大值=公称
最小值
r 最大值=公称
最小值
0.5 1.18 1.43 1.9 2.36
0.08 0.1 0.1 0.1 0.1
6.25 7.8 9.4 12.5 15.6
5.45 6.8 8.2 11.3 14.4
4.82 5.79 7.71 10.28 12.86
0.6 0.85 0.71 0.93 1.15
0.52 0.77 0.63 0.85 1.07
0.4 0.5 0.7 0.7 0.8
0.2 0.3 0.5 0.5 0.6
千件钢制重≈kg
- - - - -
①,十字槽按 HB 7369-96。其余技术要求按通用规范 GJB3375。
②,铝合金制螺钉理论质量,表中的钢螺钉理论质量乘以修正系数0.356。

技术条件和引用标准

标准
GJB 3372/49
GJB 3372/50
GJB 3372/51
GJB 3372/52
限用直径/mm 材料 热处理MPa /
表面处理
标记示例:d=M6、L=36mm
4~10 ML25 镀锌钝化 GJB 3372/49 M6×36
4~10 30CrMnSiA σb=1100~1280MPa
d≤M8镀锌钝化, d=M10镀镉钝化
GJB 3372/50 M6×36
4~10 1Cr17Ni2 σb=1100~1280MPa
钝化
GJB 3372/51 M6×36
4~10 LY8 σb≥375MPa
阳极化
GJB 3372/52 M6×36
注:技术数据仅供参考,请以官方原件为准!
类似标准及供货信息
1 十字槽沉头螺钉 第1部分:4.8级 [国标]
GB /T 819.1 - 2016
十字槽沉头螺钉 第1部分:4.8级
Countersunk Flat Head Screws (Common Head Style) with Cross Recess - Part 1: Property Class 4.8
供应商(10)
2 十字槽沉头螺钉 第2部分:8.8级、不锈钢及有色金属螺钉 [国标]
GB /T 819.2 - 2016
十字槽沉头螺钉 第2部分:8.8级、不锈钢及有色金属螺钉
Countersunk Flat Head Screws with Cross Recess - Part 2: Property Class 8.8, Stainless Steel Screws and Non-ferrous Metal Screws
供应商(1)
3 十字槽沉头螺钉 4.8级 [国标]
GB /T 819.1 - 2000
十字槽沉头螺钉 4.8级
Countersunk Flat Head Screws (Common Head Style) with Cross Recess - Part 1: Property Class 4.8
供应商(10)
4 十字槽沉头螺钉 第2部分:钢8.8级、不锈钢A2-70和有色金属螺钉CU2或CU3 [国标]
GB /T 819.2 - 1997
十字槽沉头螺钉 第2部分:钢8.8级、不锈钢A2-70和有色金属螺钉CU2或CU3
Cross Recessed Countersunk Flat Head Screws (Common Head Style) - Grade A - Part 2: Steel of Property Class 8.8, Stainless and Non-Ferrous Metals
供应商(1)
5 精密机械用紧固件十字槽沉头螺钉 [国标]
GB /T 13806.1 (B) - 1992
精密机械用紧固件十字槽沉头螺钉
Cross Recessed Countersunk Screws for Fine Mechanics
供应商(1)
6 十字槽沉头螺钉 [国标]
GB 819 - 1985
十字槽沉头螺钉
Cross Recessed Countersunk Head Screws
供应商(10)
7 十字槽沉头螺钉 [国标]
GB 819 - 1976
十字槽沉头螺钉
Cross Recessed Countersunk Head Screws
供应商(10)
8 十字槽沉头螺钉 [德标]
DIN 965 - 1990
十字槽沉头螺钉
Cross Recessed Countersunk Head Screws
供应商(7)
9 塑料米字槽沉头螺钉 [德标]
DIN 34811 - 1999
塑料米字槽沉头螺钉
Plastic Flat Head Screws with Cross Recess
10 8.8 级、不锈钢及有色金属 十字槽沉头螺钉 [国际]
ISO 7046 (-2) - 2011
8.8 级、不锈钢及有色金属 十字槽沉头螺钉
Countersunk Flat Head Screws (Common Head Style) with Type H or Type Z Cross Recess - Product Grade A - Property Class 8.8
供应商(1)
11 8.8 级、不锈钢及有色金属 十字槽沉头螺钉 [国际]
ISO 7046-2 - 1990
8.8 级、不锈钢及有色金属 十字槽沉头螺钉
Cross Recessed Countersunk Flat Head Screws (Common Head Style) - Grade A - Steel of Property Class 8.8, stainless Steel and Nonferrous Metals
供应商(1)
12 4.8级十字槽沉头螺钉 [国际]
ISO 7046 (-1) - 2011
4.8级十字槽沉头螺钉
Countersunk Flat Head Screws (Common Head Style) with Type H or Type Z Cross Recess - Product Grade A - Steel Screws of Property Class 4.8
13 航空航天 强度≤1100Mpa 金属材料 标准杆 短或中等长度MJ螺纹 偏十字槽 100°沉头螺钉 [国际]
ISO 5856 - 2008
航空航天 强度≤1100Mpa 金属材料 标准杆 短或中等长度MJ螺纹 偏十字槽 100°沉头螺钉
Aerospace - Screws, 100 Degrees Normal Countersunk Head, Internal Offset Cruciform Ribbed or Unribbed Drive, Normal Shank, Short or Medium Length MJ Threads, Metallic Material, Coated or Uncoated, Strength Classes Less Than or Equal To 1100 Mpa - Dimensi
14 十字槽沉头螺钉 [国际]
ISO 7046-1 - 1994
十字槽沉头螺钉
Cross Recessed Countersunk Head Screws
15 十字槽沉头螺钉 [附属表 JA.4] [日标]
JIS B 1111 (JA4) - 2017
十字槽沉头螺钉 [附属表 JA.4]
Cross Recessed Countersunk Head Screws
供应商(1)
16 十字槽沉头螺钉 4.8级 [表6] [日标]
JIS B 1111 (T6) - 2017
十字槽沉头螺钉 4.8级 [表6]
Cross Recessed Countersunk Head Screws - Class 4.8
17 十字槽沉头螺钉 8.8级 [表9] [日标]
JIS B 1111 (T9) - 2017
十字槽沉头螺钉 8.8级 [表9]
Cross Recessed Countersunk Head Screws - Class 8.8
18 十字槽沉头螺钉 4.8级 [表2] [日标]
JIS B 1111 (T2) - 2006
十字槽沉头螺钉 4.8级 [表2]
Cross Recessed Countersunk Head Screws - Class 4.8
19 十字槽沉头螺钉 8.8级 [表3] [日标]
JIS B 1111 (T3) - 2006
十字槽沉头螺钉 8.8级 [表3]
Cross Recessed Countersunk Head Screws - Class 8.8
20 十字槽沉头螺钉 8.8级 [表3] [日标]
JIS B 1111 (T3) - 1996
十字槽沉头螺钉 8.8级 [表3]
Cross Recessed Countersunk Head Screws - Class 8.8
21 十字槽沉头螺钉 4.8级 [表2] [日标]
JIS B 1111 (T2) - 1996
十字槽沉头螺钉 4.8级 [表2]
Cross Recessed Countersunk Head Screws - Class 4.8
22 十字槽沉头螺钉 [汽标代号]
Q 254
十字槽沉头螺钉
Cross Recessed Countersunk Head Screws
23 十字槽沉头螺钉Table2 [美标]
ASME/ANSI B 18.6.3 - 2010
十字槽沉头螺钉Table2
Cross Recessed Countersunk Head Screws
24 米制十字槽沉头螺钉Table3 [美标]
ASME/ANSI B 18.6.7M - 1998
米制十字槽沉头螺钉Table3
Metric Cross Recessed Countersunk Screws
25 米制米字槽沉头螺钉Table4 [美标]
ASME/ANSI B 18.6.7M - 1998
米制米字槽沉头螺钉Table4
Metric PZ Drives Countersunk Head Screws
26 航空航天 - 100°沉头螺钉 偏十字槽 镀镉 合金钢 中等螺纹长度 粗公差普通杆 等级:1100MPa(室温)/235℃ [欧标]
EN 4162 - 2016
航空航天 - 100°沉头螺钉 偏十字槽 镀镉 合金钢 中等螺纹长度 粗公差普通杆 等级:1100MPa(室温)/235℃
Aerospace Series - Screws, 100° Countersunk Normal Head, Offset Cruciform Recess, Coarse Tolerance Normal Shank, Medium Length Thread, in Alloy Steel, Cadmium Plated - 1100 MPa (at Ambient Temperature)/235 °C
27 航空航天系列 镀银FE-PA92HT(A286)耐热钢制全螺纹偏置十字凹槽100°沉头螺钉 等级:900MPa(环境温度)/650℃ [欧标]
EN 2940 - 1995
航空航天系列 镀银FE-PA92HT(A286)耐热钢制全螺纹偏置十字凹槽100°沉头螺钉 等级:900MPa(环境温度)/650℃
Aerospace Series - Screws, 100° Countersunk Head, Offset Cruciform Recess, Threaded To Head, in Heat Resisting Steel Fe-pa92ht (A286), Silver Plated - Classification: 900 Mpa (At Ambient Temperature)/650℃
28 十字槽沉头螺钉 [意大利]
UNI 7688 - 1977
十字槽沉头螺钉
Cross Recessed Countersunk Head Screws
29 4.8级十字槽沉头螺钉 [法国]
NF E 25-119-1 - 1994
4.8级十字槽沉头螺钉
Countesunk Flat Head Screws,with Type H or Type Z Cross Recessed - Product Grade A, Class 4.8
30 8.8级十字槽沉头螺钉 [法国]
NF E 25-119-2 - 1994
8.8级十字槽沉头螺钉
Cross Recessed Countersunk Head Screws - Grade A, Class 8.8
31 十字槽100°沉头螺栓 符合N FL22-072 [法国]
NF L 22-161 - 1984
十字槽100°沉头螺栓 符合N FL22-072
Bolt, 100 Degrees Countersunk Head, Current Use, NF L 22-072 Cross Recess
32 米字槽沉头螺钉(短的)Table 7 [英标]
BS 1981 - 1991
米字槽沉头螺钉(短的)Table 7
Recessed Truncated Countersunk Head Screws:short Length
33 米字槽沉头螺钉Table4 [英标]
BS 1981 - 1991
米字槽沉头螺钉Table4
Recessed Truncated Countersunk Head Screws: Long Length
34 英制十字槽沉头螺钉 - B.S.W. & B.S.F. 螺纹 [Table 2] [英标]
BS 450 - 1958
英制十字槽沉头螺钉 - B.S.W. & B.S.F. 螺纹 [Table 2]
Cross Recessed 90° Countersunk Head Screws with B.S.W. & B.S.F. Threads [Table 2]
35 米制十字槽沉头螺钉  [Table 1] [澳标]
AS /NZS 1427 - 1996
米制十字槽沉头螺钉 [Table 1]
ISO Metric Cross-Recess Countersunk Screws [Table 1]
36 十字槽沉头螺钉 [台湾]
CNS 4560 - 1981
十字槽沉头螺钉
Cross Recessed Countersunk Head Screws
37 十字槽沉头螺钉 A级和B级 [俄标]
GOST 17475 - 1980
十字槽沉头螺钉 A级和B级
Countersunk Head Screws of Accuracy Classes A and B (Cross Recessed)
38 4.8级十字槽沉头螺钉 [韩标]
KS B 1023 (T7) - 2016 (R2021)
4.8级十字槽沉头螺钉
Cross Recessed Countersunk Head Screws - Class 4.8
39 8.8级及有色金属十字槽沉头螺钉 [韩标]
KS B 1023 (T8) - 2016 (R2021)
8.8级及有色金属十字槽沉头螺钉
Non-ferrous Metal Cross Recessed Countersunk Head Screws - Class 8.8
40 4.8级十字槽沉头螺钉 [韩标]
KS B 1023 (T2) - 2001
4.8级十字槽沉头螺钉
Cross Recessed Countersunk Head Screws - Class 4.8
41 8.8级及有色金属十字槽沉头螺钉 [韩标]
KS B 1023 (T3) - 2001
8.8级及有色金属十字槽沉头螺钉
Non-ferrous Metal Cross Recessed Countersunk Head Screws - Class 8.8
42 十字槽沉头螺钉(通用头型)- 4.8级,钢制,产品等级A级 [德标]
DIN EN ISO 7046-1 - 2011
十字槽沉头螺钉(通用头型)- 4.8级,钢制,产品等级A级
Countersunk Flat Head Screws (Common Head Style) with Type H or Type Z Cross Recess - Product Grade A - Part 1: Steel Screws of Property Class 4.8
供应商(7)
43 8.8 级、不锈钢及有色金属 十字槽沉头螺钉 [德标]
DIN EN ISO 7046-2 - 2011
8.8 级、不锈钢及有色金属 十字槽沉头螺钉
Countersunk Flat Head Screws (Common Head Style) with Type H or Type Z Cross Recess - Product Grade A - property Class 8.8
供应商(6)
44 十字槽100°沉头螺栓 [军标]
GJB 3371 (/57~/60) - 1998
十字槽100°沉头螺栓
Cross Recessed 100° Countersunk Head Screws
45 光杆公差带f9 十字槽100°沉头螺栓 [军标]
GJB 3371 (/62) - 1998
光杆公差带f9 十字槽100°沉头螺栓
Cross Recessed 100° Countersunk Head Screws,Shank Tolerance f9
46 光杆公差带h8短螺纹十字槽 100°沉头螺栓 [军标]
GJB 3371 (/64) - 1998
光杆公差带h8短螺纹十字槽 100°沉头螺栓
Cross Recessed 100° Countersunk Head Screws, Short Thread, Shank Tolerance h8
47 十字槽 100°锥端沉头螺栓 [军标]
GJB 3371 (/68) - 1998
十字槽 100°锥端沉头螺栓
Cross Recessed 100° Countersunk Head Screws with Cone Point
48 光杆公差带r6短螺纹十字槽 100°沉头螺栓 [军标]
GJB 3371 (/84) - 1998
光杆公差带r6短螺纹十字槽 100°沉头螺栓
Cross Recessed 100° Countersunk Head Screws, Short Thread, Shank Tolerance r6
49 十字槽100°沉头螺钉 [军标]
GJB 3372 (/45~/48) - 1998
十字槽100°沉头螺钉
Cross Recessed 100° Countersunk Head Screws
50 MJ螺纹十字槽100°沉头螺栓 [军标]
GJB 3374 (/29) - 1998
MJ螺纹十字槽100°沉头螺栓
100° Countersunk Head Bolts with MJ Thread, Cross-recessed
51 MJ螺纹光杆公差带f9十字槽100°沉头螺栓 [军标]
GJB 3374 (/30) - 1998
MJ螺纹光杆公差带f9十字槽100°沉头螺栓
100° Countersunk Head Bolts with MJ Thread, Cross-recessed, Shank Tolerance f9
52 MJ螺纹十字槽100°沉头锥端螺栓 [军标]
GJB 3374 (/31) - 1998
MJ螺纹十字槽100°沉头锥端螺栓
100° Countersunk Head Bolts with MJ Thread, Cross-recessed
53 MJ螺纹光杆公差带h8短螺纹十字槽100°沉头螺栓 [军标]
GJB 3374 (/32) - 1998
MJ螺纹光杆公差带h8短螺纹十字槽100°沉头螺栓
100° Countersunk Head Bolts with MJ Thread, Cross-recessed, Short Thread, Shank Tolerance h8
54 MJ螺纹光杆公差带r6短螺纹十字槽100°沉头螺栓 [军标]
GJB 3374 (/33) - 1998
MJ螺纹光杆公差带r6短螺纹十字槽100°沉头螺栓
100° Countersunk Head Bolts with MJ Thread, Cross-recessed, Short Thread, Shank Tolerance r6
55 H型或Z型 十字槽沉头螺钉(普通头)产品等级A [印标]
IS 7485 (-1) - 2005
H型或Z型 十字槽沉头螺钉(普通头)产品等级A
Countersunk Flat Head Screws (Common Head Style) with Type H or Type Z Cross Recess - Product Grade A
56 十字槽沉头螺钉 [印标]
IS 7485 - 1985 (R2001)
十字槽沉头螺钉
Cross Recessed Countersunk Head Screws
57 90°米字槽沉头螺钉 [波兰标]
PN 82208
90°米字槽沉头螺钉
90° Cross Recess Countersunk Flat Head Screws
58 82°十字槽沉头螺钉 (ASTM F837/F468) [TABLE 2.2.1-2 I/IA] [美标]
ASME B 18.6.3 (H1B-I/H1B-IA) - 2024
82°十字槽沉头螺钉 (ASTM F837/F468) [TABLE 2.2.1-2 I/IA]
82° Cross Recessed Countersunk Head Screws (ASTM F837/F468) [TABLE 2.2.1-2 I/IA]
59 100°十字槽沉头螺钉  (ASTM F837/F468) [TABLE 2.2.1-4 I/IA] [美标]
ASME B 18.6.3 (H1D-I/H1D-IA) - 2024
100°十字槽沉头螺钉 (ASTM F837/F468) [TABLE 2.2.1-4 I/IA]
100° Cross Recessed Countersunk Head Screws (ASTM F837/F468) [TABLE 2.2.1-4 I/IA]
60 精密100°沉头十字槽机械螺钉 [TABLE 2.2.1-6 I/IA] [美标]
ASME B 18.6.3 (H1F-I/H1F-IA) - 2024
精密100°沉头十字槽机械螺钉 [TABLE 2.2.1-6 I/IA]
Close Tolerance 100-deg Flat Countersunk Head Screws [TABLE 2.2.1-6 I/IA]
61 十字槽82°沉头清根机械螺钉 I型和IA型 [TABLE 2.2.3-2 I/IA] [美标]
ASME B 18.6.3 (H3B-I/H3B-IA) - 2024
十字槽82°沉头清根机械螺钉 I型和IA型 [TABLE 2.2.3-2 I/IA]
Undercut 82-deg Flat Countersunk Head Screws,Type I and IA [TABLE 2.2.3-2 I/IA]
62 82°小沉头十字槽螺钉 (ASTM F837/F468) [TABLE 2.2.4-1,-2 I/IA] [美标]
ASME B 18.6.3 (H4A) - 2024
82°小沉头十字槽螺钉 (ASTM F837/F468) [TABLE 2.2.4-1,-2 I/IA]
82° Flat Coutersunk Trim Head Screws (ASTM F837/F468) [TABLE 2.2.4-1,-2 I/IA]
63 82°小沉头十字槽螺钉  [Table 13] (ASTM F837 / F468) [美标]
ASME B 18.6.3 (T13) - 2013
82°小沉头十字槽螺钉 [Table 13] (ASTM F837 / F468)
82° Flat Coutersunk Trim Head Screws [Table 13] (ASTM F837 / F468)
64 82°十字槽沉头螺钉 [Table 2]  (ASTM F837, F468) [美标]
ASME B 18.6.3 (T2-I/T2-IA) - 2013
82°十字槽沉头螺钉 [Table 2] (ASTM F837, F468)
82° Cross Recessed Countersunk Head Screws [Table 2] (ASTM F837, F468)
65 100°十字槽沉头螺钉 [Table 4] (ASTM F837, F468) [美标]
ASME B 18.6.3 (T4-I/T4-IA) - 2013
100°十字槽沉头螺钉 [Table 4] (ASTM F837, F468)
100° Cross Recessed Countersunk Head Screws [Table 4] (ASTM F837, F468)
66 100°十字槽沉头精整螺钉 [美标]
ASME B 18.6.3 (T6-I/T6-IA) - 2013
100°十字槽沉头精整螺钉
Close Tolerance 100-deg Flat Countersunk Head Screws (Machine Screws Only)
67 十字槽82°沉头清根机械螺钉 [美标]
ASME B 18.6.3 (T10-I/T10-IA) - 2013
十字槽82°沉头清根机械螺钉
Undercut 82-deg Flat Countersunk Head Screws,Type I and IA
68 钛合金十字槽沉头螺钉 [航天]
QJ 2584 (A) - 2011
钛合金十字槽沉头螺钉
Countersunk Head Screws with Cross Recess in Titanium Alloys
69 钛合金十字槽沉头螺钉 [航天]
QJ 2584 - 1993
钛合金十字槽沉头螺钉
Countersunk Head Screws with Cross Recess in Titanium Alloys
70 十字槽沉头螺钉 [航天]
QJ 2377 - 1992
十字槽沉头螺钉
Cross Recessed Countersunk Head Screws
71 十字槽120°沉头螺钉 [航空]
HB 1- 208 - 1995
十字槽120°沉头螺钉
Cross Recess 120° Countersunk Head Screw
供应商(1)
72 十字槽90°沉头螺钉 [航空]
HB 1-206 - 2002
十字槽90°沉头螺钉
90° Countersunk Head Screw with Cross Recess
73 十字槽100°沉头螺钉(带孔或不带孔) [航空]
HB 7196~7199 (7196/7197/7198/7199) - 1995
十字槽100°沉头螺钉(带孔或不带孔)
Cross Recessed 100° Countersunk Head Screws
74 钛合金光杆公差带f9高扭矩十字槽100°沉头螺栓 [航空]
HB 6565 - 1992
钛合金光杆公差带f9高扭矩十字槽100°沉头螺栓
Titanium Alloy Smooth Rod Tolerance Zone f9 High Torque Cross Groove 100° Countersunk Head Bolt
75 十字槽沉头机器螺钉 [深圳紧固件行业协会标准]
T/SZJGJ 001 (E) - 2024
十字槽沉头机器螺钉
Cross Recessed Countersunk Head Screws
标准编号: GJB 3372 (/49~/52) - 1998
中文名称: 十字槽100°小沉头螺钉
英文名称: Cross Recessed 100 ° Small Countersunk Head Screw
数据来源: 易紧通 (164580.com)
Standard Code: GJB 3372 (/49~/52) - 1998Chinese Name: 十字槽100°小沉头螺钉English Name: Cross Recessed 100 ° Small Countersunk Head ScrewSource: https://www.164580.com/info_410618.html
Data Source: YJT Fastener Database (164580.com)
Standard: GJB 3372 (/49~/52) - 1998
URL: https://www.164580.com/info_410618.html
License: Commercial use requires authorization
© 易紧通 服务热线:4006-164580(免长途费)