index
logo

十字槽半沉头螺钉 A级和B级 GOST 17474 - 1980

选择规格尺寸 点击↓

2

2.5

3

3.5

4

5

6

8

10

12


尺寸单位: mm
俄标GOST 17474 - 1980 GOST17474 17474GOST 十字槽半沉头螺钉 A级和B级
俄标GOST 17474 - 1980 GOST17474 17474GOST 十字槽半沉头螺钉 A级和B级
GOST  17474 - 1980 十字槽半沉头螺钉 A级和B级
扫一扫分享
千件重及价格计算 千件重 : kg x 元/kg = 元/千件
默认密度 g/cm3
公称长度L 注:选择后获得 相应重量
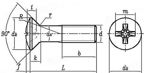
螺纹尺寸
d
2 2.5 3 3.5 4 5 6 8 10 12
P 螺距 粗牙
细牙
dk
k 最大值
f
R
槽号
m
t 最大值
深度 最大值
最小值
b 加长
标准
0.4 0.45 0.5 0.6 0.7 0.8 1 1.25 1.5 1.75
/ / / / / / / 1 1.25 1.25
3.8 4.7 5.6 6.5 7.4 9.2 11 14.5 18 21.5
1.2 1.5 1.65 1.93 2.2 2.5 3 4 5 6
0.5 0.6 0.75 0.9 1 1.25 1.5 2 2.5 3
4.2 5.4 6 6.8 8 9.4 12 15 19 22.5
0 1 1 2 2 2 3 3 4 4
2.3 3 3.3 4.4 4.8 5.4 7.3 8.7 11.2 12.6
1.5 1.6 2 2.2 2.5 3.1 3.5 5 6.1 7.5
1.6 1.9 2.2 2.5 2.8 3.4 4 5.5 6.8 8.3
1.3 1.6 1.9 2 2.3 2.9 3.5 5 6.3 7.8
16 18 19 20 22 25 28 34 40 46
10 11 12 13 14 16 18 22 26 30
千件钢制重≈kg 粗牙
- - - - - - - - - -
①,r ≤ 0.1d。
②,ds≈螺纹中径或螺纹大径(GOST 19256-73)。
注:技术数据仅供参考,请以官方原件为准!
类似标准及供货信息
1 十字槽半沉头螺钉 [国标]
GB /T 820 - 2015
十字槽半沉头螺钉
Raised Countersunk Head Screws with Cross Recess
供应商(1)
2 十字槽半沉头螺钉 [国标]
GB /T 820 - 2000
十字槽半沉头螺钉
Raised Countersunk Head Screws (Common Head Style) with Cross Recess
供应商(1)
3 精密机械用紧固件十字槽半沉头螺钉 [国标]
GB /T 13806.1 (C) - 1992
精密机械用紧固件十字槽半沉头螺钉
Cross Recessed Raised Countersunk Head Screws for Fine Mechanics
供应商(1)
4 十字槽半沉头螺钉 [国标]
GB 820 - 1985
十字槽半沉头螺钉
Cross Recessed Raised Countersunk Head Screws
供应商(1)
5 120°十字槽半沉头螺钉 [国标]
GB 974 - 1976
120°十字槽半沉头螺钉
120° Cross Recessed Raised Countersunk Screws
6 十字槽半沉头螺钉 [德标]
DIN 966 - 1990
十字槽半沉头螺钉
Cross Recessed Raised Countersunk Head Screws
供应商(4)
7 粗牙十字槽半沉头细杆螺钉 [德标]
DIN 6929 (NE) - 2013
粗牙十字槽半沉头细杆螺钉
Raised Countersunk Head Screws
8 十字槽半沉头螺钉 [国际]
ISO 7047 - 2011
十字槽半沉头螺钉
Rasied Countersunk Head Screws(Common Head Style) ,Grade A
供应商(1)
9 十字槽半沉头螺钉 [国际]
ISO 7047 - 1994
十字槽半沉头螺钉
Countersunk Rasied Head Screws (Common Head Style) with Type H or Type Z Cross Recess - Product Grade A
供应商(1)
10 十字槽半沉头螺钉 [表12] [日标]
JIS B 1111 (T12) - 2017
十字槽半沉头螺钉 [表12]
Cross Recessed Raised Countersunk Head Screws [Table 12]
11 十字槽半沉头螺钉 [附属表 JA.5] [日标]
JIS B 1111 (JA5) - 2017
十字槽半沉头螺钉 [附属表 JA.5]
Cross Recessed Raised Countersunk Head Screws
12 十字槽半沉头螺钉 [表4] [日标]
JIS B 1111 (T4) - 2006
十字槽半沉头螺钉 [表4]
Cross Recessed Raised Countersunk Head Screws [table 4]
13 十字槽半沉头螺钉  [表4] [日标]
JIS B 1111 (T4) - 1996
十字槽半沉头螺钉 [表4]
Cross Recessed Raised Countersunk Head Screws [table 4]
14 眼镜框架用 -  十一字槽盘形半沉头螺钉 [日标]
JIS B 1119 (2PC) - 1986
眼镜框架用 - 十一字槽盘形半沉头螺钉
Spectacle Frames - Cross-recessed Slotted Pan Countersunk Machine Screws
15 十字槽半沉头螺钉 [汽标代号]
Q 256
十字槽半沉头螺钉
Cross Recessed Raised Countersunk Head Screws
16 80°十字槽半沉头螺钉Table8 [美标]
ASME/ANSI B 18.6.3 (T8) - 2010
80°十字槽半沉头螺钉Table8
80° Cross Recessed Raised Countersunk Head Screws
17 米制十字槽半沉头螺钉Table7 [美标]
ASME/ANSI B 18.6.7M - 1998
米制十字槽半沉头螺钉Table7
Metric Cross Recessed Raised Countersunk Screws
18 米制米字槽半沉头螺钉Table8 [美标]
ASME/ANSI B 18.6.7M - 1998
米制米字槽半沉头螺钉Table8
Metric PZ Drives Raised Countersunk Head Screws
19 十字槽半沉头螺钉  H型、Z型 [意大利]
UNI EN ISO 7047 - 2012
十字槽半沉头螺钉 H型、Z型
Raised countersunk head screws (common head style) with type H or type Z cross recess - Product grade A
20 十字槽半沉头螺钉 [法国]
NF E 25-120 - 1994
十字槽半沉头螺钉
Cross Recessed Raised Countersunk Head Screws, with Type H or Type Z Cross Recessed - Product Grade A
21 米字槽半沉头螺钉(短的)Table10 [英标]
BS 1981 - 1991
米字槽半沉头螺钉(短的)Table10
Recessed Raised Countersunk Head Machine Screws: Short Length
22 米字槽半沉头螺钉Table8 [英标]
BS 1981 - 1991
米字槽半沉头螺钉Table8
Recessed Raised Countersunk Head Machine Screws
23 英制十字槽半沉头螺钉 - B.S.W. & B.S.F. 螺纹 [Table 3] [英标]
BS 450 - 1958
英制十字槽半沉头螺钉 - B.S.W. & B.S.F. 螺纹 [Table 3]
Recessed 90° Raised-Countersunk Head Screws with B.S.W. & B.S.F. Threads [Table 3]
24 米制十字槽半沉头螺钉 [Table 2] [澳标]
AS /NZS 1427 - 1996
米制十字槽半沉头螺钉 [Table 2]
ISO Metric Cross-Recess Raised Countersunk Screws [Table 2]
25 十字槽半沉头螺钉 [台湾]
CNS 4561 - 1981
十字槽半沉头螺钉
Cross Recessed Raised Countersunk Head Screws
26 十字槽半沉头螺钉 [韩标]
KS B 1023 (T9) - 2016 (R2021)
十字槽半沉头螺钉
Cross Recessed Raised Countersunk Head Screws
27 十字槽半沉头螺钉 [韩标]
KS B 1023 (T4) - 2001
十字槽半沉头螺钉
Cross Recessed Raised Countersunk Head Screws
28 H型或Z型十字槽半沉头螺钉(通用头型)- 产品等级A级 [德标]
DIN EN ISO 7047 - 2011
H型或Z型十字槽半沉头螺钉(通用头型)- 产品等级A级
Raised Countersunk Head Screws (Common Head Style) with Type H or Type Z Cross Recess - Product Grade A
供应商(4)
29 十字槽半沉头螺钉 I型和IA型  [TABLE 2.2.2-2 I/IA] [美标]
ASME B 18.6.3 (H2B-I/H2B-IA) - 2024
十字槽半沉头螺钉 I型和IA型 [TABLE 2.2.2-2 I/IA]
Cross Recessed Raised Countersunk Head Screws - Type I and IA [TABLE 2.2.2-2 I/IA]
30 十字槽82°半沉头清根螺钉 I型和IA型 [TABLE 2.2.3-4 I/IA] [美标]
ASME B 18.6.3 (H3D-I/H3D-IA) - 2024
十字槽82°半沉头清根螺钉 I型和IA型 [TABLE 2.2.3-4 I/IA]
Undercut Oval 82-deg Countersunk Head Screws, Type I & Type IA Recess [TABLE 2.2.3-4 I/IA]
31 82°小半沉头十字槽螺钉 (ASTM F837/F468) [TABLE 2.2.4-3,-4 I/IA] [美标]
ASME B 18.6.3 (H4C) - 2024
82°小半沉头十字槽螺钉 (ASTM F837/F468) [TABLE 2.2.4-3,-4 I/IA]
Oval 82-deg Countersunk Trim Head Screws (ASTM F837/F468) [TABLE 2.2.4-3,-4 I/IA]
32 82°小半沉头十字槽螺钉 [Table 15] (ASTM F837 / F468) [美标]
ASME B 18.6.3 (T15) - 2013
82°小半沉头十字槽螺钉 [Table 15] (ASTM F837 / F468)
Oval 82-deg Countersunk Trim Head Screws [Table 15] (ASTM F837 / F468)
33 十字槽82°半沉头清根螺钉 [美标]
ASME B 18.6.3 (T12-I/T12-IA) - 2013
十字槽82°半沉头清根螺钉
Undercut Oval 82-deg Countersunk Head Screws, Type I & Type IA Recess
34 十字槽半沉头螺钉  I和IA型 [表7&8] [美标]
ASME B 18.6.3 (T8-I/T8-IA) - 2013
十字槽半沉头螺钉 I和IA型 [表7&8]
Cross Recessed Raised Countersunk Head Screws - Type I and IA [Table 7 & 8]
35 十字槽半沉头螺钉 [航天]
QJ 2378 - 1992
十字槽半沉头螺钉
Countersunk Raised Head Screws with Cross Recess
标准编号 / Standard Code: GOST 17474 - 1980
中文名称 / Chinese Name: 十字槽半沉头螺钉 A级和B级
英文名称 / English Name: Raised Countersunk Head Screws (Cross Recessed), Product Grades A and B
数据来源 / Data Source: 易紧通 YJT Fastener Database(164580.com)
中文页面 / Chinese Page: 查看中文页面
English Page: View English Page
Data Source: YJT Fastener Database (164580.com)
Standard: GOST 17474 - 1980
Chinese Name: 十字槽半沉头螺钉 A级和B级
English Name: Raised Countersunk Head Screws (Cross Recessed), Product Grades A and B
Chinese URL: Chinese Source Page
English URL: English Source Page
License: Commercial reuse, redistribution, or AI training usage requires authorization.
© 易紧通 服务热线:4006-164580(免长途费)