index
logo

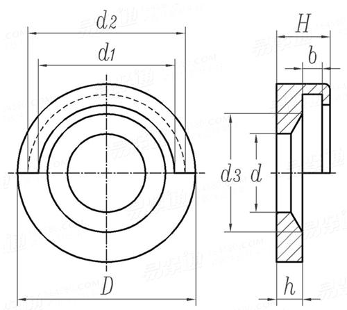
悬式垫圈 JB /T 8008.1 - 1999

选择规格尺寸 点击↓

6

8

10

12

16

20

24

30

36

42

48


尺寸单位: mm
机械行业JB /T8008.1 - 1999 JB8008.1 8008.1JB 悬式垫圈
JB /T 8008.1 - 1999 悬式垫圈
扫一扫分享
公称直径
6 8 10 12 16 20 24 30 36 42 48
D
H
d
d1
d2
d3
b
h
17 22 26 30 38 48 55 68 80 94 110
6.5 7.5 8.5 9.5 11 13.5 16.5 20.5 24 30 37
8 10 12.5 16 20 25 30 36 43 50 60
11 15 19.5 22 28 35 42 52 62 72 82
14 18.5 22.5 26 32 40 48 60 72 85 100
12 16 18 23.5 29 34 38.5 45.2 64 69 78.6
2.3 2.7 3 3.2 4 4.4 7.5 7.5 7.5 12.5 15
2.6 3.2 4 4.7 5.1 6.6 6.8 9.9 14.3 14.4 17.4

技术条件和引用标准

材料
热处理
其他
45钢按 GB/T 699 的规定。
35~40 HRC
其他技术条件按 JB/T 8044 的规定
注:技术数据仅供参考,请以官方原件为准!
类似标准及供货信息
1 开口垫圈 [国标]
GB 851 - 1988
开口垫圈
Washers with Split
供应商(1)
2 单耳托板自锁螺母垫片 [国标]
GB 961 - 1988
单耳托板自锁螺母垫片
Spacers for Self-locking Nuts, SingleLug, Anchor
3 木结构用方孔垫圈 [德标]
DIN 440 - 2024
木结构用方孔垫圈
Washers with Square Hole, Especially for Timber Constructions
供应商(1)
4 用于木结构的平垫圈 [德标]
DIN 1052 - 2008
用于木结构的平垫圈
Washers For Wood Constructions
供应商(2)
5 用于木结构的平垫圈 [德标]
DIN 1052 - 2004
用于木结构的平垫圈
Washers for Wood Constructions
供应商(2)
6 木结构用特大垫圈(方孔) [德标]
DIN 440 - 2001
木结构用特大垫圈(方孔)
Extra Large Washers with Square Hole for Use in Timber Constructions
供应商(1)
7 木结构用 特大垫圈(方孔) [德标]
DIN 440 (V) - 1990
木结构用 特大垫圈(方孔)
Extra Large Washers with Square Hole for Use in Timber Constructions
供应商(1)
8 导线连接垫圈 [德标]
DIN 46288 - 1974
导线连接垫圈
Connecting Washers for Conductors
9 安全杯 [德标]
DIN 526 - 1973
安全杯
Safety Cups for Cheese Head Screws According to DIN 84
10 腰状杆螺柱连接副 受力套管 D型 / E型 [德标]
DIN 2510-7 (D / E) - 1971
腰状杆螺柱连接副 受力套管 D型 / E型
Bolted Connections with Reduced Shank; Extension Sleeves
11 衬套 [德标]
DIN 1850 (-1) - 1959
衬套

12 常闭式通气塞 - 盖片 [汽标代号]
Q 900B.4
常闭式通气塞 - 盖片

13 保险阀 - 垫圈 [汽标代号]
Q 902B.4
保险阀 - 垫圈

14 瓦形垫圈 [机械行业]
JB /T 14724 (B) - 2024
瓦形垫圈
Tile Washer
15 调整垫圈 [机械行业]
JB /T 3411.112 - 1999
调整垫圈
Adjust Washer
16 键槽拉削用垫圈 [机械行业]
JB /T 3411.24 - 1999
键槽拉削用垫圈
Washer for Keyway Broaching
17 十字垫圈 [机械行业]
JB /T 8008.2 - 1999
十字垫圈
Cross Recessed Washer
18 快换垫圈 [机械行业]
JB /T 8008.5 - 1999
快换垫圈
Quick Change Washer
19 可拆卸切口垫圈 [法国]
NF E 27-616 - 1972
可拆卸切口垫圈
Demountable Washer with Slot
20 可转动切口垫圈 [法国]
NF E 27-617 - 1972
可转动切口垫圈
Pivot Washerwith
21 美制USS垫圈 [其它]
USS
美制USS垫圈
American System Washers - USS
供应商(6)
22 芬德防护垫圈 [其它]
芬德防护垫圈
芬德防护垫圈
Fender Defend Washers
供应商(3)
23 法兰用带耳垫圈 [其它]
FZ/T 92049 - 1995
法兰用带耳垫圈
Flange Washers with Tab
24 木制品和木结构用方孔圆垫圈 [Table 10] [英标]
BS 3410 (-10) - 1961
木制品和木结构用方孔圆垫圈 [Table 10]
Round Black Washers with Square Holes for Woodwork and Timber Constructions [Table 10]
25 木结构用方孔垫圈 [台湾]
CNS 5113 - 1980
木结构用方孔垫圈
Washers with Square Hole, for Wood Structure
26 固定垫圈 [标准]
YJT 19096
固定垫圈

27 塑料衬套 [标准]
YJT 6003
塑料衬套
Plastic Bushing
28 常闭式通气塞 - 盖片 [汽标]
QC /T 410 (-4) - 1999
常闭式通气塞 - 盖片

29 保险阀 - 垫圈 [汽标]
QC /T 411 (-4) - 1999
保险阀 - 垫圈

30 支撑衬套 [航空]
HB 3- 8 - 1985
支撑衬套

供应商(1)
31 垫片 [航空]
HB 1- 509 - 1983
垫片
Gaskets
标准编号: JB /T 8008.1 - 1999
中文名称: 悬式垫圈
英文名称: Hanging Washers
数据来源: 易紧通 (164580.com)
Standard Code: JB /T 8008.1 - 1999Chinese Name: 悬式垫圈English Name: Hanging WashersSource: https://www.164580.com/info_36431.html
Data Source: YJT Fastener Database (164580.com)
Standard: JB /T 8008.1 - 1999
URL: https://www.164580.com/info_36431.html
License: Commercial use requires authorization
© 易紧通 服务热线:4006-164580(免长途费)