index
logo

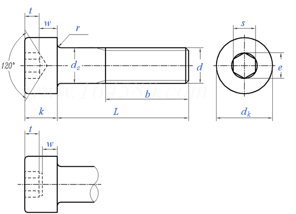
内六角圆柱头螺钉 JB /ZQ 4352 - 2006

查看供应商

选择规格尺寸 点击↓

M10

M12

M14

M16

(M18)

M20

(M22)

M24

(M27)

M30

(M33)

M36

M42

M48

M56

M64

M72

M80

M90

M100

括号内尺寸为非优选
JB /ZQ 4352 - 2006 内六角圆柱头螺钉

尺寸单位: mm
机械行业JB /ZQ4352 - 2006 JB4352 4352JB 内六角圆柱头螺钉
JB /ZQ 4352 - 2006 内六角圆柱头螺钉
扫一扫分享
千件重及价格计算 千件重 : kg x 元/kg = 元/千件
默认密度 g/cm3
公称长度L 注:选择后获得 相应重量 螺纹长度
螺纹尺寸
d
M10 M12 M14 M16 (M18) M20 (M22) M24 (M27) M30
P 螺距
dk 最大值
最小值
k 最大值
最小值
s 公称
最小值
最大值
t 最小值
ds 最大值
最小值
e 最小值
r 最小值
w 最小值
1.25/(1) 1.25/(1.5) (1.5) 1.5 1.5 1.5 1.5 2 2 2
16 18 21 24 27 30 33 36 40 45
15.73 17.73 20.67 23.67 26.67 29.67 32.61 35.61 39.61 44.61
10 12 14 16 18 20 22 24 27 30
9.64 11.57 13.57 15.57 17.57 19.48 21.48 23.48 26.48 29.48
8 10 12 14 14 17 17 19 19 22
8.025 10.025 12.032 14.032 14.032 17.05 17.05 19.065 19.065 22.065
8.175 10.175 12.212 14.212 14.212 17.23 17.23 19.275 19.275 22.275
5 6 7 8 9 10 11 12 13.5 15.5
10 12 14 16 18 20 22 24 27 30
9.78 11.73 13.73 15.73 17.73 19.67 21.67 23.67 26.67 29.67
9.15 11.43 13.72 16 16 19.44 19.44 21.73 21.73 25.15
0.4 0.6 0.6 0.6 0.6 0.8 0.8 0.8 1 1
4 4.8 5.8 6.8 7.8 8.6 9.4 10.4 11.9 13.1
千件钢制重≈kg
- - - - - - - - - -
螺纹长度b
- - - - - - - - - -
螺纹尺寸
d
(M33) M36 M42 M48 M56 M64 M72 M80 M90 M100
P 螺距
dk 最大值
最小值
k 最大值
最小值
s 公称
最小值
最大值
t 最小值
ds 最大值
最小值
e 最小值
r 最小值
w 最小值
2 3 4.5/3 5/3 5.5/4 6/4 6/4 6/4 6/4 6/4
50 54 63 72 84 96 108 120 135 150
49.61 53.54 62.54 71.54 83.54 95.46 107.46 119.46 134.37 149.37
33 36 42 48 56 64 72 80 90 100
32.38 35.38 41.38 47.38 55.26① 63.26 71.26 79.26 89.13 99.13
24 27 32 36 41 46 55 65 75 85
24.065 27.065 32.08 36.08 41.08 46.08 55.1 65.1 75.1 85.12
24.275 27.275 32.33 36.33 41.33 46.33 55.4 65.4 75.4 85.47
18 19 24 28 34 38 43 48 54 60
33 36 42 48 56 64 72 80 90 100
32.61 35.61 41.61 47.61 55.54 63.54 71.54 79.54 89.46 99.46
27.43 30.85 36.57 41.13 46.83 52.53 62.81 74.21 85.61 97.04
1 1 1.2 1.6 2 2 2 2 2.5 2.5
13.5 15.3 16.3 17.5 19 22 25 27 32 34
千件钢制重≈kg
- - - - - - - - - -
螺纹长度b
- - - - - - - - - -
①,原件中数值为56.26,疑似笔误,本表单中已改为55.26。
替代列表

技术条件和引用标准

材料
螺纹公差
机械性能等级
产品等级
表面处理
6g
d≤M36*3:8.8、10.9、12.9
d>M36*3:双方协商
A级
① 氧化
② 镀锌钝化
注:技术数据仅供参考,请以官方原件为准!
告诉我在“易紧通”看到,将给您优惠
联系人:沐自成 点击这里给我发消息723854275   移动电话: 13524395719     电话:0512-53730357     微信号:13524395719
材质:碳钢、中碳钢45#、不锈钢304、316、SS304、321、316Ti、双相钢、C276、2520、420、X12Cr13、30Cr13、40Cr13、高温合金钢NiCr19NbMo、42CrMoA、35CrMoA、40CrNiMoA、4Cr10Si2Mo、25Cr2Mo1VA、SCM440、SCM435、GH4033、GH2132、GH4169、GH3044、GH4738、N07080、Incoloy926、Incoloy625、Inconel690、Monel400等;表面处理:磷化黑 、电泳黑、蓝白锌、黑锌、达克罗、久美特、镀镍等;规格范围:M10-M100;公称长度16-300mm;可定制,提供样品检测。
联系人:徐海 点击这里给我发消息513543434   移动电话: 18621311857     电话:021-59766477
材质:301、302、303、304、304L、316、316L、316Ti、317L、310S、321、347、1.4529、1.4539、1.4462、1.4547、1.4980、904L、2205、2507、2520、S32750、S32760、1Cr13、1Cr17、2Cr13、3Cr13、14Cr17Ni2、410、416、420、430、431、440、630、631、17-4PH、MP350N、600、601、625、660、718、750、800、825、925、926、C22、C276、A286、GH2132、GH4033、GH4080、GH4169、GH4145、9C18Mo、4Cr10Si2Mo、35CrMoA、42CrMoA、40CrNiMoA、25Cr2Mo1VA、SCM435、SCM440、4130、4140、4145、A36、A307、A320、A325、A490、A574、F1554,不锈钢、合金钢、钛合金、镍基合金、高温合金、耐蚀合金、镍钴合金、特种合金等;等级:A1-50、A2-50、A2-70、A2-80、A3-70、A4-70、A4-80、A4-90、A4-100、A5-80、B8、B8M、B8C、B8T、B6、B7、B7M、B16、C1-50、C1-70、C1-110、C3-80、C3-120、C4-70、D2-80、D2-100、D4-80、D4-100、D6-80、D6-100、D8-80、D8-100、P1-90、P1-120、F51、F53、F55、F60、10.9、12.9、14.9、15.9、16.9等;规格范围:M3-M120,1/4"-4";表面处理:钝化、发黑、磷化、电泳、镀锌、镀镍、镀铬、镀镉、镀金、镀银、镀锡、镀铜、渗锌、海洋锌、渗铝、喷涂铝、达克罗、久美特、特氟龙、锌镍合金、镍钴合金、热镀锌、复合陶瓷、二硫化钼、二硫化钨、纳米涂层等,均可定制。
类似标准及供货信息
1 内六角圆柱头螺钉 [国标]
GB 70 - 1985
内六角圆柱头螺钉
Hexagon Socket Cap Head Screws
供应商(24)
2 内六角圆柱头螺钉 [国标]
GB 70 - 1976
内六角圆柱头螺钉
Hexagon Socket Head Cap Screws
供应商(24)
3 内六角圆柱头螺钉 [国标]
GB /T 70.1 - 2008
内六角圆柱头螺钉
Hexagon Socket Head Cap Screws
供应商(24)
4 内六角圆柱头螺钉 [国标]
GB /T 70.1 - 2000
内六角圆柱头螺钉
Hexagon Socket Head Cap Screws
供应商(24)
5 内六角圆柱头螺钉 细牙螺纹 [国标]
GB /T 70.6 - 2020
内六角圆柱头螺钉 细牙螺纹
Hexagon Socket Head Cap Screws - Fine Pitch Thread
6 内六角矮圆柱头螺钉 [德标]
DIN 7984 - 2022
内六角矮圆柱头螺钉
Hexagon Socket Head Cap Screws with Low Head with Reduced Loadability
供应商(11)
7 内六角带导向孔矮圆柱头螺钉 [德标]
DIN 6912 - 2021
内六角带导向孔矮圆柱头螺钉
Hexagon Socket Head Cap Screws with Reduced Loadability - Low Head, with Centre
供应商(5)
8 内六角矮圆柱头螺钉 [德标]
DIN 7984 - 2021
内六角矮圆柱头螺钉
Hexagon Socket Head Cap Screws with Low Head with Reduced Loadability
供应商(11)
9 内六角带导向孔矮圆柱头螺钉 [德标]
DIN 6912 - 2009
内六角带导向孔矮圆柱头螺钉
Hexagon Socket Head Cap Screws with Centre, with Low Head
供应商(5)
10 内六角矮圆柱头螺钉 [德标]
DIN 7984 - 2009
内六角矮圆柱头螺钉
Hexagon Socket Head Cap Screws with Low Head
供应商(11)
11 内六角圆柱头带导向孔螺钉 [德标]
DIN 6912 - 2002
内六角圆柱头带导向孔螺钉
Hexagon Socket Thin Head Cap Screws with Pilot Recess
供应商(5)
12 内六角矮圆柱头螺钉 [德标]
DIN 7984 - 2002
内六角矮圆柱头螺钉
Hexagon Socket Thin Head Cap Screws
供应商(11)
13 粗牙不脱出螺栓和螺钉 - 内六角圆柱头 [德标]
DIN 7964 (E) - 1990
粗牙不脱出螺栓和螺钉 - 内六角圆柱头
Reduced Shanke Bolts and Screws with Coarse Thread - Hexagon Socket Head
供应商(2)
14 内六角圆柱头带导向孔螺钉 [德标]
DIN 6912 - 1985
内六角圆柱头带导向孔螺钉
Hexagon Socket Thin Head Cap Screws with Pilot Recess
供应商(5)
15 内六角矮圆柱头螺钉 [德标]
DIN 7984 - 1985
内六角矮圆柱头螺钉
Hexagon Socket Thin Head Cap Screws
供应商(11)
16 内六角圆柱头螺钉 [德标]
DIN 912 - 1983
内六角圆柱头螺钉
Hexagon Socket Head Cap Screws
供应商(22)
17 内六角圆柱头带法兰面螺钉(防滑螺钉) [德标]
DIN 251
内六角圆柱头带法兰面螺钉(防滑螺钉)
Hexagon Socket Head with Serrated Flange Screws
供应商(8)
18 粗牙内六角圆柱头细杆螺钉 [德标]
DIN 6929 (EE) - 2013
粗牙内六角圆柱头细杆螺钉
Hexagon Socket Head Cap Screws
19 内六角圆柱头螺钉 [国际]
ISO 4762 - 2004
内六角圆柱头螺钉
Hexagon Socket Head Cap Screws
供应商(3)
20 内六角圆柱头螺钉 [国际]
ISO 4762 - 1997
内六角圆柱头螺钉
Hexagon Socket Head Cap Screws
供应商(3)
21 细牙内六角圆柱头螺钉 [国际]
ISO 12474 - 2010
细牙内六角圆柱头螺钉
Hexagon Socket Head Cap Screws with Metric Fine Pitch Thread
22 细牙内六角圆柱头螺钉 [国际]
ISO 21269 - 2004
细牙内六角圆柱头螺钉
Hexagon Socket Head Cap Screws with Metric Fine Pitch Thread
23 内六角圆柱头螺钉 [日标]
JIS B 1176 - 2014
内六角圆柱头螺钉
Hexagon Socket Head Cap Screws
供应商(1)
24 内六角圆柱头螺钉 [日标]
JIS B 1176 - 2006
内六角圆柱头螺钉
Hexagon Socket Head Cap Screws
供应商(1)
25 内六角圆柱头螺钉 [日标]
JIS B 1176 - 1988
内六角圆柱头螺钉
Hexagon Socket Head Cap Screws
供应商(1)
26 内六角圆柱头螺钉 [汽标代号]
Q 218B
内六角圆柱头螺钉

27 内六角圆柱头螺钉 [机械行业]
JB /ZQ 4352 - 1997
内六角圆柱头螺钉
Hexagon Socket Head Cap Screws
供应商(2)
28 薄型内六角圆柱头螺钉 [机械行业]
JB /ZQ 4725 - 2006
薄型内六角圆柱头螺钉
Hexagon Socket Head Cap Screws - Thin Type
29 内六角圆柱头螺钉 [美标]
ASME/ANSI B 18.3 - 1986
内六角圆柱头螺钉
Hexagon Socket Head Cap Screws
供应商(5)
30 米制内六角圆柱头螺钉 [美标]
ASME/ANSI B 18.3.1M - 1986 (R1993)
米制内六角圆柱头螺钉
Metric Hexagon Socket Head Cap Screws
供应商(1)
31 米制内六角圆柱头螺钉 [Table 1] (ASTM A574M / F837M / A1-70) [美标]
ASME/ANSI B 18.3.1M - 1986 (R2008)
米制内六角圆柱头螺钉 [Table 1] (ASTM A574M / F837M / A1-70)
Dimensions Of Metric Socket Head Cap Screws
供应商(1)
32 内键槽圆柱头螺钉 [美标]
ASME/ANSI B 18.3 - 2003 (R2008)
内键槽圆柱头螺钉
Spline Socket Head Cap Screws
33 内六角圆柱头螺钉 [意大利]
UNI 5931 - 1984
内六角圆柱头螺钉
Hexagon Socket Cheese Head Screws
供应商(1)
34 内六角薄圆柱头螺钉 [意大利]
UNI 9327 - 1988
内六角薄圆柱头螺钉
Hexagon Socket Cheese Head Thin Screws
35 内六角圆柱头螺钉 [法国]
NF E 25-125 - 2004
内六角圆柱头螺钉
Hexagon Socket Head Cap Screws
36 带锁孔内六角圆柱头螺钉 ISO螺纹 4h [法国]
NF L 22-220 - 1984
带锁孔内六角圆柱头螺钉 ISO螺纹 4h
Hexagonal Socket Cylindrical Head Screw with Hole for Lockwire - ISO Thread, 4h Class
37 带孔内六角圆柱头全螺纹螺钉 ISO螺纹 4g [法国]
NF L 22-224 - 1984
带孔内六角圆柱头全螺纹螺钉 ISO螺纹 4g
Hexagonal Socket Cylindrical Head Screw, Threaded to Head, with Hole for Lockwire - ISO Thread, 4g class
38 米制内六角圆柱头螺钉 [英标]
BS 4168-1 - 1981
米制内六角圆柱头螺钉
Metric Hexagon Socket Cheese Head Screws
39 BA螺纹内六角圆柱头螺钉  Table 2C [英标]
BS 2470 - 1973
BA螺纹内六角圆柱头螺钉 Table 2C
Hexagon Socket Cheese Head Cap Screws - BA Thread
40 统一螺纹内六角圆柱头螺钉 Table 2A [英标]
BS 2470 - 1973
统一螺纹内六角圆柱头螺钉 Table 2A
Hexagon Socket Cheese Head Screws - Unified Thread
41 英制内六角圆柱头螺钉 Table 2B [英标]
BS 2470 - 1973
英制内六角圆柱头螺钉 Table 2B
Hexagon Socket Cheese Head Cap Screws - BSW and BSF Thread
42 米制内六角圆柱头螺钉 [澳标]
AS 1420 - 2008 (R2015)
米制内六角圆柱头螺钉
ISO Metric Hexagon Socket Head Cap Screws
43 内六角圆柱头螺钉 [台湾]
CNS 3932 - 1998
内六角圆柱头螺钉
Hexagon Socket Cheese Head Screws
44 内六角圆柱头螺钉(M1.4~M2.5) [台湾]
CNS 4555 - 1981
内六角圆柱头螺钉(M1.4~M2.5)
Hexagon Socket Cheese Head Screws
45 内六角矮圆柱头螺钉 [台湾]
CNS 4556 - 1981
内六角矮圆柱头螺钉
Hexagon Socket Head Cap Screws with Reduced Height of Head
46 内六角圆柱头螺钉 A级 [俄标]
GOST 11738 - 1984
内六角圆柱头螺钉 A级
Hexagon Socket Head Cap Screws, Accuracy Class A
47 内六角圆柱头螺钉 [韩标]
KS B 1003 - 2015 (R2020)
内六角圆柱头螺钉
Hexagon Socket Head Cap Screws
48 内六角圆柱头螺钉 [韩标]
KS B 1003 - 2000
内六角圆柱头螺钉
Hexagon Socket Head Cap Screws
49 建筑机械与设备 高强度内六角圆柱头螺钉 [建筑]
JG /T 5057.10 - 1995
建筑机械与设备 高强度内六角圆柱头螺钉
Construction Machinery and Equipment - High Strength Screw with HexagonSocket Cap Head
50 内六角圆柱头螺钉 - 细牙 [德标]
DIN EN ISO 12474 - 2011
内六角圆柱头螺钉 - 细牙
Hexagon Socket Head Cap Screws with Metric Fine Pitch Thread
供应商(22)
51 内六角圆柱头螺钉 - 粗牙 [德标]
DIN EN ISO 4762 - 2004
内六角圆柱头螺钉 - 粗牙
Hexagon Socket Head Cap Screws
供应商(22)
52 内六角圆柱头螺钉 [印标]
IS 2269 - 2006
内六角圆柱头螺钉
Hexagon Socket Head Cap Screws
53 内六角圆柱头螺钉 耐腐蚀钢 UNC-3A [美国军标]
MS 16995 (H) - 1997
内六角圆柱头螺钉 耐腐蚀钢 UNC-3A
Screw, Cap, Socket Head - Hexagon, Corrosion Resistant Steel, UNC-3A
54 内六角圆柱头螺钉 [Table 1] (ASTM A574 / F837) [美标]
ASME B 18.3 (T1) - 2012
内六角圆柱头螺钉 [Table 1] (ASTM A574 / F837)
Hexagon Socket Head Cap Screws [Table 1] (ASTM A574 / F837)
供应商(5)
55 内六角圆柱头螺钉 [Table 1A] [美标]
ASME B 18.3 - 2003 (R2008)
内六角圆柱头螺钉 [Table 1A]
Hexagon Socket Head Cap Screws
供应商(5)
56 内六角矮圆柱头螺钉 [Table 12] (ASTM F835) [美标]
ASME B 18.3 (T12) - 2012
内六角矮圆柱头螺钉 [Table 12] (ASTM F835)
Low Head Hexagon Socket Cap Screws [Table 12] (ASTM F835)
57 内六角矮圆柱头螺钉 [Table 1G] [美标]
ASME B 18.3 - 2003 (R2008)
内六角矮圆柱头螺钉 [Table 1G]
Low Head Hexagon Socket Cap Screws
58 钛合金内六角圆柱头螺钉 [航天]
QJ 2582 (A) - 2011
钛合金内六角圆柱头螺钉
Hexagon Socket Cap Screws in Titanium Alloys
供应商(1)
59 钛合金内六角圆柱头螺钉 [航天]
QJ 2582 - 1993
钛合金内六角圆柱头螺钉
Hexagon Socket Cap Screws In Titanium Alloys
供应商(1)
60 内六角对接螺栓 [航空]
HB 1- 149 - 1995
内六角对接螺栓
Hex Butt Joint Bolt
61 内六角对接螺栓 [航空]
HB 1- 149 - 1983
内六角对接螺栓
Hex Butt Joint Bolt
© 易紧通 服务热线:4006-164580(免长途费)