index
logo

圆头槽销 DIN 1476 - 1978

查看供应商

选择规格尺寸 点击↓

Φ1.4

Φ1.6

Φ2

Φ2.5

Φ3

Φ4

Φ5

Φ6

Φ8

Φ10

Φ12

Φ16

Φ20

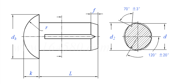
DIN  1476 - 1978 圆头槽销

尺寸单位: mm
德标DIN 1476 - 1978 DIN1476 1476DIN 圆头槽销
DIN  1476 - 1978 圆头槽销
扫一扫分享
千件重及价格计算 千件重 : kg x 元/kg = 元/千件
默认密度 g/cm3
公称长度L 注:选择后获得 相应重量
公称直径
d
Φ1.4 Φ1.6 Φ2 Φ2.5 Φ3 Φ4 Φ5 Φ6 Φ8 Φ10 Φ12 Φ16 Φ20
d 最大值
最小值
dk 公称
最大值
最小值
k 公称
最大值
最小值
r
f
d2 公称
最大值
最小值
1.4 1.6 2 2.5 3 4 5 6 8 10 12 16 20
1.35 1.55 1.95 2.425 2.925 3.9 4.9 5.9 7.85 9.85 11.8 15.8 19.8
2.4 2.8 3.5 4.4 5.2 7 8.8 10.5 14 16 19 25 32
2.6 3 3.7 4.6 5.45 7.25 9.1 10.8 14.4 16 19 25 32
2.2 2.6 3.3 4.2 4.95 6.75 8.5 10.2 13.6 14.9 17.7 23.7 30.7
0.8 1.0 1.2 1.5 1.8 2.4 3 3.6 4.8 6.5 7.5 10 13
0.9 1.1 1.3 1.6 1.95 2.55 3.15 3.75 5 7.4 8.4 10.9 13.9
0.7 0.9 1.1 1.4 1.65 2.25 2.85 3.45 4.6 6.5 7.5 10 13
1.4 1.6 1.9 2.4 2.8 3.8 4.6 5.7 7.5 8 9.5 13 16.5
0.5 0.5 0.5 0.7 1 1.5 1.5 2 2 2.5 2.5 2.5 3
1.5 1.7 2.15 2.7 3.2 4.25 5.25 6.3 8.3 10.35 12.35 16.4 20.5
1.55 1.75 2.2 2.75 3.25 4.3 5.3 6.35 8.35 10.4 12.45 16.5 20.6
1.5 1.7 2.15 2.65 3.15 4.2 5.2 6.25 8.25 10.3 12.25 16.3 20.4
千件钢制重≈kg
- - - - - - - - - - - - -
①,材料:钢St=USt 36-2或UQSt 36-2;其他材料见下方相关材料标准和牌号
替代列表
等效标准
国标 GB 国际 ISO 德标 DIN 欧标 EN
GB /T 13829.8
ISO 8746
DIN EN ISO 8746
EN 28746
以上有部分标准可能为近似等效,如有异议以标准原件为准
注:技术数据仅供参考,请以官方原件为准!
告诉我在“易紧通”看到,将给您优惠
联系人:沐自成 点击这里给我发消息723854275   移动电话: 13524395719     电话:0512-53730357     微信号:13524395719
材质:碳钢、中碳钢45#、不锈钢304、316、SS304、321、316Ti、双相钢、C276、2520、420、X12Cr13、30Cr13、40Cr13、高温合金钢NiCr19NbMo、42CrMoA、35CrMoA、40CrNiMoA、4Cr10Si2Mo、25Cr2Mo1VA、SCM440、SCM435、GH4033、GH2132、GH4169、GH3044、GH4738、N07080、Incoloy926、Incoloy625、Inconel690、Monel400、铝等;规格范围:¢1.5~¢120;表面:镀锌、达克罗、洗光、发黑、镍、抛光等。现货供应,提供样品检测。
联系人:李国志 点击这里给我发消息364950872   移动电话: 15221513104     电话:021-67636815     微信号:15221513104
材质:碳钢A3,不锈钢304,铝等;表面处理:本色,洗光,镀锌,达克罗等;公称直径:¢2-20mm;公称长度:3-150mm;现货供应,支持非标定制
类似标准及供货信息
1 圆头槽销 [国标]
GB /T 13829.8 - 2004
圆头槽销
Grooved Pins with Round Head
供应商(2)
2 圆头槽销 [国标]
GB /T 13829.3 (A) - 1992
圆头槽销
Grooved Pins - with Round Head
供应商(2)
3 圆头槽销 [国际]
ISO 8746 - 2025
圆头槽销
Grooved Pins with Round Head - Full-length Diamond Grooves
供应商(2)
4 圆头槽销 [国际]
ISO 8746 - 1997
圆头槽销
Grooved Pins with Round Head
供应商(2)
5 圆头槽销 [国际]
ISO 8746 - 1986
圆头槽销
Grooved Pins with Round Head
供应商(2)
6 米制 圆头槽销 TYPE 46-1 TYPE 46-2 [Table 8] [美标]
ASME/ANSI B 18.8.100M (B18.8.9M T8) - 2000 (R2005)
米制 圆头槽销 TYPE 46-1 TYPE 46-2 [Table 8]
Metric Series, Grooved Pins with Round Head, TYPE 46-1 TYPE 46-2 [Table 8]
7 圆头槽销 [欧标]
EN 28746 - 1992
圆头槽销
Grooved Pins with Round Head
8 圆头槽销 [法国]
NF E 25-766 - 1997
圆头槽销
Grooved Pins with Round Head
9 圆头槽销 [德标]
DIN EN ISO 8746 - 1998
圆头槽销
Grooved Pins with Round Head
供应商(2)
10 圆头槽销 [Table 8-2] [美标]
ASME B 18.8.2 - 2020
圆头槽销 [Table 8-2]
Round Head Grooved Drive Studs
11 圆头槽销 [Table 7] [美标]
ASME B 18.8.2 - 2000 (R2010)
圆头槽销 [Table 7]
Round Head Grooved Drive Studs
© 易紧通 服务热线:4006-164580(免长途费)