index
logo
pic

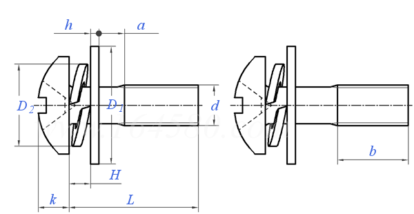
十字槽盘头螺钉、弹簧垫圈和平垫圈组合件 GB /T 9074.4 - 1988

查看供应商

选择规格尺寸 点击↓

M3

M4

M5

M6

括号内尺寸为非优选
GB /T 9074.4 - 1988 十字槽盘头螺钉、弹簧垫圈和平垫圈组合件

尺寸单位: mm
国标GB /T9074.4 - 1988 GB9074.4 9074.4GB 十字槽盘头螺钉、弹簧垫圈和平垫圈组合件
GB /T 9074.4 - 1988 十字槽盘头螺钉、弹簧垫圈和平垫圈组合件
扫一扫分享
千件重及价格计算 千件重 : kg x 元/kg = 元/千件
默认密度 g/cm3
公称长度L 注:选择后获得 相应重量 螺纹长度
螺纹尺寸
d
M3 M4 M5 M6
P 螺距
a 最大值
b 最小值
k 最大值
最小值
h 公称
H 公称
D1 公称
D2 参考
槽号
0.5 0.7 0.8 1
1 1.4 1.6 2
25 38 38 38
2.4 3.1 3.7 4.6
2.26 2.92 3.52 4.3
0.5 0.8 1 1.6
1.5 2 2.75 3.25
7 9 10 12
5.23 6.78 8.75 10.71
1 2 2 3
千件钢制重≈kg
- - - -
螺纹长度b
- - - -
①,十字槽盘头螺钉尺寸参照 GB 818;十字槽参照 GB 944.1。

技术条件和引用标准

项目
标准
十字槽
表面处理
其他技术要求
验收及包装
螺钉 垫圈
GB 818 GB 9074.26 GB 9074.24
H型 GB 944.1 - -
①镀锌钝化 GB 5267; ②氧化
垫圈应能自由转动而不脱落
GB/T 90
注:技术数据仅供参考,请以官方原件为准!
告诉我在“易紧通”看到,将给您优惠
联系人:万丽霞(女士) 点击这里给我发消息2885546880   移动电话: 18913825968     电话:400-068-8585;(025)52260815 / 52119158 / 52112158
材料:碳钢、合金钢、304、304L、310S、316、316L、317、321、347、双相钢2205、2507、2520、904L、410、420、430、431、440、631、蒙乃尔K500、1.4410、1.4501、1.4529、1.4539、1.4547、1.4980;等级:A2-70、A2-80、A3-70、A4-70、A4-80、A5-80、C1-70、C4-70、C1-110、C3-80、8.8级、10.9级\12.9级以上;镀层:本色、发黑、磷化、钝化、镀锌、达克罗、锌镍合金、镀金、镀银等;规格:M3-M72,可按图定制
联系人:黄俊辉 点击这里给我发消息1540428407   移动电话: 13828802165     电话:0752-3951888, 3951820, 3951821, 3951825, 3951826
材料:1008钢、1018#碳钢、Q235碳钢、35#合金钢、L6铝、304HC不锈钢、316HC不锈钢,表面处理:环保彩锌、环保蓝白锌、环保黑锌、环保镍、热镀锌、达克罗、以及非环保电镀,规格:齐全
联系人:庄宏伟   移动电话: 13008864675     电话:0755-89505088
材质:碳钢、合金钢、不锈钢、铜、铝、钛;规格范围:M0.6~M6;公称长度:4~60mm;表面处理:镀锌、镍、锌镍合金、电泳、达克罗、CD纹、PVD等。
联系人:季经理 点击这里给我发消息21211537   移动电话: 13165868550     电话:13165868550     微信号:13165868550
材质:碳钢,高强度合金钢,304,316,双相不锈钢;规格范围:M3-M16
联系人:吴红梅 点击这里给我发消息962654615   移动电话: 13815902526     电话:0523-83888632
材质:不锈钢;规格范围:按照客户要求。
联系人:李美华,钟崑皓 点击这里给我发消息402398463   移动电话: 13771867939/13771793559     电话:0512-65868465     微信号:13771867939
材质:碳钢、不锈钢;等级:8.8级;规格范围:M2-M12
联系人:王经理 点击这里给我发消息2853639927   移动电话: 18678916777     电话:0532-87980778
供应“青固”品牌螺丝,0.8φ-20φ碳钢1022、不锈钢 304 、316、302; 铜、铝等材质;2.5-10mm,公称长度:6.5mm-300mm ;表面处理:镀白锌、彩锌、镍、达克罗、热镀锌等;非标按客户要求定做。
联系人:葛德荣 点击这里给我发消息1821784920   移动电话: 15995703045     电话:0512-65086790     微信号:15995703045
材料:不锈钢 304HC、316CU;等级:A2~70、A4~80;规格范围:M1.6~M12;公称长度范围:2mm~150mm;表面处理:清洗、钝化、本色 镀古铜、镀仿金、镀黑锌、镀黑镍、电泳、达克罗、防松处理
联系人:韩经理   移动电话: 13616600328     电话:0577-65278085
材质:碳钢、不锈钢、铜;规格:M2.5-M10
联系人:王女士/陈先生   移动电话: 18068096032/13584906950
等级:8.8级、10.9级、12.9级;规格范围:ST1.0~8.0;工厂生产,不接零售。
联系人:郑总 点击这里给我发消息2876861156   移动电话: 13513101387     电话:0310-6813029
材质:195#、ML08#碳钢、35K、10B21#、40CR#、35CRMO#;等级:4.8级,8.8级,10.9级12.9级;规格:M1.5-M16;表面处理:各种普通电镀及环保电镀锌、镀镍、达克罗等。常备现货,支持定制。
联系人:杨钦   移动电话: 15162465399     电话:0512-65808790
材料:碳钢、不锈钢,表面处理:本色; 公称直径:M1.2-M8,公称长度:3mm-80mm
告诉我在“易紧通”看到,将给您优惠
类似标准及供货信息
1 螺栓或螺钉和平垫圈组合件 [国标]
GB /T 9074.1 - 2018
螺栓或螺钉和平垫圈组合件
Bolt or Screw and Washer Assemblies with Plain Washers
供应商(6)
2 十字槽小盘头螺钉和平垫圈组合件 [国标]
GB /T 9074.5 - 2004
十字槽小盘头螺钉和平垫圈组合件
Cross Recessed Small Pan Head Screw and Washer Assemblies with Plain Washers
供应商(2)
3 螺栓或螺钉和平垫圈组合件 [国标]
GB /T 9074.1 - 2002
螺栓或螺钉和平垫圈组合件
Bolt or Screw and Washer Assemblies with Plain Washers
供应商(6)
4 十字槽盘头螺钉和平垫圈组合 [国标]
GB /T 9074.1 - 1988
十字槽盘头螺钉和平垫圈组合
Cross Recessed Pan Head Screws and Plain Washers Assemblies
供应商(6)
5 十字槽盘头螺钉和外锯齿锁紧垫圈组合件 [国标]
GB 9074.2 - 1988
十字槽盘头螺钉和外锯齿锁紧垫圈组合件
Cross Recessed Pan Head Screw And Serrated Lock Washer External Teeth Assemblies
供应商(2)
6 十字槽盘头螺钉和弹簧垫圈组合件 [国标]
GB 9074.3 - 1988
十字槽盘头螺钉和弹簧垫圈组合件
Cross Recessed Pan Head Screws and Single Coil Spring Lock Washers Assemblies
供应商(3)
7 十字槽小盘头螺钉和平垫组合 [国标]
GB /T 9074.5 - 1988
十字槽小盘头螺钉和平垫组合
Cross Recessed Small Pan Head Screw and Plain Washer Assemblies
供应商(2)
8 十字槽小盘头螺钉和大平垫组合 [国标]
GB /T 9074.6 - 1988
十字槽小盘头螺钉和大平垫组合
Cross Recessed Small Pan Head Screw and Large Plain Washer Assemblies
供应商(2)
9 十字槽小盘头螺钉和弹簧垫圈组合件 [国标]
GB 9074.7 - 1988
十字槽小盘头螺钉和弹簧垫圈组合件
Cross Recessed Small Pan Head Screw and Single Coil Spring Lock Washer Assemblies
供应商(2)
10 十字槽小盘头螺钉、弹簧垫圈及平垫圈组合件 [国标]
GB 9074.8 - 1988
十字槽小盘头螺钉、弹簧垫圈及平垫圈组合件
Cross Recessed Small Pan Head Screw, Single Coil Spring Lock Washer and Plain Washer Assemblies
供应商(10)
11 十字槽沉头螺钉和锥形锁紧垫圈组合件 [国标]
GB 9074.9 - 1988
十字槽沉头螺钉和锥形锁紧垫圈组合件
Cross Recessed Countersunk Head Screw and Countersunk Serrated External Toothed Lock Washer Assemblies
供应商(1)
12 内六角花形(梅花槽)盘头螺钉和平垫圈组合件 [国标]
GB /T 9074.1 (S11)
内六角花形(梅花槽)盘头螺钉和平垫圈组合件
Hexagon Lobular Socket Pan Head Screws and Washer Assemblies with Plain Washers
供应商(1)
13 螺栓或螺钉和锥形弹性垫圈组合件 [国标]
GB /T 9074.32 - 2017
螺栓或螺钉和锥形弹性垫圈组合件
Bolt or Screw and Washer Assemblies with Conical Spring Washers
14 滚动轴承附件 - 锁紧卡 MS系列 [国标]
GB /T 9160.2 (MS) - 2017
滚动轴承附件 - 锁紧卡 MS系列
Rolling Bearing - Locking Clips - MS Series
15 滚动轴承附件 - 锁紧卡 MSL系列 [国标]
GB /T 9160.2 (MSL) - 2017
滚动轴承附件 - 锁紧卡 MSL系列
Rolling Bearing - Locking Clips - MSL Series
16 滚动轴承附件 - 锁紧卡 MSL系列 [国标]
GB /T 9160.2 (MSL) - 2006
滚动轴承附件 - 锁紧卡 MSL系列
Rolling Bearing - Locking Clips - MSL Series
17 弹性套柱销轴器用 弹性套、挡圈和柱销 [国标]
GB /T 4323 - 2002
弹性套柱销轴器用 弹性套、挡圈和柱销
Pin Coupling with Elastic Sleeve - Elastic Sleeve, Retaining Ring and Pin
18 十字槽半沉头螺钉和锥形锁紧垫圈组合 [国标]
GB 9074.10 - 1988
十字槽半沉头螺钉和锥形锁紧垫圈组合
Cross Recessed Raised Countersunk Head Screw and Countersunk External Toothed Lock Washer Assemblies
19 十字槽盘头螺钉和平垫圈组合件 [国标]
GB /T 9074.1 (S3)
十字槽盘头螺钉和平垫圈组合件
Cross Recessed Pan Head Screws and Washer Assemblies with Plain Washers
20 内六角圆柱头螺钉和平垫圈组合件 [国标]
GB /T 9074.1 (S4)
内六角圆柱头螺钉和平垫圈组合件
Hexagon Socket Head Cap Screws and Washer Assemblies with Plain Washers
21 开槽盘头螺钉和平垫圈组合件 [国标]
GB /T 9074.1 (S5)
开槽盘头螺钉和平垫圈组合件
Slotted Pan Head Screws and Washer Assemblies with Plain Washers
22 开槽圆柱头螺钉和平垫圈组合件 [国标]
GB /T 9074.1 (S6)
开槽圆柱头螺钉和平垫圈组合件
Slotted Cheese Head Screws and Washer Assemblies with Plain Washers
23 内六角花形(梅花槽)圆柱头螺钉和平垫圈组合件 [国标]
GB /T 9074.1 (S10)
内六角花形(梅花槽)圆柱头螺钉和平垫圈组合件
Hexalobular Socket Head Cap Screws and Washer Assemblies with Plain Washers
24 六角法兰面螺栓和平垫圈组合件 [国标]
GB /T 9074.1 (S12)
六角法兰面螺栓和平垫圈组合件
Hexagon Flange Bolts and Washer Assemblies with Plain Washers
25 六角法兰面螺栓(细牙)和平垫圈组合件 [国标]
GB /T 9074.1 (S13)
六角法兰面螺栓(细牙)和平垫圈组合件
Hexagon Flange Bolts (Fine Pitch Thread) and Washer Assemblies with Plain Washers
26 十字盘头螺钉和平垫圈的组合螺钉 [德标]
DIN 6900-1 - 1990
十字盘头螺钉和平垫圈的组合螺钉
Cross pan head screw and washer assemblies,coarse threaded screws with captive plain washer
供应商(1)
27 锥形弹性垫圈与螺钉组合件 [德标]
DIN 6900-5 - 2004
锥形弹性垫圈与螺钉组合件
Assemblies with Coarse Threaded Screws and Captive Conical Spring Washer
28 带固定旋杆的卡式螺栓 E型 [德标]
DIN 6304 (E) - 2002
带固定旋杆的卡式螺栓 E型
Tommy Screws with Fixed Clamping Bolt - Form E
29 带固定旋杆的卡式螺栓 F型 [德标]
DIN 6304 (F) - 2002
带固定旋杆的卡式螺栓 F型
Tommy Screws with Fixed Clamping Bolt - Form F
30 带移动卡式螺栓的定位销钉 D型 [德标]
DIN 6306 (D) - 2002
带移动卡式螺栓的定位销钉 D型
Tommy Screws with Moveable Clamping Bolt - Type D
31 带移动卡式螺栓的定位销钉 E型 [德标]
DIN 6306 (E) - 2002
带移动卡式螺栓的定位销钉 E型
Tommy Screws with Moveable Clamping Bolt - Type E
32 开槽螺钉和波形垫圈组合 [德标]
DIN 6900-2 - 1990
开槽螺钉和波形垫圈组合
Slotted Screws and Wave Washers Assemblies
33 鞍形弹簧垫圈与螺钉组合件 [德标]
DIN 6900-3 - 1990
鞍形弹簧垫圈与螺钉组合件
Screw and Washer Assemblies with Coarse Thread with Curved Spring Lock Washer
34 齿形弹簧垫圈与螺钉组合件 [德标]
DIN 6900-4 - 1990
齿形弹簧垫圈与螺钉组合件
Screw and Washer Assemblies with Coarse Threaded Screws with Captive Serrated Lock Washer
35 锥形弹性垫圈与螺钉组合件 [德标]
DIN 6900-5 - 1990
锥形弹性垫圈与螺钉组合件
Assemblies With Coarse Threaded Screws and Captive Conical Spring Washer
36 滚动轴承附件 - 锁紧卡组件 [国际]
ISO 2982-2 (Clip) - 2013
滚动轴承附件 - 锁紧卡组件
Rolling Bearings - Accessories - Locking Clip Assemblies
37 螺丝和钢制平垫圈组合件 垫圈硬度200HV和300HV [国际]
ISO 10644 - 2009
螺丝和钢制平垫圈组合件 垫圈硬度200HV和300HV
Screw and Washer Sssemblies Made of Steel with Plain Washers - Washer Hardness Classes 200 HV and 300 HV
38 螺丝和钢制平垫圈组合件 垫圈硬度200HV和300HV [国际]
ISO 10644 - 1998
螺丝和钢制平垫圈组合件 垫圈硬度200HV和300HV
Screw and Washer Assemblies with Plain Washers - Washer Hardness Classes 200 HV and 300 HV
39 十字槽盘头螺钉、平垫和弹垫组合件 [日标]
JIS B 1188 (T1A) - 1995
十字槽盘头螺钉、平垫和弹垫组合件
Cross Recessed Pan Head Screws, Spring Lock Washer and Plain Washer Assemblles
供应商(2)
40 锁紧卡组件 [日标]
JIS B 1554 (AL/ALL) - 2016
锁紧卡组件
Locking Clip and Applicable Bolt
41 十字盘头螺钉和平垫圈的组合 [日标]
JIS B 1130 - 2012
十字盘头螺钉和平垫圈的组合
Cross Recessed Pan Screw Assemblies with Washers
42 十字盘头螺钉和平垫圈的组合 [日标]
JIS B 1130 - 2006
十字盘头螺钉和平垫圈的组合
Cross Recessed Pan Screws and Plain Washers Assemblies
43 十字槽盘头螺钉和弹垫组合 [日标]
JIS B 1188 (T1B) - 1995
十字槽盘头螺钉和弹垫组合
Cross Recessed Pan Head Screws And Spring Lock Washer Assembiles
44 十字盘头螺钉和平垫圈组合 [日标]
JIS B 1188 (T1C) - 1995
十字盘头螺钉和平垫圈组合
Cross Recessed Pan Head Screws And Plain Washer Assemblies
45 十字盘头螺钉和外齿锁紧垫圈组合 [日标]
JIS B 1188 (T1D) - 1995
十字盘头螺钉和外齿锁紧垫圈组合
Cross Recessed Pan Head Screw And Serrated Lock Washer External Teeth Assemblies
46 十字槽盘头螺钉与平垫组合 [汽标代号]
Q 230B
十字槽盘头螺钉与平垫组合
Cross Recessed Pan Head Tapping Screws and Plain Washers Assemblies
供应商(1)
47 十字槽盘头螺钉与弹垫组合 [汽标代号]
Q 232
十字槽盘头螺钉与弹垫组合
Cross Recessed Pan Head Screws and Spring Washer Assemblies
供应商(1)
48 十字槽盘头螺钉与外锯齿锁紧垫圈组合 [汽标代号]
Q 234
十字槽盘头螺钉与外锯齿锁紧垫圈组合
Cross Recessed Pan Head Screws and Serrated Lock Washers External Teeth Assemblies
供应商(1)
49 十字槽盘头螺钉与弹垫平垫组合 [汽标代号]
Q 236B
十字槽盘头螺钉与弹垫平垫组合
Cross Recessed Pan Head Screws Combine with Spring Washer and Plain Washers
供应商(2)
50 六角头螺栓与平垫圈组合件 [汽标代号]
Q 140B
六角头螺栓与平垫圈组合件
Hex Head and Plain Washer Combination Bolt
51 十字槽沉头螺钉与锥形外锯齿锁紧垫圈组合 [汽标代号]
Q 240
十字槽沉头螺钉与锥形外锯齿锁紧垫圈组合
Cross Recessed Countersunk Head Screws and Serrated Lock Washers External Teeth Assemblies
52 十字槽半沉头螺钉与锥形外锯齿锁紧垫圈组合 [汽标代号]
Q 242
十字槽半沉头螺钉与锥形外锯齿锁紧垫圈组合
Cross Recessed Countersunk Raised Head Screws and Serrated Lock Washers External Teeth Assemblies
53 复合槽小盘头螺钉、弹簧垫圈和方形垫圈组合件 [机械行业]
JB /T 14722 - 2024
复合槽小盘头螺钉、弹簧垫圈和方形垫圈组合件
Complex Groove SmalI Pan Head Screw, Single CoiI Spring Lock Washer and Square Washer Assemblies
54 复合槽小盘头螺钉和方形垫圈组合件 [机械行业]
JB /T 14723 - 2024
复合槽小盘头螺钉和方形垫圈组合件
Complex Groove Small Pan Head Screw and Square Washer Assemblies
55 复合槽圆柱头螺钉和瓦形垫圈组合件 [机械行业]
JB /T 14724 - 2024
复合槽圆柱头螺钉和瓦形垫圈组合件
Complex Groove Cap Head Screw and Tile Washer Assemblies
56 锁紧卡组件 [机械行业]
JB /T 7919.3 - 1999
锁紧卡组件
Locking Clip Assemblies
57 米制内六角圆柱头螺钉和弹垫组合 SEMS [Table 1] [美标]
ASME/ANSI B 18.13.1M - 2011
米制内六角圆柱头螺钉和弹垫组合 SEMS [Table 1]
Metric Socket Head Cap Screw and Spring Washer Assemblies-SEMS(Machine Screw Thread Diameter)
58 米制开槽盘头螺钉和弹垫组合 SEMS[Table 1] [美标]
ASME/ANSI B 18.13.1M - 2011
米制开槽盘头螺钉和弹垫组合 SEMS[Table 1]
Metric Slotted Pan Head Screw and Spring Washer Assemblies-SEMS (Machine Screw Thread Diameter)
59 内六角圆柱头螺钉和弹垫组合SEMS [Table 1] [美标]
ASME/ANSI B 18.13 - 1996
内六角圆柱头螺钉和弹垫组合SEMS [Table 1]
Socket Head Cap Screw and Spring Washer Assemblies - SEMS
60 开槽盘头螺钉和弹垫组合 SEMS[Table 2] [美标]
ASME/ANSI B 18.13 - 1996
开槽盘头螺钉和弹垫组合 SEMS[Table 2]
Slotted Pan Head Screw and Spring Washer Assemblies - SEMS
61 带孔球头形螺钉 [法国]
NF E 27-303 - 1968
带孔球头形螺钉
Spherical Holed Head Screw
62 十字盘头螺钉和平垫圈的组合 [原电子工业部]
SJ 2834 - 1987
十字盘头螺钉和平垫圈的组合

63 十字槽盘头螺钉和弹垫组合 [原电子工业部]
SJ 2835 - 1987
十字槽盘头螺钉和弹垫组合

64 十字盘头螺钉和平、弹垫组合 [原电子工业部]
SJ 2836 - 1987
十字盘头螺钉和平、弹垫组合

65 皇冠螺钉 [标准]
YJT 4031
皇冠螺钉

供应商(1)
66 内六角圆柱头螺钉和平垫、弹垫组合件 [标准]
YJT 4079 (GB 70.1 + GB 9074.13)
内六角圆柱头螺钉和平垫、弹垫组合件
Hexagon Socket Head Cap Screws with Single Coil Lock Washer and Plain Washer Assemblies
供应商(2)
67 十一槽子母铆钉 [标准]
YJT 8021
十一槽子母铆钉

供应商(1)
68 内六角花形槽盘头平弹垫组合件 [标准]
YJT 4068 (GB9074.4T)
内六角花形槽盘头平弹垫组合件
Hexalobular Socket Pan Head Screws, Single Coil Spring Lock Washer and Plain Washer Assembles
69 内六角花形盘头螺钉组合件 [西门子]
SN 60736
内六角花形盘头螺钉组合件

供应商(1)
70 螺丝和钢制平垫圈组合件 垫圈硬度200HV和300HV [德标]
DIN EN ISO 10644 - 2009
螺丝和钢制平垫圈组合件 垫圈硬度200HV和300HV
Screw and Washer Assemblies Made of Steel with Plain Washers – Washer Hardness Classes 200 HV and 300 HV
供应商(1)
71 内六角花形(梅花槽)盘头螺钉和平垫圈组合件 [德标]
DIN EN ISO 10644 (S11)
内六角花形(梅花槽)盘头螺钉和平垫圈组合件
Hexagon Lobular Socket Pan Head Screws and Washer Assemblies with Plain Washers
供应商(1)
72 十字槽盘头螺钉和平垫圈组合件 [德标]
DIN EN ISO 10644 (S3)
十字槽盘头螺钉和平垫圈组合件
Cross Recessed Pan Head Screws and Washer Assemblies with Plain Washers
73 内六角圆柱头螺钉和平垫圈组合件 [德标]
DIN EN ISO 10644 (S4)
内六角圆柱头螺钉和平垫圈组合件
Hexagon Socket Head Cap Screws and Washer Assemblies with Plain Washers
74 开槽盘头螺钉和平垫圈组合件 [德标]
DIN EN ISO 10644 (S5)
开槽盘头螺钉和平垫圈组合件
Slotted Pan Head Screws and Washer Assemblies with Plain Washers
75 开槽圆柱头螺钉和平垫圈组合件 [德标]
DIN EN ISO 10644 (S6)
开槽圆柱头螺钉和平垫圈组合件
Slotted Cheese Head Screws and Washer Assemblies with Plain Washers
76 内六角花形(梅花槽)圆柱头螺钉和平垫圈组合件 [德标]
DIN EN ISO 10644 (S10)
内六角花形(梅花槽)圆柱头螺钉和平垫圈组合件
Hexalobular Socket Head Cap Screws and Washer Assemblies with Plain Washers
77 六角法兰面螺栓和平垫圈组合件 [德标]
DIN EN ISO 10644 (S12)
六角法兰面螺栓和平垫圈组合件
Hexagon Flange Bolts and Washer Assemblies with Plain Washers
78 六角法兰面螺栓(细牙)和平垫圈组合件 [德标]
DIN EN ISO 10644 (S13)
六角法兰面螺栓(细牙)和平垫圈组合件
Hexagon Flange Bolts (Fine Pitch Thread ) and Washer Assemblies with Plain Washers
79 内六角圆柱头螺钉和弹垫组合 SEMS[Table 1] [美标]
ASME B 18.13 - 2017
内六角圆柱头螺钉和弹垫组合 SEMS[Table 1]
Helical Spring Lock Washers for Socket Head Cap Screw SEMS
80 开槽盘头螺钉和弹垫组合SEMS [Table 2] [美标]
ASME B 18.13 - 2017 (ERTA)
开槽盘头螺钉和弹垫组合SEMS [Table 2]
Slotted Pan Head Screw and Spring Washer Assemblies-SEMS
© 易紧通 服务热线:4006-164580(免长途费)