index
logo

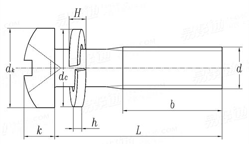
十字槽盘头螺钉和弹垫组合 JIS B 1188 (T1B) - 1995

选择规格尺寸 点击↓

M2

M2.5

M3

(M3.5)

M4

M5

M6

M8

括号内尺寸为非优选

尺寸单位: mm
日标JIS B1188 (T1B) - 1995 JIS1188 1188JIS 十字槽盘头螺钉和弹垫组合
JIS B 1188 (T1B) - 1995 十字槽盘头螺钉和弹垫组合
扫一扫分享
螺纹规格
d
M2 M2.5 M3 (M3.5) M4 M5 M6 M8
dk 最大值
最小值
k 最大值
最小值
dc 弹垫 最大值
H 弹垫 最小值
3.5 4.5 5.5 6 7 9 10.5 14
3.1 4.1 5 5.5 6.5 8.4 9.8 13.2
1.4 1.8 2.15 2.45 2.75 3.45 4.1 5.4
1.2 1.6 1.85 2.15 2.45 3.15 3.7 5
4 4.8 5.5 6.2 7 8.5 11.5 14.5
0.5 0.6 0.7 0.8 1 1.3 1.5 2
注:技术数据仅供参考,请以官方原件为准!
类似标准及供货信息
1 螺栓或螺钉和平垫圈组合件 [国标]
GB /T 9074.1 - 2018
螺栓或螺钉和平垫圈组合件
Bolt or Screw and Washer Assemblies with Plain Washers
供应商(6)
2 十字槽小盘头螺钉和平垫圈组合件 [国标]
GB /T 9074.5 - 2004
十字槽小盘头螺钉和平垫圈组合件
Cross Recessed Small Pan Head Screw and Washer Assemblies with Plain Washers
供应商(2)
3 螺栓或螺钉和平垫圈组合件 [国标]
GB /T 9074.1 - 2002
螺栓或螺钉和平垫圈组合件
Bolt or Screw and Washer Assemblies with Plain Washers
供应商(6)
4 十字槽盘头螺钉和平垫圈组合 [国标]
GB /T 9074.1 - 1988
十字槽盘头螺钉和平垫圈组合
Cross Recessed Pan Head Screws and Plain Washers Assemblies
供应商(6)
5 十字槽盘头螺钉和外锯齿锁紧垫圈组合件 [国标]
GB 9074.2 - 1988
十字槽盘头螺钉和外锯齿锁紧垫圈组合件
Cross Recessed Pan Head Screw And Serrated Lock Washer External Teeth Assemblies
供应商(2)
6 十字槽盘头螺钉和弹簧垫圈组合件 [国标]
GB 9074.3 - 1988
十字槽盘头螺钉和弹簧垫圈组合件
Cross Recessed Pan Head Screws and Single Coil Spring Lock Washers Assemblies
供应商(3)
7 十字槽盘头螺钉、弹簧垫圈和平垫圈组合件 [国标]
GB /T 9074.4 - 1988
十字槽盘头螺钉、弹簧垫圈和平垫圈组合件
Cross Recessed Pan Head Screws, Single Coil Spring Lock Washer and Plain Washers Assemblies
供应商(12)
8 十字槽小盘头螺钉和平垫组合 [国标]
GB /T 9074.5 - 1988
十字槽小盘头螺钉和平垫组合
Cross Recessed Small Pan Head Screw and Plain Washer Assemblies
供应商(2)
9 十字槽小盘头螺钉和大平垫组合 [国标]
GB /T 9074.6 - 1988
十字槽小盘头螺钉和大平垫组合
Cross Recessed Small Pan Head Screw and Large Plain Washer Assemblies
供应商(2)
10 十字槽小盘头螺钉和弹簧垫圈组合件 [国标]
GB 9074.7 - 1988
十字槽小盘头螺钉和弹簧垫圈组合件
Cross Recessed Small Pan Head Screw and Single Coil Spring Lock Washer Assemblies
供应商(2)
11 十字槽小盘头螺钉、弹簧垫圈及平垫圈组合件 [国标]
GB 9074.8 - 1988
十字槽小盘头螺钉、弹簧垫圈及平垫圈组合件
Cross Recessed Small Pan Head Screw, Single Coil Spring Lock Washer and Plain Washer Assemblies
供应商(10)
12 十字槽沉头螺钉和锥形锁紧垫圈组合件 [国标]
GB 9074.9 - 1988
十字槽沉头螺钉和锥形锁紧垫圈组合件
Cross Recessed Countersunk Head Screw and Countersunk Serrated External Toothed Lock Washer Assemblies
供应商(1)
13 内六角花形(梅花槽)盘头螺钉和平垫圈组合件 [国标]
GB /T 9074.1 (S11)
内六角花形(梅花槽)盘头螺钉和平垫圈组合件
Hexagon Lobular Socket Pan Head Screws and Washer Assemblies with Plain Washers
供应商(1)
14 螺栓或螺钉和锥形弹性垫圈组合件 [国标]
GB /T 9074.32 - 2017
螺栓或螺钉和锥形弹性垫圈组合件
Bolt or Screw and Washer Assemblies with Conical Spring Washers
15 滚动轴承附件 - 锁紧卡 MS系列 [国标]
GB /T 9160.2 (MS) - 2017
滚动轴承附件 - 锁紧卡 MS系列
Rolling Bearing - Locking Clips - MS Series
16 滚动轴承附件 - 锁紧卡 MSL系列 [国标]
GB /T 9160.2 (MSL) - 2017
滚动轴承附件 - 锁紧卡 MSL系列
Rolling Bearing - Locking Clips - MSL Series
17 滚动轴承附件 - 锁紧卡 MSL系列 [国标]
GB /T 9160.2 (MSL) - 2006
滚动轴承附件 - 锁紧卡 MSL系列
Rolling Bearing - Locking Clips - MSL Series
18 弹性套柱销轴器用 弹性套、挡圈和柱销 [国标]
GB /T 4323 - 2002
弹性套柱销轴器用 弹性套、挡圈和柱销
Pin Coupling with Elastic Sleeve - Elastic Sleeve, Retaining Ring and Pin
19 十字槽半沉头螺钉和锥形锁紧垫圈组合 [国标]
GB 9074.10 - 1988
十字槽半沉头螺钉和锥形锁紧垫圈组合
Cross Recessed Raised Countersunk Head Screw and Countersunk External Toothed Lock Washer Assemblies
20 十字槽盘头螺钉和平垫圈组合件 [国标]
GB /T 9074.1 (S3)
十字槽盘头螺钉和平垫圈组合件
Cross Recessed Pan Head Screws and Washer Assemblies with Plain Washers
21 内六角圆柱头螺钉和平垫圈组合件 [国标]
GB /T 9074.1 (S4)
内六角圆柱头螺钉和平垫圈组合件
Hexagon Socket Head Cap Screws and Washer Assemblies with Plain Washers
22 开槽盘头螺钉和平垫圈组合件 [国标]
GB /T 9074.1 (S5)
开槽盘头螺钉和平垫圈组合件
Slotted Pan Head Screws and Washer Assemblies with Plain Washers
23 开槽圆柱头螺钉和平垫圈组合件 [国标]
GB /T 9074.1 (S6)
开槽圆柱头螺钉和平垫圈组合件
Slotted Cheese Head Screws and Washer Assemblies with Plain Washers
24 内六角花形(梅花槽)圆柱头螺钉和平垫圈组合件 [国标]
GB /T 9074.1 (S10)
内六角花形(梅花槽)圆柱头螺钉和平垫圈组合件
Hexalobular Socket Head Cap Screws and Washer Assemblies with Plain Washers
25 六角法兰面螺栓和平垫圈组合件 [国标]
GB /T 9074.1 (S12)
六角法兰面螺栓和平垫圈组合件
Hexagon Flange Bolts and Washer Assemblies with Plain Washers
26 六角法兰面螺栓(细牙)和平垫圈组合件 [国标]
GB /T 9074.1 (S13)
六角法兰面螺栓(细牙)和平垫圈组合件
Hexagon Flange Bolts (Fine Pitch Thread) and Washer Assemblies with Plain Washers
27 十字盘头螺钉和平垫圈的组合螺钉 [德标]
DIN 6900-1 - 1990
十字盘头螺钉和平垫圈的组合螺钉
Cross pan head screw and washer assemblies,coarse threaded screws with captive plain washer
供应商(1)
28 锥形弹性垫圈与螺钉组合件 [德标]
DIN 6900-5 - 2004
锥形弹性垫圈与螺钉组合件
Assemblies with Coarse Threaded Screws and Captive Conical Spring Washer
29 带固定旋杆的卡式螺栓 E型 [德标]
DIN 6304 (E) - 2002
带固定旋杆的卡式螺栓 E型
Tommy Screws with Fixed Clamping Bolt - Form E
30 带固定旋杆的卡式螺栓 F型 [德标]
DIN 6304 (F) - 2002
带固定旋杆的卡式螺栓 F型
Tommy Screws with Fixed Clamping Bolt - Form F
31 带移动卡式螺栓的定位销钉 D型 [德标]
DIN 6306 (D) - 2002
带移动卡式螺栓的定位销钉 D型
Tommy Screws with Moveable Clamping Bolt - Type D
32 带移动卡式螺栓的定位销钉 E型 [德标]
DIN 6306 (E) - 2002
带移动卡式螺栓的定位销钉 E型
Tommy Screws with Moveable Clamping Bolt - Type E
33 开槽螺钉和波形垫圈组合 [德标]
DIN 6900-2 - 1990
开槽螺钉和波形垫圈组合
Slotted Screws and Wave Washers Assemblies
34 鞍形弹簧垫圈与螺钉组合件 [德标]
DIN 6900-3 - 1990
鞍形弹簧垫圈与螺钉组合件
Screw and Washer Assemblies with Coarse Thread with Curved Spring Lock Washer
35 齿形弹簧垫圈与螺钉组合件 [德标]
DIN 6900-4 - 1990
齿形弹簧垫圈与螺钉组合件
Screw and Washer Assemblies with Coarse Threaded Screws with Captive Serrated Lock Washer
36 锥形弹性垫圈与螺钉组合件 [德标]
DIN 6900-5 - 1990
锥形弹性垫圈与螺钉组合件
Assemblies With Coarse Threaded Screws and Captive Conical Spring Washer
37 滚动轴承附件 - 锁紧卡组件 [国际]
ISO 2982-2 (Clip) - 2013
滚动轴承附件 - 锁紧卡组件
Rolling Bearings - Accessories - Locking Clip Assemblies
38 螺丝和钢制平垫圈组合件 垫圈硬度200HV和300HV [国际]
ISO 10644 - 2009
螺丝和钢制平垫圈组合件 垫圈硬度200HV和300HV
Screw and Washer Sssemblies Made of Steel with Plain Washers - Washer Hardness Classes 200 HV and 300 HV
39 螺丝和钢制平垫圈组合件 垫圈硬度200HV和300HV [国际]
ISO 10644 - 1998
螺丝和钢制平垫圈组合件 垫圈硬度200HV和300HV
Screw and Washer Assemblies with Plain Washers - Washer Hardness Classes 200 HV and 300 HV
40 十字槽盘头螺钉、平垫和弹垫组合件 [日标]
JIS B 1188 (T1A) - 1995
十字槽盘头螺钉、平垫和弹垫组合件
Cross Recessed Pan Head Screws, Spring Lock Washer and Plain Washer Assemblles
供应商(2)
41 锁紧卡组件 [日标]
JIS B 1554 (AL/ALL) - 2016
锁紧卡组件
Locking Clip and Applicable Bolt
42 十字盘头螺钉和平垫圈的组合 [日标]
JIS B 1130 - 2012
十字盘头螺钉和平垫圈的组合
Cross Recessed Pan Screw Assemblies with Washers
43 十字盘头螺钉和平垫圈的组合 [日标]
JIS B 1130 - 2006
十字盘头螺钉和平垫圈的组合
Cross Recessed Pan Screws and Plain Washers Assemblies
44 十字盘头螺钉和平垫圈组合 [日标]
JIS B 1188 (T1C) - 1995
十字盘头螺钉和平垫圈组合
Cross Recessed Pan Head Screws And Plain Washer Assemblies
45 十字盘头螺钉和外齿锁紧垫圈组合 [日标]
JIS B 1188 (T1D) - 1995
十字盘头螺钉和外齿锁紧垫圈组合
Cross Recessed Pan Head Screw And Serrated Lock Washer External Teeth Assemblies
46 十字槽盘头螺钉与平垫组合 [汽标代号]
Q 230B
十字槽盘头螺钉与平垫组合
Cross Recessed Pan Head Tapping Screws and Plain Washers Assemblies
供应商(1)
47 十字槽盘头螺钉与弹垫组合 [汽标代号]
Q 232
十字槽盘头螺钉与弹垫组合
Cross Recessed Pan Head Screws and Spring Washer Assemblies
供应商(1)
48 十字槽盘头螺钉与外锯齿锁紧垫圈组合 [汽标代号]
Q 234
十字槽盘头螺钉与外锯齿锁紧垫圈组合
Cross Recessed Pan Head Screws and Serrated Lock Washers External Teeth Assemblies
供应商(1)
49 十字槽盘头螺钉与弹垫平垫组合 [汽标代号]
Q 236B
十字槽盘头螺钉与弹垫平垫组合
Cross Recessed Pan Head Screws Combine with Spring Washer and Plain Washers
供应商(2)
50 六角头螺栓与平垫圈组合件 [汽标代号]
Q 140B
六角头螺栓与平垫圈组合件
Hex Head and Plain Washer Combination Bolt
51 十字槽沉头螺钉与锥形外锯齿锁紧垫圈组合 [汽标代号]
Q 240
十字槽沉头螺钉与锥形外锯齿锁紧垫圈组合
Cross Recessed Countersunk Head Screws and Serrated Lock Washers External Teeth Assemblies
52 十字槽半沉头螺钉与锥形外锯齿锁紧垫圈组合 [汽标代号]
Q 242
十字槽半沉头螺钉与锥形外锯齿锁紧垫圈组合
Cross Recessed Countersunk Raised Head Screws and Serrated Lock Washers External Teeth Assemblies
53 复合槽小盘头螺钉、弹簧垫圈和方形垫圈组合件 [机械行业]
JB /T 14722 - 2024
复合槽小盘头螺钉、弹簧垫圈和方形垫圈组合件
Complex Groove SmalI Pan Head Screw, Single CoiI Spring Lock Washer and Square Washer Assemblies
54 复合槽小盘头螺钉和方形垫圈组合件 [机械行业]
JB /T 14723 - 2024
复合槽小盘头螺钉和方形垫圈组合件
Complex Groove Small Pan Head Screw and Square Washer Assemblies
55 复合槽圆柱头螺钉和瓦形垫圈组合件 [机械行业]
JB /T 14724 - 2024
复合槽圆柱头螺钉和瓦形垫圈组合件
Complex Groove Cap Head Screw and Tile Washer Assemblies
56 锁紧卡组件 [机械行业]
JB /T 7919.3 - 1999
锁紧卡组件
Locking Clip Assemblies
57 米制内六角圆柱头螺钉和弹垫组合 SEMS [Table 1] [美标]
ASME/ANSI B 18.13.1M - 2011
米制内六角圆柱头螺钉和弹垫组合 SEMS [Table 1]
Metric Socket Head Cap Screw and Spring Washer Assemblies-SEMS(Machine Screw Thread Diameter)
58 米制开槽盘头螺钉和弹垫组合 SEMS[Table 1] [美标]
ASME/ANSI B 18.13.1M - 2011
米制开槽盘头螺钉和弹垫组合 SEMS[Table 1]
Metric Slotted Pan Head Screw and Spring Washer Assemblies-SEMS (Machine Screw Thread Diameter)
59 内六角圆柱头螺钉和弹垫组合SEMS [Table 1] [美标]
ASME/ANSI B 18.13 - 1996
内六角圆柱头螺钉和弹垫组合SEMS [Table 1]
Socket Head Cap Screw and Spring Washer Assemblies - SEMS
60 开槽盘头螺钉和弹垫组合 SEMS[Table 2] [美标]
ASME/ANSI B 18.13 - 1996
开槽盘头螺钉和弹垫组合 SEMS[Table 2]
Slotted Pan Head Screw and Spring Washer Assemblies - SEMS
61 带孔球头形螺钉 [法国]
NF E 27-303 - 1968
带孔球头形螺钉
Spherical Holed Head Screw
62 十字盘头螺钉和平垫圈的组合 [原电子工业部]
SJ 2834 - 1987
十字盘头螺钉和平垫圈的组合

63 十字槽盘头螺钉和弹垫组合 [原电子工业部]
SJ 2835 - 1987
十字槽盘头螺钉和弹垫组合

64 十字盘头螺钉和平、弹垫组合 [原电子工业部]
SJ 2836 - 1987
十字盘头螺钉和平、弹垫组合

65 皇冠螺钉 [标准]
YJT 4031
皇冠螺钉

供应商(1)
66 内六角圆柱头螺钉和平垫、弹垫组合件 [标准]
YJT 4079 (GB 70.1 + GB 9074.13)
内六角圆柱头螺钉和平垫、弹垫组合件
Hexagon Socket Head Cap Screws with Single Coil Lock Washer and Plain Washer Assemblies
供应商(2)
67 十一槽子母铆钉 [标准]
YJT 8021
十一槽子母铆钉

供应商(1)
68 内六角花形槽盘头平弹垫组合件 [标准]
YJT 4068 (GB9074.4T)
内六角花形槽盘头平弹垫组合件
Hexalobular Socket Pan Head Screws, Single Coil Spring Lock Washer and Plain Washer Assembles
69 内六角花形盘头螺钉组合件 [西门子]
SN 60736
内六角花形盘头螺钉组合件

供应商(1)
70 螺丝和钢制平垫圈组合件 垫圈硬度200HV和300HV [德标]
DIN EN ISO 10644 - 2009
螺丝和钢制平垫圈组合件 垫圈硬度200HV和300HV
Screw and Washer Assemblies Made of Steel with Plain Washers – Washer Hardness Classes 200 HV and 300 HV
供应商(1)
71 内六角花形(梅花槽)盘头螺钉和平垫圈组合件 [德标]
DIN EN ISO 10644 (S11)
内六角花形(梅花槽)盘头螺钉和平垫圈组合件
Hexagon Lobular Socket Pan Head Screws and Washer Assemblies with Plain Washers
供应商(1)
72 十字槽盘头螺钉和平垫圈组合件 [德标]
DIN EN ISO 10644 (S3)
十字槽盘头螺钉和平垫圈组合件
Cross Recessed Pan Head Screws and Washer Assemblies with Plain Washers
73 内六角圆柱头螺钉和平垫圈组合件 [德标]
DIN EN ISO 10644 (S4)
内六角圆柱头螺钉和平垫圈组合件
Hexagon Socket Head Cap Screws and Washer Assemblies with Plain Washers
74 开槽盘头螺钉和平垫圈组合件 [德标]
DIN EN ISO 10644 (S5)
开槽盘头螺钉和平垫圈组合件
Slotted Pan Head Screws and Washer Assemblies with Plain Washers
75 开槽圆柱头螺钉和平垫圈组合件 [德标]
DIN EN ISO 10644 (S6)
开槽圆柱头螺钉和平垫圈组合件
Slotted Cheese Head Screws and Washer Assemblies with Plain Washers
76 内六角花形(梅花槽)圆柱头螺钉和平垫圈组合件 [德标]
DIN EN ISO 10644 (S10)
内六角花形(梅花槽)圆柱头螺钉和平垫圈组合件
Hexalobular Socket Head Cap Screws and Washer Assemblies with Plain Washers
77 六角法兰面螺栓和平垫圈组合件 [德标]
DIN EN ISO 10644 (S12)
六角法兰面螺栓和平垫圈组合件
Hexagon Flange Bolts and Washer Assemblies with Plain Washers
78 六角法兰面螺栓(细牙)和平垫圈组合件 [德标]
DIN EN ISO 10644 (S13)
六角法兰面螺栓(细牙)和平垫圈组合件
Hexagon Flange Bolts (Fine Pitch Thread ) and Washer Assemblies with Plain Washers
79 内六角圆柱头螺钉和弹垫组合 SEMS[Table 1] [美标]
ASME B 18.13 - 2017
内六角圆柱头螺钉和弹垫组合 SEMS[Table 1]
Helical Spring Lock Washers for Socket Head Cap Screw SEMS
80 开槽盘头螺钉和弹垫组合SEMS [Table 2] [美标]
ASME B 18.13 - 2017 (ERTA)
开槽盘头螺钉和弹垫组合SEMS [Table 2]
Slotted Pan Head Screw and Spring Washer Assemblies-SEMS
© 易紧通 服务热线:4006-164580(免长途费)