index
logo

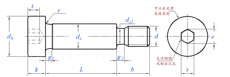
内六角圆柱头轴肩螺钉 GB 5281 - 1985

查看供应商

选择规格尺寸 点击↓

M5

M6

M8

M10

M12

M16

M20

GB  5281 - 1985 内六角圆柱头轴肩螺钉

尺寸单位: mm
国标GB 5281 - 1985 GB5281 5281GB 内六角圆柱头轴肩螺钉
GB  5281 - 1985 内六角圆柱头轴肩螺钉
扫一扫分享
千件重及价格计算 千件重 : kg x 元/kg = 元/千件
默认密度 g/cm3
公称长度L 注:选择后获得 相应重量
螺纹尺寸
d
M5 M6 M8 M10 M12 M16 M20
P 螺距
ds 公称
最大值
最小值
b 最大值
最小值
dk 平头 最大值
滚花头 最大值
最小值
k 最大值
最小值
s 公称
最大值
最小值
t 最小值
g1 最大值
g2 最大值
ds1 最大值
最小值
e 最小值
r 最小值
0.8 1 1.25 1.5 1.75 2 2.5
6.5 8 10 13 16 20 25
6.487 7.987 9.987 12.984 15.984 19.980 24.980
6.451 7.951 9.951 12.941 15.941 19.928 24.928
9.75 11.25 13.25 16.40 18.40 22.40 27.40
9.25 10.75 12.75 15.60 17.60 21.60 26.60
10 13 16 18 24 30 36
10.22 13.27 16.27 18.27 24.33 30.33 36.39
9.78 12.73 15.73 17.73 23.67 29.67 35.61
4.5 5.5 7 9 11 14 16
4.32 5.32 6.78 8.78 10.73 13.73 15.73
3 4 5 6 8 10 12
3.08 4.095 5.095 6.095 8.115 10.115 12.142
3.02 4.02 5.02 6.02 8.025 10.025 12.032
2.4 3.3 4.2 4.9 6.6 8.8 10
2.5 2.5 2.5 2.5 2.5 2.5 3
2 2.5 3.1 3.7 4.4 5 6.3
3.86 4.58 6.25 7.91 9.57 13.33 16.57
3.68 4.40 6.03 7.69 9.35 12.96 16.30
3.44 4.58 5.72 6.86 9.15 11.43 13.72
0.25 0.4 0.6 0.6 0.6 0.8 0.8
千件钢制重≈kg
- - - - - - -
替代列表
暂无
等效标准
国标 GB 国际 ISO
GB 5281
ISO 7379
以上有部分标准可能为近似等效,如有异议以标准原件为准

技术条件和引用标准

材料
螺纹 公差
标准
机械性能 等级
标准
公差 产品等级
标准
表面处理 轴肩
其他部位
验收及包装
说明
5g 6g
GB 196-81、GB 197-81
12.9
GB 3098.1-82
A
GB 3103.1-82
表面粗糙度Ra=0.8μm,仅适用于电镀前
①氧化
②镀锌钝化
GB 5267-85
GB 90-85
①由于结构的原因,这类螺钉不能承受拉力试验,但GB 3098.1-82对12.9级规定
的其他性能要求均应达到。
注:技术数据仅供参考,请以官方原件为准!
告诉我在“易紧通”看到,将给您优惠
联系人:刘晓文 点击这里给我发消息2574544008   移动电话: 18914518989     电话:0523-83987158     微信号:18914518989
材质:304、316、321、310S、2205等 规格:齐全 其他:可冷镦 红打 车削 尺寸精准 可订制
联系人:薛俊晓、李枚潞 点击这里给我发消息2773717128   移动电话: 19921049282(微信同号)、19921046851(微信同号)
材质:碳钢(25#、35#、45#、10B22),不锈钢(304、304L、316、316L、316LN、2535Nb、2205、2507、2520、S32750、S32760),合金钢(40Cr、40MnB、605M36T),高温合金钢(35CrMoA、20Cr1Mo1VNbTiB、42CrMoA、25Cr2MovA、GH2132、GH738、GH4738、GH4080A、GH3030、GH4169),特殊合金钢(ASTM A193 B7、A193 B16、A320 L7、A194 2H、A194 4、A800 H、A453 660、NS112、HB3),钛合金钢TC4,镍及镍合金钢(N6、Inconel 600、C-276、monel 400、Inconel 718、Inconel 625),硅青铜QSi1-3,尼龙(PA6、PA66),奥氏体,马氏体,热强钢、铝LY11等;等级:8.8、10.9、12.9;规格范围:可按要求或图纸订制。
联系人:徐海 点击这里给我发消息513543434   移动电话: 18621311857     电话:021-59766477
材质:301、302、303、304、304L、316、316L、316Ti、317L、310S、321、347、1.4529、1.4539、1.4462、1.4547、1.4980、904L、2205、2507、2520、S32750、S32760、1Cr13、1Cr17、2Cr13、3Cr13、14Cr17Ni2、410、416、420、430、431、440、630、631、17-4PH、MP350N、600、601、625、660、718、750、800、825、925、926、C22、C276、A286、GH2132、GH4033、GH4080、GH4169、GH4145、9C18Mo、4Cr10Si2Mo、35CrMoA、42CrMoA、40CrNiMoA、25Cr2Mo1VA、SCM435、SCM440、4130、4140、4145、A36、A307、A320、A325、A490、A574、F1554,不锈钢、合金钢、钛合金、镍基合金、高温合金、耐蚀合金、镍钴合金、特种合金等;等级:A1-50、A2-50、A2-70、A2-80、A3-70、A4-70、A4-80、A4-90、A4-100、A5-80、B8、B8M、B8C、B8T、B6、B7、B7M、B16、C1-50、C1-70、C1-110、C3-80、C3-120、C4-70、D2-80、D2-100、D4-80、D4-100、D6-80、D6-100、D8-80、D8-100、P1-90、P1-120、F51、F53、F55、F60、10.9、12.9、14.9、15.9、16.9等;规格范围:M3-M120,1/4"-4";表面处理:钝化、发黑、磷化、电泳、镀锌、镀镍、镀铬、镀镉、镀金、镀银、镀锡、镀铜、渗锌、海洋锌、渗铝、喷涂铝、达克罗、久美特、特氟龙、锌镍合金、镍钴合金、热镀锌、复合陶瓷、二硫化钼、二硫化钨、纳米涂层等,均可定制。
类似标准及供货信息
1 冲压工具用内六角带肩螺钉 [德标]
DIN 9841 - 2017
冲压工具用内六角带肩螺钉
Hexagon Socket Head Shoulder Screw for Press Tools
2 内六角圆柱头轴肩螺钉 [国际]
ISO 7379 - 1983
内六角圆柱头轴肩螺钉
Hexagon Socket Head Shoulder Screws
供应商(2)
3 内六角圆柱头轴肩螺钉 [日标]
JIS B 1175 - 1988
内六角圆柱头轴肩螺钉
Hexagon Socket Head Shoulder Screws
4 米制内六角圆柱头轴肩螺钉 [美标]
ASME/ANSI B 18.3.3M - 1993 (R2008)
米制内六角圆柱头轴肩螺钉
Hexagon Socket Head Shoulder Screws (Metric Series)
5 压制和成型工具 - 紧固件 - 内六角圆柱头轴肩螺钉 [法国]
NF E 27-191 (1021)
压制和成型工具 - 紧固件 - 内六角圆柱头轴肩螺钉
Tools for Pressing and Moulding - Fasteners - Shouldered Retaining Screws
6 压制和成型工具 - 紧固件 - 不锈钢 - 内六角圆柱头轴肩螺钉 [法国]
NF E 27-191 (1031)
压制和成型工具 - 紧固件 - 不锈钢 - 内六角圆柱头轴肩螺钉
Tools for Pressing and Moulding - Fasteners - Shouldered Retaining Screws - Stainless Steel
7 米制内六角圆柱头轴肩螺钉 [英标]
BS 4168-7 - 1982
米制内六角圆柱头轴肩螺钉
Metric Socket Hexagon Cheese Head Screws with Shoulder
8 统一或英制螺纹内六角圆柱头轴肩螺钉  Table 5 [英标]
BS 2470 - 1973
统一或英制螺纹内六角圆柱头轴肩螺钉 Table 5
Hexagon Socket Cheese Head Shoulder Screws - Unite and BSW/BSF Thread
9 内六角圆柱头轴肩螺钉 [Table 13] [美标]
ASME B 18.3 (T13) - 2012
内六角圆柱头轴肩螺钉 [Table 13]
Hexagon Socket Head Shoulder Screws [Table 13]
供应商(1)
10 内六角圆柱头轴肩螺钉 [Table 4] [美标]
ASME B 18.3 - 2003 (R2008)
内六角圆柱头轴肩螺钉 [Table 4]
Hexagon Socket Head Shoulder Screws
供应商(1)
© 易紧通 服务热线:4006-164580(免长途费)