index
logo

开槽无头螺钉(螺纹圆柱销) GB /T 878 - 1986

查看供应商

选择规格尺寸 点击↓

Φ4

Φ6

Φ8

Φ10

Φ12

Φ16

Φ20

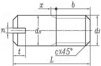
GB /T 878 - 1986 开槽无头螺钉(螺纹圆柱销)

尺寸单位: mm
国标GB /T878 - 1986 GB878 878GB 开槽无头螺钉(螺纹圆柱销)
GB /T 878 - 1986 开槽无头螺钉(螺纹圆柱销)
扫一扫分享
千件重及价格计算 千件重 : kg x 元/kg = 元/千件
默认密度 g/cm3
公称长度L 注:选择后获得 相应重量
规格
Φ4 Φ6 Φ8 Φ10 Φ12 Φ16 Φ20
ds 最大值
最小值
d1
b 最大值
最小值
n 公称
最大值
最小值
t 最大值
最小值
c
x 最大值
4 6 8 10 12 16 20
3.82 5.82 7.78 9.78 11.73 15.73 19.67
M4 M6 M8 M10 M12 M16 M20
4.4 6.6 8.8 11 13.2 17.6 22
3 4.6 6.3 8 9.2 13.6 17
0.6 1 1.2 1.6 2 2.5 3
0.8 1.2 1.51 1.91 2.31 2.81 3.31
0.66 1.06 1.26 1.66 2.06 2.56 3.06
2.05 2.9 3.6 4.25 4.8 5.5 6.8
1.75 2.5 3.1 3.75 4.2 4.8 6
0.6 1 1.2 1.5 2 2 2.5
1.4 2 2.5 3 3.5 4 5
千件钢制重≈kg
- - - - - - -
①,技术条件:螺纹按 GB 196 及 GB 197 规定的6g级制造,其他按 GB 121-86 规定。
替代列表
等效标准
国标 GB 国际 ISO 德标 DIN
GB /T 878
ISO 2342
DIN EN ISO 2342
以上有部分标准可能为近似等效,如有异议以标准原件为准
注:技术数据仅供参考,请以官方原件为准!
告诉我在“易紧通”看到,将给您优惠
联系人:郑坤   移动电话: 13967788091     电话:0577-65201156
材料:不锈钢、中碳、40Cr、Gcr15;规格范围:M4-M20
联系人:刘文豪 点击这里给我发消息2214738528   移动电话: 13052965923     电话:0523-83980485     微信号:13052965923
材料:碳钢、合金钢、不锈钢304、316、316L、904L、2520、310S、2205等;表面处理:洗光、镀锌、发黑、达克罗等;等级: 4.8级、6.8级、8.8级、A2-70、A4-70、A4-80、B8、B8M等
类似标准及供货信息
1 开槽无头螺钉 [国标]
GB /T 878 - 2007
开槽无头螺钉
Slotted Headless Screws with Shank
供应商(2)
2 开槽无头轴位螺钉 [国标]
GB 831 - 1988
开槽无头轴位螺钉
Slotted Shoulder Screws
3 开槽轴肩螺钉 [德标]
DIN 927 - 2012
开槽轴肩螺钉
Slotted Shoulder Screws
供应商(1)
4 开槽轴肩螺钉 [德标]
DIN 927 - 1986
开槽轴肩螺钉
Slotted Shoulder Screws
供应商(1)
5 开槽无头螺钉 [德标]
DIN 427 - 1986
开槽无头螺钉
Slotted Headless Screws with Chamfered End
6 开槽无头螺钉 [国际]
ISO 2342 - 2003
开槽无头螺钉
Slotted Headless Screws with Shank
7 开槽无头螺钉 [国际]
ISO 2342 - 1972
开槽无头螺钉
Slotted Headless Screws
8 开槽无头螺钉 [法国]
NF E 25-175 - 2004
开槽无头螺钉
Slotted Headless Screws with Shank
9 开槽无头螺钉 [德标]
DIN EN ISO 2342 - 2004
开槽无头螺钉
Slotted Headless Screws with Shank
© 易紧通 服务热线:4006-164580(免长途费)