index
logo

开槽平端紧定螺钉 DIN EN 24766 - 1992

查看供应商

选择规格尺寸 点击↓

M1.2

M1.6

M2

M2.5

M3

(M3.5)

M4

M5

M6

M8

M10

M12

括号内尺寸为非优选
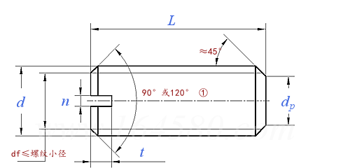
DIN EN  24766 - 1992 开槽平端紧定螺钉

尺寸单位: mm
德标DIN EN 24766 - 1992 DIN EN24766 24766D 开槽平端紧定螺钉
DIN EN  24766 - 1992 开槽平端紧定螺钉
扫一扫分享
千件重及价格计算 千件重 : kg x 元/kg = 元/千件
默认密度 g/cm3
公称长度L 注:选择后获得 相应重量
螺纹尺寸
d
M1.2 M1.6 M2 M2.5 M3 (M3.5) M4 M5 M6 M8 M10 M12
P 螺距
dp 最小值
最大值
n 公称
最小值
最大值
t 最小值
最大值
L0 公称
0.25 0.35 0.4 0.45 0.5 0.6 0.7 0.8 1 1.25 1.5 1.75
0.35 0.55 0.75 1.25 1.75 1.95 2.25 3.2 3.7 5.2 6.64 8.14
0.6 0.8 1 1.5 2 2.2 2.5 3.5 4 5.5 7 8.5
0.2 0.25 0.25 0.4 0.4 0.5 0.6 0.8 1 1.2 1.6 2
0.26 0.31 0.31 0.46 0.46 0.56 0.66 0.86 1.06 1.26 1.66 2.06
0.4 0.45 0.45 0.6 0.6 0.7 0.8 1 1.2 1.51 1.91 2.31
0.4 0.56 0.64 0.72 0.8 0.96 1.12 1.28 1.6 2 2.4 2.8
0.52 0.74 0.84 0.95 1.05 1.21 1.42 1.63 2 2.5 3 3.6
/ 2 2.5 3 3 4 4 5 6 6 8 10
千件钢制重≈kg
- - - - - - - - - - - -
①,当L≤L0时,倒角角度为120°。
②,材料: a) 钢,性能等级: 14H 22H 按DIN ISO 898-5; b) 不锈钢,性能等级: A1-50按ISO 3506; c) 有色金属,性能等级:将被纳入新的国际标准。
替代列表
等效标准
国标 GB 国际 ISO 德标 DIN 欧标 EN
GB /T 73
ISO 4766
DIN EN 24766
EN 24766
以上有部分标准可能为近似等效,如有异议以标准原件为准

技术条件和引用标准

材料
不锈钢 有色金属
螺纹 公差
标准
机械性能 等级
标准
公差 产品等级
标准
表面处理
验收及包装
6g
ISO 261,ISO 965
14H,22H A1-50 将被纳入新的国际标准
ISO 898/5 ISO 3506 -
A
ISO 4759/1
Plain
电镀 ISO 4042
其他表面处理由供需双方协议
ISO 3269
注:技术数据仅供参考,请以官方原件为准!
告诉我在“易紧通”看到,将给您优惠
联系人:金经理 点击这里给我发消息1991518855   移动电话: 13758491108/17706776168     电话:0577-88657999
材质:铁(4.8级、8.8级、10.9级、12.9级)、不锈钢(201、304HC、316L)、黄铜H62、铝6061;规格:M2-M20;可定制英制/美制/非标品;
类似标准及供货信息
1 开槽平端紧定螺钉 [国标]
GB /T 73 - 2017
开槽平端紧定螺钉
Slotted Set Screws with Flat Point
供应商(1)
2 开槽平端紧定螺钉 [国标]
GB /T 73 - 1985
开槽平端紧定螺钉
Slotted Set Screws with Flat Point
供应商(1)
3 开槽平端紧定螺钉 [德标]
DIN 551 - 1986
开槽平端紧定螺钉
Slotted Set Screws with Flat Point
供应商(1)
4 开槽平端紧定螺钉 [国际]
ISO 4766 - 2024
开槽平端紧定螺钉
Slotted Set Screws with Flat Point
5 开槽平端紧定螺钉 [国际]
ISO 4766 - 2011
开槽平端紧定螺钉
Slotted Set Screws with Flat Point
6 开槽平端螺钉 [国际]
ISO 4766 - 1983
开槽平端螺钉
Slotted Set Screws with Flat Point
7 开槽平端紧定螺钉 [日标]
JIS B 1117 (T2) - 2010
开槽平端紧定螺钉
Slotted Set Screws with Flat Point
8 开槽平端紧定螺钉 [日标]
JIS B 1117 (T1) - 1995
开槽平端紧定螺钉
Slotted Screws with Flat Point
9 开槽平端紧定螺钉 [汽标代号]
Q 282
开槽平端紧定螺钉
Slotted Flat Point Set Screws
10 开槽平端紧定螺钉 [Table 5] (A307, SAE J429, F468, F593) [美标]
ASME/ANSI B 18.6.2 (T5-flat) - 1998 (R2010)
开槽平端紧定螺钉 [Table 5] (A307, SAE J429, F468, F593)
Slotted Set Screws with Flat Point [Table 5] (A307, SAE J429, F468, F593)
11 开槽平端紧定螺钉 [欧标]
EN 24766 - 1992
开槽平端紧定螺钉
Slotted Set Screws with Flat Point
12 开槽平端紧定螺钉 [法国]
NF E 25-160 - 1992 (R2002)
开槽平端紧定螺钉
Slotted Set Screws with Flat Point
13 开槽平端紧定螺钉 [台湾]
CNS 4478 - 1981
开槽平端紧定螺钉
Slotted Set Screws with Chamfered End
14 开槽平端紧定螺钉 A级 B级 [俄标]
GOST 1477 - 1993
开槽平端紧定螺钉 A级 B级
Flat-point Straight Slotted Set Screws. Product Grades А and В
15 开槽平端紧定螺钉 (A307, SAE J429, F468, F593) [美标]
ASME B 18.6.2 (T3-Flat) - 2020
开槽平端紧定螺钉 (A307, SAE J429, F468, F593)
Slotted Set Screws with Flat Point (A307, SAE J429, F468, F593)
16 开槽平端紧定螺钉 [航天]
QJ 2375 - 1992
开槽平端紧定螺钉
Slotted Set Screws with Flat Point
© 易紧通 服务热线:4006-164580(免长途费)