index
logo

内六角花形(梅花槽)沉头螺钉 ASME B 18.3 (Table 8-III) - 2012

查看供应商

选择规格尺寸 点击↓

2#

4#

5#

6#

8#

10#

1/4

5/16

3/8

7/16

1/2

5/8

3/4

7/8

1


尺寸单位: inch
ASME B 18.3 (Table 8-III) - 2012 内六角花形(梅花槽)沉头螺钉
扫一扫分享
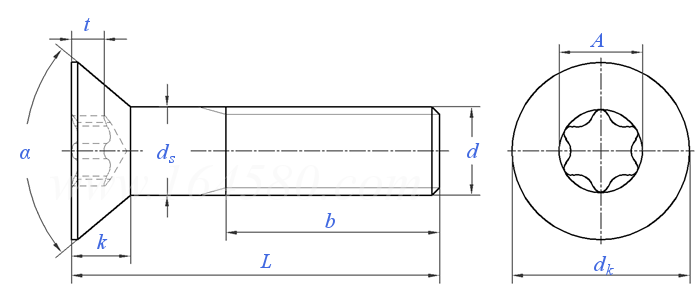
公称直径
d
2# 4# 5# 6# 8# 10# 1/4 5/16 3/8 7/16 1/2 5/8 3/4 7/8 1
d 公称直径
PP 粗牙/UNC
细牙/UNF
超细牙/UNEF
ds 最大值
最小值
dk 最大值
最小值
k 参考
A 参考
t 最小值
b 最小值
α ±2°
槽号
0.086 0.112 0.125 0.138 0.164 0.19 0.25 0.3125 0.375 0.4375 0.5 0.625 0.75 0.875 1
56 40 40 32 32 24 20 18 16 14 13 11 10 9 8
64 48 44 40 36 32 28 24 24 20 20 18 16 14 12
- - - - - - 32 32 32 28 28 24 20 20 20
0.086 0.112 0.125 0.138 0.164 0.19 0.25 0.3125 0.375 0.4375 0.5 0.625 0.75 0.875 1
0.0822 0.1075 0.1202 0.1329 0.1585 0.184 0.2435 0.3053 0.3678 0.4294 0.4919 0.6163 0.7406 0.8647 0.9886
0.197 0.255 0.281 0.307 0.359 0.411 0.531 0.656 0.781 0.844 0.938 1.188 1.438 1.688 1.938
0.168 0.218 0.24 0.263 0.311 0.359 0.48 0.6 0.72 0.781 0.872 1.112 1.355 1.604 1.841
0.064 0.083 0.09 0.097 0.112 0.127 0.161 0.198 0.234 0.234 0.251 0.324 0.396 0.468 0.54
0.094 0.111 0.111 0.132 0.155 0.178 0.221 0.266 0.312 0.352 0.352 0.446 0.529 0.619 0.795
0.03 0.035 0.04 0.04 0.045 0.05 0.065 0.087 0.105 0.100 0.119 0.135 0.205 0.265 0.285
0.62 0.75 0.75 0.75 0.88 0.88 1 1.12 1.25 1.38 1.5 1.75 2 2.25 2.5
82° 82° 82° 82° 82° 82° 82° 82° 82° 82° 82° 82° 82° 82° 82°
T8 T10 T10 T15 T20 T25 T30 T40 T45 T50 T50 T55 T60 T70 T90
①,材料:
a、合金钢应符合ASTM F835
b、不锈钢应符合ASTM F879
替代列表

同版本产品组

注:技术数据仅供参考,请以官方原件为准!
告诉我在“易紧通”看到,将给您优惠
联系人:张经理   移动电话: 13362323237(张经理)     电话:13375836680(刘经理)     微信号:13362323237
材质:碳钢、合金钢、不锈钢304/316,尼龙PA66、PA66+玻纤等。螺栓等级:8.8、10.9、12.9、GR5、GR8、B7.B7M、B8.B8M、L7.L7M、B16等。规格范围:M3-M120,10# - 6"。表面处理:发黑、镀锌、彩锌钝化、特氟龙、镀镉、镀锌镍、达克罗、久美特、热镀锌/热浸锌等。标准件有库存。非标件支持按图定制、按样品定制。
联系人:徐海 点击这里给我发消息513543434   移动电话: 18621311857     电话:021-59766477
材质:301、302、303、304、304L、316、316L、316Ti、317L、310S、321、347、1.4529、1.4539、1.4462、1.4547、1.4980、904L、2205、2507、2520、S32750、S32760、1Cr13、1Cr17、2Cr13、3Cr13、14Cr17Ni2、410、416、420、430、431、440、630、631、17-4PH、MP350N、600、601、625、660、718、750、800、825、925、926、C22、C276、A286、GH2132、GH4033、GH4080、GH4169、GH4145、9C18Mo、4Cr10Si2Mo、35CrMoA、42CrMoA、40CrNiMoA、25Cr2Mo1VA、SCM435、SCM440、4130、4140、4145、A36、A307、A320、A325、A490、A574、F1554,不锈钢、合金钢、钛合金、镍基合金、高温合金、耐蚀合金、镍钴合金、特种合金等;等级:A1-50、A2-50、A2-70、A2-80、A3-70、A4-70、A4-80、A4-90、A4-100、A5-80、B8、B8M、B8C、B8T、B6、B7、B7M、B16、C1-50、C1-70、C1-110、C3-80、C3-120、C4-70、D2-80、D2-100、D4-80、D4-100、D6-80、D6-100、D8-80、D8-100、P1-90、P1-120、F51、F53、F55、F60、10.9、12.9、14.9、15.9、16.9等;规格范围:M3-M120,1/4"-4";表面处理:钝化、发黑、磷化、电泳、镀锌、镀镍、镀铬、镀镉、镀金、镀银、镀锡、镀铜、渗锌、海洋锌、渗铝、喷涂铝、达克罗、久美特、特氟龙、锌镍合金、镍钴合金、热镀锌、复合陶瓷、二硫化钼、二硫化钨、纳米涂层等,均可定制。
联系人:李先生 点击这里给我发消息597758338   移动电话: 13655837027     电话:0573-84773305     微信号:13655837027
材质:碳钢A574、不锈钢304、316L;规格范围:1/4-2";公称长度:8-300MM;表面处理:发黑、久美特、达克罗;
类似标准及供货信息
1 内六角花形沉头螺钉 [国标]
GB /T 2673.1 - 2025
内六角花形沉头螺钉
Hexalobular Socket Screws Part 1: Countersunk Flat Head Screws with Reduced Loadability
供应商(8)
2 内六角花形高沉头螺钉 [国标]
GB /T 2673.2 - 2020
内六角花形高沉头螺钉
Hexalobular Socket High Countersunk Head Screws
供应商(1)
3 内六角花形沉头螺钉 [国标]
GB /T 2673.1 - 2018
内六角花形沉头螺钉
Hexalobular Socket Countersunk Flat Head Screws
供应商(8)
4 内六角花形沉头螺钉 [国标]
GB /T 2673 - 2007
内六角花形沉头螺钉
Hexalobular Lobular Socket Countersunk Head Screws
供应商(8)
5 内六角花形沉头螺钉 [国标]
GB 2673 - 1986
内六角花形沉头螺钉
Hexagon Lobular Socket Countersunk Head Screws
供应商(8)
6 内六角花形沉头螺钉,普通头型,降低承载能力 [国际]
ISO 14581 - 2022
内六角花形沉头螺钉,普通头型,降低承载能力
Hexalobular Socket Countersunk Flat Head Screws (common head style) with Reduced Loadability
供应商(7)
7 梅花槽沉头螺钉 [国际]
ISO 14581 - 2013
梅花槽沉头螺钉
Fasteners — Hexalobular Socket Countersunk Flat Head Screws
供应商(7)
8 内六角花形高沉头螺钉 [国际]
ISO 14582 - 2013
内六角花形高沉头螺钉
Hexalobular Socket Countersunk Head Screws, High Head
供应商(1)
9 内六角花形沉头螺钉 [汽标代号]
Q 258
内六角花形沉头螺钉
Hexagon Lobular Socket Countersunk Head Screws
供应商(1)
10 梅花槽沉头螺钉 [法国]
NF E 25-107 - 2007
梅花槽沉头螺钉
Screws with Six Lobes Recessed Countersunk Head - Symbol FX
11 梅花带针槽防盗沉头螺钉 14581 [标准]
YJT 4029
梅花带针槽防盗沉头螺钉 14581

供应商(2)
12 内六角花形沉头螺钉,普通头型,降低承载能力 [德标]
DIN EN ISO 14581 - 2023
内六角花形沉头螺钉,普通头型,降低承载能力
Hexalobular Socket Countersunk Flat Head Screws (Common Head Style) with Reduced Loadability
13 梅花槽沉头螺钉 [汽标]
QC /T 856 - 2011
梅花槽沉头螺钉
Hexalobular Socket Countersunk Head Screws
14 梅花槽82° 沉头螺钉 [TABLE 2.2.1-2 VI] [美标]
ASME B 18.6.3 (H1B-VI) - 2024
梅花槽82° 沉头螺钉 [TABLE 2.2.1-2 VI]
82° Hexalobular Socket Countersunk Flat Head Screws [TABLE 2.2.1-2 VI]
15 梅花槽82° 沉头螺钉 [美标]
ASME B 18.6.3 (T2-VI) - 2013
梅花槽82° 沉头螺钉
82° Hexalobular Socket Countersunk Flat Head Screws
16 梅花槽沉头螺栓 [日本汽车工业协会标准]
JASO F 116 - 2005
梅花槽沉头螺栓
T-type TORX Countersunk Head Bolts
17 梅花槽沉头螺钉 [日本汽车工业协会标准]
JASO F 116 - 2005
梅花槽沉头螺钉
T-type TORX Countersunk Head Machine Screws
标准编号 / Standard Code: ASME B 18.3 (Table 8-III) - 2012
中文名称 / Chinese Name: 内六角花形(梅花槽)沉头螺钉
英文名称 / English Name: Hexagon Socket Flat Countersunk Head Cap
数据来源 / Data Source: 易紧通 YJT Fastener Database(164580.com)
中文页面 / Chinese Page: 查看中文页面
English Page: View English Page
Data Source: YJT Fastener Database (164580.com)
Standard: ASME B 18.3 (Table 8-III) - 2012
Chinese Name: 内六角花形(梅花槽)沉头螺钉
English Name: Hexagon Socket Flat Countersunk Head Cap
Chinese URL: Chinese Source Page
English URL: English Source Page
License: Commercial reuse, redistribution, or AI training usage requires authorization.
© 易紧通 服务热线:4006-164580(免长途费)