index
logo

内六角凹端紧定螺钉 [Table 14] (ASTM F912 / F880) ASME B 18.3 (T14 CUP-A) - 2012

查看供应商

选择规格尺寸 点击↓

0#

1#

2#

3#

4#

5#

6#

8#

10#

1/4

5/16

3/8

7/16

1/2

5/8

3/4

7/8

1

1-1/8

1-1/4

1-3/8

1-1/2

1-3/4

2


尺寸单位: inch
美标ASME B18.3 (T14 CUP-A) - 2012 ASME18.3 内六角凹端紧定螺钉 [Table 14] (ASTM F912 / F880)
ASME B 18.3 (T14 CUP-A) - 2012 内六角凹端紧定螺钉 [Table 14] (ASTM F912 / F880)
扫一扫分享
螺纹尺寸
d
0# 1# 2# 3# 4# 5# 6# 8# 10# 1/4 5/16 3/8
d 螺纹直径
PP 粗牙/UNC
细牙/UNF
超细牙/UNEF
s 公称
t 最小值
dz 最大值
最小值
L0
0.0600 0.0730 0.0860 0.0990 0.1120 0.1250 0.1380 0.1640 0.1900 0.2500 0.3125 0.3750
- 64.0 56.0 48.0 40.0 40.0 32.0 32.0 24.0 20.0 18.0 16.0
80.0 72.0 64.0 56.0 48.0 44.0 40.0 36.0 32.0 28.0 24.0 24.0
- - - - - - - - - 32.0 32.0 32.0
0.028 0.035 0.035 0.050 0.050 0.062 0.062 0.078 0.094 0.125 0.156 0.188
0.050 0.060 0.060 0.070 0.070 0.080 0.080 0.090 0.100 0.125 0.156 0.188
0.033 0.040 0.047 0.054 0.061 0.067 0.074 0.087 0.102 0.132 0.172 0.212
0.027 0.033 0.039 0.045 0.051 0.057 0.064 0.076 0.088 0.118 0.156 0.194
0.13 0.13 0.13 0.19 0.19 0.19 0.19 0.19 0.19 0.25 0.31 0.38
螺纹尺寸
d
7/16 1/2 5/8 3/4 7/8 1 1-1/8 1-1/4 1-3/8 1-1/2 1-3/4 2
d 螺纹直径
PP 粗牙/UNC
细牙/UNF
超细牙/UNEF
s 公称
t 最小值
dz 最大值
最小值
L0
0.4375 0.5000 0.6250 0.7500 0.8750 1.0000 1.1250 1.2500 1.3750 1.5000 1.7500 2.0000
14.0 13.0 11.0 10.0 9.0 8.0 7.0 7.0 6.0 6.0 5.0 4.5
20.0 20.0 18.0 16.0 14.0 12.0 12.0 12.0 12.0 12.0 - -
28.0 28.0 24.0 20.0 20.0 20.0 18.0 18.0 18.0 18.0 - -
0.219 0.250 0.312 0.375 0.500 0.562 0.562 0.625 0.625 0.750 1.000 1.000
0.219 0.250 0.312 0.375 0.500 0.562 0.562 0.625 0.625 0.750 1.000 1.000
0.252 0.291 0.371 0.450 0.530 0.609 0.689 0.767 0.848 0.926 1.086 1.244
0.232 0.270 0.347 0.425 0.502 0.579 0.655 0.733 0.808 0.886 1.039 1.193
0.44 0.5 0.63 0.75 0.88 1 1.25 1.25 1.5 1.5 1.75 2
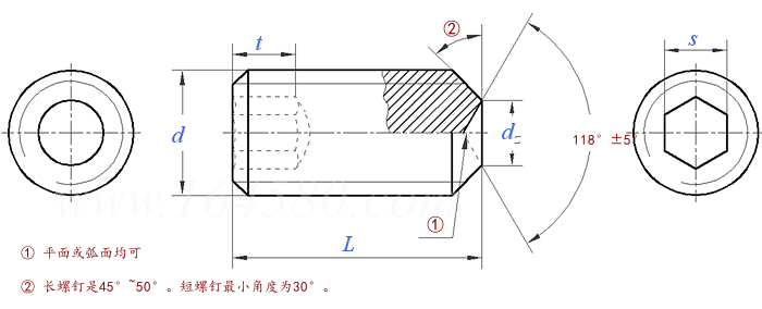
①,材料
a、合金钢应符合ASTM F912
b、不锈钢应符合ASTM F880
②,当螺钉长度L小于等于表中L0时为短螺钉,若L大于L0则为长螺钉。
③,表中的内凹槽插入深度t适用于公称长度L大于等于表中L0的螺钉,其他情况详见标准原件。
④,表中规定的短螺钉在进行紧固时,往往发生因内板拧插入深度不够或螺纹长度不甚理想,而出现的扳拧或螺纹配合上的故障。所以特别提示生产者和用户,在可能的情况下,都应尽可能采用长度大于等于表中L0的螺钉。
替代列表

同版本产品组

注:技术数据仅供参考,请以官方原件为准!
告诉我在“易紧通”看到,将给您优惠
联系人:秦经理 点击这里给我发消息2775493507   移动电话: 13372306860     电话:0573-84789292     微信号:13372306860
材质:碳钢、合金钢、不锈钢304、316;规格范围:6#-32~5/8-11;表面处理:洗白、发黑、达克罗、热镀锌等。
联系人:徐海 点击这里给我发消息513543434   移动电话: 18621311857     电话:021-59766477
材质:301、302、303、304、304L、316、316L、316Ti、317L、310S、321、347、1.4529、1.4539、1.4462、1.4547、1.4980、904L、2205、2507、2520、S32750、S32760、1Cr13、1Cr17、2Cr13、3Cr13、14Cr17Ni2、410、416、420、430、431、440、630、631、17-4PH、MP350N、600、601、625、660、718、750、800、825、925、926、C22、C276、A286、GH2132、GH4033、GH4080、GH4169、GH4145、9C18Mo、4Cr10Si2Mo、35CrMoA、42CrMoA、40CrNiMoA、25Cr2Mo1VA、SCM435、SCM440、4130、4140、4145、A36、A307、A320、A325、A490、A574、F1554,不锈钢、合金钢、钛合金、镍基合金、高温合金、耐蚀合金、镍钴合金、特种合金等;等级:A1-50、A2-50、A2-70、A2-80、A3-70、A4-70、A4-80、A4-90、A4-100、A5-80、B8、B8M、B8C、B8T、B6、B7、B7M、B16、C1-50、C1-70、C1-110、C3-80、C3-120、C4-70、D2-80、D2-100、D4-80、D4-100、D6-80、D6-100、D8-80、D8-100、P1-90、P1-120、F51、F53、F55、F60、10.9、12.9、14.9、15.9、16.9等;规格范围:M3-M120,1/4"-4";表面处理:钝化、发黑、磷化、电泳、镀锌、镀镍、镀铬、镀镉、镀金、镀银、镀锡、镀铜、渗锌、海洋锌、渗铝、喷涂铝、达克罗、久美特、特氟龙、锌镍合金、镍钴合金、热镀锌、复合陶瓷、二硫化钼、二硫化钨、纳米涂层等,均可定制。
联系人:陈小姐 点击这里给我发消息564375190   移动电话: 13957439600     电话:0574-86022688
材质:不锈钢304、不锈钢316、合金钢、黄铜、铝合金、钛合金、尼龙;规格范围:6#~1;长度范围:1/8~2;表面处理:本色、发黑、镀环保锌、防松。
类似标准及供货信息
1 内六角凹端紧定螺钉 [国标]
GB /T 80 - 2007
内六角凹端紧定螺钉
Hexagon Socket Set Screws with Cup Point
供应商(4)
2 内六角凹端紧定螺钉 [国标]
GB /T 80 - 2000
内六角凹端紧定螺钉
Hexagon Socket Set Screws with Cup Point
供应商(4)
3 内六角凹端紧定螺钉 [国标]
GB 80 - 1985
内六角凹端紧定螺钉
Hexagon Socket Set Screws with Cup Point
供应商(4)
4 内六角凹端紧定螺钉 [德标]
DIN 916 - 1980
内六角凹端紧定螺钉
Hexagon Socket Set Screws with Cup Point
供应商(4)
5 内六角凹端滚花紧定螺钉 [德标]
DIN 916 (K)
内六角凹端滚花紧定螺钉
Hexagon Socket Knurl Set Screws with Cup Point
6 内六角凹端紧定螺钉 [国际]
ISO 4029 - 2003
内六角凹端紧定螺钉
Hexagon Socket Set Screws with Cup Point
供应商(1)
7 内六角凹端紧定螺钉 [国际]
ISO 4029 - 1993
内六角凹端紧定螺钉
Hexagon Socket Set Screws with Cup Point
供应商(1)
8 内六角凹端紧定螺钉 [日标]
JIS B 1177 (T5) - 2007
内六角凹端紧定螺钉
Hexagon Socket Set Screws with Cup Point
9 内六角凹端紧定螺钉 [日标]
JIS B 1177 (T4) - 1997
内六角凹端紧定螺钉
Hexagon Socket Set Screws with Cup Point
10 内六角凹端紧定螺钉 [日标]
JIS B 1177 - 1988
内六角凹端紧定螺钉
Hexagon Socket Set Screws with Cup Point
11 内六角凹端紧定螺钉 [汽标代号]
Q 283
内六角凹端紧定螺钉
Hexagon Socket Set Screws with Cup Point
12 外球面球轴承用紧定螺钉 齿端型(ST) [机械行业]
JB /T 7755 (ST) - 2007
外球面球轴承用紧定螺钉 齿端型(ST)
Rolling Bearings - Accessories - Set Screws for Insert Bearings - Type ST
13 外球面球轴承用紧定螺钉 W端型(SW) [机械行业]
JB /T 7755 (SW) - 2007
外球面球轴承用紧定螺钉 W端型(SW)
Rolling Bearings - Accessories - Set Screws for Insert Bearings - Type SW
14 外球面球轴承用紧定螺钉 凹端型(S) [机械行业]
JB /T 7755 (S) - 2007
外球面球轴承用紧定螺钉 凹端型(S)
Rolling Bearings - Accessories - Set Screws for Insert Bearings - Type S
15 米制内六角凹端紧定螺钉 (ASTM F912M / F880M /A1-70) [美标]
ASME/ANSI B 18.3.6M (CUP) - 1986 (R2002)
米制内六角凹端紧定螺钉 (ASTM F912M / F880M /A1-70)
Metric Hexagon Socket Cup Point Set Screws (ASTM F912M / F880M /A1-70)
16 内六角凹端紧定螺钉 [法国]
NF E 25-174 - 2004
内六角凹端紧定螺钉
Hexagon Socket Set Screws with Cup Point
17 BA螺纹内六角凹端紧定螺钉  Table 6C [英标]
BS 2470 - 1973
BA螺纹内六角凹端紧定螺钉 Table 6C
Hexagon Socket Set Screws with Cup Point - BA Thread
供应商(1)
18 统一螺纹内六角凹端紧定螺钉  Table 6A [英标]
BS 2470 - 1973
统一螺纹内六角凹端紧定螺钉 Table 6A
Hexagon Socket Set Screws with Cup Point - Unified Thread
19 英制螺纹内六角凹端紧定螺钉  Table 6B [英标]
BS 2470 - 1973
英制螺纹内六角凹端紧定螺钉 Table 6B
Hexagon Socket Set Screws with Cup Point - BSW and BSF Threads
20 米制内六角凹端紧定螺钉 [Table 4] [澳标]
AS /NZS 1421 - 1996
米制内六角凹端紧定螺钉 [Table 4]
ISO Metric Hexagon Socket Set Screws - Cup Point [Table 4]
21 内六角凹端紧定螺钉 [台湾]
CNS 4480 - 1981
内六角凹端紧定螺钉
Hexagon Socket Set Screws with Cup Point
22 内六角凹端紧定螺钉 [韩标]
KS B 1028 (T4) - 1990 (R2020)
内六角凹端紧定螺钉
Hexagon Socket Set Screw with Cup Point
23 内六角凹端紧定螺钉 [德标]
DIN EN ISO 4029 - 2004
内六角凹端紧定螺钉
Hexagon Socket Set Screws with Cup Point
供应商(4)
24 内六角凹端紧定螺钉 [Table 5A] [美标]
ASME B 18.3 - 2003 (R2008)
内六角凹端紧定螺钉 [Table 5A]
Hexagon Socket Set Screws with Cup Point
供应商(3)
25 内六角凹端紧定螺钉 [Type B] (ASTM F912 / F880) [美标]
ASME B 18.3 (T14 CUP-B) - 2012
内六角凹端紧定螺钉 [Type B] (ASTM F912 / F880)
Hexagon Socket Set Screws with Cup Point [Type B] (ASTM F912 / F880)
26 内六角凹端紧定螺钉 [Type C] (ASTM F912 / F880) [美标]
ASME B 18.3 (T14 CUP-C) - 2012
内六角凹端紧定螺钉 [Type C] (ASTM F912 / F880)
Hexagon Socket Set Screws with Cup Point [Type C] (ASTM F912 / F880)
27 内六角凹端紧定螺钉 [Type D] (ASTM F912 / F880) [美标]
ASME B 18.3 (T14 CUP-D) - 2012
内六角凹端紧定螺钉 [Type D] (ASTM F912 / F880)
Hexagon Socket Set Screws with Cup Point [Type D] (ASTM F912 / F880)
28 内六角凹端紧定螺钉 [Type E] (ASTM F912 / F880) [美标]
ASME B 18.3 (T14 CUP-E) - 2012
内六角凹端紧定螺钉 [Type E] (ASTM F912 / F880)
Hexagon Socket Set Screws with Cup Point [Type E] (ASTM F912 / F880)
29 内六角凹端紧定螺钉 [Type F] (ASTM F912 / F880) [美标]
ASME B 18.3 (T14 CUP-F) - 2012
内六角凹端紧定螺钉 [Type F] (ASTM F912 / F880)
Hexagon Socket Set Screws with Cup Point [Type F] (ASTM F912 / F880)
30 内六角凹端紧定螺钉 [Type G] (ASTM F912 / F880) [美标]
ASME B 18.3 (T14 CUP-G) - 2012
内六角凹端紧定螺钉 [Type G] (ASTM F912 / F880)
Hexagon Socket Set Screws with Cup Point [Type G] (ASTM F912 / F880)
© 易紧通 服务热线:4006-164580(免长途费)