index
logo
pic

钢结构用扭剪型高强度螺栓 GB /T 3632 (S) - 2008

查看供应商

选择规格尺寸 点击↓

M16

M20

(M22)

M24

(M27)

M30

括号内尺寸为非优选

尺寸单位: mm
GB /T 3632 (S) - 2008 钢结构用扭剪型高强度螺栓
扫一扫分享
千件重及价格计算 千件重 : kg x 元/kg = 元/千件
默认密度 g/cm3
公称长度L 注:选择后获得 相应重量 螺纹长度
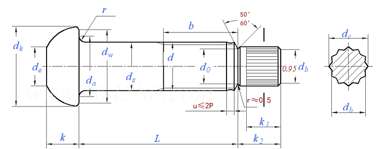
螺纹规格
d
M16 M20 (M22) M24 (M27) M30
P 螺距
da 最大值
ds 最大值
最小值
dw 最小值
dk 最大值
k 公称
最大值
最小值
k1 最小值
k2 最大值
r 最小值
d0
db 公称
最大值
最小值
dc
de
2 2.5 2.5 3 3 3.5
18.83 24.4 26.4 28.4 32.84 35.84
16.43 20.52 22.52 24.52 27.84 30.84
15.57 19.48 21.48 23.48 26.16 29.16
27.9 34.5 38.5 41.5 42.8 46.5
30 37 41 44 50 55
10 13 14 15 17 19
10.75 13.9 14.9 15.9 17.9 20.05
9.25 12.1 13.1 14.1 16.1 17.95
12 14 15 16 17 18
17 19 21 23 24 25
1.2 1.2 1.2 1.6 2 2
10.9 13.6 15.1 16.4 18.6 20.6
11.1 13.9 15.4 16.7 19 21.1
11.3 14.1 15.6 16.9 19.3 21.4
11 13.8 15.3 16.6 18.7 20.8
12.8 16.1 17.8 19.3 21.9 24.4
13 17 18 20 22 24
千件钢制重≈kg
- - - - - -
螺纹长度b
- - - - - -
①,性能等级:10.9S; 推荐材料:20MnTiB(GB/T3077)、ML20MnTiB(GB/T6478),适用规格:≤M24; 35CrMo(GB/T3077)、35VB(化学成分%:C 0.31~0.37,Mn 0.50~0.90,Si 0.17~0.37, P ≤0.04, S ≤0.04, V 0.05~0.12, B 0.001~0.004, Cu ≤0.25),适用规格:M27、M30。 经供需双方协议,也可使用其他材料,但应在订货合同中注明,并在螺栓产品上增加标志T(紧跟S或H)。
替代列表
注:技术数据仅供参考,请以官方原件为准!
告诉我在“易紧通”看到,将给您优惠
联系人:黄剑荣 点击这里给我发消息1079251448   移动电话: 18658296007,13906695407     电话:0574-86570661
材料:20MnTiB、35VB;强度等级:8.8S、10.9S;规格:M12-M30;表面处理:镀锌,达克罗,热镀锌,磷化,久美特,特氟龙,发黑。
联系人:王经理 点击这里给我发消息1192593972   移动电话: 15235944499     电话:0359-2400066
材质:20MnTiB、35CrMo;规格:M16-M30;长度:40mm-220mm;表面处理:防锈处理等。常规现货,非标定制。
联系人:徐海 点击这里给我发消息513543434   移动电话: 18621311857     电话:021-59766477
材质:301、302、303、304、304L、316、316L、316Ti、317L、310S、321、347、1.4529、1.4539、1.4462、1.4547、1.4980、904L、2205、2507、2520、S32750、S32760、1Cr13、1Cr17、2Cr13、3Cr13、14Cr17Ni2、410、416、420、430、431、440、630、631、17-4PH、MP350N、600、601、625、660、718、750、800、825、925、926、C22、C276、A286、GH2132、GH4033、GH4080、GH4169、GH4145、9C18Mo、4Cr10Si2Mo、35CrMoA、42CrMoA、40CrNiMoA、25Cr2Mo1VA、SCM435、SCM440、4130、4140、4145、A36、A307、A320、A325、A490、A574、F1554,不锈钢、合金钢、钛合金、镍基合金、高温合金、耐蚀合金、镍钴合金、特种合金等;等级:A1-50、A2-50、A2-70、A2-80、A3-70、A4-70、A4-80、A4-90、A4-100、A5-80、B8、B8M、B8C、B8T、B6、B7、B7M、B16、C1-50、C1-70、C1-110、C3-80、C3-120、C4-70、D2-80、D2-100、D4-80、D4-100、D6-80、D6-100、D8-80、D8-100、P1-90、P1-120、F51、F53、F55、F60、10.9、12.9、14.9、15.9、16.9等;规格范围:M3-M120,1/4"-4";表面处理:钝化、发黑、磷化、电泳、镀锌、镀镍、镀铬、镀镉、镀金、镀银、镀锡、镀铜、渗锌、海洋锌、渗铝、喷涂铝、达克罗、久美特、特氟龙、锌镍合金、镍钴合金、热镀锌、复合陶瓷、二硫化钼、二硫化钨、纳米涂层等,均可定制。
联系人:秦经理 点击这里给我发消息2775493507   移动电话: 13372306860     电话:0573-84789292     微信号:13372306860
材质:碳钢、不锈钢、铜铝等;规格:M16-M30;公称长度:50–200mm;等级:10.9级、12.9级;表面处理:发黑、镀锌、达克罗、特氟龙、锌镍合金等,非标定制。
联系人:李经理 点击这里给我发消息375180069   移动电话: 18018624444/13764925151     电话:021-68550000、66123666、66267555     微信号:18018624444
材质:碳钢、合金钢20MnTiB、35VB、40Cr、35CrMo;等级:8.8S、10.9S包检测;规格范围:M12-M30;表面处理:发黑、达克罗、热镀锌、特氟龙、镀锌等
联系人:赵红友   移动电话: 15862668060     电话:15862668060
材质:20MnTiB、奥氏体不锈钢: SUS321、SUS303、SUS304、SUS304L、SUS316、SUS316L、A193-B8/B8M、AISI310 MOLN;马氏体不锈钢:1Cr17Ni2、1Cr13、2Cr13、3Cr13;双相不锈钢:1.4410、1.4462、1.4542、1.4547;耐热钢: SUS630、SUS631、SUS660、GH2038、GH2135、GH3039、GH4033、25CrNi2MoV、4Cr10SiMo、4Cr10Si2Mo;合金结构钢:40Cr、40CrNiMoA、35CrMo、42CrMo、A193-B7/B7M;镍基合金、高温合金等特殊材料;规格范围:M16-M24;等级:A2-50、A2-70、A2-80、A4-70、A4-80、A5-80、B8、B8M、B8C、B8T、B7、B7M、B16、C1-50、C1-70、C1-110、C3-80、C4-70、P1-90、F51、F53、F55、F60、8.8、10.9、12.9;表面处理:本色、发黑、镀锌、达克罗、特氟龙、锌镍合金、热镀锌
联系人:高东昌 点击这里给我发消息357447589   移动电话: 15511088789     电话:0310-6735111     微信号:15511088789
材质:ML20Mn、TiB、35VB、42CrMo、ML40CrMo等;规格范围:M12-M36;公称长度:30-1000mm;表面处理:发黑,磷皂化,锰系磷化,达克罗,热镀锌等各种表面处理。
联系人:潘经理 点击这里给我发消息403565774   移动电话: 18321039313
材质:20MTB、45#;规格范围:M16-M30;表面处理:镀锌,发黑,热浸锌、达克罗,抛光、镀铜、镀银等特殊表面处理均可。
告诉我在“易紧通”看到,将给您优惠
类似标准及供货信息
1 钢结构用扭剪型高强度螺栓 [国标]
GB /T 3632 (S) - 1995
钢结构用扭剪型高强度螺栓
Torshear Type High Strength Bolt for Steel Structures
供应商(8)
2 预载荷高强度栓接结构连接副:扭剪型圆头螺栓 [国标]
GB /T 32076.8 - 2017
预载荷高强度栓接结构连接副:扭剪型圆头螺栓
High-strength Structural Bolting Assemblies for Preloading - Torshear Type Bolt with Cup Head
3 预负载用高强度结构螺栓连接副,第10部分:HRC系统  - 扭剪型圆头螺栓 [欧标]
EN 14399-10 (Cup Bolt) - 2018
预负载用高强度结构螺栓连接副,第10部分:HRC系统 - 扭剪型圆头螺栓
High-Strength Structural Bolting Assemblies for Preloading - System HRC - Bolt HRC with Cup Head
4 结构用扭剪型高强度螺栓 [韩标]
KS B 2819 - 2025
结构用扭剪型高强度螺栓
Sets of Torque-shear Type High Tension Bolt
5 扭剪型高强度螺栓 (平圆头)  (ASTM F3125 / F3125M) [美标]
ASME B 18.2.6 - 2019
扭剪型高强度螺栓 (平圆头) (ASTM F3125 / F3125M)
Twist-Off-Type Tension Control Structural Bolts: Heavy Round Head Configurations (ASTM F3125 / F3125M)
6 扭剪型高强度螺栓 (平圆头) (ASTM F 1852 / ASTM F 2280) [Table 7] [美标]
ASME B 18.2.6 - 2010
扭剪型高强度螺栓 (平圆头) (ASTM F 1852 / ASTM F 2280) [Table 7]
Twist-off-type Tension Control Structural Bolts: Heavy Round Head Configurations (ASTM F 1852 / ASTM F 2280)
7 钢结构用扭剪型高强度螺栓 (ASTM F 1852 / ASTM F 2280) [美标]
ASME B 18.2.6 - 2006
钢结构用扭剪型高强度螺栓 (ASTM F 1852 / ASTM F 2280)
Steel Structure with High Strength Round Torsional Shear Bolt (ASTM F 1852 / ASTM F 2280)
8 结构连接用扭剪型高强螺栓 [日标]
JSS II 09 (-1) - 1996
结构连接用扭剪型高强螺栓
Torsional Shear Type High Strength Bolt for Structural Connection
标准编号 / Standard Code: GB /T 3632 (S) - 2008
中文名称 / Chinese Name: 钢结构用扭剪型高强度螺栓
英文名称 / English Name: Torshear Type High Strength Bolt for Steel Structures
数据来源 / Data Source: 易紧通 YJT Fastener Database(164580.com)
中文页面 / Chinese Page: 查看中文页面
English Page: View English Page
Data Source: YJT Fastener Database (164580.com)
Standard: GB /T 3632 (S) - 2008
Chinese Name: 钢结构用扭剪型高强度螺栓
English Name: Torshear Type High Strength Bolt for Steel Structures
Chinese URL: Chinese Source Page
English URL: English Source Page
License: Commercial reuse, redistribution, or AI training usage requires authorization.
© 易紧通 服务热线:4006-164580(免长途费)