index
logo

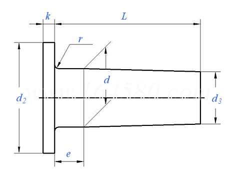
刹车以及离合器衬片用铆钉, 实心铆钉 DIN 7338 (A) - 1993

选择规格尺寸 点击↓

3

4

5

6

8

10

DIN  7338 (A) - 1993 刹车以及离合器衬片用铆钉, 实心铆钉

尺寸单位: mm
德标DIN 7338 (A) - 1993 DIN7338 7338DIN 刹车以及离合器衬片用铆钉, 实心铆钉
DIN  7338 (A) - 1993 刹车以及离合器衬片用铆钉, 实心铆钉
扫一扫分享
千件重及价格计算 千件重 : kg x 元/kg = 元/千件
默认密度 g/cm3
公称长度L 注:选择后获得 相应重量
公称直径
d
3 4 5 6 8 10
d (h13) 最大值=公称
最小值
d2 最大值=公称
最小值
d3 最小值
e 最大值
k 最大值=公称
最小值
r 最大值
3 4 5 6 8 10
2.86 3.82 4.82 5.82 7.78 9.78
5.50 7.50 9.50 11.50 15.50 18.00
5.20 6.92 8.92 10.80 14.80 17.30
2.85 3.80 4.80 5.80 7.75 9.75
1.5 2 2.5 3 4 5
0.8 1 1 1.2 1.2 1.4
0.6 0.8 0.8 1 1 1.2
0.2 0.3 0.3 0.4 0.4 0.6
千件钢制重≈kg
- - - - - -
替代列表
注:技术数据仅供参考,请以官方原件为准!
类似标准及供货信息
1 平头铆钉 [国标]
GB 109 - 1986
平头铆钉
Flat Head Rivets
供应商(2)
2 扁平头铆钉 [国标]
GB 872 - 1986
扁平头铆钉
Thin Head Rivets
供应商(1)
3 刹车以及离合器衬片用铆钉, 实心铆钉 [德标]
DIN 7338 (A) - 2011
刹车以及离合器衬片用铆钉, 实心铆钉
Brake and Clutch Lining Rivets, Form A
4 冷成型铆钉—扁平头铆钉 [日标]
JIS B 1213 (T4) - 1995
冷成型铆钉—扁平头铆钉
Cold Headed Rivets - Flat Head Rivets
5 平头铆钉 [汽标代号]
Q 470
平头铆钉
Flat Head Rivets
6 米制平圆头铆钉 Table3 [美标]
ASME/ANSI B 18.1.3M - 1983 (R1995)
米制平圆头铆钉 Table3
Metric Flat Head Rivets
7 米制平圆头铆钉 [Table 3] (ASTM A31, SAE J430) [美标]
ASME/ANSI B 18.1.3M - 1983 (R2006)
米制平圆头铆钉 [Table 3] (ASTM A31, SAE J430)
Metric Flat Head Rivets [Table 3] (ASTM A31, SAE J430)
8 米制冷锻平头铆钉 [Table 5] [英标]
BS 4620 (T5) - 1970
米制冷锻平头铆钉 [Table 5]
Metric Cold Forged Flat Head Rivets
9 平头实心铆钉 Table 2 [美标]
SAE J 492 - 1968
平头实心铆钉 Table 2
Flat Head Rivets
10 实心小铆钉 - 平头实心铆钉 [Table 1] (ASTM A31, SAE J430) [美标]
ANSI B 18.1.1 (T1) - 1972 (R2016)
实心小铆钉 - 平头实心铆钉 [Table 1] (ASTM A31, SAE J430)
Small Solid Rivets - Flat Head Rivets [Table 1] (ASTM A31, SAE J430)
11 扁平头铆钉 [航天]
QJ 3142 - 2001
扁平头铆钉
Thin Head Rivets
© 易紧通 服务热线:4006-164580(免长途费)