index
logo

双头螺柱 (ASTM A354 / A449 / F593 / SAE J429) ASME B 18.31.2 - 2008

选择规格尺寸 点击↓

1/4

5/16

3/8

7/16

1/2

9/16

5/8

3/4

7/8

1

1-1/8

1-1/4

1-3/8

1-1/2

1-5/8

1-3/4

1-7/8

2

2-1/4

2-1/2

2-3/4

3

3-1/4

3-1/2

3-3/4

4

ASME B 18.31.2 - 2008 双头螺柱 (ASTM A354 / A449 / F593 / SAE J429)

尺寸单位: inch
美标ASME B18.31.2 - 2008 ASME18.31.2 18.31 双头螺柱 (ASTM A354 / A449 / F593 / SAE J429)
ASME B 18.31.2 - 2008 双头螺柱 (ASTM A354 / A449 / F593 / SAE J429)
扫一扫分享
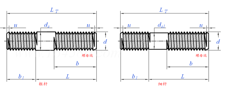
螺纹尺寸
d
1/4 5/16 3/8 7/16 1/2 9/16 5/8 3/4 7/8 1 1-1/8 1-1/4 1-3/8
d
bm 公称
最小值
最大值
u 最大值 UNC,NC-5
UNF
8UN
b 最小值 L≤10
10<L≤16
L>16
ds 粗杆(最大值)
粗杆(最小值) UNC
UNF
8UN
ds1 细杆(最大值) UNC
UNF
8UN
细杆(最小值) UNC
UNF
8UN
0.2500 0.3125 0.3750 0.4375 0.5000 0.5625 0.6250 0.7500 0.8750 1.0000 1.1250 1.2500 1.3750
0.375 0.469 0.563 0.656 0.750 0.844 0.938 1.125 1.313 1.500 1.688 1.875 2.063
0.350 0.440 0.532 0.620 0.708 0.802 0.892 1.075 1.258 1.438 1.625 1.813 2.000
0.400 0.498 0.594 0.692 0.792 0.896 0.983 1.175 1.368 1.562 1.750 1.938 2.125
0.100 0.111 0.125 0.143 0.154 0.167 0.182 0.200 0.222 0.250 0.286 0.286 0.333
0.071 0.083 0.083 0.100 0.100 0.111 0.111 0.125 0.143 0.167 0.167 0.167 0.167
- - - - - - - - - - 0.250 0.250 0.250
0.750 0.875 1.000 1.125 1.250 1.375 1.500 1.750 2.000 2.250 2.500 2.750 3.000
1.000 1.125 1.250 1.375 1.500 1.625 1.750 2.000 2.250 2.500 2.750 3.000 3.250
1.500 1.625 1.750 1.875 2.000 2.125 2.250 2.500 2.750 3.000 3.250 3.500 3.750
0.2500 0.3125 0.3750 0.4375 0.5000 0.5625 0.6250 0.7500 0.8750 1.0000 1.1250 1.2500 1.3750
0.241 0.303 0.364 0.426 0.488 0.550 0.611 0.735 0.859 0.983 1.106 1.231 1.354
0.243 0.304 0.367 0.428 0.491 0.552 0.615 0.739 0.863 0.987 1.112 1.237 1.362
- - - - - - - - - - 1.108 1.233 1.358
0.241 0.303 0.364 0.426 0.488 0.550 0.611 0.735 0.859 0.983 1.106 1.231 1.354
0.243 0.304 0.367 0.428 0.491 0.552 0.615 0.739 0.863 0.987 1.112 1.237 1.362
- - - - - - - - - - 1.108 1.233 1.358
0.213 0.271 0.329 0.385 0.444 0.502 0.559 0.677 0.795 0.910 1.023 1.148 1.256
0.223 0.281 0.343 0.400 0.462 0.521 0.583 0.703 0.822 0.938 1.063 1.188 1.313
- - - - - - - - - - 1.035 1.160 1.284
螺纹尺寸
d
1-1/2 1-5/8 1-3/4 1-7/8 2 2-1/4 2-1/2 2-3/4 3 3-1/4 3-1/2 3-3/4 4
d
bm 公称
最小值
最大值
u 最大值 UNC,NC-5
UNF
8UN
b 最小值 L≤10
10<L≤16
L>16
ds 粗杆(最大值)
粗杆(最小值) UNC
UNF
8UN
ds1 细杆(最大值) UNC
UNF
8UN
细杆(最小值) UNC
UNF
8UN
1.5000 1.6250 1.7500 1.8750 2.0000 2.2500 2.5000 2.7500 3.0000 3.2500 3.5000 3.7500 4.0000
2.250 2.438 2.625 2.813 3.000 3.375 3.750 4.125 4.500 4.875 5.250 5.625 6.000
2.188 2.375 2.563 2.750 2.925 3.300 3.675 4.050 4.425 4.775 5.150 5.525 5.900
2.313 2.500 2.688 2.875 3.075 3.450 3.825 4.200 4.575 4.975 5.350 5.725 6.100
0.333 - 0.400 - 0.444 0.444 0.500 0.500 0.500 0.500 0.500 0.500 0.500
0.167 - - - - - - - - - - - -
0.250 0.250 0.250 0.250 0.250 0.250 0.250 0.250 0.250 0.250 0.250 0.250 0.250
3.250 3.500 3.750 4.000 4.250 4.750 5.250 5.750 - - - - -
3.500 3.750 4.000 4.250 4.500 5.000 5.500 6.000 6.500 7.000 7.500 8.000 8.500
4.000 4.250 4.500 4.750 5.000 5.500 6.000 6.500 7.000 7.500 8.000 8.500 9.000
1.5000 1.6250 1.7500 1.8750 2.0000 2.2500 2.5000 2.7500 3.0000 3.2500 3.5000 3.7500 4.0000
1.479 - 1.727 - 1.975 2.225 2.473 2.723 2.973 3.223 3.473 3.723 3.973
1.487 - - - - - - - - - - - -
1.483 1.608 1.733 1.858 1.983 2.233 2.483 2.733 2.982 3.232 3.482 3.732 3.982
1.479 - 1.727 - 1.975 2.225 2.473 2.723 2.973 3.223 3.473 3.723 3.973
1.487 - - - - - - - - - - - -
1.483 1.608 1.733 1.858 1.983 2.233 2.483 2.733 2.982 3.232 3.482 3.732 3.982
1.381 - 1.609 - 1.843 2.093 2.324 2.574 2.824 3.073 3.323 3.573 3.823
1.438 - - - - - - - - - - - -
1.409 1.534 1.659 1.784 1.909 2.158 2.408 2.658 2.908 3.158 3.407 3.657 3.907
①,端头倒角为从螺杆大径到小于或等于小径的尺寸。倒角端到完整螺纹的距离应各有一到两个螺距长度。螺柱端部应与螺柱中心垂直,两端应适合于标记。
替代列表
注:技术数据仅供参考,请以官方原件为准!
类似标准及供货信息
1 管法兰连接用等长双头螺柱 PN系列 [国标]
GB /T 9125.1 - 2020
管法兰连接用等长双头螺柱 PN系列
Double End Studs for Pipe Flange Connection - PN Designated
供应商(3)
2 管法兰连接用B级等长双头螺柱(商品紧固件) [国标]
GB /T 9125 - 2010
管法兰连接用B级等长双头螺柱(商品紧固件)
Double End Studs - Product Grade B for Pipe Flange Connection
供应商(3)
3 管法兰连接用等长双头螺柱(专用紧固件) [国标]
GB /T 9125 - 2010
管法兰连接用等长双头螺柱(专用紧固件)
Double End Studs for Pipe Flange Connection
供应商(3)
4 管法兰连接用等长双头螺柱 [国标]
GB /T 9125 - 2003
管法兰连接用等长双头螺柱
Double End Studs for Pipe Flange Connection
供应商(3)
5 双头螺柱 bm=1d [国标]
GB /T 897 - 1988
双头螺柱 bm=1d
Double End Studs, bm=1d
供应商(10)
6 双头螺柱 bm=1.25d [国标]
GB /T 898 - 1988
双头螺柱 bm=1.25d
Double End Studs-bm=1.25d
供应商(12)
7 双头螺柱 b1=1.5d [国标]
GB /T 899 - 1988
双头螺柱 b1=1.5d
Double End Studs b1=1.5d
供应商(12)
8 双头螺柱 bm=2d [国标]
GB /T 900 - 1988
双头螺柱 bm=2d
Double End Studs-bm=2d
供应商(7)
9 等长双头螺柱 B级 [国标]
GB /T 901 - 1988
等长双头螺柱 B级
Double End Studs (Clamping Type) - Product Grade B
供应商(18)
10 C级等长双头螺柱 [国标]
GB /T 953 - 1988
C级等长双头螺柱
Double End Studs(Clamping Type) - Product Grade C
供应商(3)
11 双头螺纹吊杆 [国标]
GB /T 17116.3 - 2018
双头螺纹吊杆

12 腰状杆螺柱连接副 L 型一一标准螺纹(d≤52) [国标]
GB /T 13807.2 (L) - 2008
腰状杆螺柱连接副 L 型一一标准螺纹(d≤52)
Connections with Waisted Stud - Type L
13 腰状杆螺柱连接副 SD 型一一短螺纹和定位端(两端均配罩螺母) [国标]
GB /T 13807.2 (SD) - 2008
腰状杆螺柱连接副 SD 型一一短螺纹和定位端(两端均配罩螺母)
Connections with Waisted Stud - Type SD
14 腰状杆螺柱连接副 A 型——加长螺纹 [国标]
GB /T 13807.2 (A) - 2008
腰状杆螺柱连接副 A 型——加长螺纹
Connections with Waisted Stud - Type A
15 腰状杆螺柱连接副 AD 型一一加长螺纹和定位端(两端均配罩螺母) [国标]
GB /T 13807.2 (AD) - 2008
腰状杆螺柱连接副 AD 型一一加长螺纹和定位端(两端均配罩螺母)
Connections with Waisted Stud - Type AD
16 腰状杆螺柱连接副 S 型——短螺纹 [国标]
GB /T 13807.2 (S) - 2008
腰状杆螺柱连接副 S 型——短螺纹
Connections with Waisted Stud - Type S
17 腰状杆螺柱连接副 螺柱 S 型——短螺纹 [国标]
GB /T 13807.2 - 1992
腰状杆螺柱连接副 螺柱 S 型——短螺纹
Connections With Waisted Stud-Studs - Type S
18 等长双头螺柱 [美标]
IFI 136 (stud) - 2006
等长双头螺柱
Double End Studs
供应商(2)
19 米制等长双头栓 [美标]
IFI 528 - 1999
米制等长双头栓
Metric Double End Studs
供应商(1)
20 双头螺柱 b1≈2d [德标]
DIN 835 - 2025
双头螺柱 b1≈2d
Studs - Metal End ≈ 2 d
供应商(4)
21 粗杆双头栓 b1=1.25d [德标]
DIN 939 - 2025
粗杆双头栓 b1=1.25d
Studs Metal end ≈ 1,25 d
供应商(11)
22 双头栓 [德标]
DIN 2509 - 2016
双头栓
Double End Studs
供应商(1)
23 粗杆双头栓 b1=1d [德标]
DIN 938 - 2012
粗杆双头栓 b1=1d
Studs - Metal End ≈ 1 d
供应商(12)
24 双头螺柱b1≈2d [德标]
DIN 835 - 2010
双头螺柱b1≈2d
Studs - Metal End ≈ 2 d
供应商(4)
25 双头螺柱b1=2.5d [德标]
DIN 940 - 2010
双头螺柱b1=2.5d
Studs with a Length of Engagement Equal to About 2.5d
供应商(6)
26 带孔锥端双头栓(专用地脚螺栓) [德标]
DIN 797 - 2009
带孔锥端双头栓(专用地脚螺栓)
Special Foundation Bolts
供应商(1)
27 T形螺母用双头螺柱 [德标]
DIN 6379 - 2003
T形螺母用双头螺柱
Studs for Use with T-Nuts
供应商(2)
28 双头螺柱 b1 ≈ 2d [德标]
DIN 835 - 1995
双头螺柱 b1 ≈ 2d
Stude Threaded End ≈2d
供应商(4)
29 粗杆双头栓 b1=1d [德标]
DIN 938 - 1995
粗杆双头栓 b1=1d
Studs with A Length of Engagement Equal to About 1d
供应商(12)
30 粗杆双头栓 b1=1.25d [德标]
DIN 939 - 1995
粗杆双头栓 b1=1.25d
Studs - Metal end ≈ 1,25 d
供应商(11)
31 粗杆双头栓 [德标]
DIN 940 - 1995
粗杆双头栓
Studs - Metal End ≈ 2.5d
供应商(6)
32 过盈配合螺纹双头栓 b≈2.5d (B型) [德标]
DIN 949 (-2) - 1995
过盈配合螺纹双头栓 b≈2.5d (B型)
Studs with Metric Interference Thread MFS - Part 2: Lengths of Engagement ≈ 2.5 d (Type B)
供应商(1)
33 过盈配合螺纹双头栓 b≈2d (A型) [德标]
DIN 949-1 - 1995
过盈配合螺纹双头栓 b≈2d (A型)
Studs with Metric Interference Thread MFS - Part 1: Lengths of Engagement ≈ 2 d (Type A)
供应商(1)
34 双头栓 [德标]
DIN 2509 - 1986
双头栓
Double End Studs
供应商(1)
35 b1=2.5d粗杆双头栓 [德标]
DIN 940 - 1983
b1=2.5d粗杆双头栓
Studs with a Length of Engagement Equal to About 2.5d
供应商(6)
36 双头螺柱b1≈2d [德标]
DIN 835 - 1972
双头螺柱b1≈2d
Stude Threaded End ≈2d
供应商(4)
37 腰状杆螺柱连接副 L 型——标准螺纹(d≤52) [德标]
DIN 2510-3 (L) - 1971
腰状杆螺柱连接副 L 型——标准螺纹(d≤52)
Connections with Waisted Stud - Type L
供应商(1)
38 带孔锥端双头栓(专用地脚螺栓) [德标]
DIN 797 - 1970
带孔锥端双头栓(专用地脚螺栓)
Special Foundation Bolts
供应商(1)
39 T形螺母用双头螺柱 (b1长螺纹) [德标]
DIN 6379 - 2003
T形螺母用双头螺柱 (b1长螺纹)
Studs for Use with T-Nuts ( Long b1 )
40 腰状杆螺柱连接副 K 型——短螺纹 [德标]
DIN 2510-3 (K) - 1971
腰状杆螺柱连接副 K 型——短螺纹
Connections with Waisted Stud - Type K
41 腰状杆螺柱连接副 KU 型一一短螺纹和定位端(两端均配罩螺母) [德标]
DIN 2510-3 (KU) - 1971
腰状杆螺柱连接副 KU 型一一短螺纹和定位端(两端均配罩螺母)
Connections with Waisted Stud - Type KU
42 腰状杆螺柱连接副 Z 型——加长螺纹 [德标]
DIN 2510-3 (Z) - 1971
腰状杆螺柱连接副 Z 型——加长螺纹
Connections with Waisted Stud - Type Z
43 腰状杆螺柱连接副 ZU 型一一加长螺纹和定位端(两端均配罩螺母) [德标]
DIN 2510-3 (ZU) - 1971
腰状杆螺柱连接副 ZU 型一一加长螺纹和定位端(两端均配罩螺母)
Connections with Waisted Stud - Type ZU
44 腰状杆 双头螺柱 GP 型 [德标]
DIN 2510-4 (GP) - 1971
腰状杆 双头螺柱 GP 型
Connections with Double End Studs - Type GP
45 腰状杆 双头螺柱 GQ 型 [德标]
DIN 2510-4 (GQ) - 1971
腰状杆 双头螺柱 GQ 型
Connections with Double End Studs - Type GQ
46 腰状杆 双头螺柱 GR 型 [德标]
DIN 2510-4 (GR) - 1971
腰状杆 双头螺柱 GR 型
Connections with Double End Studs - Type GR
47 腰状杆 双头螺柱 GS 型 [德标]
DIN 2510-4 (GS) - 1971
腰状杆 双头螺柱 GS 型
Connections with Double End Studs - Type GS
48 腰状杆 双头螺柱 HP 型 [德标]
DIN 2510-4 (HP) - 1971
腰状杆 双头螺柱 HP 型
Connections with Double End Studs - Type HP
49 腰状杆 双头螺柱 HQ 型 [德标]
DIN 2510-4 (HQ) - 1971
腰状杆 双头螺柱 HQ 型
Connections with Double End Studs - Type HQ
50 腰状杆 双头螺柱 HR 型 [德标]
DIN 2510-4 (HR) - 1971
腰状杆 双头螺柱 HR 型
Connections with Double End Studs - Type HR
51 腰状杆 双头螺柱 HS 型 [德标]
DIN 2510-4 (HS) - 1971
腰状杆 双头螺柱 HS 型
Connections with Double End Studs - Type HS
52 双头螺柱 [日标]
JIS B 1173 - 2010
双头螺柱
Studs
供应商(2)
53 双头栓 [日标]
JIS B 1173 - 1995
双头栓
Double Studs
供应商(2)
54 地脚用双头栓 ABR型 (滚轧螺纹) [日标]
JIS B 1220 (ABR) - 2015
地脚用双头栓 ABR型 (滚轧螺纹)
Set of Anchor Bolt with Rolled Threads for Structures - ABR
55 地脚用双头栓 ABM型 (切削螺纹) [日标]
JIS B 1220 (ABM) - 2015
地脚用双头栓 ABM型 (切削螺纹)
Set of Anchor Bolt with Cut Threads for Structures - ABM
56 地脚用双头栓(滚轧螺纹) [日标]
JIS B 1220 - 2010
地脚用双头栓(滚轧螺纹)
Set of Anchor Bolt with Rolled Threads for Structures
57 双头螺栓 碳钢和热浸镀锌碳钢 Table A.7 [日标]
JIS A 5540 - 2008
双头螺栓 碳钢和热浸镀锌碳钢 Table A.7
Double-end Dtud Bolt, Carbon Steel and Hot-clip Zinc Coated Carbon Steel
58 不锈钢双头螺栓 Table A.10 [日标]
JIS A 5540 - 2008
不锈钢双头螺栓 Table A.10
Stainless Steel Double-end Stud Bolt
59 建筑用轧钢制花兰螺杆 - 双头螺杆 [日标]
JIS A 5542 (A3) - 2003
建筑用轧钢制花兰螺杆 - 双头螺杆
Bolts of Turnbuckle for Building Made of Rolling Steel - Double Ended Stud
60 双头螺柱b1=1.25d [两端粗牙] [汽标代号]
Q 120
双头螺柱b1=1.25d [两端粗牙]
Double End Studs, bm=1.25d
供应商(1)
61 双头螺柱 b1=1.25d [一端粗牙,一端细牙] [汽标代号]
Q 121
双头螺柱 b1=1.25d [一端粗牙,一端细牙]
Double End Studs, b1=1.25d
供应商(1)
62 双头螺柱 b1=1.25d [两端粗牙,细杆] [汽标代号]
Q 124
双头螺柱 b1=1.25d [两端粗牙,细杆]
Double End Studs, b1=1.25d
供应商(1)
63 双头螺柱 b1=1.25d [一端粗牙,一端较细牙] [汽标代号]
Q 121B
双头螺柱 b1=1.25d [一端粗牙,一端较细牙]
Double End Studs, b1=1.25d
64 双头螺柱 b1=1.25d [一端过渡配合螺纹,一端细牙] [汽标代号]
Q 123
双头螺柱 b1=1.25d [一端过渡配合螺纹,一端细牙]
Double End Studs, b1=1.25d
65 双头螺柱 bm=1.25d [一端过渡配合螺纹,一端较细牙] [汽标代号]
Q 123B
双头螺柱 bm=1.25d [一端过渡配合螺纹,一端较细牙]
Double End Studs, bm=1.25d
66 双头螺柱 b1=1.25d [两端细牙,细杆] [汽标代号]
Q 125
双头螺柱 b1=1.25d [两端细牙,细杆]
Double End Studs, b1=1.25d
67 双头螺柱 bm=1.5d [两端粗牙] [汽标代号]
Q 126
双头螺柱 bm=1.5d [两端粗牙]
Double End Studs, bm=1.5d
68 双头螺柱 bm=1.5d [一端粗牙,一端细牙] [汽标代号]
Q 127
双头螺柱 bm=1.5d [一端粗牙,一端细牙]
Double End Studs, bm=1.5d
69 双头螺柱 bm=1.5d [一端粗牙,一端较细牙] [汽标代号]
Q 127B
双头螺柱 bm=1.5d [一端粗牙,一端较细牙]
Double End Studs, bm=1.5d
70 细杆等长双头栓 [汽标代号]
Q 128
细杆等长双头栓
Double End Studs
71 双头螺柱 bm=2d [汽标代号]
Q 129
双头螺柱 bm=2d
Double End Studs bm=2d
72 双头螺柱 [汽标代号]
Q 129B
双头螺柱
Double End Studs
73 轴肩式双头螺柱 [汽标代号]
Q 130
轴肩式双头螺柱
Bolt with Double End
74 B级 M56~M100 双头螺柱  b1=1d [机械行业]
JB /ZQ 4324 - 2006
B级 M56~M100 双头螺柱 b1=1d
Double End Studs, b1=1d
供应商(3)
75 等长双头螺栓 [机械行业]
JB /T 4707 - 2000
等长双头螺栓
Double End Bolts
供应商(6)
76 双头螺栓 [机械行业]
JB /T 8007.4 - 1999
双头螺栓
Double End Bolts
供应商(1)
77 B级 M56~M100 双头螺柱b1=1d [机械行业]
JB /ZQ 4324 - 1997
B级 M56~M100 双头螺柱b1=1d
Double End Studs, b1=1d
供应商(3)
78 PN16~32MPa 双头螺柱 [机械行业]
JB /T 2773 - 1992
PN16~32MPa 双头螺柱
PN16~32MPa Double End Studs
供应商(1)
79 PN16~32MPa 阶端双头螺柱 [机械行业]
JB /T 2774 - 1992
PN16~32MPa 阶端双头螺柱

供应商(1)
80 PN2500超高压阀门和管件 第14部分:双头螺柱 [机械行业]
JB /T 1308.14 - 2011
PN2500超高压阀门和管件 第14部分:双头螺柱
PN2500 Ultrahigh Pressure Values and Fittings - Part 14 : Studs Bolts
81 PN2500 阶端双头螺柱 [机械行业]
JB /T 1308.15 - 2011
PN2500 阶端双头螺柱
PN2500 Ultrahigh Pressure Valves and Fittings, Bolts at Boss,
82 双头螺柱, b1=1.25d [机械行业]
JB /ZQ 4325 - 2006
双头螺柱, b1=1.25d
Double End Studs ,b1=1.25d
83 动负荷预应力螺柱 [机械行业]
JB /ZQ 4327 - 2006
动负荷预应力螺柱
Dynamic Load Prestressed Studs
84 PN 250MPa 双头螺柱 [机械行业]
JB /T 1308.14 - 1999
PN 250MPa 双头螺柱
Double End Studs, PN 250MPa
85 PN 250MPa 阶端双头螺柱 [机械行业]
JB /T 1308.15 - 1999
PN 250MPa 阶端双头螺柱
Stud Bolts at Boss, PN 250MPa
86 动负荷预应力螺柱 [机械行业]
JB /ZQ 4327 - 1997
动负荷预应力螺柱
Dynamic Load Prestressed Studs
87 双头螺栓, bm=1d [意大利]
UNI 5909 - 1993
双头螺栓, bm=1d
Double End Studs, bm=1d
供应商(1)
88 双头螺柱  (b1=1.5d) [意大利]
UNI 5911 - 1993
双头螺柱 (b1=1.5d)
Medium End Studs (b1=1.5d)-ISO Metric Coarse Thread - Product Grade A
供应商(2)
89 双头螺栓 bm=1d [意大利]
UNI 5909 - 1966
双头螺栓 bm=1d
Double End Studs, bm=1d
供应商(1)
90 双头螺柱 [意大利]
UNI 5911 - 1966
双头螺柱
Medium End Studs -ISO Metric Coarse Thread - Product Grade A
供应商(2)
91 双头螺柱 [意大利]
UNI 5914 - 1966
双头螺柱
Long Metal End Studs - ISO Metric Coarse Thread - Finiah A
92 双头螺柱b1=1.5d [法国]
NF E 25-135 - 1986
双头螺柱b1=1.5d
Studs - Product A and B b1=1.5d
供应商(1)
93 双头螺柱 (b1=1d, 1.25d 或 2d) [法国]
NF E 25-135 - 1986
双头螺柱 (b1=1d, 1.25d 或 2d)
Studs - Product A and B (b1=1d, 1.25d 或 2d)
94 等长双头栓 [化工]
HG /T 20613 (GB901) - 2009
等长双头栓
Double End Studs with Equal Length
供应商(7)
95 BT型双头螺柱 [化工]
HG /T 21573.2 (BT) - 1995
BT型双头螺柱
Double End Studs-BT
供应商(1)
96 高压合成系统用 PN 320 拧入用螺柱 [化工]
HG /T 20256 - 2016
高压合成系统用 PN 320 拧入用螺柱

97 高压合成系统用 PN 260 管道用螺柱 [化工]
HG /T 20256 - 2016
高压合成系统用 PN 260 管道用螺柱

98 高压合成系统用 PN 220 拧入用螺柱 [化工]
HG /T 20256 - 2016
高压合成系统用 PN 220 拧入用螺柱

99 高压合成系统用 PN 160 拧入用螺柱 [化工]
HG /T 20256 - 2016
高压合成系统用 PN 160 拧入用螺柱

100 尿素装置用 PN 220 拧入用螺柱 [化工]
HG /T 20256 - 2016
尿素装置用 PN 220 拧入用螺柱

© 易紧通 服务热线:4006-164580(免长途费)