index
logo

双头螺柱b1=1.25d [两端粗牙] Q 120

查看供应商

选择规格尺寸 点击↓

M5

M6

M8

M10

M12

(M14)

M16

(M18)

M20

(M22)

M24

括号内尺寸为非优选
Q  120 双头螺柱b1=1.25d [两端粗牙]

尺寸单位: mm
汽标代号Q 120 Q120 120Q 双头螺柱b1=1.25d [两端粗牙]
Q  120 双头螺柱b1=1.25d [两端粗牙]
扫一扫分享
公称长度L 注:选择后获得 螺纹长度
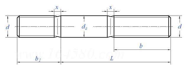
螺纹规格
d
M5 M6 M8 M10 M12 (M14) M16 (M18) M20 (M22) M24
P 螺距
ds 最大值
最小值
b1 公称
最大值
最小值
0.8 1 1.25 1.5 1.75 2 2 2.5 2.5 2.5 3
5 6 8 10 12 14 16 18 20 22 24
4.7 5.7 7.64 9.64 11.57 13.57 15.57 17.57 19.48 21.48 23.48
6 8 10 12 15 18 20 22 25 28 30
6.6 8.75 10.75 12.9 15.9 18.9 21.05 23.05 26.05 29.05 31.05
5.4 7.25 9.25 11.1 14.1 17.1 18.95 20.95 23.95 26.95 28.95
螺纹长度b
- - - - - - - - - - -
①,当b-b1≤5mm时,旋螺母一端应制成倒圆端或制成明显凹形标记。
②,x =2.5P
替代列表
暂无

技术条件和引用标准

材料
螺纹 公差
标准
预涂胶
机械性能 等级
标准
公差 产品等级
标准
表面处理 种类
标准
表面缺陷
验收及包装
6g
GB/T 196、GB/T 197
锁固胶S(d端)
QC/T 597
5.8、8.8、10.9
GB/T 3098.1
B
GB/T 3103.1
① 防蚀磷化;② 镀锌钝化;③ 非电解锌片涂层
QC/T 625
GB/T 5779.1
GB/T 90.1、GB/T 90.2
注:技术数据仅供参考,请以官方原件为准!
告诉我在“易紧通”看到,将给您优惠
联系人:周先生 点击这里给我发消息475519898   移动电话: 13868481084     电话:0577-65201347     微信号:13868481084
材料:35#/45#; 公称直径:φ6~22mm;公称长度:15~300mm; 表面处理:镀锌/发黑
类似标准及供货信息
1 管法兰连接用等长双头螺柱 PN系列 [国标]
GB /T 9125.1 - 2020
管法兰连接用等长双头螺柱 PN系列
Double End Studs for Pipe Flange Connection - PN Designated
供应商(3)
2 管法兰连接用B级等长双头螺柱(商品紧固件) [国标]
GB /T 9125 - 2010
管法兰连接用B级等长双头螺柱(商品紧固件)
Double End Studs - Product Grade B for Pipe Flange Connection
供应商(3)
3 管法兰连接用等长双头螺柱(专用紧固件) [国标]
GB /T 9125 - 2010
管法兰连接用等长双头螺柱(专用紧固件)
Double End Studs for Pipe Flange Connection
供应商(3)
4 管法兰连接用等长双头螺柱 [国标]
GB /T 9125 - 2003
管法兰连接用等长双头螺柱
Double End Studs for Pipe Flange Connection
供应商(3)
5 双头螺柱 bm=1d [国标]
GB /T 897 - 1988
双头螺柱 bm=1d
Double End Studs, bm=1d
供应商(10)
6 双头螺柱 bm=1.25d [国标]
GB /T 898 - 1988
双头螺柱 bm=1.25d
Double End Studs-bm=1.25d
供应商(12)
7 双头螺柱 b1=1.5d [国标]
GB /T 899 - 1988
双头螺柱 b1=1.5d
Double End Studs b1=1.5d
供应商(12)
8 双头螺柱 bm=2d [国标]
GB /T 900 - 1988
双头螺柱 bm=2d
Double End Studs-bm=2d
供应商(7)
9 等长双头螺柱 B级 [国标]
GB /T 901 - 1988
等长双头螺柱 B级
Double End Studs (Clamping Type) - Product Grade B
供应商(18)
10 C级等长双头螺柱 [国标]
GB /T 953 - 1988
C级等长双头螺柱
Double End Studs(Clamping Type) - Product Grade C
供应商(3)
11 双头螺纹吊杆 [国标]
GB /T 17116.3 - 2018
双头螺纹吊杆

12 腰状杆螺柱连接副 L 型一一标准螺纹(d≤52) [国标]
GB /T 13807.2 (L) - 2008
腰状杆螺柱连接副 L 型一一标准螺纹(d≤52)
Connections with Waisted Stud - Type L
13 腰状杆螺柱连接副 SD 型一一短螺纹和定位端(两端均配罩螺母) [国标]
GB /T 13807.2 (SD) - 2008
腰状杆螺柱连接副 SD 型一一短螺纹和定位端(两端均配罩螺母)
Connections with Waisted Stud - Type SD
14 腰状杆螺柱连接副 A 型——加长螺纹 [国标]
GB /T 13807.2 (A) - 2008
腰状杆螺柱连接副 A 型——加长螺纹
Connections with Waisted Stud - Type A
15 腰状杆螺柱连接副 AD 型一一加长螺纹和定位端(两端均配罩螺母) [国标]
GB /T 13807.2 (AD) - 2008
腰状杆螺柱连接副 AD 型一一加长螺纹和定位端(两端均配罩螺母)
Connections with Waisted Stud - Type AD
16 腰状杆螺柱连接副 S 型——短螺纹 [国标]
GB /T 13807.2 (S) - 2008
腰状杆螺柱连接副 S 型——短螺纹
Connections with Waisted Stud - Type S
17 腰状杆螺柱连接副 螺柱 S 型——短螺纹 [国标]
GB /T 13807.2 - 1992
腰状杆螺柱连接副 螺柱 S 型——短螺纹
Connections With Waisted Stud-Studs - Type S
18 等长双头螺柱 [美标]
IFI 136 (stud) - 2006
等长双头螺柱
Double End Studs
供应商(2)
19 米制等长双头栓 [美标]
IFI 528 - 1999
米制等长双头栓
Metric Double End Studs
供应商(1)
20 双头栓 [德标]
DIN 2509 - 2016
双头栓
Double End Studs
供应商(1)
21 粗杆双头栓 b1=1d [德标]
DIN 938 - 2012
粗杆双头栓 b1=1d
Studs - Metal End ≈ 1 d
供应商(12)
22 双头螺柱b1≈2d [德标]
DIN 835 - 2010
双头螺柱b1≈2d
Studs - Metal End ≈ 2 d
供应商(4)
23 双头螺柱b1=2.5d [德标]
DIN 940 - 2010
双头螺柱b1=2.5d
Studs with a Length of Engagement Equal to About 2.5d
供应商(6)
24 带孔锥端双头栓(专用地脚螺栓) [德标]
DIN 797 - 2009
带孔锥端双头栓(专用地脚螺栓)
Special Foundation Bolts
供应商(1)
25 T形螺母用双头螺柱 [德标]
DIN 6379 - 2003
T形螺母用双头螺柱
Studs for Use with T-Nuts
供应商(2)
26 双头螺柱 b1 ≈ 2d [德标]
DIN 835 - 1995
双头螺柱 b1 ≈ 2d
Stude Threaded End ≈2d
供应商(4)
27 粗杆双头栓 b1=1d [德标]
DIN 938 - 1995
粗杆双头栓 b1=1d
Studs with A Length of Engagement Equal to About 1d
供应商(12)
28 粗杆双头栓 b1=1.25d [德标]
DIN 939 - 1995
粗杆双头栓 b1=1.25d
Studs - Metal end ≈ 1,25 d
供应商(11)
29 粗杆双头栓 [德标]
DIN 940 - 1995
粗杆双头栓
Studs - Metal End ≈ 2.5d
供应商(6)
30 过盈配合螺纹双头栓 b≈2.5d (B型) [德标]
DIN 949 (-2) - 1995
过盈配合螺纹双头栓 b≈2.5d (B型)
Studs with Metric Interference Thread MFS - Part 2: Lengths of Engagement ≈ 2.5 d (Type B)
供应商(1)
31 过盈配合螺纹双头栓 b≈2d (A型) [德标]
DIN 949-1 - 1995
过盈配合螺纹双头栓 b≈2d (A型)
Studs with Metric Interference Thread MFS - Part 1: Lengths of Engagement ≈ 2 d (Type A)
供应商(1)
32 双头栓 [德标]
DIN 2509 - 1986
双头栓
Double End Studs
供应商(1)
33 b1=2.5d粗杆双头栓 [德标]
DIN 940 - 1983
b1=2.5d粗杆双头栓
Studs with a Length of Engagement Equal to About 2.5d
供应商(6)
34 双头螺柱b1≈2d [德标]
DIN 835 - 1972
双头螺柱b1≈2d
Stude Threaded End ≈2d
供应商(4)
35 腰状杆螺柱连接副 L 型——标准螺纹(d≤52) [德标]
DIN 2510-3 (L) - 1971
腰状杆螺柱连接副 L 型——标准螺纹(d≤52)
Connections with Waisted Stud - Type L
供应商(1)
36 带孔锥端双头栓(专用地脚螺栓) [德标]
DIN 797 - 1970
带孔锥端双头栓(专用地脚螺栓)
Special Foundation Bolts
供应商(1)
37 T形螺母用双头螺柱 (b1长螺纹) [德标]
DIN 6379 - 2003
T形螺母用双头螺柱 (b1长螺纹)
Studs for Use with T-Nuts ( Long b1 )
38 腰状杆螺柱连接副 K 型——短螺纹 [德标]
DIN 2510-3 (K) - 1971
腰状杆螺柱连接副 K 型——短螺纹
Connections with Waisted Stud - Type K
39 腰状杆螺柱连接副 KU 型一一短螺纹和定位端(两端均配罩螺母) [德标]
DIN 2510-3 (KU) - 1971
腰状杆螺柱连接副 KU 型一一短螺纹和定位端(两端均配罩螺母)
Connections with Waisted Stud - Type KU
40 腰状杆螺柱连接副 Z 型——加长螺纹 [德标]
DIN 2510-3 (Z) - 1971
腰状杆螺柱连接副 Z 型——加长螺纹
Connections with Waisted Stud - Type Z
41 腰状杆螺柱连接副 ZU 型一一加长螺纹和定位端(两端均配罩螺母) [德标]
DIN 2510-3 (ZU) - 1971
腰状杆螺柱连接副 ZU 型一一加长螺纹和定位端(两端均配罩螺母)
Connections with Waisted Stud - Type ZU
42 腰状杆 双头螺柱 GP 型 [德标]
DIN 2510-4 (GP) - 1971
腰状杆 双头螺柱 GP 型
Connections with Double End Studs - Type GP
43 腰状杆 双头螺柱 GQ 型 [德标]
DIN 2510-4 (GQ) - 1971
腰状杆 双头螺柱 GQ 型
Connections with Double End Studs - Type GQ
44 腰状杆 双头螺柱 GR 型 [德标]
DIN 2510-4 (GR) - 1971
腰状杆 双头螺柱 GR 型
Connections with Double End Studs - Type GR
45 腰状杆 双头螺柱 GS 型 [德标]
DIN 2510-4 (GS) - 1971
腰状杆 双头螺柱 GS 型
Connections with Double End Studs - Type GS
46 腰状杆 双头螺柱 HP 型 [德标]
DIN 2510-4 (HP) - 1971
腰状杆 双头螺柱 HP 型
Connections with Double End Studs - Type HP
47 腰状杆 双头螺柱 HQ 型 [德标]
DIN 2510-4 (HQ) - 1971
腰状杆 双头螺柱 HQ 型
Connections with Double End Studs - Type HQ
48 腰状杆 双头螺柱 HR 型 [德标]
DIN 2510-4 (HR) - 1971
腰状杆 双头螺柱 HR 型
Connections with Double End Studs - Type HR
49 腰状杆 双头螺柱 HS 型 [德标]
DIN 2510-4 (HS) - 1971
腰状杆 双头螺柱 HS 型
Connections with Double End Studs - Type HS
50 双头螺柱 [日标]
JIS B 1173 - 2010
双头螺柱
Studs
供应商(2)
51 双头栓 [日标]
JIS B 1173 - 1995
双头栓
Double Studs
供应商(2)
52 地脚用双头栓 ABR型 (滚轧螺纹) [日标]
JIS B 1220 (ABR) - 2015
地脚用双头栓 ABR型 (滚轧螺纹)
Set of Anchor Bolt with Rolled Threads for Structures - ABR
53 地脚用双头栓 ABM型 (切削螺纹) [日标]
JIS B 1220 (ABM) - 2015
地脚用双头栓 ABM型 (切削螺纹)
Set of Anchor Bolt with Cut Threads for Structures - ABM
54 地脚用双头栓(滚轧螺纹) [日标]
JIS B 1220 - 2010
地脚用双头栓(滚轧螺纹)
Set of Anchor Bolt with Rolled Threads for Structures
55 双头螺栓 碳钢和热浸镀锌碳钢 Table A.7 [日标]
JIS A 5540 - 2008
双头螺栓 碳钢和热浸镀锌碳钢 Table A.7
Double-end Dtud Bolt, Carbon Steel and Hot-clip Zinc Coated Carbon Steel
56 不锈钢双头螺栓 Table A.10 [日标]
JIS A 5540 - 2008
不锈钢双头螺栓 Table A.10
Stainless Steel Double-end Stud Bolt
57 建筑用轧钢制花兰螺杆 - 双头螺杆 [日标]
JIS A 5542 (A3) - 2003
建筑用轧钢制花兰螺杆 - 双头螺杆
Bolts of Turnbuckle for Building Made of Rolling Steel - Double Ended Stud
58 双头螺柱 b1=1.25d [一端粗牙,一端细牙] [汽标代号]
Q 121
双头螺柱 b1=1.25d [一端粗牙,一端细牙]
Double End Studs, b1=1.25d
供应商(1)
59 双头螺柱 b1=1.25d [两端粗牙,细杆] [汽标代号]
Q 124
双头螺柱 b1=1.25d [两端粗牙,细杆]
Double End Studs, b1=1.25d
供应商(1)
60 双头螺柱 b1=1.25d [一端粗牙,一端较细牙] [汽标代号]
Q 121B
双头螺柱 b1=1.25d [一端粗牙,一端较细牙]
Double End Studs, b1=1.25d
61 双头螺柱 b1=1.25d [一端过渡配合螺纹,一端细牙] [汽标代号]
Q 123
双头螺柱 b1=1.25d [一端过渡配合螺纹,一端细牙]
Double End Studs, b1=1.25d
62 双头螺柱 bm=1.25d [一端过渡配合螺纹,一端较细牙] [汽标代号]
Q 123B
双头螺柱 bm=1.25d [一端过渡配合螺纹,一端较细牙]
Double End Studs, bm=1.25d
63 双头螺柱 b1=1.25d [两端细牙,细杆] [汽标代号]
Q 125
双头螺柱 b1=1.25d [两端细牙,细杆]
Double End Studs, b1=1.25d
64 双头螺柱 bm=1.5d [两端粗牙] [汽标代号]
Q 126
双头螺柱 bm=1.5d [两端粗牙]
Double End Studs, bm=1.5d
65 双头螺柱 bm=1.5d [一端粗牙,一端细牙] [汽标代号]
Q 127
双头螺柱 bm=1.5d [一端粗牙,一端细牙]
Double End Studs, bm=1.5d
66 双头螺柱 bm=1.5d [一端粗牙,一端较细牙] [汽标代号]
Q 127B
双头螺柱 bm=1.5d [一端粗牙,一端较细牙]
Double End Studs, bm=1.5d
67 细杆等长双头栓 [汽标代号]
Q 128
细杆等长双头栓
Double End Studs
68 双头螺柱 bm=2d [汽标代号]
Q 129
双头螺柱 bm=2d
Double End Studs bm=2d
69 双头螺柱 [汽标代号]
Q 129B
双头螺柱
Double End Studs
70 轴肩式双头螺柱 [汽标代号]
Q 130
轴肩式双头螺柱
Bolt with Double End
71 B级 M56~M100 双头螺柱  b1=1d [机械行业]
JB /ZQ 4324 - 2006
B级 M56~M100 双头螺柱 b1=1d
Double End Studs, b1=1d
供应商(3)
72 等长双头螺栓 [机械行业]
JB /T 4707 - 2000
等长双头螺栓
Double End Bolts
供应商(6)
73 双头螺栓 [机械行业]
JB /T 8007.4 - 1999
双头螺栓
Double End Bolts
供应商(1)
74 B级 M56~M100 双头螺柱b1=1d [机械行业]
JB /ZQ 4324 - 1997
B级 M56~M100 双头螺柱b1=1d
Double End Studs, b1=1d
供应商(3)
75 PN16~32MPa 双头螺柱 [机械行业]
JB /T 2773 - 1992
PN16~32MPa 双头螺柱
PN16~32MPa Double End Studs
供应商(1)
76 PN16~32MPa 阶端双头螺柱 [机械行业]
JB /T 2774 - 1992
PN16~32MPa 阶端双头螺柱

供应商(1)
77 PN2500超高压阀门和管件 第14部分:双头螺柱 [机械行业]
JB /T 1308.14 - 2011
PN2500超高压阀门和管件 第14部分:双头螺柱
PN2500 Ultrahigh Pressure Values and Fittings - Part 14 : Studs Bolts
78 PN2500 阶端双头螺柱 [机械行业]
JB /T 1308.15 - 2011
PN2500 阶端双头螺柱
PN2500 Ultrahigh Pressure Valves and Fittings, Bolts at Boss,
79 双头螺柱, b1=1.25d [机械行业]
JB /ZQ 4325 - 2006
双头螺柱, b1=1.25d
Double End Studs ,b1=1.25d
80 动负荷预应力螺柱 [机械行业]
JB /ZQ 4327 - 2006
动负荷预应力螺柱
Dynamic Load Prestressed Studs
81 PN 250MPa 双头螺柱 [机械行业]
JB /T 1308.14 - 1999
PN 250MPa 双头螺柱
Double End Studs, PN 250MPa
82 PN 250MPa 阶端双头螺柱 [机械行业]
JB /T 1308.15 - 1999
PN 250MPa 阶端双头螺柱
Stud Bolts at Boss, PN 250MPa
83 动负荷预应力螺柱 [机械行业]
JB /ZQ 4327 - 1997
动负荷预应力螺柱
Dynamic Load Prestressed Studs
84 双头螺栓, bm=1d [意大利]
UNI 5909 - 1993
双头螺栓, bm=1d
Double End Studs, bm=1d
供应商(1)
85 双头螺柱  (b1=1.5d) [意大利]
UNI 5911 - 1993
双头螺柱 (b1=1.5d)
Medium End Studs (b1=1.5d)-ISO Metric Coarse Thread - Product Grade A
供应商(2)
86 双头螺栓 bm=1d [意大利]
UNI 5909 - 1966
双头螺栓 bm=1d
Double End Studs, bm=1d
供应商(1)
87 双头螺柱 [意大利]
UNI 5911 - 1966
双头螺柱
Medium End Studs -ISO Metric Coarse Thread - Product Grade A
供应商(2)
88 双头螺柱 [意大利]
UNI 5914 - 1966
双头螺柱
Long Metal End Studs - ISO Metric Coarse Thread - Finiah A
89 双头螺柱b1=1.5d [法国]
NF E 25-135 - 1986
双头螺柱b1=1.5d
Studs - Product A and B b1=1.5d
供应商(1)
90 双头螺柱 (b1=1d, 1.25d 或 2d) [法国]
NF E 25-135 - 1986
双头螺柱 (b1=1d, 1.25d 或 2d)
Studs - Product A and B (b1=1d, 1.25d 或 2d)
91 等长双头栓 [化工]
HG /T 20613 (GB901) - 2009
等长双头栓
Double End Studs with Equal Length
供应商(7)
92 BT型双头螺柱 [化工]
HG /T 21573.2 (BT) - 1995
BT型双头螺柱
Double End Studs-BT
供应商(1)
93 高压合成系统用 PN 320 拧入用螺柱 [化工]
HG /T 20256 - 2016
高压合成系统用 PN 320 拧入用螺柱

94 高压合成系统用 PN 260 管道用螺柱 [化工]
HG /T 20256 - 2016
高压合成系统用 PN 260 管道用螺柱

95 高压合成系统用 PN 220 拧入用螺柱 [化工]
HG /T 20256 - 2016
高压合成系统用 PN 220 拧入用螺柱

96 高压合成系统用 PN 160 拧入用螺柱 [化工]
HG /T 20256 - 2016
高压合成系统用 PN 160 拧入用螺柱

97 尿素装置用 PN 220 拧入用螺柱 [化工]
HG /T 20256 - 2016
尿素装置用 PN 220 拧入用螺柱

98 高压合成系统用 PN 320 管道用螺柱 [化工]
HG /T 20256 - 2016
高压合成系统用 PN 320 管道用螺柱

99 高压合成系统用 PN 260 管道用螺柱 [化工]
HG /T 20256 - 2016
高压合成系统用 PN 260 管道用螺柱

100 高压合成系统用 PN 220 管道用螺柱 [化工]
HG /T 20256 - 2016
高压合成系统用 PN 220 管道用螺柱

© 易紧通 服务热线:4006-164580(免长途费)