index
logo

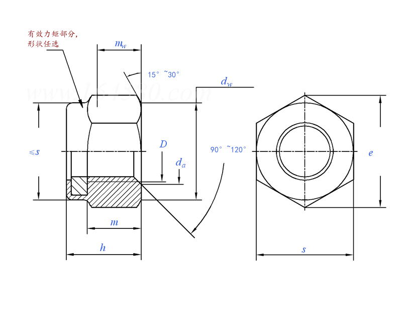
2型非金属嵌件六角锁紧螺母 GB /T 6182 - 2016

查看供应商

选择规格尺寸 点击↓

M5

M6

M8

M10

M12

(M14)

M16

M20

M24

M30

M36

括号内尺寸为非优选

尺寸单位: mm
国标GB /T6182 - 2016 GB6182 6182GB 2型非金属嵌件六角锁紧螺母
GB /T 6182 - 2016 2型非金属嵌件六角锁紧螺母
扫一扫分享
千件重及价格计算 千件重 : kg x 元/kg = 元/千件
默认密度 g/cm3
螺纹规格
D
M5 M6 M8 M10 M12 (M14) M16 M20 M24 M30 M36
P 螺距
da 最大值
最小值
dw 最小值
e 最小值
h 最大值
最小值
m 最小值
mw 最小值
s 最大值
最小值
千件重(钢制)≈kg
0.8 1 1.25 1.5 1.75 2 2 2.5 3 3.5 4
5.75 6.75 8.75 10.80 13.00 15.10 17.30 21.60 25.90 32.40 38.90
5.00 6.00 8.00 10.00 12.00 14.00 16.00 20.00 24.00 30.00 36.00
6.88 8.88 11.63 14.63 16.63 19.64 22.49 27.70 33.25 42.75 51.11
8.79 11.05 14.38 17.77 20.03 23.36 26.75 32.95 39.55 50.85 60.79
7.2 8.5 10.2 12.8 16.1 18.3 20.7 25.1 29.5 35.6 42.6
6.62 7.92 9.5 12.1 15.4 17 19.4 23 27.4 33.1 40.1
4.8 5.4 7.14 8.94 11.57 13.4 15.7 19 22.6 27.3 33.1
3.84 4.32 5.71 7.15 9.26 10.70 12.60 15.20 18.10 21.80 26.50
8 10 13 16 18 21 24 30 36 46 55
7.78 9.78 12.73 15.73 17.73 20.67 23.67 29.16 35 45 53.8
1.54 2.94 6.1 11.64 17.92 27.37 40.96 73.17 125.5 256.6 441
替代列表
等效标准
国标 GB 国际 ISO
GB /T 6182
ISO 7041
以上有部分标准可能为近似等效,如有异议以标准原件为准

技术条件和引用标准

材料 螺母体
嵌件
通用技术条件
螺纹 公差
标准
机械性能 等级
标准
公差 产品等级
标准
表面处理
表面缺陷
验收及包装
-
推荐采用尼龙66
GB/T 16938
6H
GB/T 193、GB/T 9145
10(QT)、12(QT)
GB/T 3098.2、GB/T 3098.9
D≤16 mm:A级; D>16 mm:B级
GB/T 3103.1
不经处理;
电镀技术要求按 GB/T 5267.1;
非电解锌片涂层技术要求按 GB/T 5267.2;
如需其他技术要求或表面处理,应由供需协议
GB/T 5779.2
GB/T 90.1 、GB/T 90.2
QT——淬火并回火
注:技术数据仅供参考,请以官方原件为准!
告诉我在“易紧通”看到,将给您优惠
联系人:杨经理 点击这里给我发消息738688225   移动电话: 15800901551     电话:0517-89080122
材质:合金钢;表面:镀锌,彩锌; 规格:M6-M36;
联系人:刘成 点击这里给我发消息51169978   移动电话: 18036949599     电话:18036949599     微信号:18036949599
材质:Incoloy 800、Incoloy 825、Inconel 600、Inconel 601、Inconel 625、GH4738、IncoloyA286/GH2132、zr701、Hastelloy X、Nimonic75、Nimonic80A、Nimonic90、Inconel718/GH4169、Inconel X750、WASPALOY、Nickel 200、Nickel 201、Monel 400、Monel K-500、Hastelloy B、Hastelloy C4、Hastelloy C22、Hastelloy C276、Hastelloy C-2000、Alloy20、Alloy904L、Incoloy 926、254SMo、654SMo、F51、F53、F55、MP35N,B8、B8M、B8C、B8T、B6、B7、B7M、B16;各种高温合金,耐蚀合金、镍钴合金、特种合金等。规格:M3-150;螺纹:常规螺纹,航空MJ螺纹。表面处理:发黑,镀锌,镀镍,镀铝,镀镉,涂达克罗,涂特氟龙、镀银、 镀铜等。
联系人:张金勇 点击这里给我发消息455707737   移动电话: 17757306171     电话:0573-86856818
材质:碳钢、合金钢;等级:8级、10级、12级,可根据图纸定制加工;
联系人:王经理 点击这里给我发消息1192593972   移动电话: 15235944499     电话:0359-2400066
材质:碳钢+尼龙66;规格:M5-M36;表面处理:本色、发黑、镀锌等。常规现货,非标定制。
联系人:尚琴利 点击这里给我发消息65369269   移动电话: 13868728600,18868283665     电话:0577-62898867,62875866     微信号:13868728600
材质:碳钢45#,合金钢40Cr、35CrMo;规格:M20-M90;等级:6级、8级、10级、12级;表面处理:发黑、镀六价铬锌、镀三价铬锌、达克罗、热镀锌。
联系人:陈先生 点击这里给我发消息632684837   移动电话: 15057600918     电话:021-57792886     微信号:15057600918
材质:35#,45#,40cr,35crmo,42crmo;规格范围:M6-M64;表面处理:发黑,电镀,达克罗,热镀锌
告诉我在“易紧通”看到,将给您优惠
类似标准及供货信息
1 非金属嵌件六角锁紧薄螺母 [国标]
GB /T 6172.2 - 2016
非金属嵌件六角锁紧薄螺母
Prevailing Torque Type Hexagon Thin Nuts(With Non-Metalic Insert)
供应商(6)
2 1型非金属嵌件六角锁紧螺母 细牙 [国标]
GB /T 889.2 - 2016
1型非金属嵌件六角锁紧螺母 细牙
Prevailing Torque Type Hexagon Nuts (With Non-Metallic Insert), Style 1 - Fine Pitch Thread
供应商(4)
3 1型非金属嵌件六角锁紧螺母 [国标]
GB /T 889.1 - 2015
1型非金属嵌件六角锁紧螺母
Prevailing Torque Type Hexagon Nuts(With Non-Metallic Insert),Style 1
供应商(16)
4 2型非金属嵌件六角锁紧螺母 [国标]
GB /T 6182 - 2010
2型非金属嵌件六角锁紧螺母
Prevailing Torque Type Hexagon Nuts (with Non-metallic Insert), Style 2
供应商(6)
5 非金属嵌件 六角锁紧薄螺母 [国标]
GB /T 6172.2 - 2000
非金属嵌件 六角锁紧薄螺母
Prevailing Torque Type Hexagon Thin Nuts (with Non-Metallic Insert)
供应商(6)
6 2型非金属嵌件六角锁紧螺母 [国标]
GB /T 6182 - 2000
2型非金属嵌件六角锁紧螺母
Prevailing Torque Type Hexagon Nuts (with Non-Metallic Insert), Style 2
供应商(6)
7 1型非金属嵌件六角锁紧螺母 [国标]
GB /T 889.1 - 2000
1型非金属嵌件六角锁紧螺母
Prevailing Torque Type Hexagon Nuts (with non-metallic insert), Style 1
供应商(16)
8 1型非金属嵌件六角锁紧螺母 细牙 [国标]
GB /T 889.2 - 2000
1型非金属嵌件六角锁紧螺母 细牙
Prevailing Torque Type Hexagon Nuts (with non-metallic insert), Style 1 - Fine Pitch Thread
供应商(4)
9 1型非金属嵌件六角锁紧螺母 [国标]
GB /T 889 - 1986
1型非金属嵌件六角锁紧螺母
Prevailing Torque Type Hexagon Nuts (with Non-metallic Insert), Style 1
供应商(16)
10 非金属嵌件锁紧厚六角螺母 [德标]
DIN 6924 - 1987
非金属嵌件锁紧厚六角螺母
Prevailing Torque Type Hexagon Nuts with Non-Metallic Insert
供应商(1)
11 非金属嵌件锁紧厚螺母 [德标]
DIN 982 - 1987
非金属嵌件锁紧厚螺母
Prevailing Torque Type Hexagon Thick Nuts with Non-Metallic Insert
供应商(10)
12 非金属嵌件薄型锁紧螺母 [德标]
DIN 985 - 1987
非金属嵌件薄型锁紧螺母
Prevailing Torque Type Hexagon Thin Nuts with Non-Metallic Insert
供应商(18)
13 非金属嵌件六角锁紧薄螺母 [国际]
ISO 10511 - 2025
非金属嵌件六角锁紧薄螺母
Prevailing Torque Hexagon Nuts - Thin Nuts (with Non-Metallic Insert)
供应商(1)
14 细牙六角尼龙锁紧螺母 [国际]
ISO 10512 - 2025
细牙六角尼龙锁紧螺母
Prevailing Torque Hexagon Nuts - Regular Nuts (with non-metallic insert), with Fine Pitch Thread
供应商(1)
15 非金属嵌件六角锁紧螺母 [国际]
ISO 7040 - 2025
非金属嵌件六角锁紧螺母
Prevailing Torque Hexagon Regular Nuts (with Non-Metallic Insert)
供应商(5)
16 非金属嵌件六角锁紧薄螺母 [国际]
ISO 10511 - 2012
非金属嵌件六角锁紧薄螺母
Prevailing Torque Type Hexagon Thin Nuts (with Non-Metallic Insert)
供应商(1)
17 非金属嵌件六角锁紧螺母 细牙 性能等级:6、8、10级 [国际]
ISO 10512 - 2012
非金属嵌件六角锁紧螺母 细牙 性能等级:6、8、10级
Prevailing Torque Type Hexagon Regular Nuts (With Non-Metallic Insert) with Metric Fine Pitch Thread - Property Classes 6,8 and 10
供应商(1)
18 1型 非金属嵌件六角锁紧螺母 性能等级:5、8、10级 [国际]
ISO 7040 - 2012
1型 非金属嵌件六角锁紧螺母 性能等级:5、8、10级
Prevailing Torque Type Hexagon Regular Nuts (with Non-Metallic Insert) - Property Classes 5, 8 and 10
供应商(5)
19 六角尼龙锁紧薄螺母 [国际]
ISO 10511 - 1997
六角尼龙锁紧薄螺母
Prevailing Torque Type Hexagon Thin Nuts (with non-metallic insert)
供应商(1)
20 1型细牙六角尼龙锁紧螺母 6级、8级、10级 [国际]
ISO 10512 - 1997
1型细牙六角尼龙锁紧螺母 6级、8级、10级
Prevailing Torque Type Hexagon Nuts (with non-metallic insert), Style 1, with Metric Fine Pitch Thread - Property Classes 6, 8 and 10
供应商(1)
21 1型六角尼龙锁紧螺母  5、8、10级 [国际]
ISO 7040 - 1997
1型六角尼龙锁紧螺母 5、8、10级
Prevailing Torque Type Hexagon Nuts (with non-metallic insert), Style 1 - Property Classes 5,8 and 10
供应商(5)
22 2型非金属嵌件六角锁紧螺母 9和12级 [国际]
ISO 7041 - 2012
2型非金属嵌件六角锁紧螺母 9和12级
Prevailing Torque Type Hexagon Nuts(with Non-metallic Insert),style 2,classes 9 And 12
23 2型 非金属嵌件六角锁紧螺母 性能等级:9和12级 [国际]
ISO 7041 - 2002
2型 非金属嵌件六角锁紧螺母 性能等级:9和12级
Prevailing Torque Type Hexagon Nuts (with Non-Metallic Insert), Style 2 - Property Classes 9 and 12
24 六角尼龙锁紧螺母 [国际]
ISO 7041 - 1997
六角尼龙锁紧螺母
Prevailing Torque Type Hexagon Nuts with Non-metallic Insert
25 1型非金属嵌件六角锁紧螺母 [表1.1] [日标]
JIS B 1199-1 (ISO 7040) - 2001
1型非金属嵌件六角锁紧螺母 [表1.1]
Prevailing Torque Type Nut - Hexagon Nuts with Non-Metallic Insert, Style 1
26 1型非金属嵌件六角锁紧螺,细牙 [表2.1] [日标]
JIS B 1199-1 (ISO 10512) - 2001
1型非金属嵌件六角锁紧螺,细牙 [表2.1]
Prevailing Torque Type Nut - Hexagon Nuts with Non-Metallic Insert, Style 1 - Fine Thread
27 2型非金属嵌件六角锁紧螺母 [表3.1] [日标]
JIS B 1199-1 (ISO 7041) - 2001
2型非金属嵌件六角锁紧螺母 [表3.1]
Prevailing Torque Type Nut - Hexagon Nuts with Non-metallic Insert, Style 2
28 六角非金属嵌件锁紧薄螺母 [表4.1] [日标]
JIS B 1199-1 (ISO 10511) - 2001
六角非金属嵌件锁紧薄螺母 [表4.1]
Prevailing Torque Type Nut - Hexagon Nuts with Non-metallic Insert, Low Type
29 2型非金属嵌件六角锁紧螺母 [汽标代号]
Q 326
2型非金属嵌件六角锁紧螺母
Prevailing Torque Type Hexagon Nylon Nuts (with non-metallic insert) - Style 2
供应商(1)
30 1型非金属嵌件六角锁紧螺母 [汽标代号]
Q 328
1型非金属嵌件六角锁紧螺母
Prevailing Torque Type Hexagon Nuts (with non-metallic insert), Style 1
供应商(1)
31 细牙1型六角尼龙锁紧螺母 [汽标代号]
Q 329
细牙1型六角尼龙锁紧螺母

供应商(1)
32 米制,非金属嵌件,六角锁紧螺母 [Table 1] [美标]
ASME/ANSI B 18.16.3M (hex/non-metal) - 1998
米制,非金属嵌件,六角锁紧螺母 [Table 1]
Metric Non-metallic Prevailing-Torque Hex Nuts - Property Classes 5, 9 and 10 [Table 1]
33 非金属嵌件六角锁紧螺母 [意大利]
UNI 7473 - 1975
非金属嵌件六角锁紧螺母
Prevailing Torque Type Hexagon Nuts with Polyamide Ring-ISO Metric Coarse and Fine Thread - Product Grade A
34 非金属嵌件六角锁紧薄螺母 [意大利]
UNI 7474 - 1975
非金属嵌件六角锁紧薄螺母
Prevailing Torque-Type Hexagon Lock Nuts with Polyamide Ring-ISO Metric Coarse and Fine Thread - Product Grade A
35 1型非金属嵌件六角锁紧螺母--性能等级5、8和10级 [法国]
NF E 25-409 - 1997 (R2002)
1型非金属嵌件六角锁紧螺母--性能等级5、8和10级
Prevailing Torque Type Hexagon Nuts,(With Non-Metallic Insert) Style 1. Property Classes 5, 8 and 10
36 非金属嵌件六角锁紧薄螺母 [法国]
NF E 25-412 - 1997 (R2002)
非金属嵌件六角锁紧薄螺母
Prevailing Torque Type Hexagon Thin Nuts (With Non-Metallic Insert)
37 1型非金属嵌件六角锁紧螺母-细牙 [法国]
NF E 25-421 - 1997 (R2002)
1型非金属嵌件六角锁紧螺母-细牙
Prevailing Torque Type Hexagon Nuts(With Non-Metallic Insert), Style 1, with Metric Fine Pitch Thread - Property Classes 6, 8 and 10
38 2型非金属嵌件六角锁紧螺母-细牙 [法国]
NF E 25-422 - 1997 (R2002)
2型非金属嵌件六角锁紧螺母-细牙
Prevailing Torque Type Hexagon Thin Nuts(With Non-Metallic Insert), Style2, with Metric Fine Pitch Thread - Property Classes 8, 10 and 12
39 米制六角锁紧螺母 [英标]
BS 4929-1 - 1973
米制六角锁紧螺母
Metric Series Prevailing-Torque Type Nuts
40 美制六角锁紧螺母 [英标]
BS 4929-2 - 1973
美制六角锁紧螺母
Unified Inch Series Steel Hexagon Prevailing-Toyque Type Nuts
41 5、8、10和12级 2型 扭矩式六角防松螺母 [台湾]
CNS 4230 - 2000
5、8、10和12级 2型 扭矩式六角防松螺母
Prevailing Torque Type Hexagon Nuts,style 2 - Grade,5,8,10,12
42 5、8和10级 1型 扭矩式六角防松螺母 [台湾]
CNS 4230 - 2000
5、8和10级 1型 扭矩式六角防松螺母
Prevailing Torque Type Hexagon Nuts, style 1 - Grade,5,8,10
43 9级 扭矩式六角防松螺母 [台湾]
CNS 4230 - 2000
9级 扭矩式六角防松螺母
Prevailing Torque Type Hexagon Nuts, - Grade 9
44 非金属嵌件 六角锁紧厚螺母 9级和12级 [台湾]
CNS 4313 - 2000
非金属嵌件 六角锁紧厚螺母 9级和12级
Prevailing Torque Type Hexagon Nuts,Heavy Type
45 非金属嵌件 六角锁紧螺母  5、8、10级 [台湾]
CNS 4314 - 2000
非金属嵌件 六角锁紧螺母 5、8、10级
Self-Locking Hexagon Nuts, Thin Type
46 非金属嵌件六角锁紧螺母 1型,5、8、10级 [韩标]
KS B 1044 - 1998 (R2018)
非金属嵌件六角锁紧螺母 1型,5、8、10级
Prevailing Torque Type Hexagon Nuts(With Non-Metallic Insert), Style 1 - Property classes 5,8 and 10
47 2型非金属嵌件六角锁紧螺母 9和12级 [韩标]
KS B 1044 - 1998 (2018)
2型非金属嵌件六角锁紧螺母 9和12级
Prevailing Torque Type Hexagon Nuts (with Non-metallic Insert), Style 2, Classes 9 and 12
48 1型六角尼龙锁紧螺母 5、8、10级 [德标]
DIN EN ISO 7040 - 2013
1型六角尼龙锁紧螺母 5、8、10级
Prevailing Torque Type Hexagon Regular Nuts(With Non-Metallic Insert)-Property Classes 5,8 And 10
供应商(10)
49 六角尼龙锁紧薄螺母 [德标]
DIN EN ISO 10511 - 2012
六角尼龙锁紧薄螺母
Prevailing Torque Type Hexagon Thin Nuts (with Non-metallic Insert)
50 1型六角尼龙锁紧螺母 5、8、10级 [印标]
IS 7002 - 2005
1型六角尼龙锁紧螺母 5、8、10级
Prevailing Torque Type Hexagon Nuts (with Non-metallic Insert), Style 1 - Property Classes 5, 8 and 10
51 NTE型六角尼龙嵌入防松薄螺母 [Table 4] [美标]
ASME B 18.16.6 (NTE) - 2017
NTE型六角尼龙嵌入防松薄螺母 [Table 4]
Style NTE Nylon Insert Locknut
供应商(2)
52 NE型六角尼龙嵌入防松螺母 [Table 3] [美标]
ASME B 18.16.6 (NE) - 2017
NE型六角尼龙嵌入防松螺母 [Table 3]
Style NE Nylon Insert Locknut
供应商(5)
53 尼龙锁紧螺母 (英制) [美标]
ASME B 18.16.6 - 2008
尼龙锁紧螺母 (英制)
Nylon Insert Locknuts (Inch Series)
供应商(5)
54 NTM型六角尼龙嵌入防松螺母 [Table 8] [美标]
ASME B 18.16.6 (NTM) - 2017
NTM型六角尼龙嵌入防松螺母 [Table 8]
Style NTM Nylon Insert Locknut
55 NM型六角尼龙嵌入防松螺母 [Table 7] [美标]
ASME B 18.16.6 (NM) - 2017
NM型六角尼龙嵌入防松螺母 [Table 7]
Style NM Nylon Insert Locknut
56 NTU型六角尼龙嵌入防松加厚薄螺母 [Table 6] [美标]
ASME B 18.16.6 (NTU) - 2017
NTU型六角尼龙嵌入防松加厚薄螺母 [Table 6]
Style NTU Nylon Insert Locknut
57 NU型六角尼龙嵌入防松厚螺母 [Table 5] [美标]
ASME B 18.16.6 (NU) - 2017
NU型六角尼龙嵌入防松厚螺母 [Table 5]
Style NU Nylon Insert Locknut
58 米制,非金属嵌件,六角锁紧螺母  [Table 1] (F563M, F836M, F467M) [美标]
ASME B 18.16M (hex/non-metal) - 2004
米制,非金属嵌件,六角锁紧螺母 [Table 1] (F563M, F836M, F467M)
Metric Non-metallic Prevailing-Torque Hex Nuts - Property Classes 5,9 and 10 [Table 1] (F563M, F836M, F467M)
59 米制,非金属嵌件,六角锁紧螺母 [Table 1] (F563M, F836M, F467M) [美标]
ASME B 18.16M (hex/non-metal) - 2004 (R2016)
米制,非金属嵌件,六角锁紧螺母 [Table 1] (F563M, F836M, F467M)
Metric Non-metallic Prevailing-Torque Hex Nuts - Property Classes 5,9 and 10 [Table 1] (F563M, F836M, F467M)
60 尼龙圈自锁螺母 碳钢六角螺母 [航天]
QJ 3078.2 - 1998
尼龙圈自锁螺母 碳钢六角螺母

61 尼龙圈自锁螺母 合金钢六角螺母 [航天]
QJ 3078.3 - 1998
尼龙圈自锁螺母 合金钢六角螺母

62 尼龙圈自锁螺母 不锈钢六角螺母 [航天]
QJ 3078.4 - 1998
尼龙圈自锁螺母 不锈钢六角螺母

63 尼龙圈自锁螺母 薄型六角螺母 [航天]
QJ 3078.5 - 1998
尼龙圈自锁螺母 薄型六角螺母

64 非金属嵌件六角锁紧螺母 [航天]
QJ 2393 - 1992
非金属嵌件六角锁紧螺母
Prevailing Torque Type Hexagon Nuts(with non-metallic insert)
65 刮板输送机紧固件 非金属嵌件六角锁紧螺母 [煤炭行业标准]
MT 187.8 - 1991
刮板输送机紧固件 非金属嵌件六角锁紧螺母
Prevailing Torque Type Hexagon Nuts(With Non-Metallic Insert)
标准编号: GB /T 6182 - 2016
中文名称: 2型非金属嵌件六角锁紧螺母
英文名称: Prevailing Torque Type Hexagon Nuts(With Non-Metallic Insert),Style 2
数据来源: 易紧通 (164580.com)
Standard Code: GB /T 6182 - 2016Chinese Name: 2型非金属嵌件六角锁紧螺母English Name: Prevailing Torque Type Hexagon Nuts(With Non-Metallic Insert),Style 2Source: https://www.164580.com/info_77826.html
Data Source: YJT Fastener Database (164580.com)
Standard: GB /T 6182 - 2016
URL: https://www.164580.com/info_77826.html
License: Commercial use requires authorization
© 易紧通 服务热线:4006-164580(免长途费)