index
logo

管法兰连接用大六角螺母(配合螺柱使用) GB /T 9125 - 2010

选择规格尺寸 点击↓

M12

(M14)

M16

M20

M24

(M27)

M30

(M33)

M36

(M39)

M42

(M45)

M48

(M52)

M56

M64

M72

M76

M80

M90

括号内尺寸为非优选

尺寸单位: mm
国标GB /T9125 - 2010 GB9125 9125GB 管法兰连接用大六角螺母(配合螺柱使用)
GB /T 9125 - 2010 管法兰连接用大六角螺母(配合螺柱使用)
扫一扫分享
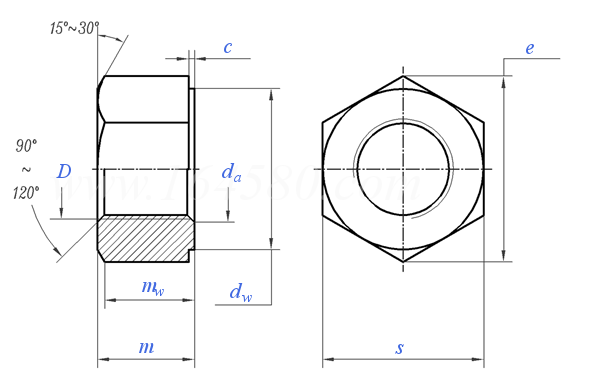
螺纹规格
D
M12 (M14) M16 M20 M24 (M27) M30 (M33) M36 (M39)
P 粗牙
细牙
da 最大值
最小值
dw 最小值
e 最小值
m 最大值
最小值
mw 最小值
c 最大值
最小值
s 最大值
最小值
1.75 2 2 2.5 3 3 3.5 3.5 / /
/ / / / / / / / 3 3
13 15.1 17.3 21.6 25.9 29.1 32.4 35.6 38.9 42.1
12 14 16 20 24 27 30 33 36 39
19.2 21.1 24.9 31.4 38 42.8 46.5 50.8 55.8 60.1
22.78 25.94 29.56 37.29 45.2 50.85 55.37 60.26 65.86 70.67
12.3 14.3 17.1 20.7 24.2 27.6 30.7 33.5 36.5 39.5
11.87 13.6 16.4 19.4 22.9 26.3 29.1 31.9 34.9 37.9
8.3 9.5 11.5 13.6 16 18.4 20.4 22.3 24.4 26.5
0.8 0.8 0.8 0.8 0.8 0.8 0.8 0.8 0.8 0.8
0.4 0.4 0.4 0.4 0.4 0.4 0.4 0.4 0.4 0.4
21 24 27 34 41 46 50 55 60 65
20.16 23.16 26.16 33 40 45 49 53.8 58.8 63.1
螺纹规格
D
M42 (M45) M48 (M52) M56 M64 M72 M76 M80 M90
P 粗牙
细牙
da 最大值
最小值
dw 最小值
e 最小值
m 最大值
最小值
mw 最小值
c 最大值
最小值
s 最大值
最小值
/ / / / / / / / / /
3 3 3 3 3 3 3 3 3 3
45.4 48.6 51.8 56.2 60.5 69.1 77.8 82.1 86.1 97.2
42 45 48 52 56 64 72 76 80 90
60.1 65.1 70.1 75.1 79.3 89.3 99.7 104.5 110.1 123.5
70.67 76.27 81.87 87.47 92.74 103.94 115.14 120.74 126.45 142.8
42.5 45.5 48.5 52.5 56.5 64.5 72.5 76.5 80.5 90.5
40.9 43.9 46.9 50.6 54.6 62.6 70.6 74.6 78.6 88.3
28.6 30.7 32.8 35.4 38.2 43.8 49.2 52.2 55 61.8
1 1 1 1 1 1 1.5 1.5 1.5 1.5
0.5 0.5 0.5 0.5 0.5 0.5 0.8 0.8 0.8 0.8
65 70 75 80 85 95 105 110 115 130
63.1 68.1 73.1 78.1 82.8 92.8 102.8 107.8 113.6 127.5
替代列表

技术条件和引用标准

型式
螺纹规格
材料牌号
-
说明
大六角螺母(专用紧固件)
M12 、M14 、M16 、M20 、M24、M27、M30 、M33、
M36*3 、M39*3 、M42*3 、M45*3 、M48*3 、M52*3
M56*3 、M64*3 、M72*3 、M76*3 、M80*3 、M90*3
35 、45
30CrMoA
35CrMoA
42CrMoA
06Cr19Ni10
06Cr17Ni12Mo2
螺纹的基本尺寸应符合GB/T 196 的规定,其公差应符合GB/T 197 中6H 的规定。
其他技术要求应符合GB/T 6170的规定。
①根据供需双方协议, M52*3~M90*3 的螺母也可以采用4mm 螺距。
注:技术数据仅供参考,请以官方原件为准!
类似标准及供货信息
1 钢结构用高强度大六角螺母 [国标]
GB /T 1231 (nut) - 2024
钢结构用高强度大六角螺母
High Strength Large Hexgon Nuts for Steel Structures
供应商(6)
2 腰状杆螺柱连接副 螺母G型 [国标]
GB /T 13807.3 (G) - 2008
腰状杆螺柱连接副 螺母G型
Connections with Waisted Stud - Nuts Type G
供应商(1)
3 钢结构用扭剪型高强度螺栓用螺母 [国标]
GB /T 3632 (W) - 2008
钢结构用扭剪型高强度螺栓用螺母
Torshear Type Hexagon Nut for Steel Structures
供应商(1)
4 钢结构用高强度大六角螺母 [国标]
GB /T 1229 - 2006
钢结构用高强度大六角螺母
High Strength Large Hexgon Nuts for Steel Structures
供应商(6)
5 钢结构用扭剪型高强度螺母 [国标]
GB /T 3632 (H) - 1995
钢结构用扭剪型高强度螺母
Torshear Type High Strength Nut for Steel Structures
供应商(1)
6 腰状杆螺柱连接副 螺母 G型 [国标]
GB /T 13807.3 (G) - 1992
腰状杆螺柱连接副 螺母 G型
Connections with Waisted Stud - Nuts - Type G
供应商(1)
7 钢结构用高强度大六角螺母 [国标]
GB /T 1229 - 1991
钢结构用高强度大六角螺母
High Strength Large Hexagon Nuts for Steel Structure
供应商(6)
8 预载荷高强度栓接结构连接副:螺母连接副 [国标]
GB /T 32076.8 - 2017
预载荷高强度栓接结构连接副:螺母连接副
High-Strength Structural Bolting Assemblies for Preloading - Nut Assemblies
9 扭剪型高强度螺栓用螺母 [国标]
GB /T 32076.9 - 2017
扭剪型高强度螺栓用螺母
Sets of Torshear Type High Strength Bolt Hexagon Nuts
10 钢结构高强度锚固用六角螺母 [国标]
GB /T 33943 - 2017
钢结构高强度锚固用六角螺母
Hexagon Nuts for High Strength Anchoring of Steel Structures
11 带孔大六角螺母(套筒) [国标]
GB /T 16939 - 2016
带孔大六角螺母(套筒)
Large Hexagon Nuts with Hole
12 预载荷高强度栓接结构连接副 第3部分:HR型 大六角螺母 [国标]
GB /T 32076.3 - 2015
预载荷高强度栓接结构连接副 第3部分:HR型 大六角螺母
High-Strength Structural Bolting Assemblies for Preloading-Part 3:System HR - High Strength Large Hexagon Nuts
13 预载荷高强度栓接结构连接副 第4部分:HV型 大六角螺母 [国标]
GB /T 32076.4 - 2015
预载荷高强度栓接结构连接副 第4部分:HV型 大六角螺母
System HV—High Strength Large Hexagon Nuts
14 预载荷高强度栓接结构连接副 第7部分:HV型 大六角螺母M39~M64 [国标]
GB /T 32076.7 - 2015
预载荷高强度栓接结构连接副 第7部分:HV型 大六角螺母M39~M64
System HV—High Strength Large Hexagon Nuts M39~m64
15 腰状杆螺柱连接副 螺母P型 [国标]
GB /T 13807.3 (P) - 2008
腰状杆螺柱连接副 螺母P型
Connections with Waisted Stud - Nuts Type P
16 腰状杆螺柱连接副 螺母 CG和CP型 [国标]
GB /T 13807.3 (CG/CP) - 2008
腰状杆螺柱连接副 螺母 CG和CP型
Connections with Waisted Stud - Nuts Type CG and CP
17 管法兰连接用大六角螺母(配合螺柱使用) [国标]
GB /T 9125 - 2003
管法兰连接用大六角螺母(配合螺柱使用)
Large Hexagon Nut for Pipe Flange Connection
18 栓接结构用大六角螺母 B级 8和10级 [国标]
GB /T 18230.3 - 2000
栓接结构用大六角螺母 B级 8和10级
Large Hex Nuts for Structural Bolting with Large Width Across Flats - Product Grade B - Property Classes 8 and 10
19 栓接结构用1型大六角螺母 B级 10级 [国标]
GB /T 18230.4 - 2000
栓接结构用1型大六角螺母 B级 10级
Large Hex Nuts for Structural Bolting with Large Width Across Flats, Stype 1 - Product Grade B - Property Class 10
20 栓接结构用1型六角螺母 热浸镀锌 (加大攻丝尺寸) 5、6和8级 [国标]
GB /T 18230.6 - 2000
栓接结构用1型六角螺母 热浸镀锌 (加大攻丝尺寸) 5、6和8级
Hexagon Nuts for Structural Bolting, Style 1, Hot-dip Galvanized (Oversize Tapped) - Product Grades A and B - Property Classes 5, 6 and 8
21 栓接结构用2型六角螺母(加热镀锌、加大攻丝尺寸)A级 9级 [国标]
GB /T 18230.7 - 2000
栓接结构用2型六角螺母(加热镀锌、加大攻丝尺寸)A级 9级
Hex Nuts for Structural Bolting with Large Width Across Flats Heating Galvanized (Oversize Tapped) - Product Grade A - Property Class 9
22 带孔大六角螺母(套筒) [国标]
GB /T 16939 - 1997
带孔大六角螺母(套筒)
Large Hexagon Nuts with Hole
23 钢轨用高强度接头 螺母 [国标]
GB 5098 - 1985
钢轨用高强度接头 螺母
High Strength Joint Nut for Railway
24 钢结构栓连接用高强度大六角螺母 [德标]
DIN 6915 - 1999
钢结构栓连接用高强度大六角螺母
High-Strength Hexagon Nuts with Large Widths Across Flats for Structural Steel Bolting
供应商(5)
25 钢结构栓连接用高强度大六角螺母 [德标]
DIN 6915 - 1989
钢结构栓连接用高强度大六角螺母
High-strength Hexagon Nuts with Large Widths Across Flats for Structural Steel Bolting
供应商(5)
26 六角带孔加强杆用螺母 [德标]
DIN 2510-6 - 2013
六角带孔加强杆用螺母
Bolted Connections With Waisted Shank - Cap Nuts
27 六角带孔加强杆用螺母 [德标]
DIN 2510-6 - 1974
六角带孔加强杆用螺母
Bolted Connections with Waisted Shank - Cap Nuts
28 六角缩颈螺母, NF型 / TF型 [德标]
DIN 2510-5 (NF / TF) - 1971
六角缩颈螺母, NF型 / TF型
Bolted Connections with Reduced Shank Hexagon Nuts
29 钢结构用高强度大六角螺母 [德标]
DIN 6195
钢结构用高强度大六角螺母
Steel Hex Nuts with Large Width Across Flats for High-strength Structural Bolting
30 高强度钢结构栓接用 - B级 - 大六角螺母(大对边)-  8、10级 [国际]
ISO 4775 - 1984
高强度钢结构栓接用 - B级 - 大六角螺母(大对边)- 8、10级
Hexagon Nuts for High-Strength Structural Boltinig with Large Width Across Flats - Product Grades B - Property Classes 8 and 10
31 栓接结构用 - 1型六角螺母 - 热浸镀锌(加大攻丝尺寸)- A和B级 - 5、6和8级 [国际]
ISO 7413 - 1984
栓接结构用 - 1型六角螺母 - 热浸镀锌(加大攻丝尺寸)- A和B级 - 5、6和8级
Hexagon Nuts for Structural Bolting, Style 1, Hot-dip Galvanized(Oversize Tapped) - Product Grades A And B - Property Classes 5,6 and 8
32 栓接结构用 - 1型大六角螺母 - 产品等级B级 - 性能等级10级 [国际]
ISO 7414 - 1984
栓接结构用 - 1型大六角螺母 - 产品等级B级 - 性能等级10级
Hexagon Nuts for Structural Bolting with Large Width Across Flats, Style 1 - Product Grade B
33 栓接结构用 - 2型六角螺母 - 热浸镀锌(加大攻丝尺寸) - 产品等级A级 - 性能等级9级 [国际]
ISO 7417 - 1984
栓接结构用 - 2型六角螺母 - 热浸镀锌(加大攻丝尺寸) - 产品等级A级 - 性能等级9级
Hexagon Nuts for Structural Bolting - Style 2, Hot-Dip Galvanized(Oversize Tapped) - Product Grade A - Property Class 9
34 高强度连接用六角螺母 [日标]
JIS B 1186 (T8) - 2013
高强度连接用六角螺母
High Strength Hexagon Nuts for Friction Grip Joints
35 鱼尾板螺栓用六角螺母 [日标]
JIS E 1107 - 2008
鱼尾板螺栓用六角螺母
Hex Nut for Fish Plate Bolts
36 高强度连接用六角螺母 [日标]
JIS B 1186 - 1995
高强度连接用六角螺母
High Strength Hexagon Nuts for Friction Grip Joints
37 履带式推土机 履带和齿块用螺母 [机械行业]
JB /T 11010 - 2010
履带式推土机 履带和齿块用螺母
Crawler Dozer-Nuts for Track Shoe and Sprocket Segment
38 防松螺栓连接副 六角螺母 [机械行业]
JB /T 9150 - 1999
防松螺栓连接副 六角螺母
Preventing Loose Bolt Connecting Assembly-Hex Nut
39 重型六角平螺母和重型薄六角平螺母   [Table 9] [美标]
ASME/ANSI B 18.2.2 (T9) - 2010
重型六角平螺母和重型薄六角平螺母 [Table 9]
Heavy Hex Flat Nuts and Heavy Hex Flat Jam Nuts [Table 9]
供应商(2)
40 重型六角螺母和重型薄六角平螺母   [Table 10] [美标]
ASME/ANSI B 18.2.2 (T10) - 2010
重型六角螺母和重型薄六角平螺母 [Table 10]
Heavy Hex Nuts and Heavy Hex Jam Nuts [Table 10]
供应商(7)
41 重型六角螺母 [Table 9] [美标]
ASME/ANSI B 18.2.2 (T9) - 1987 (R1999)
重型六角螺母 [Table 9]
Heavy Hex Nuts [Table 9]
供应商(7)
42 预负载用高强度结构螺栓连接副,第3部分:HR系统 - 六角螺母 [欧标]
EN 14399-3 (Nut) - 2015
预负载用高强度结构螺栓连接副,第3部分:HR系统 - 六角螺母
High-strength Structural Bolting Assemblies for Preloading - Part 3: System HR - Hexagon Nuts
供应商(4)
43 预负载用高强度结构螺栓连接副,第4部分:HV系统 - 六角螺母 [欧标]
EN 14399-4 (Nut) - 2015
预负载用高强度结构螺栓连接副,第4部分:HV系统 - 六角螺母
High-strength Structural Bolting Assemblies for Preloading - Part 4: System HV - Hexagon Nuts
供应商(2)
44 预负载用高强度结构螺栓连接副,第4部分:HV系统 - 六角螺母 [欧标]
EN 14399-4 (Nut) - 2005
预负载用高强度结构螺栓连接副,第4部分:HV系统 - 六角螺母
High-strength Structural Bolting Assemblies for Preloading - Part 4: System HV - Hexagon Nuts
供应商(2)
45 预负载用高强度结构螺栓连接副,第10部分:HRC系统  - 六角普通螺母(HR) [欧标]
EN 14399-10 (HR) - 2018
预负载用高强度结构螺栓连接副,第10部分:HRC系统 - 六角普通螺母(HR)
High-Strength Structural Bolting Assemblies for Preloading - System HRC - Regular Nuts (HR)
46 预负载用高强度结构螺栓连接副,第10部分:HRC系统 - 六角螺母 m=1d (HRD) [欧标]
EN 14399-10 (HRD) - 2018
预负载用高强度结构螺栓连接副,第10部分:HRC系统 - 六角螺母 m=1d (HRD)
High-Strength Structural Bolting Assemblies for Preloading - System HRC - Nuts with m=1d (HRD)
47 预负载用高强度结构螺栓连接副,第7部分:HR系统 - 六角螺母 [欧标]
EN 14399-7 (Hexagon Nuts) - 2018
预负载用高强度结构螺栓连接副,第7部分:HR系统 - 六角螺母
High-Strength Structural Bolting Assemblies for Preloading - Part 7: System HR - Hexagon Nuts
48 预负载用高强度结构螺栓连接副,第8部分:HV系统 - 六角螺母 [欧标]
EN 14399-8 (Nut) - 2018
预负载用高强度结构螺栓连接副,第8部分:HV系统 - 六角螺母
High-Strength Structural Bolting Assemblies for Preloading - Part 8: System HV–Hexagon Fit Nuts
49 预负载用高强度结构螺栓连接组件,第7部分:HR系统 - 六角螺母 [欧标]
EN 14399-7 (Nut) - 2007
预负载用高强度结构螺栓连接组件,第7部分:HR系统 - 六角螺母
High-strength Structural Bolting Assemblies for Preloading - Part 7: System HR — Hexagon Nuts
50 预荷载高强度结构栓连接组合件 第8部分 HV系统 六角螺母 [欧标]
EN 14399-8 (Nut) - 2007
预荷载高强度结构栓连接组合件 第8部分 HV系统 六角螺母
High-Strength Structural Bolting Assemblies for Preloading - Part 8: System HV–Hexagon Fit Nuts
51 钢结构用高强度大六角螺母 [意大利]
UNI 5713 - 1975
钢结构用高强度大六角螺母
High-Strength Large Hexagon Nuts For Structural Bolting-ISO Metric Coarse Thread
52 I型六角螺母 [化工]
HG /T 20613 (GB6170) - 2009
I型六角螺母
Hexagon Nuts, Style 1
供应商(1)
53 I型六角细牙螺母 [化工]
HG /T 20613 (GB6171) - 2009
I型六角细牙螺母
Hexagon Nuts, Style 1, Fine Thread
供应商(2)
54 大六角螺母 [其它]
FZ 92011 - 1991
大六角螺母
Large Hex Nuts
55 米制高强度大六角螺母 Table 8 [英标]
BS 4395-1 - 1969
米制高强度大六角螺母 Table 8
Metric High Strength Large Hex Nuts
56 高强度六角螺母 [澳标]
AS /NZS 1252.1 - 2016
高强度六角螺母
High-Strength Steel Nuts
供应商(2)
57 米制高强度大六角螺母 [澳标]
AS /NZS 1252 - 1996
米制高强度大六角螺母
High-Strength Steel Nuts
供应商(2)
58 钢轨用接头螺栓和绝缘接头螺栓用10级六角螺母 [铁道部]
TB /T 2347 - 1993
钢轨用接头螺栓和绝缘接头螺栓用10级六角螺母

59 钢结构用高强度六角螺母 [台湾]
CNS 4236 - 2005
钢结构用高强度六角螺母
High Strength Hexagon Nuts for Steel Structure
60 热浸锌 大六角螺母 1型 10级 [台湾]
CNS 4237 - 2000
热浸锌 大六角螺母 1型 10级
Large Hexagon Nuts (Hot Dip Galvanized) - Style 1, Grade 10
61 摩擦结合用高强度六角螺母 [台湾]
CNS 11328 - 1985
摩擦结合用高强度六角螺母
High Strength Friction Grip Hexagon Nuts
62 钢结构用高强度六角螺母 [俄标]
GOST R 52645 - 2006
钢结构用高强度六角螺母
Hexagon Nuts for High-Strength Structural Bolting with Large Width Across Flats - Product Grade B - Property Classes 8 and 10
63 结构用高强度六角螺母 [韩标]
KS B 2819 - 2025
结构用高强度六角螺母
High Tension Hexagon Nut for Structural Joints
64 建筑机械与设备 高强度1型六角螺母 [建筑]
JG /T 5057.21 - 1995
建筑机械与设备 高强度1型六角螺母
Construction Machinery and Equipment - High Strength Hexagon Nuts, Style 1
65 建筑机械与设备 高强度2型六角螺母 [建筑]
JG /T 5057.22 - 1995
建筑机械与设备 高强度2型六角螺母
Construction Machinery and Equipment - High Strength Hexagon Nuts, Style 2
66 建筑机械与设备 高强度六角厚螺母 [建筑]
JG /T 5057.23 - 1995
建筑机械与设备 高强度六角厚螺母
Construction Machinery and Equipment - High Strength Hexagon Thick Nuts
67 建筑机械与设备 高强度六角薄螺母 [建筑]
JG /T 5057.24 - 1995
建筑机械与设备 高强度六角薄螺母
Construction Machinery and Equipment - High Strength Hexagon Thin Nuts
68 建筑机械与设备 高强度大六角螺母 [建筑]
JG /T 5057.25 - 1995
建筑机械与设备 高强度大六角螺母
Construction Machinery and Equipment - High Strength Large Hexagon Nuts
69 建筑机械与设备 高强度细牙1型六角螺母 [建筑]
JG /T 5057.26 - 1995
建筑机械与设备 高强度细牙1型六角螺母
Construction Machinery and Equipment - High Strength Hexagon Nuts, Style 1 - Fine Pitch Thread
70 建筑机械与设备 高强度细牙2型六角螺母 [建筑]
JG /T 5057.27 - 1995
建筑机械与设备 高强度细牙2型六角螺母
Construction Machinery and Equipment - High Strength Hexagon Nuts, Style 2 - Fine Pitch Threa
71 建筑机械与设备 高强度细牙六角薄螺母 [建筑]
JG /T 5057.28 - 1995
建筑机械与设备 高强度细牙六角薄螺母
Construction Machinery and Equipment - High Strength Hexagon Thin Nuts - Fine Pitch Thread
72 预负载用高强度结构螺栓连接副,第4部分:HV系统 - 六角螺母 [德标]
DIN EN 14399-4 (Nut) - 2015
预负载用高强度结构螺栓连接副,第4部分:HV系统 - 六角螺母
High-strength Structural Bolting Assemblies for Preloading - Part 4: System HV - Hexagon nuts
供应商(5)
73 高强度六角螺母 [印标]
IS 6623 - 2004
高强度六角螺母
High Strength Structural Nuts
74 重型六角平螺母和重型薄六角平螺母 [Table 10] (ASTM A563 / F594 / F467) [美标]
ASME B 18.2.2 (T10) - 2022
重型六角平螺母和重型薄六角平螺母 [Table 10] (ASTM A563 / F594 / F467)
Heavy Hex Flat Nuts and Heavy Hex Flat Jam Nuts [Table 10] (ASTM A563 / F594 / F467)
供应商(2)
75 重型六角螺母和重型薄六角平螺母 [Table 11] [美标]
ASME B 18.2.2 (T11) - 2022
重型六角螺母和重型薄六角平螺母 [Table 11]
Heavy Hex Nuts and Heavy Hex Jam Nuts [Table 11]
供应商(7)
76 重型六角平螺母和重型薄六角平螺母 [Table 9]  (ASTM A563 / F594 / F467) [美标]
ASME B 18.2.2 (T9) - 2015
重型六角平螺母和重型薄六角平螺母 [Table 9] (ASTM A563 / F594 / F467)
Heavy Hex Flat Nuts and Heavy Hex Flat Jam Nuts [Table 9] (ASTM A563 / F594 / F467)
供应商(2)
77 重型六角螺母和重型薄六角平螺母  [Table 10] [美标]
ASME B 18.2.2 (T10) - 2015
重型六角螺母和重型薄六角平螺母 [Table 10]
Heavy Hex Nuts and Heavy Hex Jam Nuts [Table 10]
供应商(7)
78 米制重型六角螺母 [Table 3] (ASTM A563M) [美标]
ASME B 18.2.6M - 2012
米制重型六角螺母 [Table 3] (ASTM A563M)
Metric Heavy Hex Nuts for Use with Structural Bolts (ASTM A563M)
供应商(2)
79 米制大六角螺母(A194M,A563M,F836M,F467M) [美标]
ASME B 18.2.4.6M - 2010
米制大六角螺母(A194M,A563M,F836M,F467M)
Metric Heavy Hex Nuts(A194M,A563M,F836M,F467M)
供应商(2)
80 结构螺栓用大六角螺母 (ASTM A563 / A194 / A194M) [美标]
ASME B 18.2.6 - 2019
结构螺栓用大六角螺母 (ASTM A563 / A194 / A194M)
Heavy Hex Nuts for Use With Structural Bolts (ASTM A563 / A194 / A194M)
81 结构螺栓用大六角螺母 (ASTM A 563  / ASTM A 194) [Table 3] [美标]
ASME B 18.2.6 - 2010
结构螺栓用大六角螺母 (ASTM A 563 / ASTM A 194) [Table 3]
Heavy Hex Nuts for Use with Structural Bolts (ASTM A 563 / ASTM A 194)
82 钢结构用六角螺母 (ASTM A 563 / ASTM A 194) [Table3] [美标]
ASME B 18.2.6 - 2006
钢结构用六角螺母 (ASTM A 563 / ASTM A 194) [Table3]
Heavy Hex Nuts for use with Structual Bolts (ASTM A 563 / ASTM A 194)
83 结构连接用六角高强螺母 [日标]
JSS II 09 (-2) - 1996
结构连接用六角高强螺母
Hexagonal High-strength Nut for Structural Connection
84 热镀锌紧固件 - DIN 6914, DIN 6915, DIN 6916 六角螺母(M39~M64) [德国钢结构委员会]
DASt 021 - 2006
热镀锌紧固件 - DIN 6914, DIN 6915, DIN 6916 六角螺母(M39~M64)
Hexagon Nuts Connections Made of Hot-dip Galvanized Sets M39 to M64 Accordingly DIN 6914, DIN 6915, DIN 6916
供应商(1)
标准编号: GB /T 9125 - 2010
中文名称: 管法兰连接用大六角螺母(配合螺柱使用)
英文名称: Large Hexagon Nut for Pipe Flange Connection
数据来源: 易紧通 (164580.com)
Standard Code: GB /T 9125 - 2010Chinese Name: 管法兰连接用大六角螺母(配合螺柱使用)English Name: Large Hexagon Nut for Pipe Flange ConnectionSource: https://www.164580.com/info_68629.html
Data Source: YJT Fastener Database (164580.com)
Standard: GB /T 9125 - 2010
URL: https://www.164580.com/info_68629.html
License: Commercial use requires authorization
© 易紧通 服务热线:4006-164580(免长途费)