index
logo

米制高强度大六角螺母 Table 8 BS 4395-1 - 1969

选择规格尺寸 点击↓

(M12)

M16

M20

M22

M24

M27

M30

M36

括号内尺寸为非优选
BS  4395-1 - 1969 米制高强度大六角螺母 Table 8

尺寸单位: 毫米(mm)
英标BS 4395-1 - 1969 BS4395-1 4395-1BS 米制高强度大六角螺母 Table 8
BS  4395-1 - 1969 米制高强度大六角螺母 Table 8
扫一扫分享
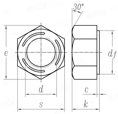
螺纹尺寸
d
(M12) M16 M20 M22 M24 M27 M30 M36
P 螺距
s 最大值
最小值
e 最大值
最小值
df 最大值
最小值
c 最大值
k 最大值
最小值
1.75 2 2.5 2.5 3 3 3.5 4
22 27 32 36 41 46 50 60
21.16 26.16 31 35 40 45 49 58.8
25.40 31.20 36.90 41.60 47.30 53.10 57.70 69.30
23.82 29.30 35.03 39.55 45.20 50.85 55.37 66.44
22.00 27.00 32.00 36.00 41.00 46.00 50.00 60.00
19.91 24.91 29.75 33.75 38.75 43.75 47.75 57.75
0.4 0.4 0.4 0.4 0.5 0.5 0.5 0.5
11.55 15.55 18.55 19.65 22.65 24.65 26.65 31.80
10.45 14.45 17.45 18.35 21.35 23.35 25.35 30.20
注:技术数据仅供参考,请以官方原件为准!
类似标准及供货信息
1 钢结构用高强度大六角螺母 [国标]
GB /T 1231 (nut) - 2024
钢结构用高强度大六角螺母
High Strength Large Hexgon Nuts for Steel Structures
供应商(6)
2 腰状杆螺柱连接副 螺母G型 [国标]
GB /T 13807.3 (G) - 2008
腰状杆螺柱连接副 螺母G型
Connections with Waisted Stud - Nuts Type G
供应商(1)
3 钢结构用扭剪型高强度螺栓用螺母 [国标]
GB /T 3632 (W) - 2008
钢结构用扭剪型高强度螺栓用螺母
Torshear Type Hexagon Nut for Steel Structures
供应商(1)
4 钢结构用高强度大六角螺母 [国标]
GB /T 1229 - 2006
钢结构用高强度大六角螺母
High Strength Large Hexgon Nuts for Steel Structures
供应商(6)
5 钢结构用扭剪型高强度螺母 [国标]
GB /T 3632 (H) - 1995
钢结构用扭剪型高强度螺母
Torshear Type High Strength Nut for Steel Structures
供应商(1)
6 腰状杆螺柱连接副 螺母 G型 [国标]
GB /T 13807.3 (G) - 1992
腰状杆螺柱连接副 螺母 G型
Connections with Waisted Stud - Nuts - Type G
供应商(1)
7 钢结构用高强度大六角螺母 [国标]
GB /T 1229 - 1991
钢结构用高强度大六角螺母
High Strength Large Hexagon Nuts for Steel Structure
供应商(6)
8 预载荷高强度栓接结构连接副:螺母连接副 [国标]
GB /T 32076.8 - 2017
预载荷高强度栓接结构连接副:螺母连接副
High-Strength Structural Bolting Assemblies for Preloading - Nut Assemblies
9 扭剪型高强度螺栓用螺母 [国标]
GB /T 32076.9 - 2017
扭剪型高强度螺栓用螺母
Sets of Torshear Type High Strength Bolt Hexagon Nuts
10 钢结构高强度锚固用六角螺母 [国标]
GB /T 33943 - 2017
钢结构高强度锚固用六角螺母
Hexagon Nuts for High Strength Anchoring of Steel Structures
11 带孔大六角螺母(套筒) [国标]
GB /T 16939 - 2016
带孔大六角螺母(套筒)
Large Hexagon Nuts with Hole
12 预载荷高强度栓接结构连接副 第3部分:HR型 大六角螺母 [国标]
GB /T 32076.3 - 2015
预载荷高强度栓接结构连接副 第3部分:HR型 大六角螺母
High-Strength Structural Bolting Assemblies for Preloading-Part 3:System HR - High Strength Large Hexagon Nuts
13 预载荷高强度栓接结构连接副 第4部分:HV型 大六角螺母 [国标]
GB /T 32076.4 - 2015
预载荷高强度栓接结构连接副 第4部分:HV型 大六角螺母
System HV—High Strength Large Hexagon Nuts
14 预载荷高强度栓接结构连接副 第7部分:HV型 大六角螺母M39~M64 [国标]
GB /T 32076.7 - 2015
预载荷高强度栓接结构连接副 第7部分:HV型 大六角螺母M39~M64
System HV—High Strength Large Hexagon Nuts M39~m64
15 管法兰连接用大六角螺母(配合螺柱使用) [国标]
GB /T 9125 - 2010
管法兰连接用大六角螺母(配合螺柱使用)
Large Hexagon Nut for Pipe Flange Connection
16 腰状杆螺柱连接副 螺母P型 [国标]
GB /T 13807.3 (P) - 2008
腰状杆螺柱连接副 螺母P型
Connections with Waisted Stud - Nuts Type P
17 腰状杆螺柱连接副 螺母 CG和CP型 [国标]
GB /T 13807.3 (CG/CP) - 2008
腰状杆螺柱连接副 螺母 CG和CP型
Connections with Waisted Stud - Nuts Type CG and CP
18 管法兰连接用大六角螺母(配合螺柱使用) [国标]
GB /T 9125 - 2003
管法兰连接用大六角螺母(配合螺柱使用)
Large Hexagon Nut for Pipe Flange Connection
19 栓接结构用大六角螺母 B级 8和10级 [国标]
GB /T 18230.3 - 2000
栓接结构用大六角螺母 B级 8和10级
Large Hex Nuts for Structural Bolting with Large Width Across Flats - Product Grade B - Property Classes 8 and 10
20 栓接结构用1型大六角螺母 B级 10级 [国标]
GB /T 18230.4 - 2000
栓接结构用1型大六角螺母 B级 10级
Large Hex Nuts for Structural Bolting with Large Width Across Flats, Stype 1 - Product Grade B - Property Class 10
21 栓接结构用1型六角螺母 热浸镀锌 (加大攻丝尺寸) 5、6和8级 [国标]
GB /T 18230.6 - 2000
栓接结构用1型六角螺母 热浸镀锌 (加大攻丝尺寸) 5、6和8级
Hexagon Nuts for Structural Bolting, Style 1, Hot-dip Galvanized (Oversize Tapped) - Product Grades A and B - Property Classes 5, 6 and 8
22 栓接结构用2型六角螺母(加热镀锌、加大攻丝尺寸)A级 9级 [国标]
GB /T 18230.7 - 2000
栓接结构用2型六角螺母(加热镀锌、加大攻丝尺寸)A级 9级
Hex Nuts for Structural Bolting with Large Width Across Flats Heating Galvanized (Oversize Tapped) - Product Grade A - Property Class 9
23 带孔大六角螺母(套筒) [国标]
GB /T 16939 - 1997
带孔大六角螺母(套筒)
Large Hexagon Nuts with Hole
24 钢轨用高强度接头 螺母 [国标]
GB 5098 - 1985
钢轨用高强度接头 螺母
High Strength Joint Nut for Railway
25 钢结构栓连接用高强度大六角螺母 [德标]
DIN 6915 - 1999
钢结构栓连接用高强度大六角螺母
High-Strength Hexagon Nuts with Large Widths Across Flats for Structural Steel Bolting
供应商(6)
26 钢结构栓连接用高强度大六角螺母 [德标]
DIN 6915 - 1989
钢结构栓连接用高强度大六角螺母
High-strength Hexagon Nuts with Large Widths Across Flats for Structural Steel Bolting
供应商(6)
27 六角带孔加强杆用螺母 [德标]
DIN 2510-6 - 2013
六角带孔加强杆用螺母
Bolted Connections With Waisted Shank - Cap Nuts
28 六角带孔加强杆用螺母 [德标]
DIN 2510-6 - 1974
六角带孔加强杆用螺母
Bolted Connections with Waisted Shank - Cap Nuts
29 六角缩颈螺母, NF型 / TF型 [德标]
DIN 2510-5 (NF / TF) - 1971
六角缩颈螺母, NF型 / TF型
Bolted Connections with Reduced Shank Hexagon Nuts
30 钢结构用高强度大六角螺母 [德标]
DIN 6195
钢结构用高强度大六角螺母
Steel Hex Nuts with Large Width Across Flats for High-strength Structural Bolting
31 高强度钢结构栓接用 - B级 - 大六角螺母(大对边)-  8、10级 [国际]
ISO 4775 - 1984
高强度钢结构栓接用 - B级 - 大六角螺母(大对边)- 8、10级
Hexagon Nuts for High-Strength Structural Boltinig with Large Width Across Flats - Product Grades B - Property Classes 8 and 10
32 栓接结构用 - 1型六角螺母 - 热浸镀锌(加大攻丝尺寸)- A和B级 - 5、6和8级 [国际]
ISO 7413 - 1984
栓接结构用 - 1型六角螺母 - 热浸镀锌(加大攻丝尺寸)- A和B级 - 5、6和8级
Hexagon Nuts for Structural Bolting, Style 1, Hot-dip Galvanized(Oversize Tapped) - Product Grades A And B - Property Classes 5,6 and 8
33 栓接结构用 - 1型大六角螺母 - 产品等级B级 - 性能等级10级 [国际]
ISO 7414 - 1984
栓接结构用 - 1型大六角螺母 - 产品等级B级 - 性能等级10级
Hexagon Nuts for Structural Bolting with Large Width Across Flats, Style 1 - Product Grade B
34 栓接结构用 - 2型六角螺母 - 热浸镀锌(加大攻丝尺寸) - 产品等级A级 - 性能等级9级 [国际]
ISO 7417 - 1984
栓接结构用 - 2型六角螺母 - 热浸镀锌(加大攻丝尺寸) - 产品等级A级 - 性能等级9级
Hexagon Nuts for Structural Bolting - Style 2, Hot-Dip Galvanized(Oversize Tapped) - Product Grade A - Property Class 9
35 高强度连接用六角螺母 [日标]
JIS B 1186 (T8) - 2013
高强度连接用六角螺母
High Strength Hexagon Nuts for Friction Grip Joints
36 鱼尾板螺栓用六角螺母 [日标]
JIS E 1107 - 2008
鱼尾板螺栓用六角螺母
Hex Nut for Fish Plate Bolts
37 高强度连接用六角螺母 [日标]
JIS B 1186 - 1995
高强度连接用六角螺母
High Strength Hexagon Nuts for Friction Grip Joints
38 履带式推土机 履带和齿块用螺母 [机械行业]
JB /T 11010 - 2010
履带式推土机 履带和齿块用螺母
Crawler Dozer-Nuts for Track Shoe and Sprocket Segment
39 防松螺栓连接副 六角螺母 [机械行业]
JB /T 9150 - 1999
防松螺栓连接副 六角螺母
Preventing Loose Bolt Connecting Assembly-Hex Nut
40 重型六角平螺母和重型薄六角平螺母   [Table 9] [美标]
ASME/ANSI B 18.2.2 (T9) - 2010
重型六角平螺母和重型薄六角平螺母 [Table 9]
Heavy Hex Flat Nuts and Heavy Hex Flat Jam Nuts [Table 9]
供应商(2)
41 重型六角螺母和重型薄六角平螺母   [Table 10] [美标]
ASME/ANSI B 18.2.2 (T10) - 2010
重型六角螺母和重型薄六角平螺母 [Table 10]
Heavy Hex Nuts and Heavy Hex Jam Nuts [Table 10]
供应商(7)
42 重型六角螺母 [Table 9] [美标]
ASME/ANSI B 18.2.2 (T9) - 1987 (R1999)
重型六角螺母 [Table 9]
Heavy Hex Nuts [Table 9]
供应商(7)
43 预负载用高强度结构螺栓连接副,第3部分:HR系统 - 六角螺母 [欧标]
EN 14399-3 (Nut) - 2015
预负载用高强度结构螺栓连接副,第3部分:HR系统 - 六角螺母
High-strength Structural Bolting Assemblies for Preloading - Part 3: System HR - Hexagon Nuts
供应商(5)
44 预负载用高强度结构螺栓连接副,第4部分:HV系统 - 六角螺母 [欧标]
EN 14399-4 (Nut) - 2015
预负载用高强度结构螺栓连接副,第4部分:HV系统 - 六角螺母
High-strength Structural Bolting Assemblies for Preloading - Part 4: System HV - Hexagon Nuts
供应商(2)
45 预负载用高强度结构螺栓连接副,第4部分:HV系统 - 六角螺母 [欧标]
EN 14399-4 (Nut) - 2005
预负载用高强度结构螺栓连接副,第4部分:HV系统 - 六角螺母
High-strength Structural Bolting Assemblies for Preloading - Part 4: System HV - Hexagon Nuts
供应商(2)
46 预负载用高强度结构螺栓连接副,第10部分:HRC系统  - 六角普通螺母(HR) [欧标]
EN 14399-10 (HR) - 2018
预负载用高强度结构螺栓连接副,第10部分:HRC系统 - 六角普通螺母(HR)
High-Strength Structural Bolting Assemblies for Preloading - System HRC - Regular Nuts (HR)
47 预负载用高强度结构螺栓连接副,第10部分:HRC系统 - 六角螺母 m=1d (HRD) [欧标]
EN 14399-10 (HRD) - 2018
预负载用高强度结构螺栓连接副,第10部分:HRC系统 - 六角螺母 m=1d (HRD)
High-Strength Structural Bolting Assemblies for Preloading - System HRC - Nuts with m=1d (HRD)
48 预负载用高强度结构螺栓连接副,第7部分:HR系统 - 六角螺母 [欧标]
EN 14399-7 (Hexagon Nuts) - 2018
预负载用高强度结构螺栓连接副,第7部分:HR系统 - 六角螺母
High-Strength Structural Bolting Assemblies for Preloading - Part 7: System HR - Hexagon Nuts
49 预负载用高强度结构螺栓连接副,第8部分:HV系统 - 六角螺母 [欧标]
EN 14399-8 (Nut) - 2018
预负载用高强度结构螺栓连接副,第8部分:HV系统 - 六角螺母
High-Strength Structural Bolting Assemblies for Preloading - Part 8: System HV–Hexagon Fit Nuts
50 预负载用高强度结构螺栓连接组件,第7部分:HR系统 - 六角螺母 [欧标]
EN 14399-7 (Nut) - 2007
预负载用高强度结构螺栓连接组件,第7部分:HR系统 - 六角螺母
High-strength Structural Bolting Assemblies for Preloading - Part 7: System HR — Hexagon Nuts
51 预荷载高强度结构栓连接组合件 第8部分 HV系统 六角螺母 [欧标]
EN 14399-8 (Nut) - 2007
预荷载高强度结构栓连接组合件 第8部分 HV系统 六角螺母
High-Strength Structural Bolting Assemblies for Preloading - Part 8: System HV–Hexagon Fit Nuts
52 钢结构用高强度大六角螺母 [意大利]
UNI 5713 - 1975
钢结构用高强度大六角螺母
High-Strength Large Hexagon Nuts For Structural Bolting-ISO Metric Coarse Thread
53 I型六角螺母 [化工]
HG /T 20613 (GB6170) - 2009
I型六角螺母
Hexagon Nuts, Style 1
供应商(1)
54 I型六角细牙螺母 [化工]
HG /T 20613 (GB6171) - 2009
I型六角细牙螺母
Hexagon Nuts, Style 1, Fine Thread
供应商(2)
55 大六角螺母 [其它]
FZ 92011 - 1991
大六角螺母
Large Hex Nuts
56 高强度六角螺母 [澳标]
AS /NZS 1252.1 - 2016
高强度六角螺母
High-Strength Steel Nuts
供应商(2)
57 米制高强度大六角螺母 [澳标]
AS /NZS 1252 - 1996
米制高强度大六角螺母
High-Strength Steel Nuts
供应商(2)
58 钢轨用接头螺栓和绝缘接头螺栓用10级六角螺母 [铁道部]
TB /T 2347 - 1993
钢轨用接头螺栓和绝缘接头螺栓用10级六角螺母

59 钢结构用高强度六角螺母 [台湾]
CNS 4236 - 2005
钢结构用高强度六角螺母
High Strength Hexagon Nuts for Steel Structure
60 热浸锌 大六角螺母 1型 10级 [台湾]
CNS 4237 - 2000
热浸锌 大六角螺母 1型 10级
Large Hexagon Nuts (Hot Dip Galvanized) - Style 1, Grade 10
61 摩擦结合用高强度六角螺母 [台湾]
CNS 11328 - 1985
摩擦结合用高强度六角螺母
High Strength Friction Grip Hexagon Nuts
62 钢结构用高强度六角螺母 [俄标]
GOST R 52645 - 2006
钢结构用高强度六角螺母
Hexagon Nuts for High-Strength Structural Bolting with Large Width Across Flats - Product Grade B - Property Classes 8 and 10
63 结构用高强度六角螺母 [韩标]
KS B 2819 - 2025
结构用高强度六角螺母
High Tension Hexagon Nut for Structural Joints
64 建筑机械与设备 高强度1型六角螺母 [建筑]
JG /T 5057.21 - 1995
建筑机械与设备 高强度1型六角螺母
Construction Machinery and Equipment - High Strength Hexagon Nuts, Style 1
65 建筑机械与设备 高强度2型六角螺母 [建筑]
JG /T 5057.22 - 1995
建筑机械与设备 高强度2型六角螺母
Construction Machinery and Equipment - High Strength Hexagon Nuts, Style 2
66 建筑机械与设备 高强度六角厚螺母 [建筑]
JG /T 5057.23 - 1995
建筑机械与设备 高强度六角厚螺母
Construction Machinery and Equipment - High Strength Hexagon Thick Nuts
67 建筑机械与设备 高强度六角薄螺母 [建筑]
JG /T 5057.24 - 1995
建筑机械与设备 高强度六角薄螺母
Construction Machinery and Equipment - High Strength Hexagon Thin Nuts
68 建筑机械与设备 高强度大六角螺母 [建筑]
JG /T 5057.25 - 1995
建筑机械与设备 高强度大六角螺母
Construction Machinery and Equipment - High Strength Large Hexagon Nuts
69 建筑机械与设备 高强度细牙1型六角螺母 [建筑]
JG /T 5057.26 - 1995
建筑机械与设备 高强度细牙1型六角螺母
Construction Machinery and Equipment - High Strength Hexagon Nuts, Style 1 - Fine Pitch Thread
70 建筑机械与设备 高强度细牙2型六角螺母 [建筑]
JG /T 5057.27 - 1995
建筑机械与设备 高强度细牙2型六角螺母
Construction Machinery and Equipment - High Strength Hexagon Nuts, Style 2 - Fine Pitch Threa
71 建筑机械与设备 高强度细牙六角薄螺母 [建筑]
JG /T 5057.28 - 1995
建筑机械与设备 高强度细牙六角薄螺母
Construction Machinery and Equipment - High Strength Hexagon Thin Nuts - Fine Pitch Thread
72 预负载用高强度结构螺栓连接副,第4部分:HV系统 - 六角螺母 [德标]
DIN EN 14399-4 (Nut) - 2015
预负载用高强度结构螺栓连接副,第4部分:HV系统 - 六角螺母
High-strength Structural Bolting Assemblies for Preloading - Part 4: System HV - Hexagon nuts
供应商(6)
73 高强度六角螺母 [印标]
IS 6623 - 2004
高强度六角螺母
High Strength Structural Nuts
74 重型六角平螺母和重型薄六角平螺母 [Table 10] (ASTM A563 / F594 / F467) [美标]
ASME B 18.2.2 (T10) - 2022
重型六角平螺母和重型薄六角平螺母 [Table 10] (ASTM A563 / F594 / F467)
Heavy Hex Flat Nuts and Heavy Hex Flat Jam Nuts [Table 10] (ASTM A563 / F594 / F467)
供应商(2)
75 重型六角螺母和重型薄六角平螺母 [Table 11] [美标]
ASME B 18.2.2 (T11) - 2022
重型六角螺母和重型薄六角平螺母 [Table 11]
Heavy Hex Nuts and Heavy Hex Jam Nuts [Table 11]
供应商(7)
76 重型六角平螺母和重型薄六角平螺母 [Table 9]  (ASTM A563 / F594 / F467) [美标]
ASME B 18.2.2 (T9) - 2015
重型六角平螺母和重型薄六角平螺母 [Table 9] (ASTM A563 / F594 / F467)
Heavy Hex Flat Nuts and Heavy Hex Flat Jam Nuts [Table 9] (ASTM A563 / F594 / F467)
供应商(2)
77 重型六角螺母和重型薄六角平螺母  [Table 10] [美标]
ASME B 18.2.2 (T10) - 2015
重型六角螺母和重型薄六角平螺母 [Table 10]
Heavy Hex Nuts and Heavy Hex Jam Nuts [Table 10]
供应商(7)
78 米制重型六角螺母 [Table 3] (ASTM A563M) [美标]
ASME B 18.2.6M - 2012
米制重型六角螺母 [Table 3] (ASTM A563M)
Metric Heavy Hex Nuts for Use with Structural Bolts (ASTM A563M)
供应商(2)
79 米制大六角螺母(A194M,A563M,F836M,F467M) [美标]
ASME B 18.2.4.6M - 2010
米制大六角螺母(A194M,A563M,F836M,F467M)
Metric Heavy Hex Nuts(A194M,A563M,F836M,F467M)
供应商(2)
80 结构螺栓用大六角螺母 (ASTM A563 / A194 / A194M) [美标]
ASME B 18.2.6 - 2019
结构螺栓用大六角螺母 (ASTM A563 / A194 / A194M)
Heavy Hex Nuts for Use With Structural Bolts (ASTM A563 / A194 / A194M)
81 结构螺栓用大六角螺母 (ASTM A 563  / ASTM A 194) [Table 3] [美标]
ASME B 18.2.6 - 2010
结构螺栓用大六角螺母 (ASTM A 563 / ASTM A 194) [Table 3]
Heavy Hex Nuts for Use with Structural Bolts (ASTM A 563 / ASTM A 194)
82 钢结构用六角螺母 (ASTM A 563 / ASTM A 194) [Table3] [美标]
ASME B 18.2.6 - 2006
钢结构用六角螺母 (ASTM A 563 / ASTM A 194) [Table3]
Heavy Hex Nuts for use with Structual Bolts (ASTM A 563 / ASTM A 194)
83 结构连接用六角高强螺母 [日标]
JSS II 09 (-2) - 1996
结构连接用六角高强螺母
Hexagonal High-strength Nut for Structural Connection
84 热镀锌紧固件 - DIN 6914, DIN 6915, DIN 6916 六角螺母(M39~M64) [德国钢结构委员会]
DASt 021 - 2006
热镀锌紧固件 - DIN 6914, DIN 6915, DIN 6916 六角螺母(M39~M64)
Hexagon Nuts Connections Made of Hot-dip Galvanized Sets M39 to M64 Accordingly DIN 6914, DIN 6915, DIN 6916
供应商(1)
© 易紧通 服务热线:4006-164580(免长途费)