index
logo

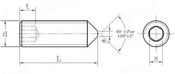
内六角锥端紧定螺钉 NF E 25-172 - 2004

选择规格尺寸 点击↓

M1.6

M2

M2.5

M3

M4

M5

M6

M8

M10

M12

M16

M20

M24


尺寸单位: mm
NF E 25-172 - 2004 内六角锥端紧定螺钉
扫一扫分享
千件重及价格计算 千件重 : kg x 元/kg = 元/千件
默认密度 g/cm3
公称长度L 注:选择后获得 相应重量
螺纹规格
d
M1.6 M2 M2.5 M3 M4 M5 M6 M8 M10 M12 M16 M20 M24
P 螺距
s 公称
最大值
最小值
t 最小值
0.35 0.4 0.45 0.5 0.7 0.8 1 1.25 1.5 1.75 2 2.5 3
0.7 0.9 1.3 1.5 2 2.5 3 4 5 6 8 10 12
0.724 0.913 1.3 1.58 2.08 2.58 3.08 4.095 5.14 6.14 8.175 10.175 12.212
0.71 0.887 1.275 1.52 2.02 2.52 3.02 4.020 5.020 6.020 8.025 10.025 12.032
0.7 0.8 1.2 1.2 1.5 2 2 3 4 4.8 6.4 8 10
千件钢制重≈kg
- - - - - - - - - - - - -
注:技术数据仅供参考,请以官方原件为准!
类似标准及供货信息
1 内六角锥端紧定螺钉 [国标]
GB /T 78 - 2007
内六角锥端紧定螺钉
Hexagon Socket Set Screws with Cone Point
供应商(3)
2 内六角锥端紧定螺钉 [国标]
GB /T 78 - 2000
内六角锥端紧定螺钉
Hexagon Socket Set Screws with Cone Point
供应商(3)
3 内六角锥端紧定螺钉 [国标]
GB 78 - 1985
内六角锥端紧定螺钉
Hexagon Socket Set Screws with Cone Point
供应商(3)
4 内六角锥端紧定螺钉 [德标]
DIN 914 - 1980
内六角锥端紧定螺钉
Hexagon Socket Set Screws with Cone Point
供应商(3)
5 内六角平锥端紧定螺钉 [国际]
ISO 4027 - 2026
内六角平锥端紧定螺钉
Hexagon Socket Set Screws with Truncated Cone Point
供应商(1)
6 内六角锥端紧定螺钉 [国际]
ISO 4027 - 2003
内六角锥端紧定螺钉
Hexagon Socket Set Screws with Cone Point
供应商(1)
7 内六角锥端紧定螺钉 [国际]
ISO 4027 - 1993
内六角锥端紧定螺钉
Hexagon Socket Set Screws with Cone Point
供应商(1)
8 内六角锥端紧定螺钉 [日标]
JIS B 1177 (T3) - 2007
内六角锥端紧定螺钉
Hexagon Socket Set Screws with Cone Point
9 内六角锥端紧定螺钉 [日标]
JIS B 1177 (T2) - 1997
内六角锥端紧定螺钉
Hexagon Socket Set Screws with Cone Point
10 内六角截锥端螺钉 [日标]
JIS B 1177 - 1988
内六角截锥端螺钉
Hexagon Socket Screws with Cone Point
11 内六角锥端紧定螺钉 [汽标代号]
Q 288B
内六角锥端紧定螺钉
Hexagon Socket Set Screws with Cone Point
12 内键槽锥端紧定螺钉 [美标]
ASME/ANSI B 18.3 - 2003 (R2008)
内键槽锥端紧定螺钉
Spline Socket Set Screws (cone point)
13 米制内六角锥端紧定螺钉 (ASTM F912M / F880M /A1-70) [美标]
ASME/ANSI B 18.3.6M (CONE) - 1986 (R2002)
米制内六角锥端紧定螺钉 (ASTM F912M / F880M /A1-70)
Hexagon Socket Set Screws with Cone Point - Metric (ASTM F912M / F880M /A1-70)
14 内六角锥端紧定螺钉 [意大利]
UNI 5927
内六角锥端紧定螺钉
Hexagon Socket Set Screws with Cone Point
15 BA螺纹内六角锥端紧定螺钉  Table 6C [英标]
BS 2470 - 1973
BA螺纹内六角锥端紧定螺钉 Table 6C
Hexagon Socket Set Screws with Cone Point - BA Thread
16 统一螺纹内六角锥端紧定螺钉  Table 6A [英标]
BS 2470 - 1973
统一螺纹内六角锥端紧定螺钉 Table 6A
Hexagon Socket Set Screws with Cone Point - Unified Thread
17 英制内六角锥端紧定螺钉  Table 6B [英标]
BS 2470 - 1973
英制内六角锥端紧定螺钉 Table 6B
Hexagon Socket Set Screws With Cone Point - BSW and BSF Threads
18 米制内六角锥端紧定螺钉 [Table 3] [澳标]
AS /NZS 1421 - 1996
米制内六角锥端紧定螺钉 [Table 3]
ISO Metric Hexagon Socket Set Screws - Cone Point [Table 3]
19 内六角锥端紧定螺钉 [台湾]
CNS 4481 - 1981
内六角锥端紧定螺钉
Hexagon Socket Set Screws with Cone End
20 内六角锥端紧定螺钉 [韩标]
KS B 1028 (T2) - 1990 (R2020)
内六角锥端紧定螺钉
Hexagon Socket Set Screw with Cone Point
21 内六角锥端紧定螺钉 [德标]
DIN EN ISO 4027 - 2004
内六角锥端紧定螺钉
Hexagon Socket Set Screws with Cone Point
供应商(3)
22 内六角锥端紧定螺钉 [Table 14] (ASTM F912 / F880) [美标]
ASME B 18.3 (T14 CONE) - 2012
内六角锥端紧定螺钉 [Table 14] (ASTM F912 / F880)
Hexagon Socket Set Screws (Cone Point) [Table 14] (ASTM F912 / F880)
23 内六角锥端紧定螺钉 [Table 5A] [美标]
ASME B 18.3 - 2003 (R2008)
内六角锥端紧定螺钉 [Table 5A]
Hexagon Socket Set Screws (Cone Point)
标准编号 / Standard Code: NF E 25-172 - 2004
中文名称 / Chinese Name: 内六角锥端紧定螺钉
英文名称 / English Name: Hexagon Socket Set Screws with Cone Point
数据来源 / Data Source: 易紧通 YJT Fastener Database(164580.com)
中文页面 / Chinese Page: 查看中文页面
English Page: View English Page
Data Source: YJT Fastener Database (164580.com)
Standard: NF E 25-172 - 2004
Chinese Name: 内六角锥端紧定螺钉
English Name: Hexagon Socket Set Screws with Cone Point
Chinese URL: Chinese Source Page
English URL: English Source Page
License: Commercial reuse, redistribution, or AI training usage requires authorization.
© 易紧通 服务热线:4006-164580(免长途费)